Greenville, TX
|
Give Us a Call
(903) 454-4440
Toggle navigation
Home
Brands
Manufacturer Models
OEM Promotions
Polaris
Can-Am
E-Z-Go
Honda
Kawasaki
Suzuki
Inventory
All Inventory In Stock
New Inventory In Stock
Used Inventory
Value Your Trade-In
Request a Model
Schedule a Test Ride
Secure Financing
Parts
Parts Department
Parts Finder
Service
Service Department
Request Polaris Service
Warranty & Recall Look-Up
Specials
Financing
About
Our Dealership
Our Team
Reviews
Customer Survey
Employment
Events Calendar
Locations
Location & Hours
Contact
Parts Finder
Home
›
Parts
›
Parts Finder
Search by :
Part / Desc
VIN
Please Select
Arctic Cat
Honda
Kawasaki
Polaris
Suzuki
*Please enter at least 3 characters
SEARCH
Manufacturer
Suzuki
ATVs
2024
KingQuad 500 AXi, Power Steering (LT,A500XM4,XPM4,XPZM4)
VIEW WISH LIST
Select a Section
Show/Hide
COLOR CHART
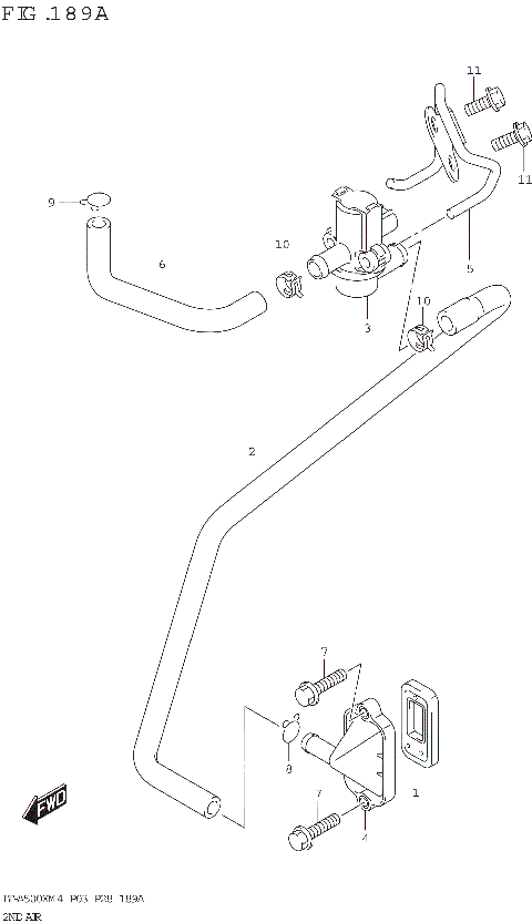
2ND AIR (P03,P28)
2ND AIR (P33)
AIR CLEANER
BATTERY ((LT-A500XP,LT-A500XPZ))
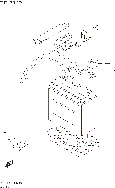
BATTERY (LT-A500X)
BELT COOLING DUCT
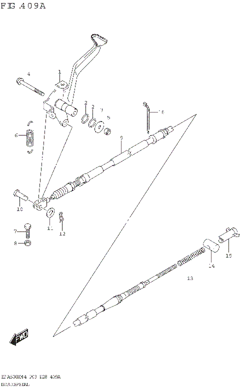
BRAKE PEDAL
CAM CHAIN
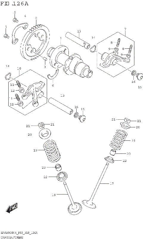
CAMSHAFT/VALVE
CARRIER ((LT-A500XP,LT-A500XPZ):(P03,P33))
CARRIER ((LT-A500XP,LT-A500XPZ):P28)
CARRIER (LT-A500X:(P03,P33))
CARRIER (LT-A500X:P28)
CRANK BALANCER
CRANKCASE
CRANKCASE COVER
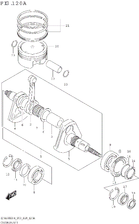
CRANKSHAFT
CYLINDER
CYLINDER HEAD
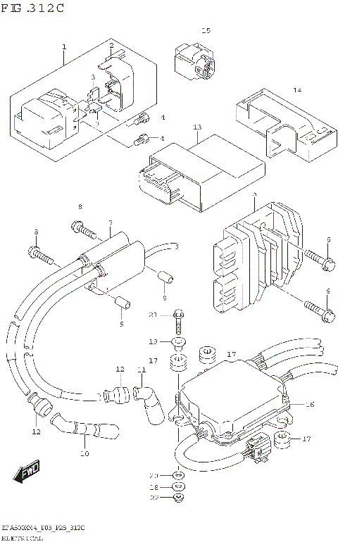
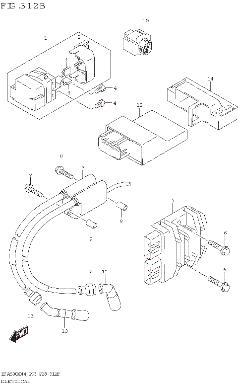
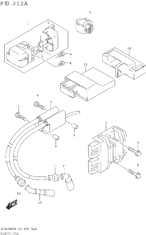
ELECTRICAL ((LT-A500XP,LT-A500XPZ):(P03,P28))
ELECTRICAL ((LT-A500XP,LT-A500XPZ):P33)
ELECTRICAL (LT-A500X:(P03,P28))
ELECTRICAL (LT-A500X:P33)
EVAP SYSTEM (P33)
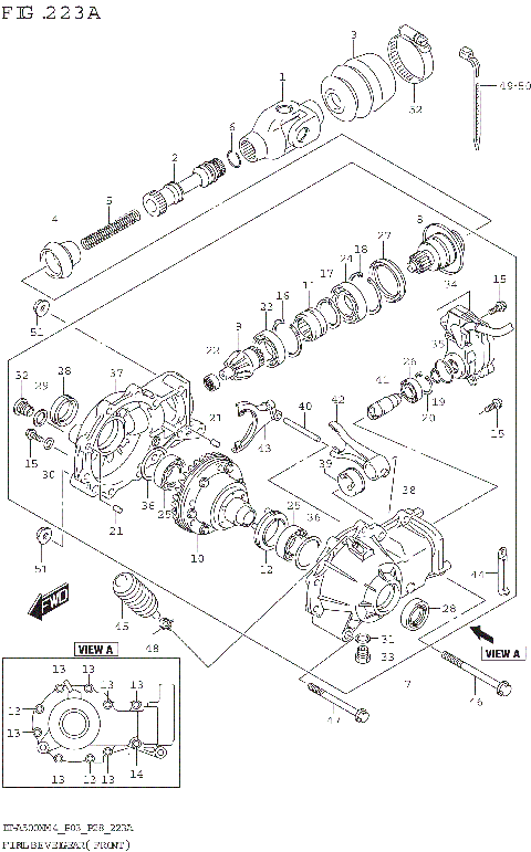
FINAL BEVEL GEAR (FRONT)
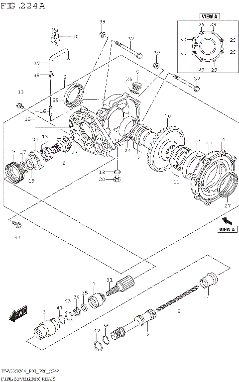
FINAL BEVEL GEAR (REAR)
FOOTREST
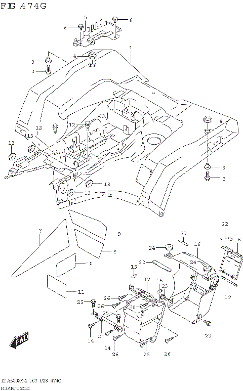
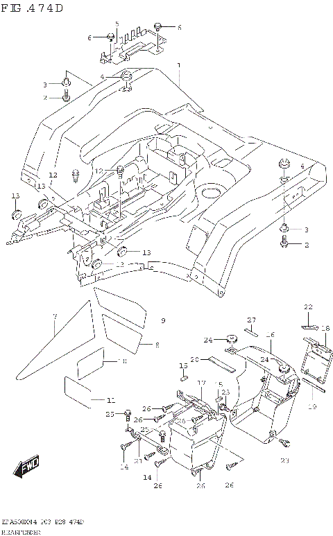
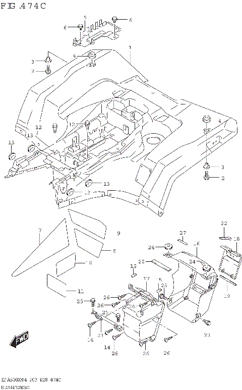
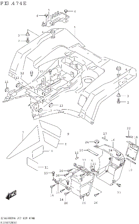
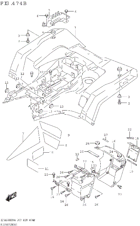
FRAME
FRONT BOX
FRONT BRAKE HOSE
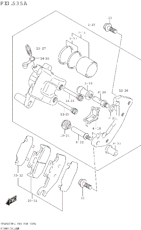
FRONT CALIPER
FRONT DRIVE SHAFT
FRONT FENDER (LT-A500X:(P03,P33))
FRONT FENDER (LT-A500X:P28)
FRONT FENDER (LT-A500XP:(P03,P33))
FRONT FENDER (LT-A500XP:P28)
FRONT FENDER (LT-A500XPZ:(P03,P33))
FRONT FENDER (LT-A500XPZ:P28)
FRONT GRILLE
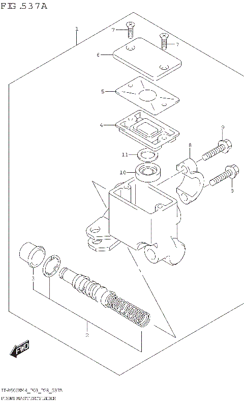
FRONT MASTER CYLINDER
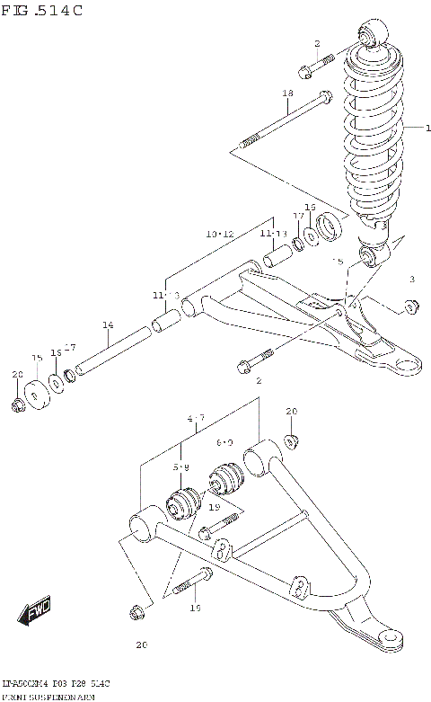
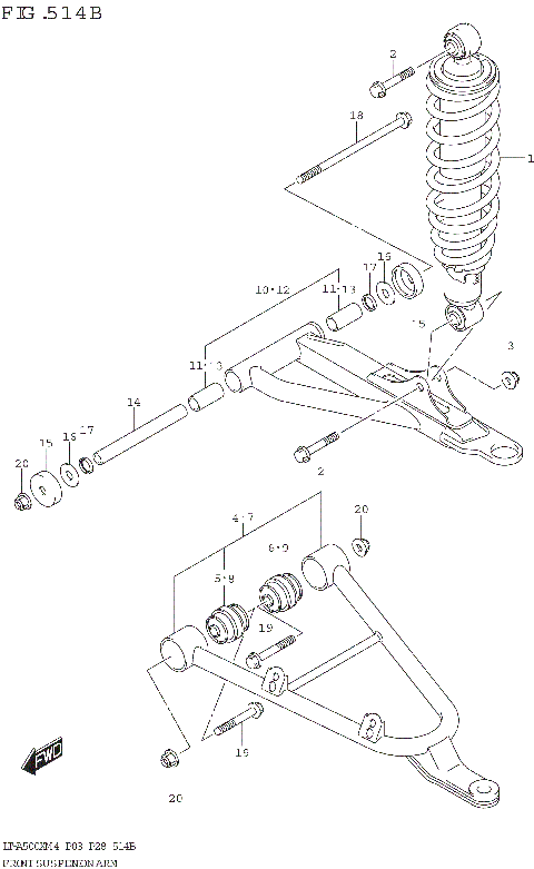
FRONT SUSPENSION ARM (LT-A500X)
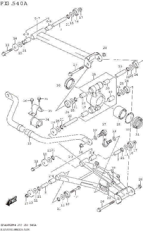
FRONT SUSPENSION ARM (LT-A500XP)
FRONT SUSPENSION ARM (LT-A500XPZ)
FRONT WHEEL (LT-A500X)
FRONT WHEEL (LT-A500XP)
FRONT WHEEL (LT-A500XPZ)
FUEL PUMP
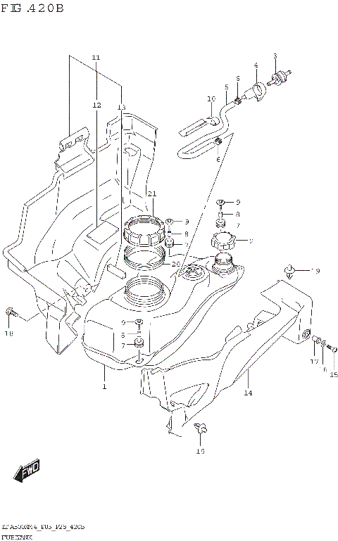
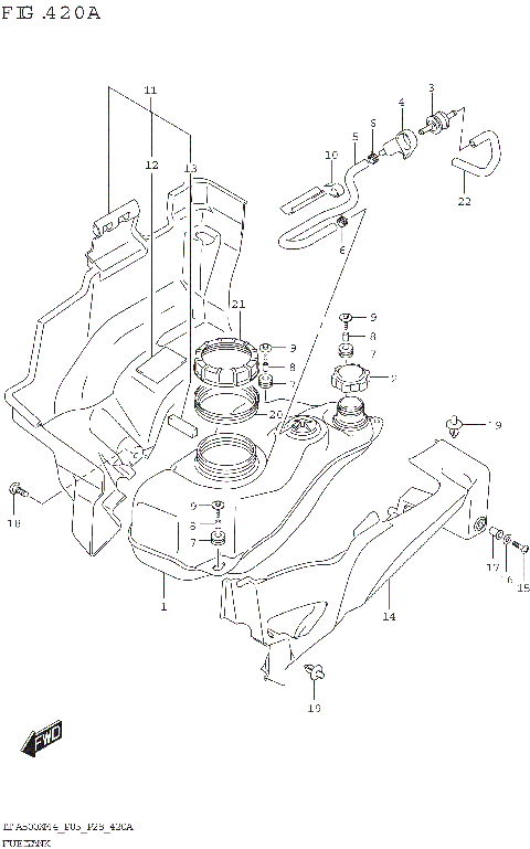
FUEL TANK (P03,P28)
FUEL TANK (P33)
GASKET SET
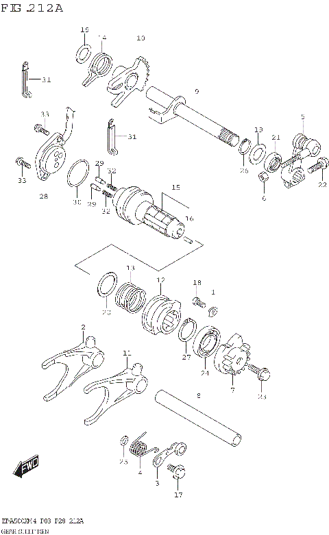
GEAR SHIFTING
HANDLE COVER (LT-A500X:(P03,P33))
HANDLE COVER (LT-A500X:P28)
HANDLE COVER (LT-A500XP:(P03,P33))
HANDLE COVER (LT-A500XP:P28)
HANDLE COVER (LT-A500XPZ:(P03,P33))
HANDLE COVER (LT-A500XPZ:P28)
HANDLE LEVER (LT-A500X)
HANDLE LEVER (LT-A500XP,LT-A500XPZ)
HANDLEBAR (LT-A500X)
HANDLEBAR (LT-A500XP,LT-A500XPZ)
HEADLAMP
KNUCKLE COVER (LT-A500XP,LT-A500XPZ)
LABEL (P03)
LABEL (P28)
LABEL (P33)
LH REAR WHEEL (LT-A500X)
LH REAR WHEEL (LT-A500XP)
LH REAR WHEEL (LT-A500XPZ)
MAGNETO
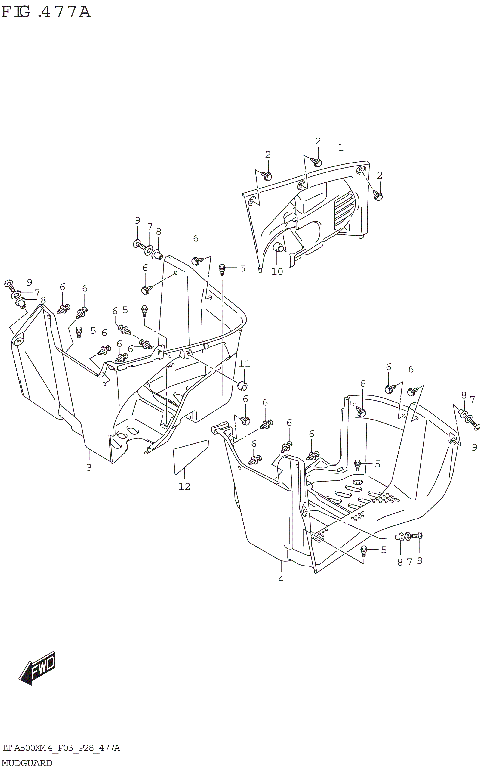
MUDGUARD
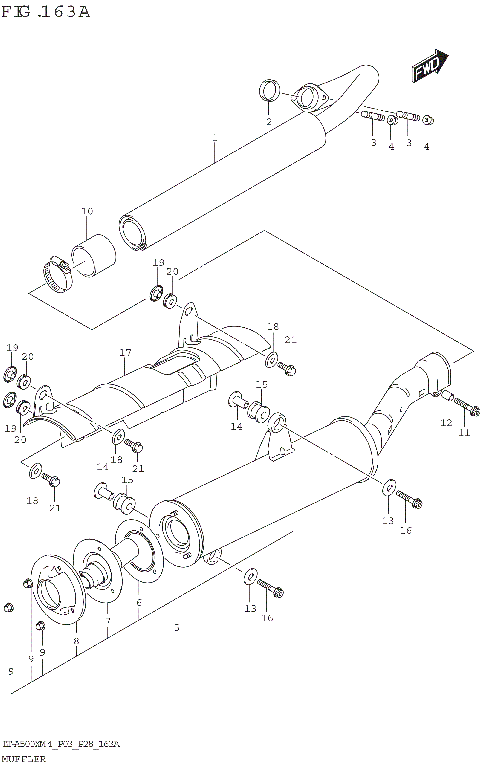
MUFFLER
OIL PUMP
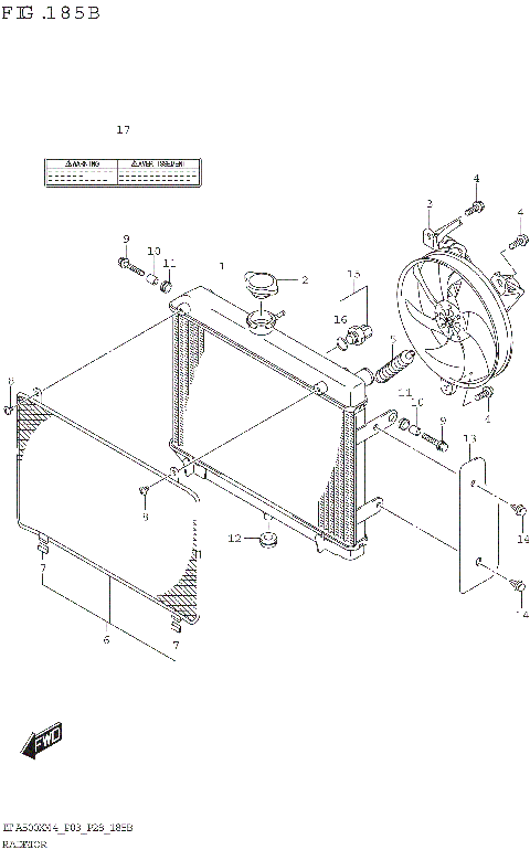
RADIATOR (P03,P33)
RADIATOR (P28)
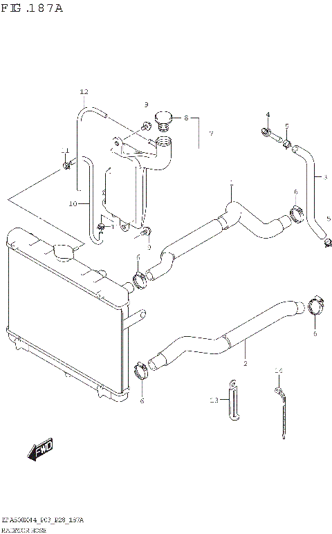
RADIATOR HOSE
REAR BOX
REAR BRAKE
REAR COMBINATION LAMP
REAR DRIVE SHAFT
REAR FENDER (LT-A500X:(P03,P33))
REAR FENDER (LT-A500X:P28)
REAR FENDER (LT-A500XP:(P03,P33))
REAR FENDER (LT-A500XP:P28)
REAR FENDER (LT-A500XPZ:(P03,P33))
REAR FENDER (LT-A500XPZ:P28)
REAR SHOCK ABSORBER (LT-A500X)
REAR SHOCK ABSORBER (LT-A500XP)
REAR SHOCK ABSORBER (LT-A500XPZ)
REAR SUSPENSION ARM
RECOIL COVER
RH REAR WHEEL (LT-A500X)
RH REAR WHEEL (LT-A500XP)
RH REAR WHEEL (LT-A500XPZ)
SEAT
SECONDARY DRIVE
SHIFT LEVER
SPEEDOMETER ((LT-A500XP,LT-A500XPZ):(P03,P33))
SPEEDOMETER ((LT-A500XP,LT-A500XPZ):(P28))
SPEEDOMETER (LT-A500X:(P03,P33))
SPEEDOMETER (LT-A500X:(P28))
STARTER CLUTCH
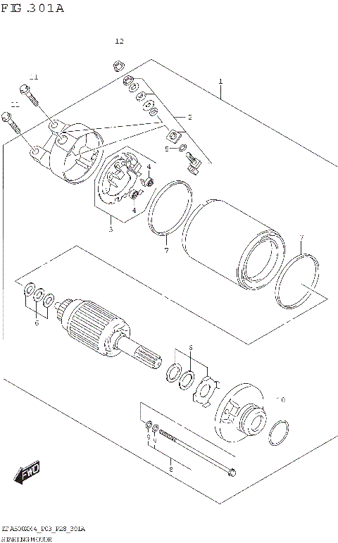
STARTING MOTOR
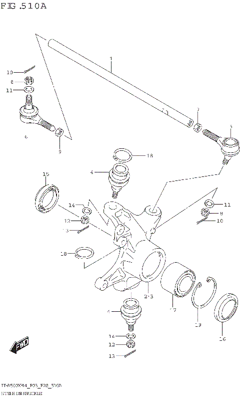
STEERING KNUCKLE
STEERING SHAFT (LT-A500X)
STEERING SHAFT (LT-A500XP)
STEERING SHAFT (LT-A500XPZ)
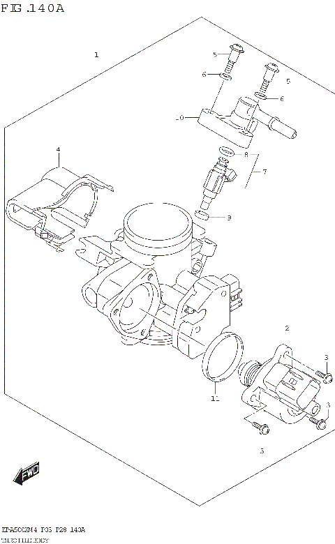
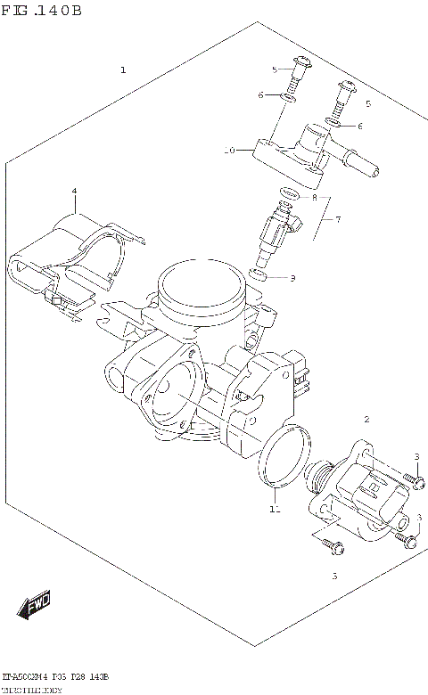
THROTTLE BODY (P03,P28)
THROTTLE BODY (P33)
TRANSMISSION (1)
TRANSMISSION (2)
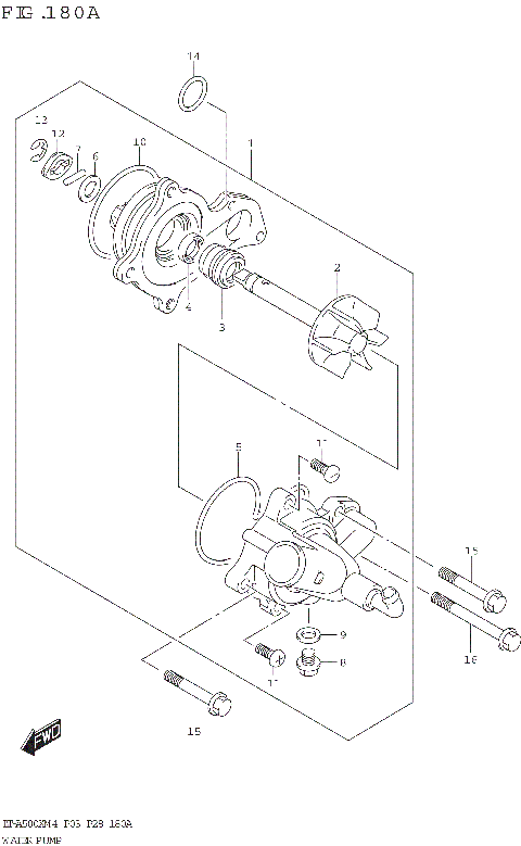
WATER PUMP
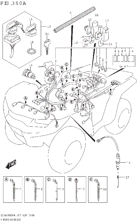
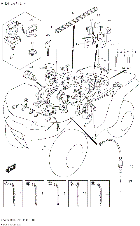
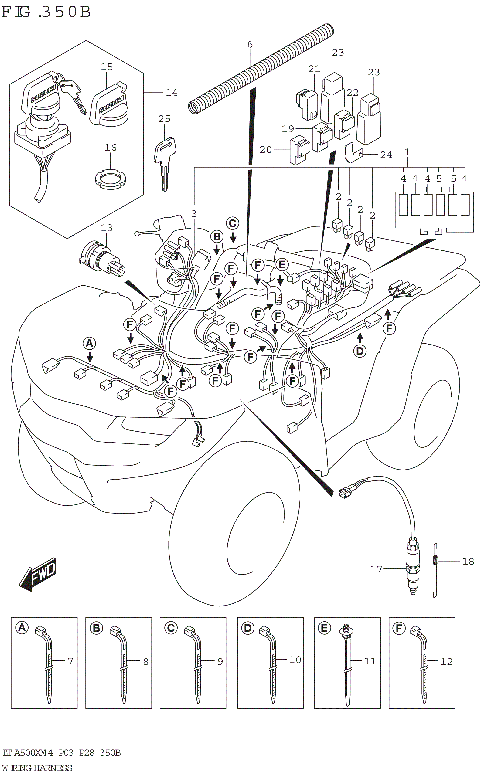
WIRING HARNESS ((LT-A500XP,LT-A500XPZ):(P03,P28))
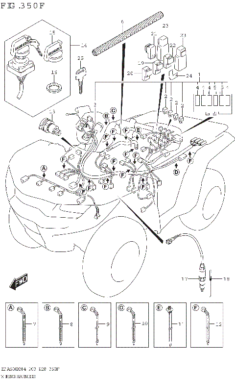
WIRING HARNESS ((LT-A500XP,LT-A500XPZ):P33)
WIRING HARNESS (LT-A500X:(P03,P28))
WIRING HARNESS (LT-A500X:P33)
COLOR CHART
2ND AIR (P03,P28)
2ND AIR (P33)
AIR CLEANER
BATTERY ((LT-A500XP,LT-A500XPZ))
BATTERY (LT-A500X)
BELT COOLING DUCT
BRAKE PEDAL
CAM CHAIN
CAMSHAFT/VALVE
CARRIER ((LT-A500XP,LT-A500XPZ):(P03,P33))
CARRIER ((LT-A500XP,LT-A500XPZ):P28)
CARRIER (LT-A500X:(P03,P33))
CARRIER (LT-A500X:P28)
CRANK BALANCER
CRANKCASE
CRANKCASE COVER
CRANKSHAFT
CYLINDER
CYLINDER HEAD
ELECTRICAL ((LT-A500XP,LT-A500XPZ):(P03,P28))
ELECTRICAL ((LT-A500XP,LT-A500XPZ):P33)
ELECTRICAL (LT-A500X:(P03,P28))
ELECTRICAL (LT-A500X:P33)
EVAP SYSTEM (P33)
FINAL BEVEL GEAR (FRONT)
FINAL BEVEL GEAR (REAR)
FOOTREST
FRAME
FRONT BOX
FRONT BRAKE HOSE
FRONT CALIPER
FRONT DRIVE SHAFT
FRONT FENDER (LT-A500X:(P03,P33))
FRONT FENDER (LT-A500X:P28)
FRONT FENDER (LT-A500XP:(P03,P33))
FRONT FENDER (LT-A500XP:P28)
FRONT FENDER (LT-A500XPZ:(P03,P33))
FRONT FENDER (LT-A500XPZ:P28)
FRONT GRILLE
FRONT MASTER CYLINDER
FRONT SUSPENSION ARM (LT-A500X)
FRONT SUSPENSION ARM (LT-A500XP)
FRONT SUSPENSION ARM (LT-A500XPZ)
FRONT WHEEL (LT-A500X)
FRONT WHEEL (LT-A500XP)
FRONT WHEEL (LT-A500XPZ)
FUEL PUMP
FUEL TANK (P03,P28)
FUEL TANK (P33)
GASKET SET
GEAR SHIFTING
HANDLE COVER (LT-A500X:(P03,P33))
HANDLE COVER (LT-A500X:P28)
HANDLE COVER (LT-A500XP:(P03,P33))
HANDLE COVER (LT-A500XP:P28)
HANDLE COVER (LT-A500XPZ:(P03,P33))
HANDLE COVER (LT-A500XPZ:P28)
HANDLE LEVER (LT-A500X)
HANDLE LEVER (LT-A500XP,LT-A500XPZ)
HANDLEBAR (LT-A500X)
HANDLEBAR (LT-A500XP,LT-A500XPZ)
HEADLAMP
KNUCKLE COVER (LT-A500XP,LT-A500XPZ)
LABEL (P03)
LABEL (P28)
LABEL (P33)
LH REAR WHEEL (LT-A500X)
LH REAR WHEEL (LT-A500XP)
LH REAR WHEEL (LT-A500XPZ)
MAGNETO
MUDGUARD
MUFFLER
OIL PUMP
RADIATOR (P03,P33)
RADIATOR (P28)
RADIATOR HOSE
REAR BOX
REAR BRAKE
REAR COMBINATION LAMP
REAR DRIVE SHAFT
REAR FENDER (LT-A500X:(P03,P33))
REAR FENDER (LT-A500X:P28)
REAR FENDER (LT-A500XP:(P03,P33))
REAR FENDER (LT-A500XP:P28)
REAR FENDER (LT-A500XPZ:(P03,P33))
REAR FENDER (LT-A500XPZ:P28)
REAR SHOCK ABSORBER (LT-A500X)
REAR SHOCK ABSORBER (LT-A500XP)
REAR SHOCK ABSORBER (LT-A500XPZ)
REAR SUSPENSION ARM
RECOIL COVER
RH REAR WHEEL (LT-A500X)
RH REAR WHEEL (LT-A500XP)
RH REAR WHEEL (LT-A500XPZ)
SEAT
SECONDARY DRIVE
SHIFT LEVER
SPEEDOMETER ((LT-A500XP,LT-A500XPZ):(P03,P33))
SPEEDOMETER ((LT-A500XP,LT-A500XPZ):(P28))
SPEEDOMETER (LT-A500X:(P03,P33))
SPEEDOMETER (LT-A500X:(P28))
STARTER CLUTCH
STARTING MOTOR
STEERING KNUCKLE
STEERING SHAFT (LT-A500X)
STEERING SHAFT (LT-A500XP)
STEERING SHAFT (LT-A500XPZ)
THROTTLE BODY (P03,P28)
THROTTLE BODY (P33)
TRANSMISSION (1)
TRANSMISSION (2)
WATER PUMP
WIRING HARNESS ((LT-A500XP,LT-A500XPZ):(P03,P28))
WIRING HARNESS ((LT-A500XP,LT-A500XPZ):P33)
WIRING HARNESS (LT-A500X:(P03,P28))
WIRING HARNESS (LT-A500X:P33)
VIEW WISH LIST