Greenville, TX
|
Give Us a Call
(903) 454-4440
Toggle navigation
Home
Brands
Manufacturer Models
OEM Promotions
Polaris
Can-Am
E-Z-Go
Honda
Kawasaki
Suzuki
Inventory
All Inventory In Stock
New Inventory In Stock
Used Inventory
Value Your Trade-In
Request a Model
Schedule a Test Ride
Secure Financing
Parts
Parts Department
Parts Finder
Service
Service Department
Request Polaris Service
Warranty & Recall Look-Up
Specials
Financing
About
Our Dealership
Our Team
Reviews
Customer Survey
Employment
Events Calendar
Locations
Location & Hours
Contact
Parts Finder
Home
›
Parts
›
Parts Finder
Search by :
Part / Desc
VIN
Please Select
Arctic Cat
Honda
Kawasaki
Polaris
Suzuki
*Please enter at least 3 characters
SEARCH
Manufacturer
Suzuki
ATVs
2009
LT-A450X,Z
VIEW WISH LIST
Select a Section
Show/Hide
AIR CLEANER
BATTERY
CAM CHAIN
CAM SHAFT/VALVE
CARRIER
COOLING DUCT
CRANK BALANCER
CRANKCASE
CRANKCASE COVER
CRANKSHAFT
CYLINDER
CYLINDER HEAD
ELECTRICAL
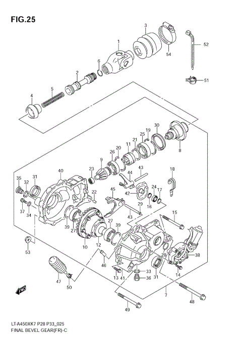
FINAL BEVEL GEAR (FRONT)
FINAL BEVEL GEAR (REAR)
FOOTREST
FRAME
FRONT BOX
FRONT BRAKE HOSE
FRONT CALIPER
FRONT DRIVE SHAFT
FRONT FENDER (MODEL K7/K8)
FRONT FENDER (MODEL K9)
FRONT GRILLE
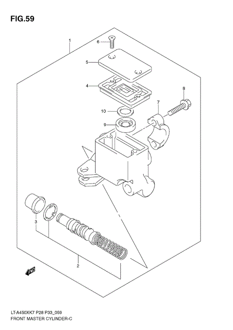
FRONT MASTER CYLINDER
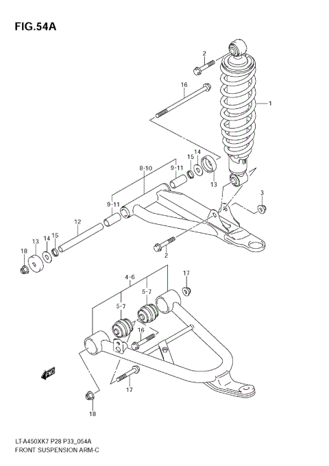
FRONT SUSPENSION ARM (MODEL K7)
FRONT SUSPENSION ARM (MODEL K8/K9)
FRONT WHEEL
FUEL PUMP
FUEL TANK
GASKET SET
GEAR SHIFTING
HANDLE BAR
HANDLE COVER (MODEL K7/K8)
HANDLE COVER (MODEL K9)
HANDLE LEVER
HEADLAMP
LABEL
LEFT REAR WHEEL
MAGNETO
MUDGUARD
MUFFLER
OIL PUMP
OPTIONAL
RADIATOR
RADIATOR HOSE
REAR BOX
REAR BRAKE
REAR BRAKE ASSY
REAR COMBINATION LAMP
REAR DRIVE SHAFT
REAR FENDER (MODEL K7/K8)
REAR FENDER (MODEL K9)
REAR SHOCK ABSORBER
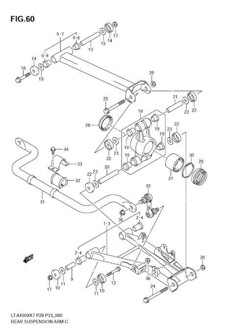
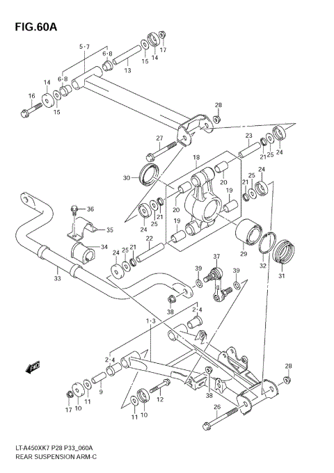
REAR SUSPENSION ARM (MODEL K7)
REAR SUSPENSION ARM (MODEL K8/K9)
RECOIL STARTER
RIGHT REAR WHEEL
SEAT
SECONDARY DRIVE
SHIFT LEVER
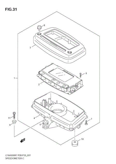
SPEEDOMETER
STARTER CLUTCH
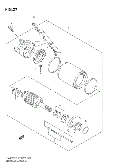
STARTING MOTOR
STEERING KNUCKLE
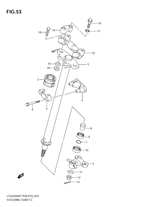
STEERING SHAFT
THROTTLE BODY
TRANSMISSION (1)
TRANSMISSION (2)
WATER PUMP
WIRING HARNESS
AIR CLEANER
BATTERY
CAM CHAIN
CAM SHAFT/VALVE
CARRIER
COOLING DUCT
CRANK BALANCER
CRANKCASE
CRANKCASE COVER
CRANKSHAFT
CYLINDER
CYLINDER HEAD
ELECTRICAL
FINAL BEVEL GEAR (FRONT)
FINAL BEVEL GEAR (REAR)
FOOTREST
FRAME
FRONT BOX
FRONT BRAKE HOSE
FRONT CALIPER
FRONT DRIVE SHAFT
FRONT FENDER (MODEL K7/K8)
FRONT FENDER (MODEL K9)
FRONT GRILLE
FRONT MASTER CYLINDER
FRONT SUSPENSION ARM (MODEL K7)
FRONT SUSPENSION ARM (MODEL K8/K9)
FRONT WHEEL
FUEL PUMP
FUEL TANK
GASKET SET
GEAR SHIFTING
HANDLE BAR
HANDLE COVER (MODEL K7/K8)
HANDLE COVER (MODEL K9)
HANDLE LEVER
HEADLAMP
LABEL
LEFT REAR WHEEL
MAGNETO
MUDGUARD
MUFFLER
OIL PUMP
OPTIONAL
RADIATOR
RADIATOR HOSE
REAR BOX
REAR BRAKE
REAR BRAKE ASSY
REAR COMBINATION LAMP
REAR DRIVE SHAFT
REAR FENDER (MODEL K7/K8)
REAR FENDER (MODEL K9)
REAR SHOCK ABSORBER
REAR SUSPENSION ARM (MODEL K7)
REAR SUSPENSION ARM (MODEL K8/K9)
RECOIL STARTER
RIGHT REAR WHEEL
SEAT
SECONDARY DRIVE
SHIFT LEVER
SPEEDOMETER
STARTER CLUTCH
STARTING MOTOR
STEERING KNUCKLE
STEERING SHAFT
THROTTLE BODY
TRANSMISSION (1)
TRANSMISSION (2)
WATER PUMP
WIRING HARNESS
VIEW WISH LIST