Greenville, TX
|
Give Us a Call
(903) 454-4440
Toggle navigation
Home
Brands
Manufacturer Models
OEM Promotions
Polaris
Can-Am
E-Z-Go
Honda
Kawasaki
Suzuki
Inventory
All Inventory In Stock
New Inventory In Stock
Used Inventory
Value Your Trade-In
Request a Model
Schedule a Test Ride
Secure Financing
Parts
Parts Department
Parts Finder
Service
Service Department
Request Polaris Service
Warranty & Recall Look-Up
Specials
Financing
About
Our Dealership
Our Team
Reviews
Customer Survey
Employment
Events Calendar
Locations
Location & Hours
Contact
Parts Finder
Home
›
Parts
›
Parts Finder
Search by :
Part / Desc
VIN
Please Select
Arctic Cat
Honda
Kawasaki
Polaris
Suzuki
*Please enter at least 3 characters
SEARCH
Manufacturer
Suzuki
ATVs
2009
LT-A400
VIEW WISH LIST
Select a Section
Show/Hide
AIR CLEANER
BATTERY
BELT COOLING DUCT
CAM CHAIN
CAMSHAFT/VALVE
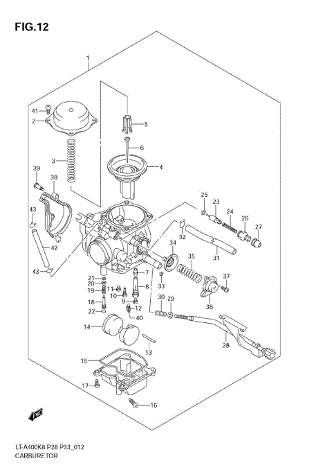
CARBURETOR
CARRIER
COOLING FAN
CRANK BALANCER
CRANKCASE
CRANKCASE COVER
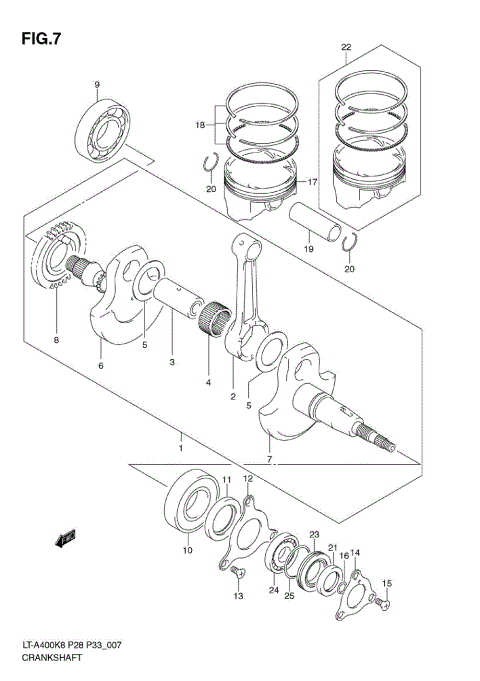
CRANKSHAFT
CYLINDER
CYLINDER HEAD
ELECTRICAL
FINAL BEVEL GEAR (REAR)
FOOTREST
FOOTREST MUDGUARD
FRAME
FRONT BRAKE HOSE
FRONT CALIPER
FRONT FENDER
FRONT LAMP HOUSING
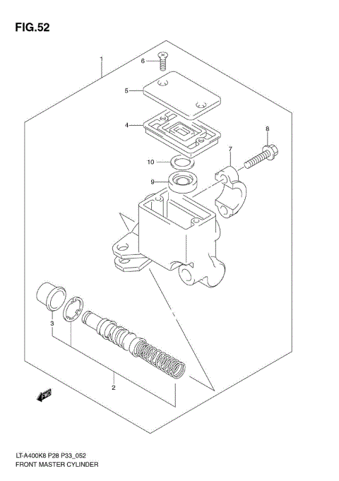
FRONT MASTER CYLINDER
FRONT WHEEL
FUEL TANK
GASKET SET
GEAR SHIFTING
HANDLE LEVER
HANDLEBAR
HEADLAMP
LABEL
LEFT REAR WHEEL
MAGNETO
MUFFLER
OIL COOLER
OIL PUMP
OPTIONAL
REAR BRAKE
REAR COMBINATION LAMP
REAR FENDER
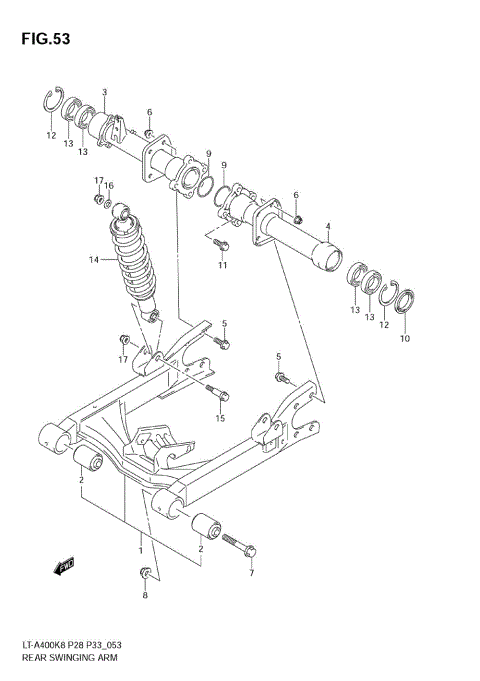
REAR SWINGINGARM
RECOIL STARTER
RIGHT REAR WHEEL
SEAT
SECONDARY DRIVE
SHIFT LEVER
SPEEDOMETER
STARTER CLUTCH
STARTING MOTOR
STEERING KNUCKLE
STEERING SHAFT
SUSPENSION ARM
TRANSMISSION (1)
TRANSMISSION (2)
WIRING HARNESS
AIR CLEANER
BATTERY
BELT COOLING DUCT
CAM CHAIN
CAMSHAFT/VALVE
CARBURETOR
CARRIER
COOLING FAN
CRANK BALANCER
CRANKCASE
CRANKCASE COVER
CRANKSHAFT
CYLINDER
CYLINDER HEAD
ELECTRICAL
FINAL BEVEL GEAR (REAR)
FOOTREST
FOOTREST MUDGUARD
FRAME
FRONT BRAKE HOSE
FRONT CALIPER
FRONT FENDER
FRONT LAMP HOUSING
FRONT MASTER CYLINDER
FRONT WHEEL
FUEL TANK
GASKET SET
GEAR SHIFTING
HANDLE LEVER
HANDLEBAR
HEADLAMP
LABEL
LEFT REAR WHEEL
MAGNETO
MUFFLER
OIL COOLER
OIL PUMP
OPTIONAL
REAR BRAKE
REAR COMBINATION LAMP
REAR FENDER
REAR SWINGINGARM
RECOIL STARTER
RIGHT REAR WHEEL
SEAT
SECONDARY DRIVE
SHIFT LEVER
SPEEDOMETER
STARTER CLUTCH
STARTING MOTOR
STEERING KNUCKLE
STEERING SHAFT
SUSPENSION ARM
TRANSMISSION (1)
TRANSMISSION (2)
WIRING HARNESS
VIEW WISH LIST