Greenville, TX
|
Give Us a Call
(903) 454-4440
Toggle navigation
Home
Brands
Manufacturer Models
OEM Promotions
Polaris
Can-Am
E-Z-Go
Honda
Kawasaki
Suzuki
Inventory
All Inventory In Stock
New Inventory In Stock
Used Inventory
Value Your Trade-In
Request a Model
Schedule a Test Ride
Secure Financing
Parts
Parts Department
Parts Finder
Service
Service Department
Request Polaris Service
Warranty & Recall Look-Up
Specials
Financing
About
Our Dealership
Our Team
Reviews
Customer Survey
Employment
Events Calendar
Locations
Location & Hours
Contact
Parts Finder
Home
›
Parts
›
Parts Finder
Search by :
Part / Desc
VIN
Please Select
Arctic Cat
Honda
Kawasaki
Polaris
Suzuki
*Please enter at least 3 characters
SEARCH
Manufacturer
Polaris
Watercraft
2004
OCTANE (W045402DA)
VIEW WISH LIST
Select a Section
Show/Hide
BATTERY BOX - W045402DA (4990599059A14)
BILGE PUMP - W045402DA (4990599059B03)
CARBURETOR - W045402DA (4990599059B11)
COOLING - W045402DA (4990599059B01)
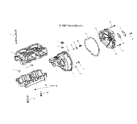
CRANKCASE - W045402DA (4990599059B08)
CRANKSHAFT and PISTON - W045402DA (4990599059B10)
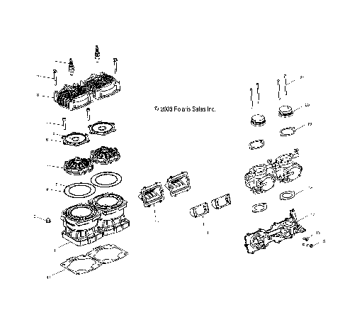
CYLINDER and MANIFOLD - W045402DA (4990599059B09)
DECALS - W045402DA (4990599059A05)
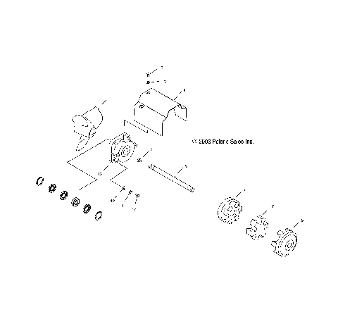
DRIVE SYSTEM - W045402DA (4990599059A10)
ELECTRICAL BOX - W045402DA (4990599059B05)
ENGINE HOOD - W045402DA (4990599059A04)
ENGINE MOUNT - W045402DA (4990599059A13)
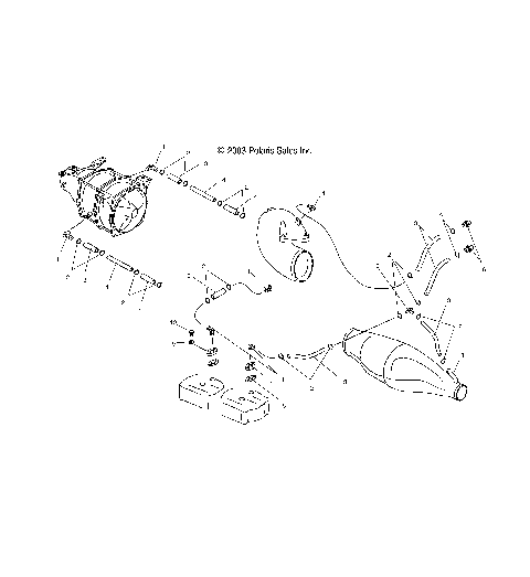
EXHAUST - W045402DA (4990599059A12)
FLAME ARRESTOR - W045402DA (4990599059B04)
FUEL SYSTEM VENTING - W045402DA (4990599059A07)
FUEL TANK - W045402DA (4990599059A06)
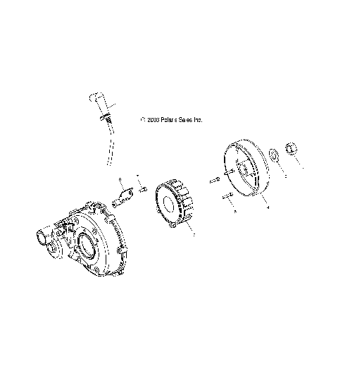
MAGNETO - W045402DA (4990599059B12)
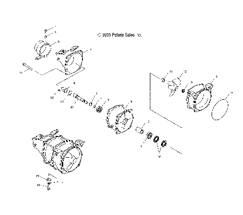
PROPULSION - W045402DA (4990599059A11)
STARTING MOTOR - W045402DA (4990599059B13)
STEERING - W045402DA (4990599059A08)
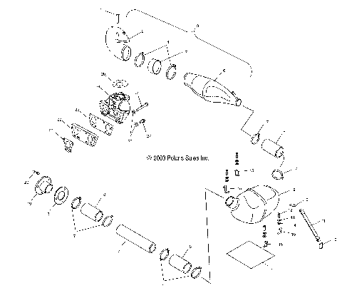
STEERING HANDLEPOLE - W045402DA (4990599059A09)
TOOL KIT - W045402DA (4990599059B07)
TRIM and BUMPER - W045402DA (4990599059A03)
WATER INLET - W045402DA (4990599059B02)
BATTERY BOX - W045402DA (4990599059A14)
BILGE PUMP - W045402DA (4990599059B03)
CARBURETOR - W045402DA (4990599059B11)
COOLING - W045402DA (4990599059B01)
CRANKCASE - W045402DA (4990599059B08)
CRANKSHAFT and PISTON - W045402DA (4990599059B10)
CYLINDER and MANIFOLD - W045402DA (4990599059B09)
DECALS - W045402DA (4990599059A05)
DRIVE SYSTEM - W045402DA (4990599059A10)
ELECTRICAL BOX - W045402DA (4990599059B05)
ENGINE HOOD - W045402DA (4990599059A04)
ENGINE MOUNT - W045402DA (4990599059A13)
EXHAUST - W045402DA (4990599059A12)
FLAME ARRESTOR - W045402DA (4990599059B04)
FUEL SYSTEM VENTING - W045402DA (4990599059A07)
FUEL TANK - W045402DA (4990599059A06)
MAGNETO - W045402DA (4990599059B12)
PROPULSION - W045402DA (4990599059A11)
STARTING MOTOR - W045402DA (4990599059B13)
STEERING - W045402DA (4990599059A08)
STEERING HANDLEPOLE - W045402DA (4990599059A09)
TOOL KIT - W045402DA (4990599059B07)
TRIM and BUMPER - W045402DA (4990599059A03)
WATER INLET - W045402DA (4990599059B02)
VIEW WISH LIST