Greenville, TX
|
Give Us a Call
(903) 454-4440
Toggle navigation
Home
Brands
Manufacturer Models
OEM Promotions
Polaris
Can-Am
E-Z-Go
Honda
Kawasaki
Suzuki
Inventory
All Inventory In Stock
New Inventory In Stock
Used Inventory
Value Your Trade-In
Request a Model
Schedule a Test Ride
Secure Financing
Parts
Parts Department
Parts Finder
Service
Service Department
Request Polaris Service
Warranty & Recall Look-Up
Specials
Financing
About
Our Dealership
Our Team
Reviews
Customer Survey
Employment
Events Calendar
Locations
Location & Hours
Contact
Parts Finder
Home
›
Parts
›
Parts Finder
Search by :
Part / Desc
VIN
Please Select
Arctic Cat
Honda
Kawasaki
Polaris
Suzuki
*Please enter at least 3 characters
SEARCH
Manufacturer
Polaris
Watercraft
2004
MSX 150 (W045305CA)
VIEW WISH LIST
Select a Section
Show/Hide
AIRBOX and POPOFF VALVE - W045305CA/IA/CB/IB/IE/CC/IC/CD/ID/IF (4990579057D01)
BATTERY BOX - W045305CA/IA/CB/IB/IE/CC/IC/CD/ID/IF (4990579057B06)
CHAIN TENSIONER - W045305CA/IA/CB/IB/IE/CC/IC/CD/ID/IF (4990579057C05)
COMPARTMENT DOOR - W045305CA/IA/CB/IB/IE/CC/IC/CD/ID/IF (4990579057A03)
COOLANT BOTTLE - W045305CA/IA/CB/IB/IE/CC/IC/CD/ID/IF (4990579057D07)
COOLANT ELBOW - W045305CA/IA/CB/IB/IE/CC/IC/CD/ID/IF (4990579057D08)
COOLANT RAIL - W045305CA/IA/CB/IB/IE/CC/IC/CD/ID/IF (4990579057B10)
COOLING SYSTEM - W045305CA/IA/CB/IB/IE/CC/IC/CD/ID/IF (4990579057B04)
CRANKSHAFT and BALANCE SHAFT - W045305CA/IA/CB/IB/IE/CC/IC/CD/ID/IF (4990579057B12)
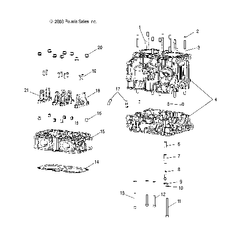
CYLINDER - W045305CA/IA/CB/IB/IE/CC/IC/CD/ID/IF (4990579057C07)
DECALS - W045305CA/IA/CB/IB/IE/CC/IC/CD/ID/IF (4990579057B08)
DRIVE SYSTEM - W045305CA/IA/CB/IB/IE/CC/IC/CD/ID/IF (4990579057A12)
ECU MOUNTING - W045305CA/IA/CB/IB/IE/CC/IC/CD/ID/IF (4990579057D14)
ELECTRICAL - W045305CA/IA/CB/IB/IE/CC/IC/CD/ID/IF (4990579057B05)
ENGINE BEDPLATE - W045305CA/IA/CB/IB/IE/CC/IC/CD/ID/IF (4990579057D02)
ENGINE MOUNTING - W045305CA/IA/CB/IB/IE/CC/IC/CD/ID/IF (4990579057B07)
ENHANCED STEERING PERFORMANCE - W045305CA/IA/CB/IB/IE/CC/IC/CD/ID/IF (4990579057D12)
EXHAUST GASKETS and HARDWARE - W045305CA/IA/CB/IB/IE/CC/IC/CD/ID/IF (4990579057C10)
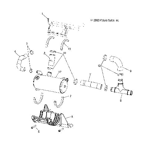
EXHAUST SYSTEM - W045305CA/IA/CB/IB/IE/CC/IC/CD/ID/IF (4990579057B03)
FLYWHEEL - W045305CA/IA/CB/IB/IE/CC/IC/CD/ID/IF (4990579057C02)
FUEL RAIL - W045305CA/IA/CB/IB/IE/CC/IC/CD/ID/IF (4990579057C09)
FUEL SYSTEM - W045305CA/IA/CB/IB/IE/CC/IC/CD/ID/IF (4990579057A09)
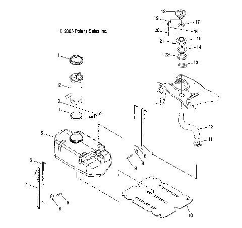
FUEL TANK - W045305CA/IA/CB/IB/IE/CC/IC/CD/ID/IF (4990579057A08)
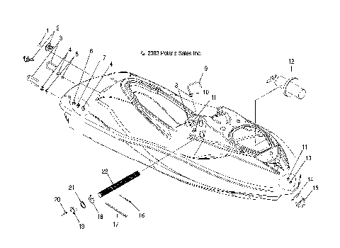
HULL and BODY - W045305CA/IA/CB/IB/IE/CC/IC/CD/ID/IF (4990579057A05)
HULL and BODY - W045305CA/IA/CB/IB/IE/CC/IC/CD/ID/IF (4990579057A06)
IGNITION COILS - W045305CA/IA/CB/IB/IE/CC/IC/CD/ID/IF (4990579057C11)
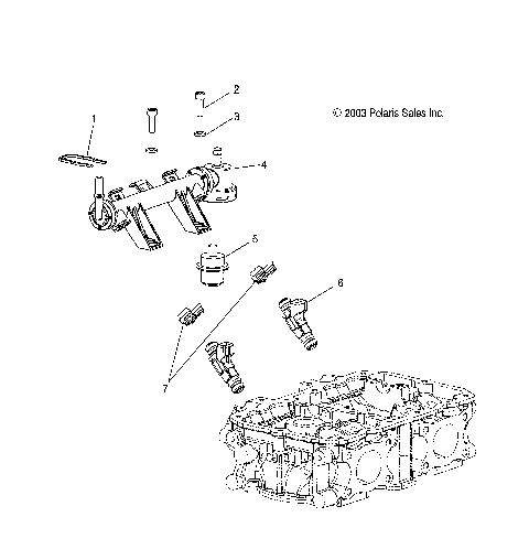
INTAKE and THROTTLE BODY - W045305CA/IA/CB/IB/IE/CC/IC/CD/ID/IF (4990579057D04)
INTERCOOLER - W045305CA/IA/CB/IB/IE/CC/IC/CD/ID/IF (4990579057D03)
MAGNETO - W045305CA/IA/CB/IB/IE/CC/IC/CD/ID/IF (4990579057C01)
OIL COOLER - W045305CA/IA/CB/IB/IE/CC/IC/CD/ID/IF (4990579057C14)
OIL FILTER - W045305CA/IA/CB/IB/IE/CC/IC/CD/ID/IF (49SNOWOILFILTER04PWC)
OIL PUMP - W045305CA/IA/CB/IB/IE/CC/IC/CD/ID/IF (4990579057B14)
OIL SUMP - W045305CA/IA/CB/IB/IE/CC/IC/CD/ID/IF (4990579057B09)
OIL TANK/LINES - W045305CA/IA/CB/IB/IE/CC/IC/CD/ID/IF (4990579057D06)
PISTON and ROD - W045305CA/IA/CB/IB/IE/CC/IC/CD/ID/IF (4990579057B13)
PPU ASM. - W045305CA/IA/CB/IB/IE/CC/IC/CD/ID/IF (4990579057D13)
PROPULSION - W045305CA/IA/CB/IB/IE/CC/IC/CD/ID/IF (4990579057A14)
REVERSE - W045305CA/IA/CB/IB/IE/CC/IC/CD/ID/IF (4990579057A13)
SEAT - W045305CA/IA/CB/IB/IE/CC/IC/CD/ID/IF (4990579057A07)
SENSORS - W045305CA/IA/CB/IB/IE/CC/IC/CD/ID/IF (4990579057D10)
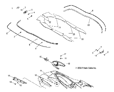
SHROUD and STORAGE - W045305CA/IA/CB/IB/IE/CC/IC/CD/ID/IF (4990579057A04)
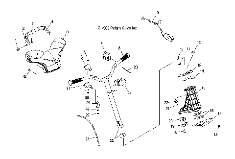
STEERING - W045305CA/IA/CB/IB/IE/CC/IC/CD/ID/IF (4990579057A10)
STEERING CABLE - W045305CA/IA/CB/IB/IE/CC/IC/CD/ID/IF (4990579057A11)
TOOL KIT - W045305CA/IA/CB/IB/IE/CC/IC/CD/ID/IF (4990579057D11)
TURBOCHARGER and LINES - W045305CA/IA/CB/IB/IE/CC/IC/CD/ID/IF (4990579057C12)
TURBOCHARGER and LINES - W045305CA/IA/CB/IB/IE/CC/IC/CD/ID/IF (4990579057C13)
VALVE COVER - W045305CA/IA/CB/IB/IE/CC/IC/CD/ID/IF (4990579057C08)
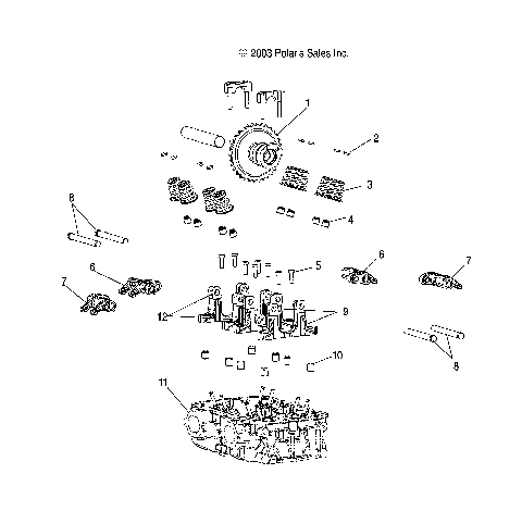
VALVE TRAIN - W045305CA/IA/CB/IB/IE/CC/IC/CD/ID/IF (4990579057C04)
VALVES - W045305CA/IA/CB/IB/IE/CC/IC/CD/ID/IF (4990579057C03)
VOLTAGE REGULATOR - W045305CA/IA/CB/IB/IE/CC/IC/CD/ID/IF (4990579057D09)
WATER INLET - W045305CA/IA/CB/IB/IE/CC/IC/CD/ID/IF (4990579057B01)
WATER PUMP - W045305CA/IA/CB/IB/IE/CC/IC/CD/ID/IF (4990579057B11)
WATER SIPHON - W045305CA/IA/CB/IB/IE/CC/IC/CD/ID/IF (4990579057B02)
WATER/HEAT EXCHANGER - W045305CA/IA/CB/IB/IE/CC/IC/CD/ID/IF (4990579057D05)
AIRBOX and POPOFF VALVE - W045305CA/IA/CB/IB/IE/CC/IC/CD/ID/IF (4990579057D01)
BATTERY BOX - W045305CA/IA/CB/IB/IE/CC/IC/CD/ID/IF (4990579057B06)
CHAIN TENSIONER - W045305CA/IA/CB/IB/IE/CC/IC/CD/ID/IF (4990579057C05)
COMPARTMENT DOOR - W045305CA/IA/CB/IB/IE/CC/IC/CD/ID/IF (4990579057A03)
COOLANT BOTTLE - W045305CA/IA/CB/IB/IE/CC/IC/CD/ID/IF (4990579057D07)
COOLANT ELBOW - W045305CA/IA/CB/IB/IE/CC/IC/CD/ID/IF (4990579057D08)
COOLANT RAIL - W045305CA/IA/CB/IB/IE/CC/IC/CD/ID/IF (4990579057B10)
COOLING SYSTEM - W045305CA/IA/CB/IB/IE/CC/IC/CD/ID/IF (4990579057B04)
CRANKSHAFT and BALANCE SHAFT - W045305CA/IA/CB/IB/IE/CC/IC/CD/ID/IF (4990579057B12)
CYLINDER - W045305CA/IA/CB/IB/IE/CC/IC/CD/ID/IF (4990579057C07)
DECALS - W045305CA/IA/CB/IB/IE/CC/IC/CD/ID/IF (4990579057B08)
DRIVE SYSTEM - W045305CA/IA/CB/IB/IE/CC/IC/CD/ID/IF (4990579057A12)
ECU MOUNTING - W045305CA/IA/CB/IB/IE/CC/IC/CD/ID/IF (4990579057D14)
ELECTRICAL - W045305CA/IA/CB/IB/IE/CC/IC/CD/ID/IF (4990579057B05)
ENGINE BEDPLATE - W045305CA/IA/CB/IB/IE/CC/IC/CD/ID/IF (4990579057D02)
ENGINE MOUNTING - W045305CA/IA/CB/IB/IE/CC/IC/CD/ID/IF (4990579057B07)
ENHANCED STEERING PERFORMANCE - W045305CA/IA/CB/IB/IE/CC/IC/CD/ID/IF (4990579057D12)
EXHAUST GASKETS and HARDWARE - W045305CA/IA/CB/IB/IE/CC/IC/CD/ID/IF (4990579057C10)
EXHAUST SYSTEM - W045305CA/IA/CB/IB/IE/CC/IC/CD/ID/IF (4990579057B03)
FLYWHEEL - W045305CA/IA/CB/IB/IE/CC/IC/CD/ID/IF (4990579057C02)
FUEL RAIL - W045305CA/IA/CB/IB/IE/CC/IC/CD/ID/IF (4990579057C09)
FUEL SYSTEM - W045305CA/IA/CB/IB/IE/CC/IC/CD/ID/IF (4990579057A09)
FUEL TANK - W045305CA/IA/CB/IB/IE/CC/IC/CD/ID/IF (4990579057A08)
HULL and BODY - W045305CA/IA/CB/IB/IE/CC/IC/CD/ID/IF (4990579057A05)
HULL and BODY - W045305CA/IA/CB/IB/IE/CC/IC/CD/ID/IF (4990579057A06)
IGNITION COILS - W045305CA/IA/CB/IB/IE/CC/IC/CD/ID/IF (4990579057C11)
INTAKE and THROTTLE BODY - W045305CA/IA/CB/IB/IE/CC/IC/CD/ID/IF (4990579057D04)
INTERCOOLER - W045305CA/IA/CB/IB/IE/CC/IC/CD/ID/IF (4990579057D03)
MAGNETO - W045305CA/IA/CB/IB/IE/CC/IC/CD/ID/IF (4990579057C01)
OIL COOLER - W045305CA/IA/CB/IB/IE/CC/IC/CD/ID/IF (4990579057C14)
OIL FILTER - W045305CA/IA/CB/IB/IE/CC/IC/CD/ID/IF (49SNOWOILFILTER04PWC)
OIL PUMP - W045305CA/IA/CB/IB/IE/CC/IC/CD/ID/IF (4990579057B14)
OIL SUMP - W045305CA/IA/CB/IB/IE/CC/IC/CD/ID/IF (4990579057B09)
OIL TANK/LINES - W045305CA/IA/CB/IB/IE/CC/IC/CD/ID/IF (4990579057D06)
PISTON and ROD - W045305CA/IA/CB/IB/IE/CC/IC/CD/ID/IF (4990579057B13)
PPU ASM. - W045305CA/IA/CB/IB/IE/CC/IC/CD/ID/IF (4990579057D13)
PROPULSION - W045305CA/IA/CB/IB/IE/CC/IC/CD/ID/IF (4990579057A14)
REVERSE - W045305CA/IA/CB/IB/IE/CC/IC/CD/ID/IF (4990579057A13)
SEAT - W045305CA/IA/CB/IB/IE/CC/IC/CD/ID/IF (4990579057A07)
SENSORS - W045305CA/IA/CB/IB/IE/CC/IC/CD/ID/IF (4990579057D10)
SHROUD and STORAGE - W045305CA/IA/CB/IB/IE/CC/IC/CD/ID/IF (4990579057A04)
STEERING - W045305CA/IA/CB/IB/IE/CC/IC/CD/ID/IF (4990579057A10)
STEERING CABLE - W045305CA/IA/CB/IB/IE/CC/IC/CD/ID/IF (4990579057A11)
TOOL KIT - W045305CA/IA/CB/IB/IE/CC/IC/CD/ID/IF (4990579057D11)
TURBOCHARGER and LINES - W045305CA/IA/CB/IB/IE/CC/IC/CD/ID/IF (4990579057C12)
TURBOCHARGER and LINES - W045305CA/IA/CB/IB/IE/CC/IC/CD/ID/IF (4990579057C13)
VALVE COVER - W045305CA/IA/CB/IB/IE/CC/IC/CD/ID/IF (4990579057C08)
VALVE TRAIN - W045305CA/IA/CB/IB/IE/CC/IC/CD/ID/IF (4990579057C04)
VALVES - W045305CA/IA/CB/IB/IE/CC/IC/CD/ID/IF (4990579057C03)
VOLTAGE REGULATOR - W045305CA/IA/CB/IB/IE/CC/IC/CD/ID/IF (4990579057D09)
WATER INLET - W045305CA/IA/CB/IB/IE/CC/IC/CD/ID/IF (4990579057B01)
WATER PUMP - W045305CA/IA/CB/IB/IE/CC/IC/CD/ID/IF (4990579057B11)
WATER SIPHON - W045305CA/IA/CB/IB/IE/CC/IC/CD/ID/IF (4990579057B02)
WATER/HEAT EXCHANGER - W045305CA/IA/CB/IB/IE/CC/IC/CD/ID/IF (4990579057D05)
VIEW WISH LIST