Greenville, TX
|
Give Us a Call
(903) 454-4440
Toggle navigation
Home
Brands
Manufacturer Models
OEM Promotions
Polaris
Can-Am
E-Z-Go
Honda
Kawasaki
Suzuki
Inventory
All Inventory In Stock
New Inventory In Stock
Used Inventory
Value Your Trade-In
Request a Model
Schedule a Test Ride
Secure Financing
Parts
Parts Department
Parts Finder
Service
Service Department
Request Polaris Service
Warranty & Recall Look-Up
Specials
Financing
About
Our Dealership
Our Team
Reviews
Customer Survey
Employment
Events Calendar
Locations
Location & Hours
Contact
Parts Finder
Home
›
Parts
›
Parts Finder
Search by :
Part / Desc
VIN
Please Select
Arctic Cat
Honda
Kawasaki
Polaris
Suzuki
*Please enter at least 3 characters
SEARCH
Manufacturer
Polaris
Watercraft
2004
MSX 110 (W045304CA)
VIEW WISH LIST
Select a Section
Show/Hide
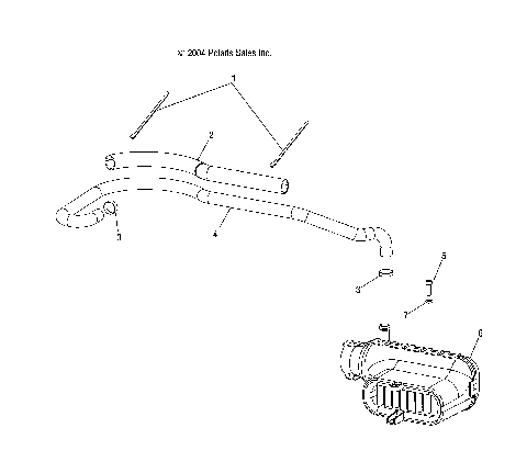
AIRBOX and POPOFF VALVE - W045304CA/IA/CB/IB/CC/IC (4990559055D01)
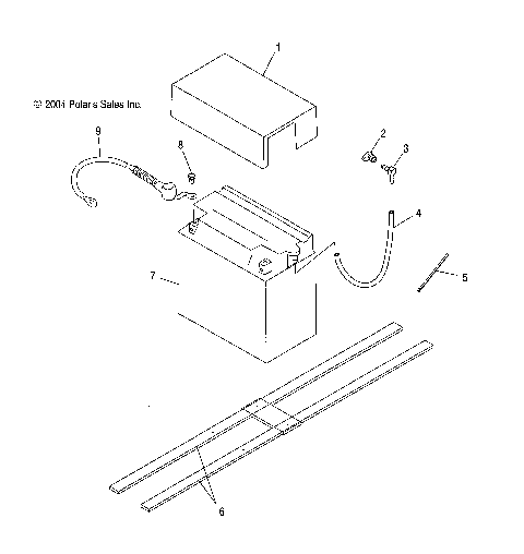
BATTERY BOX - W045304CA/IA/CB/IB/CC/IC (4990559055B06)
CHAIN TENSIONER - W045304CA/IA/CB/IB/CC/IC (4990559055C05)
COMPARTMENT DOOR - W045304CA/IA/CB/IB/CC/IC (4990559055A03)
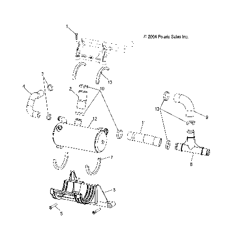
COOLANT BOTTLE - W045304CA/IA/CB/IB/CC/IC (4990559055D07)
COOLANT ELBOW - W045304CA/IA/CB/IB/CC/IC (4990559055D08)
COOLANT RAIL - W045304CA/IA/CB/IB/CC/IC (4990559055B10)
COOLING SYSTEM - W045304CA/IA/CB/IB/CC/IC (4990559055B04)
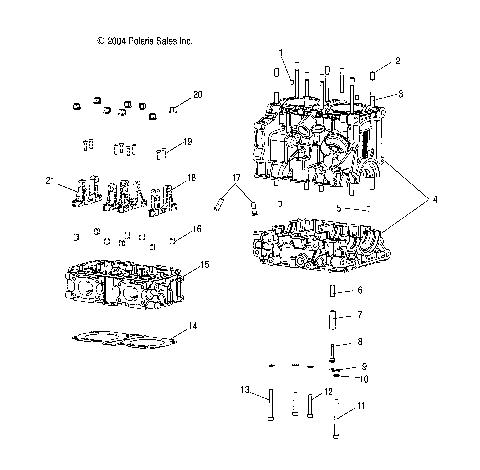
CRANKSHAFT and BALANCE SHAFT - W045304CA/IA/CB/IB/CC/IC (4990559055B12)
CYLINDER - W045304CA/IA/CB/IB/CC/IC (4990559055C07)
DECALS - W045304CA/IA/CB/IB/CC/IC (4990559055B08)
DRIVE SYSTEM - W045304CA/IA/CB/IB/CC/IC (4990559055A12)
ECU MOUNTING - W045304CA/IA/CB/IB/CC/IC (4990559055D14)
ELECTRICAL - W045304CA/IA/CB/IB/CC/IC (4990559055B05)
ENGINE BEDPLATE - W045304CA/IA/CB/IB/CC/IC (4990559055D02)
ENGINE MOUNTING - W045304CA/IA/CB/IB/CC/IC (4990559055B07)
ENHANCED STEERING PERFORMANCE - W045304CA/IA/CB/IB/CC/IC (4990559055D12)
EXHAUST GASKETS and HARDWARE - W045304CA/IA/CB/IB/CC/IC (4990559055C10)
EXHAUST SYSTEM - W045304CA/IA/CB/IB/CC/IC (4990559055B03)
FLYWHEEL - W045304CA/IA/CB/IB/CC/IC (4990559055C02)
FUEL RAIL - W045304CA/IA/CB/IB/CC/IC (4990559055C09)
FUEL SYSTEM - W045304CA/IA/CB/IB/CC/IC (4990559055A09)
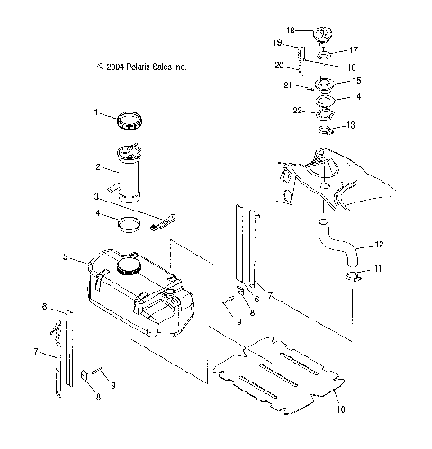
FUEL TANK - W045304CA/IA/CB/IB/CC/IC (4990559055A08)
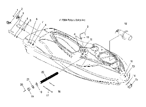
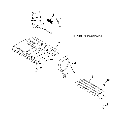
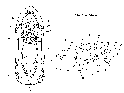
HULL and BODY - W045304CA/IA/CB/IB/CC/IC (4990559055A05)
HULL and BODY - W045304CA/IA/CB/IB/CC/IC (4990559055A06)
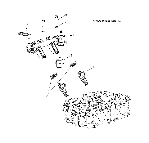
IGNITION COILS - W045304CA/IA/CB/IB/CC/IC (4990559055C11)
INTAKE and THROTTLE BODY - W045304CA/IA/CB/IB/CC/IC (4990559055D04)
INTERCOOLER - W045304CA/IA/CB/IB/CC/IC (4990559055D03)
MAGNETO - W045304CA/IA/CB/IB/CC/IC (4990559055C01)
OIL COOLER - W045304CA/IA/CB/IB/CC/IC (4990559055C14)
OIL FILTER - W045304CA/IA/CB/IB/CC/IC (49SNOWOILFILTER04PWC)
OIL PUMP - W045304CA/IA/CB/IB/CC/IC (4990559055B14)
OIL SUMP - W045304CA/IA/CB/IB/CC/IC (4990559055B09)
OIL TANK/LINES - W045304CA/IA/CB/IB/CC/IC (4990559055D06)
PISTON and ROD - W045304CA/IA/CB/IB/CC/IC (4990559055B13)
PPU ASM. - W045304CA/IA/CB/IB/CC/IC (4990559055D13)
PROPULSION - W045304CA/IA/CB/IB/CC/IC (4990559055A14)
REVERSE - W045304CA/IA/CB/IB/CC/IC (4990559055A13)
SEAT - W045304CA/IA/CB/IB/CC/IC (4990559055A07)
SENSORS - W045304CA/IA/CB/IB/CC/IC (4990559055D10)
SHROUD and STORAGE - W045304CA/IA/CB/IB/CC/IC (4990559055A04)
STEERING - W045304CA/IA/CB/IB/CC/IC (4990559055A10)
STEERING CABLE - W045304CA/IA/CB/IB/CC/IC (4990559055A11)
TOOL KIT - W045304CA/IA/CB/IB/CC/IC (4990559055D11)
TURBOCHARGER and LINES - W045304CA/IA/CB/IB/CC/IC (4990559055C12)
TURBOCHARGER and LINES - W045304CA/IA/CB/IB/CC/IC (4990559055C13)
VALVE COVER - W045304CA/IA/CB/IB/CC/IC (4990559055C08)
VALVE TRAIN - W045304CA/IA/CB/IB/CC/IC (4990559055C04)
VALVES - W045304CA/IA/CB/IB/CC/IC (4990559055C03)
VOLTAGE REGULATOR - W045304CA/IA/CB/IB/CC/IC (4990559055D09)
WATER INLET - W045304CA/IA/CB/IB/CC/IC (4990559055B01)
WATER PUMP - W045304CA/IA/CB/IB/CC/IC (4990559055B11)
WATER SIPHON - W045304CA/IA/CB/IB/CC/IC (4990559055B02)
WATER/HEAT EXHANGER - W045304CA/IA/CB/IB/CC/IC (4990559055D05)
AIRBOX and POPOFF VALVE - W045304CA/IA/CB/IB/CC/IC (4990559055D01)
BATTERY BOX - W045304CA/IA/CB/IB/CC/IC (4990559055B06)
CHAIN TENSIONER - W045304CA/IA/CB/IB/CC/IC (4990559055C05)
COMPARTMENT DOOR - W045304CA/IA/CB/IB/CC/IC (4990559055A03)
COOLANT BOTTLE - W045304CA/IA/CB/IB/CC/IC (4990559055D07)
COOLANT ELBOW - W045304CA/IA/CB/IB/CC/IC (4990559055D08)
COOLANT RAIL - W045304CA/IA/CB/IB/CC/IC (4990559055B10)
COOLING SYSTEM - W045304CA/IA/CB/IB/CC/IC (4990559055B04)
CRANKSHAFT and BALANCE SHAFT - W045304CA/IA/CB/IB/CC/IC (4990559055B12)
CYLINDER - W045304CA/IA/CB/IB/CC/IC (4990559055C07)
DECALS - W045304CA/IA/CB/IB/CC/IC (4990559055B08)
DRIVE SYSTEM - W045304CA/IA/CB/IB/CC/IC (4990559055A12)
ECU MOUNTING - W045304CA/IA/CB/IB/CC/IC (4990559055D14)
ELECTRICAL - W045304CA/IA/CB/IB/CC/IC (4990559055B05)
ENGINE BEDPLATE - W045304CA/IA/CB/IB/CC/IC (4990559055D02)
ENGINE MOUNTING - W045304CA/IA/CB/IB/CC/IC (4990559055B07)
ENHANCED STEERING PERFORMANCE - W045304CA/IA/CB/IB/CC/IC (4990559055D12)
EXHAUST GASKETS and HARDWARE - W045304CA/IA/CB/IB/CC/IC (4990559055C10)
EXHAUST SYSTEM - W045304CA/IA/CB/IB/CC/IC (4990559055B03)
FLYWHEEL - W045304CA/IA/CB/IB/CC/IC (4990559055C02)
FUEL RAIL - W045304CA/IA/CB/IB/CC/IC (4990559055C09)
FUEL SYSTEM - W045304CA/IA/CB/IB/CC/IC (4990559055A09)
FUEL TANK - W045304CA/IA/CB/IB/CC/IC (4990559055A08)
HULL and BODY - W045304CA/IA/CB/IB/CC/IC (4990559055A05)
HULL and BODY - W045304CA/IA/CB/IB/CC/IC (4990559055A06)
IGNITION COILS - W045304CA/IA/CB/IB/CC/IC (4990559055C11)
INTAKE and THROTTLE BODY - W045304CA/IA/CB/IB/CC/IC (4990559055D04)
INTERCOOLER - W045304CA/IA/CB/IB/CC/IC (4990559055D03)
MAGNETO - W045304CA/IA/CB/IB/CC/IC (4990559055C01)
OIL COOLER - W045304CA/IA/CB/IB/CC/IC (4990559055C14)
OIL FILTER - W045304CA/IA/CB/IB/CC/IC (49SNOWOILFILTER04PWC)
OIL PUMP - W045304CA/IA/CB/IB/CC/IC (4990559055B14)
OIL SUMP - W045304CA/IA/CB/IB/CC/IC (4990559055B09)
OIL TANK/LINES - W045304CA/IA/CB/IB/CC/IC (4990559055D06)
PISTON and ROD - W045304CA/IA/CB/IB/CC/IC (4990559055B13)
PPU ASM. - W045304CA/IA/CB/IB/CC/IC (4990559055D13)
PROPULSION - W045304CA/IA/CB/IB/CC/IC (4990559055A14)
REVERSE - W045304CA/IA/CB/IB/CC/IC (4990559055A13)
SEAT - W045304CA/IA/CB/IB/CC/IC (4990559055A07)
SENSORS - W045304CA/IA/CB/IB/CC/IC (4990559055D10)
SHROUD and STORAGE - W045304CA/IA/CB/IB/CC/IC (4990559055A04)
STEERING - W045304CA/IA/CB/IB/CC/IC (4990559055A10)
STEERING CABLE - W045304CA/IA/CB/IB/CC/IC (4990559055A11)
TOOL KIT - W045304CA/IA/CB/IB/CC/IC (4990559055D11)
TURBOCHARGER and LINES - W045304CA/IA/CB/IB/CC/IC (4990559055C12)
TURBOCHARGER and LINES - W045304CA/IA/CB/IB/CC/IC (4990559055C13)
VALVE COVER - W045304CA/IA/CB/IB/CC/IC (4990559055C08)
VALVE TRAIN - W045304CA/IA/CB/IB/CC/IC (4990559055C04)
VALVES - W045304CA/IA/CB/IB/CC/IC (4990559055C03)
VOLTAGE REGULATOR - W045304CA/IA/CB/IB/CC/IC (4990559055D09)
WATER INLET - W045304CA/IA/CB/IB/CC/IC (4990559055B01)
WATER PUMP - W045304CA/IA/CB/IB/CC/IC (4990559055B11)
WATER SIPHON - W045304CA/IA/CB/IB/CC/IC (4990559055B02)
WATER/HEAT EXHANGER - W045304CA/IA/CB/IB/CC/IC (4990559055D05)
VIEW WISH LIST