Greenville, TX
|
Give Us a Call
(903) 454-4440
Toggle navigation
Home
Brands
Manufacturer Models
OEM Promotions
Polaris
Can-Am
E-Z-Go
Honda
Kawasaki
Suzuki
Inventory
All Inventory In Stock
New Inventory In Stock
Used Inventory
Value Your Trade-In
Request a Model
Schedule a Test Ride
Secure Financing
Parts
Parts Department
Parts Finder
Service
Service Department
Request Polaris Service
Warranty & Recall Look-Up
Specials
Financing
About
Our Dealership
Our Team
Reviews
Customer Survey
Employment
Events Calendar
Locations
Location & Hours
Contact
Parts Finder
Home
›
Parts
›
Parts Finder
Search by :
Part / Desc
VIN
Please Select
Arctic Cat
Honda
Kawasaki
Polaris
Suzuki
*Please enter at least 3 characters
SEARCH
Manufacturer
Polaris
Watercraft
2002
VIRAGE TX (W025199D)
VIEW WISH LIST
Select a Section
Show/Hide
AIR INTAKE - W025199D/W025199I (4971327132B07)
BATTERY BOX - W025199D/W025199I (4971327132B12)
BILGE PUMP - W025199D/W025199I (4971327132B11)
CARBURETOR - W025199D/W025199I (4971327132C09)
COOLING SYSTEM - W025199D/W025199I (4971327132B09)
CRANKCASE - W025199D/W025199I (4971327132C05)
CRANKSHAFT and PISTON - W025199D/W025199I (4971327132C07)
CYLINDER and MANIFOLD - W025199D/W025199I (4971327132C06)
DECALS - W025199D/W025199I (4971327132A08)
DRIVE SYSTEM - W025199D/W025199I (4971327132B01)
ELECTRICAL BOX - W025199D/W025199I (4971327132B13)
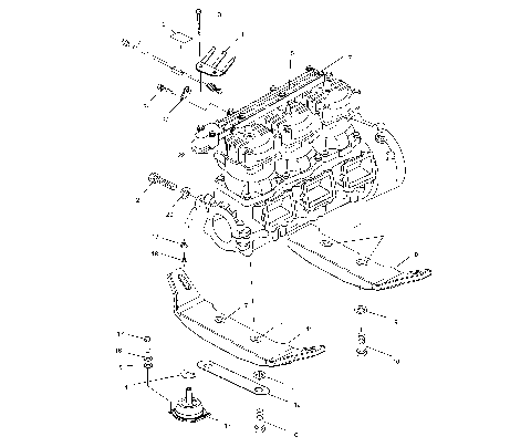
ENGINE MOUNTING - W025199D/W025199I (4971327132C01)
EXHAUST SYSTEM - W025199D/W025199I (4971327132B05)
FRONT STORAGE COMPARTMENT - W025199D/W025199I (4971327132A07)
FUEL SYSTEM - W025199D/W025199I (4971327132A10)
FUEL TANK - W025199D/W025199I (4971327132A09)
FUEL/WATER SEPARATOR - W025199D/W025199I (4971327132C03)
HULL AIR INLET - W025199D/W025199I (4971327132B08)
HULL and BODY - W025199D/W025199I (4971327132A05)
MAGNETO - W025199D/W025199I (4971327132C11)
OIL PUMP - W025199D/W025199I (4971327132C08)
OIL TANK - W025199D/W025199I (4971327132A12)
PROPULSION - W025199D/W025199I (4971327132B02)
REVERSE - W025199D/W025199I (4971327132B03)
SEAT - W025199D/W025199I (4971327132A11)
SHROUD - W025199D/W025199I (4971327132A03)
STARTING MOTOR - W025199D/W025199I (4971327132C12)
STEERING - W025199D/W025199I (4971327132A13)
STEERING - W025199D/W025199I (4971327132A14)
TOOL KIT - W025199D/W025199I (4971327132C04)
WATER INLET - W025199D/W025199I (4971327132B10)
AIR INTAKE - W025199D/W025199I (4971327132B07)
BATTERY BOX - W025199D/W025199I (4971327132B12)
BILGE PUMP - W025199D/W025199I (4971327132B11)
CARBURETOR - W025199D/W025199I (4971327132C09)
COOLING SYSTEM - W025199D/W025199I (4971327132B09)
CRANKCASE - W025199D/W025199I (4971327132C05)
CRANKSHAFT and PISTON - W025199D/W025199I (4971327132C07)
CYLINDER and MANIFOLD - W025199D/W025199I (4971327132C06)
DECALS - W025199D/W025199I (4971327132A08)
DRIVE SYSTEM - W025199D/W025199I (4971327132B01)
ELECTRICAL BOX - W025199D/W025199I (4971327132B13)
ENGINE MOUNTING - W025199D/W025199I (4971327132C01)
EXHAUST SYSTEM - W025199D/W025199I (4971327132B05)
FRONT STORAGE COMPARTMENT - W025199D/W025199I (4971327132A07)
FUEL SYSTEM - W025199D/W025199I (4971327132A10)
FUEL TANK - W025199D/W025199I (4971327132A09)
FUEL/WATER SEPARATOR - W025199D/W025199I (4971327132C03)
HULL AIR INLET - W025199D/W025199I (4971327132B08)
HULL and BODY - W025199D/W025199I (4971327132A05)
MAGNETO - W025199D/W025199I (4971327132C11)
OIL PUMP - W025199D/W025199I (4971327132C08)
OIL TANK - W025199D/W025199I (4971327132A12)
PROPULSION - W025199D/W025199I (4971327132B02)
REVERSE - W025199D/W025199I (4971327132B03)
SEAT - W025199D/W025199I (4971327132A11)
SHROUD - W025199D/W025199I (4971327132A03)
STARTING MOTOR - W025199D/W025199I (4971327132C12)
STEERING - W025199D/W025199I (4971327132A13)
STEERING - W025199D/W025199I (4971327132A14)
TOOL KIT - W025199D/W025199I (4971327132C04)
WATER INLET - W025199D/W025199I (4971327132B10)
VIEW WISH LIST