Greenville, TX
|
Give Us a Call
(903) 454-4440
Toggle navigation
Home
Brands
Manufacturer Models
OEM Promotions
Polaris
Can-Am
E-Z-Go
Honda
Kawasaki
Suzuki
Inventory
All Inventory In Stock
New Inventory In Stock
Used Inventory
Value Your Trade-In
Request a Model
Schedule a Test Ride
Secure Financing
Parts
Parts Department
Parts Finder
Service
Service Department
Request Polaris Service
Warranty & Recall Look-Up
Specials
Financing
About
Our Dealership
Our Team
Reviews
Customer Survey
Employment
Events Calendar
Locations
Location & Hours
Contact
Parts Finder
Home
›
Parts
›
Parts Finder
Search by :
Part / Desc
VIN
Please Select
Arctic Cat
Honda
Kawasaki
Polaris
Suzuki
*Please enter at least 3 characters
SEARCH
Manufacturer
Polaris
Watercraft
2000
SLX (W004699D)
VIEW WISH LIST
Select a Section
Show/Hide
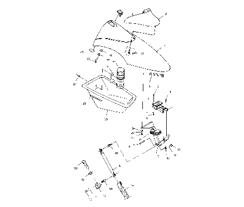
AIR VENT - W004699D (4955765576B008)
BATTERY BOX - W004699D (4955765576B007)
BILGE PUMP - W004699D (4955765576B013)
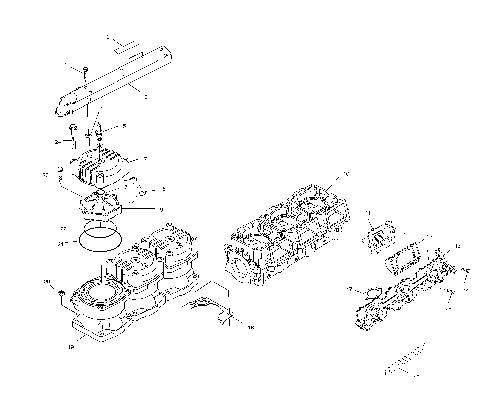
CARBURETOR - W004699I (4955765576C005)
COOLING SYSTEM - W004699D (4955765576B009)
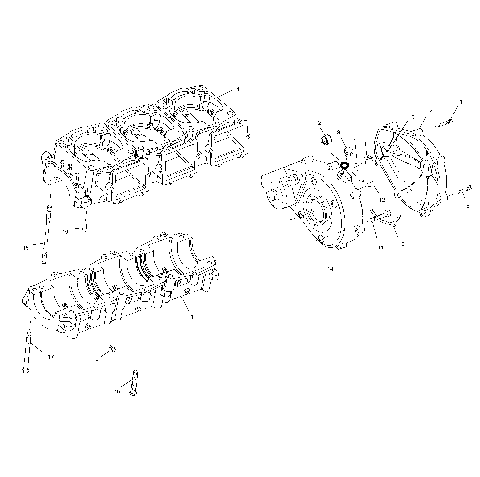
CRANKCASE - W004699I (4955765576C001)
CRANKSHAFT and PISTON - W004699I (4955765576C003)
CYLINDER and MANIFOLD - W004699I (4955765576C002)
DECALS - W004699D (4955765576A009)
DRIVE SYSTEM - W004699D (4955765576B003)
ELECTRICAL BOX - W004699D (4955765576B011)
ENGINE FOGGING SYSTEM - W004699I (4955765576C010)
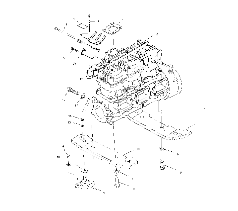
ENGINE MOUNTING - W004699D (4955765576B002)
EXHAUST SYSTEM - W004699D (4955765576B006)
FRONT STORAGE COMPARTMENT - W004699D (4955765576A008)
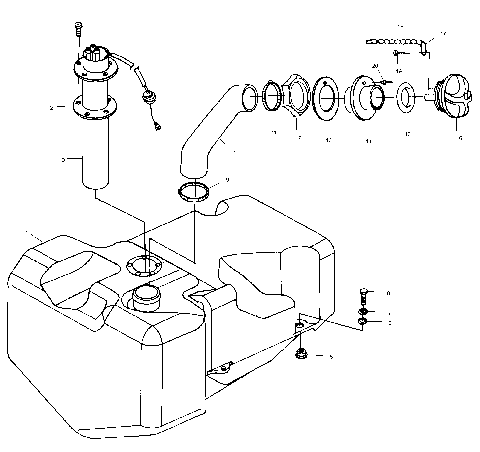
FUEL SYSTEM - W004699D (4955765576A011)
FUEL TANK - W004699D (4955765576A010)
FUEL/WATER SEPARATOR - W004699I (4955765576C009)
HULL and BODY - W004699D (4955765576A005)
HULL and BODY - W004699D (4955765576A007)
MAGNETO - W004699I (4955765576C007)
OIL PUMP - W004699I (4955765576C004)
OIL TANK - W004699D (4955765576A013)
PROPULSION - W004699D (4955765576B004)
SEAT - W004699D (4955765576A012)
STARTING MOTOR - W004699I (4955765576C008)
STEERING - W004699D (4955765576A014)
STEERING - W004699D (4955765576B001)
TOOL KIT - W004699D (4955765576B014)
TRIM PACKAGE - W004699D (4955765576B005)
WATER INLET - W004699D (4955765576B010)
AIR VENT - W004699D (4955765576B008)
BATTERY BOX - W004699D (4955765576B007)
BILGE PUMP - W004699D (4955765576B013)
CARBURETOR - W004699I (4955765576C005)
COOLING SYSTEM - W004699D (4955765576B009)
CRANKCASE - W004699I (4955765576C001)
CRANKSHAFT and PISTON - W004699I (4955765576C003)
CYLINDER and MANIFOLD - W004699I (4955765576C002)
DECALS - W004699D (4955765576A009)
DRIVE SYSTEM - W004699D (4955765576B003)
ELECTRICAL BOX - W004699D (4955765576B011)
ENGINE FOGGING SYSTEM - W004699I (4955765576C010)
ENGINE MOUNTING - W004699D (4955765576B002)
EXHAUST SYSTEM - W004699D (4955765576B006)
FRONT STORAGE COMPARTMENT - W004699D (4955765576A008)
FUEL SYSTEM - W004699D (4955765576A011)
FUEL TANK - W004699D (4955765576A010)
FUEL/WATER SEPARATOR - W004699I (4955765576C009)
HULL and BODY - W004699D (4955765576A005)
HULL and BODY - W004699D (4955765576A007)
MAGNETO - W004699I (4955765576C007)
OIL PUMP - W004699I (4955765576C004)
OIL TANK - W004699D (4955765576A013)
PROPULSION - W004699D (4955765576B004)
SEAT - W004699D (4955765576A012)
STARTING MOTOR - W004699I (4955765576C008)
STEERING - W004699D (4955765576A014)
STEERING - W004699D (4955765576B001)
TOOL KIT - W004699D (4955765576B014)
TRIM PACKAGE - W004699D (4955765576B005)
WATER INLET - W004699D (4955765576B010)
VIEW WISH LIST