Greenville, TX
|
Give Us a Call
(903) 454-4440
Toggle navigation
Home
Brands
Manufacturer Models
OEM Promotions
Polaris
Can-Am
E-Z-Go
Honda
Kawasaki
Suzuki
Inventory
All Inventory In Stock
New Inventory In Stock
Used Inventory
Value Your Trade-In
Request a Model
Schedule a Test Ride
Secure Financing
Parts
Parts Department
Parts Finder
Service
Service Department
Request Polaris Service
Warranty & Recall Look-Up
Specials
Financing
About
Our Dealership
Our Team
Reviews
Customer Survey
Employment
Events Calendar
Locations
Location & Hours
Contact
Parts Finder
Home
›
Parts
›
Parts Finder
Search by :
Part / Desc
VIN
Please Select
Arctic Cat
Honda
Kawasaki
Polaris
Suzuki
*Please enter at least 3 characters
SEARCH
Manufacturer
Polaris
Watercraft
1999
SLTX-B (B994596)
VIEW WISH LIST
Select a Section
Show/Hide
AIR INTAKE - B994596 (4955995599b007)
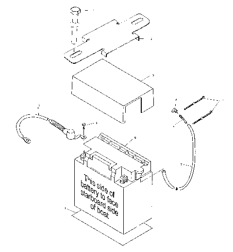
BATTERY BOX - B994596 (4955995599b006)
BILGE PUMP - B994596 (4955995599b010)
CARBURETOR - B994596 (4955995599c001)
COOLING SYSTEM - B994596 (4955995599b008)
CRANKCASE - B994596 (4955995599b013)
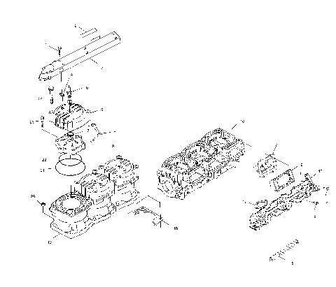
CRANKSHAFT and PISTON - B994596 (4955995599c002)
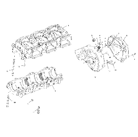
CYLINDER and MANIFOLD - B994596 (4955995599b014)
DECALS - B994596 (4955995599a007)
DRIVE SYSTEM - B994596 (4955995599b002)
ELECTRICAL BOX - B994596 (4955995599b011)
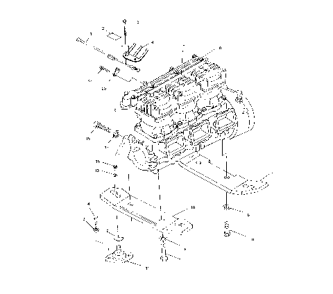
ENGINE MOUNTING - B994596 (4955995599b001)
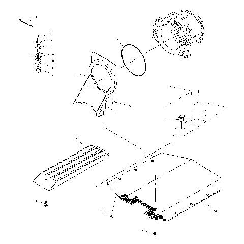
EXHAUST SYSTEM - B994596 (4955995599b005)
FRONT STORAGE COMPARTMENT - B994596 (4955995599a008)
FUEL SYSTEM - B994596 (4955995599a010)
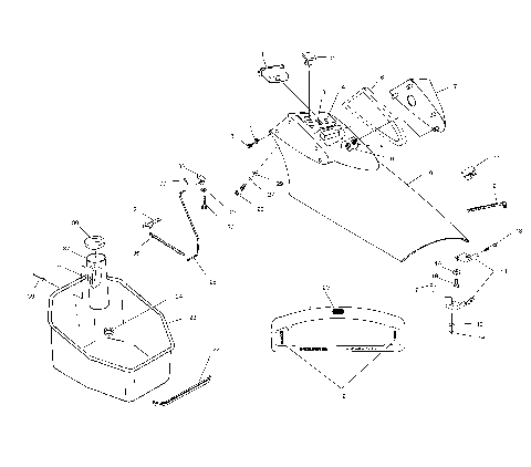
FUEL TANK - B994596 (4955995599a009)
FUEL/WATER SEPARATOR - B994596 (4955995599c006)
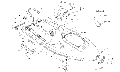
HULL and BODY - B994596 (4955995599a005)
HULL and BODY - B994596 (4955995599a006)
MAGNETO - B994596 (4955995599c004)
OIL PUMP - B994596 (4955995599c003)
OIL TANK - B994596 (4955995599a012)
PROPULSION - B994596 (4955995599b003)
REVERSE - B994596 (4955995599b004)
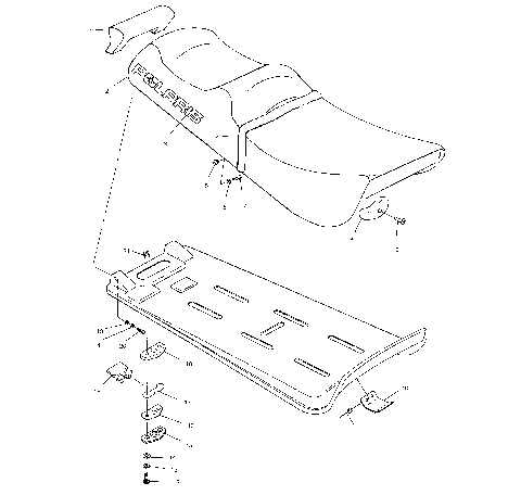
SEAT - B994596 (4955995599a011)
STARTING MOTOR - B994596 (4955995599c005)
STEERING - B994596 (4955995599a013)
STEERING - B994596 (4955995599a014)
TOOL KIT - B994596 (4955995599c007)
WATER INLET - B994596 (4955995599b009)
AIR INTAKE - B994596 (4955995599b007)
BATTERY BOX - B994596 (4955995599b006)
BILGE PUMP - B994596 (4955995599b010)
CARBURETOR - B994596 (4955995599c001)
COOLING SYSTEM - B994596 (4955995599b008)
CRANKCASE - B994596 (4955995599b013)
CRANKSHAFT and PISTON - B994596 (4955995599c002)
CYLINDER and MANIFOLD - B994596 (4955995599b014)
DECALS - B994596 (4955995599a007)
DRIVE SYSTEM - B994596 (4955995599b002)
ELECTRICAL BOX - B994596 (4955995599b011)
ENGINE MOUNTING - B994596 (4955995599b001)
EXHAUST SYSTEM - B994596 (4955995599b005)
FRONT STORAGE COMPARTMENT - B994596 (4955995599a008)
FUEL SYSTEM - B994596 (4955995599a010)
FUEL TANK - B994596 (4955995599a009)
FUEL/WATER SEPARATOR - B994596 (4955995599c006)
HULL and BODY - B994596 (4955995599a005)
HULL and BODY - B994596 (4955995599a006)
MAGNETO - B994596 (4955995599c004)
OIL PUMP - B994596 (4955995599c003)
OIL TANK - B994596 (4955995599a012)
PROPULSION - B994596 (4955995599b003)
REVERSE - B994596 (4955995599b004)
SEAT - B994596 (4955995599a011)
STARTING MOTOR - B994596 (4955995599c005)
STEERING - B994596 (4955995599a013)
STEERING - B994596 (4955995599a014)
TOOL KIT - B994596 (4955995599c007)
WATER INLET - B994596 (4955995599b009)
VIEW WISH LIST