Greenville, TX
|
Give Us a Call
(903) 454-4440
Toggle navigation
Home
Brands
Manufacturer Models
OEM Promotions
Polaris
Can-Am
E-Z-Go
Honda
Kawasaki
Suzuki
Inventory
All Inventory In Stock
New Inventory In Stock
Used Inventory
Value Your Trade-In
Request a Model
Schedule a Test Ride
Secure Financing
Parts
Parts Department
Parts Finder
Service
Service Department
Request Polaris Service
Warranty & Recall Look-Up
Specials
Financing
About
Our Dealership
Our Team
Reviews
Customer Survey
Employment
Events Calendar
Locations
Location & Hours
Contact
Parts Finder
Home
›
Parts
›
Parts Finder
Search by :
Part / Desc
VIN
Please Select
Arctic Cat
Honda
Kawasaki
Polaris
Suzuki
*Please enter at least 3 characters
SEARCH
Manufacturer
Polaris
Watercraft
1998
SLH (B984673)
VIEW WISH LIST
Select a Section
Show/Hide
--HULL and BODY - I984673 (4945164516a005)
AIR VENT - I984673 (4945164516b008)
BATTERY BOX - I984673 (4945164516b007)
BILGE PUMP - I984673 (4945164516b013)
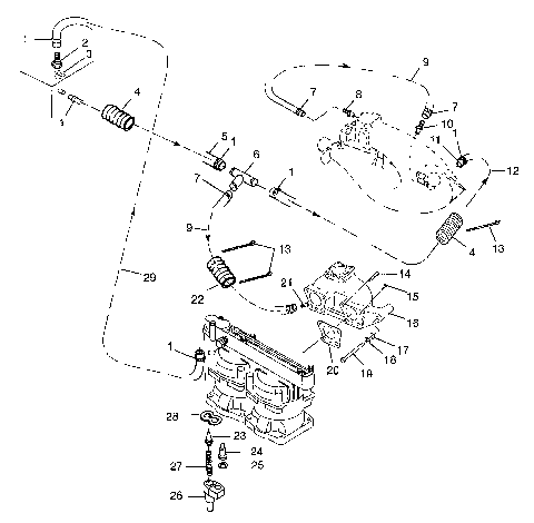
CARBURETOR - I984673 (4945164516c003)
COOLING SYSTEM - B984673 (4945164516b009)
CRANKCASE - I984673 (4945164516c001)
CRANKSHAFT & PISTON - I984673 (4945164516C005)
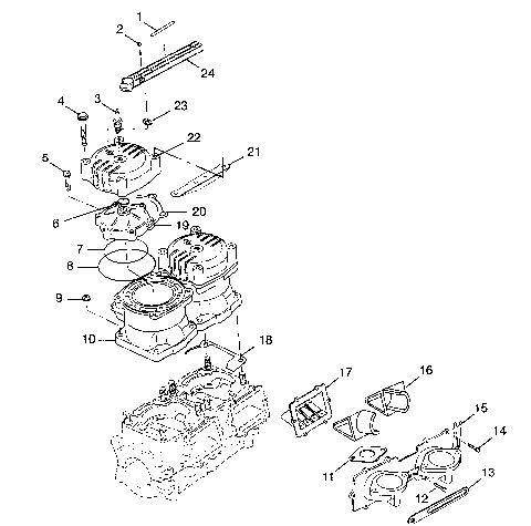
CYLINDER & MANIFOLD - I984673 (4945164516c002)
DECALS - I984673 (4945164516a008)
DRIVE SYSTEM - I984673 (4945164516b003)
ELECTRICAL BOX - I984673 (4945164516b011)
ENGINE FOGGING SYSTEM - I984673 (4945164516c010)
ENGINE MOUNTING - I984673 (4945164516b002)
EXHAUST SYSTEM - B984673 (4945164516b006)
FRONT STORAGE COMPARTMENT - I984673 (4945164516a009)
FUEL SYSTEM - I984673 (4945164516a011)
FUEL TANK - B984673 (4945164516a010)
FUEL/WATER SEPARATOR - B984673 (4945164516c009)
HULL and BODY - I984673 (4945164516a007)
MAGNETO - B984673 (4945164516c007)
OIL PUMP - B984673 (4945164516c006)
OIL TANK - B984673 (4945164516a013)
PROPULSION - B984673 (4945164516b004)
SEAT - B984673 (4945164516a012)
STARTING MOTOR - I984673 (4945164516c008)
STEERING - B984673 (4945164516b001)
STEERING - I984673 (4945164516a014)
TOOL KIT - I984673 (4945164516c011)
TRIM PACKAGE - I984673 (4945164516b005)
WATER INLET - I984673 (4945164516b010)
WATER SIPHON - I984673 (4945164516b014)
--HULL and BODY - I984673 (4945164516a005)
AIR VENT - I984673 (4945164516b008)
BATTERY BOX - I984673 (4945164516b007)
BILGE PUMP - I984673 (4945164516b013)
CARBURETOR - I984673 (4945164516c003)
COOLING SYSTEM - B984673 (4945164516b009)
CRANKCASE - I984673 (4945164516c001)
CRANKSHAFT & PISTON - I984673 (4945164516C005)
CYLINDER & MANIFOLD - I984673 (4945164516c002)
DECALS - I984673 (4945164516a008)
DRIVE SYSTEM - I984673 (4945164516b003)
ELECTRICAL BOX - I984673 (4945164516b011)
ENGINE FOGGING SYSTEM - I984673 (4945164516c010)
ENGINE MOUNTING - I984673 (4945164516b002)
EXHAUST SYSTEM - B984673 (4945164516b006)
FRONT STORAGE COMPARTMENT - I984673 (4945164516a009)
FUEL SYSTEM - I984673 (4945164516a011)
FUEL TANK - B984673 (4945164516a010)
FUEL/WATER SEPARATOR - B984673 (4945164516c009)
HULL and BODY - I984673 (4945164516a007)
MAGNETO - B984673 (4945164516c007)
OIL PUMP - B984673 (4945164516c006)
OIL TANK - B984673 (4945164516a013)
PROPULSION - B984673 (4945164516b004)
SEAT - B984673 (4945164516a012)
STARTING MOTOR - I984673 (4945164516c008)
STEERING - B984673 (4945164516b001)
STEERING - I984673 (4945164516a014)
TOOL KIT - I984673 (4945164516c011)
TRIM PACKAGE - I984673 (4945164516b005)
WATER INLET - I984673 (4945164516b010)
WATER SIPHON - I984673 (4945164516b014)
VIEW WISH LIST