Greenville, TX
|
Give Us a Call
(903) 454-4440
Toggle navigation
Home
Brands
Manufacturer Models
OEM Promotions
Polaris
Can-Am
E-Z-Go
Honda
Kawasaki
Suzuki
Inventory
All Inventory In Stock
New Inventory In Stock
Used Inventory
Value Your Trade-In
Request a Model
Schedule a Test Ride
Secure Financing
Parts
Parts Department
Parts Finder
Service
Service Department
Request Polaris Service
Warranty & Recall Look-Up
Specials
Financing
About
Our Dealership
Our Team
Reviews
Customer Survey
Employment
Events Calendar
Locations
Location & Hours
Contact
Parts Finder
Home
›
Parts
›
Parts Finder
Search by :
Part / Desc
VIN
Please Select
Arctic Cat
Honda
Kawasaki
Polaris
Suzuki
*Please enter at least 3 characters
SEARCH
Manufacturer
Polaris
Commercial Vehicles
2024
PRO XD FULL-SIZE GAS CREW (D24P4E99A4/B4/F99A4/V99A4/B4/Y99A4)
VIEW WISH LIST
Select a Section
Show/Hide
*SERVICE AND MAINTENANCE PARTS LIST*
BODY, BOX LIFT - D24P4V99A4/B4/Y99A4 (C0810934)
BODY, BOX MOUNTING - D24P4E99A4/B4/F99A4/V99A4/B4/Y99A4 (C700502-1)
BODY, BOX, TAILGATE - D24P4E99A4/B4/F99A4/V99A4/B4/Y99A4 (C700411-2)
BODY, CARGO BOX - D24P4E99A4/B4/F99A4/V99A4/B4/Y99A4 (C700502-2)
BODY, DASH - D24P4E99A4/B4/F99A4/V99A4/B4/Y99A4 (C0707048-1)
BODY, DECALS - D24P4E99A4/B4/F99A4/V99A4/B4/Y99A4 (900682-01)
BODY, DOOR, CLEAR POLY FRONT MOUNTING - (2884277-1)
BODY, DOOR, CLEAR POLY, LEFT - (2884277-2)
BODY, DOOR, CLEAR POLY, RIGHT - (2884277-3)
BODY, DOOR, FRONT POLY CRANK - D24P4V99A4/B4/Y99A4 (C2890362-1)
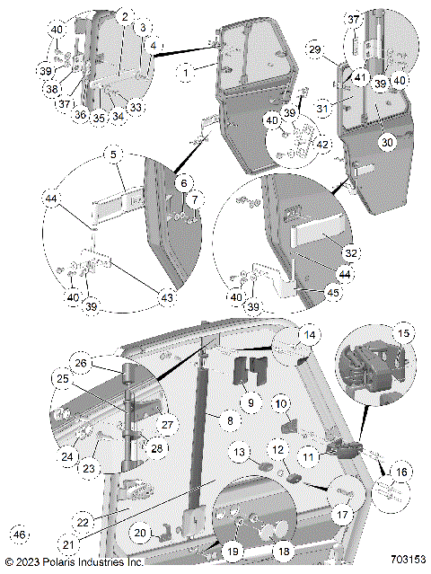
BODY, DOOR, FRONT, CLEAR POLY - D24P4V99A4/B4/Y99A4 (703153)
BODY, DOOR, FULL CRANK - (C0707613-2)
BODY, DOOR, FULL CRANK, REAR - (C0707614-2)
BODY, DOOR, MOUNTING, CREW - (C0707614-1)
BODY, DOOR, REAR, POLY CLEAR - D24P4V99A4/B4/Y99A4 (703152)
BODY, DOOR, REAR, POLY CLEAR MOUNTING - (2884278-1)
BODY, DOOR, REAR, POLY CLEAR, LEFT - (2884278-2)
BODY, DOOR, REAR, POLY CLEAR, RIGHT - (2884278-3)
BODY, DOOR, REAR, POLY CRANK - D24P4V99A4/B4/Y99A4 (703155)
BODY, FLOOR, FRONT - D24P4E99A4/B4/F99A4/V99A4/B4/Y99A4 (C0707038-1)
BODY, FLOOR, REAR - D24P4E99A4/B4/F99A4/V99A4/B4/Y99A4 (C0707034-2)
BODY, FRONT FACIA - D24P4E99A4/B4/F99A4/V99A4/B4/Y99A4 (C0704491-1)
BODY, HEATER - D24P4V99A4/B4 (C2884212)
BODY, HOOD - D24P4E99A4/B4/F99A4/V99A4/B4/Y99A4 (C0704491-3)
BODY, REAR VIEW MIRROR - D24P4V99A4/B4/Y99A4 (C2879969-1)
BODY, REAR WINDOW, GLASS, FIXED - D24P4V99A4/B4/Y99A4 (C2879013-1)
BODY, REAR WINDOW, GLASS, SLIDER - D24P4V99A4/B4/Y99A4 (C287915-1)
BODY, REAR WINDOW, POLY - D24P4V99A4/B4/Y99A4 (C2883773)
BODY, ROCKER PANELS - D24P4E99A4/B4/F99A4/V99A4/B4/Y99A4 (C0707034-3)
BODY, ROOF - D24P4V99A4/B4/Y99A4 (C2889223-1)
BODY, SEAT AND SEAT BELTS - D24P4E99A4/B4/F99A4/V99A4/B4/Y99A4 (C0707229)
BODY, STORAGE AND CLOSE OFF - D24P4E99A4/B4/F99A4/V99A4/B4/Y99A4 (C0702978-1)
BODY, WINDSHIELD, FIXED GLASS - D24P4V99A4/B4/Y99A4 (C2889021)
BODY, WINDSHIELD, POLY - D24P4V99A4/B4/Y99A4 (C2883278)
BODY, WINDSHIELD, TIPOUT GLASS - D24P4V99A4/B4/Y99A4 (C2889020)
BODY, WINDSHIELD, WIPER - D24P4V99A4/B4/Y99A4 (C2883974)
BRAKES, BRAKE LINES and MASTER CYLINDER - D24P4E99A4/B4/F99A4/V99A4/B4/Y99A4 (C0702948)
BRAKES, CALIPER, FRONT - D24P4E99A4/B4/F99A4/V99A4/B4/Y99A4 (C700421-2)
BRAKES, CALIPER, REAR - D24P4E99A4/B4/F99A4/V99A4/B4/Y99A4 (C700511)
BRAKES, PEDAL - D24P4E99A4/B4/F99A4/V99A4/B4/Y99A4 (C701139)
CHASSIS, CAB FRAME - D24P4E99A4/B4/F99A4/V99A4/B4/Y99A4 (C700509)
CHASSIS, FRONT BUMPER - D24P4E99A4/B4/F99A4/V99A4/B4/Y99A4 (C700502-3)
CHASSIS, MAIN FRAME - D24P4E99A4/B4/F99A4/V99A4/B4/Y99A4 (C0707046)
DRIVE TRAIN, CLUTCH COVER and DUCTING - D24P4E99A4/B4/F99A4/V99A4/B4/Y99A4 (C0705438-1)
DRIVE TRAIN, DRIVE SHAFT, FRONT - D24P4E99A4/B4/F99A4/V99A4/B4/Y99A4 (702660)
DRIVE TRAIN, DRIVE SHAFT, REAR - D24P4E99A4/B4/F99A4/V99A4/B4/Y99A4 (702661)
DRIVE TRAIN, FRONT GEARCASE INTERNALS - D24P4E99A4/B4/F99A4/V99A4/B4/Y99A4 (702587)
DRIVE TRAIN, FRONT GEARCASE MOUNTING - D24P4E99A4/B4/F99A4/V99A4/B4/Y99A4 (C700426-1)
DRIVE TRAIN, FRONT, MID, REAR PROP SHAFT - D24P4E99A4/B4/F99A4/V99A4/B4/Y99A4 (C0703864-2)
DRIVE TRAIN, MAIN GEARCASE INTERNALS - D24P4E99A4/B4/F99A4/V99A4/B4/Y99A4 (1334337)
DRIVE TRAIN, MAIN GEARCASE, ISOLATOR - D24P4E99A4/B4/F99A4/V99A4/B4/Y99A4 (C0703881-2)
DRIVE TRAIN, MAIN GEARCASE, MOUNTING - D24P4E99A4/B4/F99A4/V99A4/B4/Y99A4 (C0703864)
DRIVE TRAIN, PRIMARY CLUTCH - D24P4E99A4/B4/F99A4/V99A4/B4/Y99A4 (C0705438)
DRIVE TRAIN, SECONDARY CLUTCH - D24P4E99A4/B4/F99A4/V99A4/B4/Y99A4 (C0704298-3)
DRIVE TRAIN, SECONDARY CLUTCH - D24P4E99A4/B4/F99A4/V99A4/B4/Y99A4 (C700594)
DRIVE TRAIN, SHIFT LEVER AND CABLE - D24P4E99A4/B4/F99A4/V99A4/B4/Y99A4 (C0703795-1)
ELECTRICAL, BATTERY - D24P4E99A4/B4/F99A4/V99A4/B4/Y99A4 (C0707052-1)
ELECTRICAL, BEACON - D24P4V99A4/B4/Y99A4 (c2884224)
ELECTRICAL, DASH INSTRUMENTS and CONTROLS - D24P4E99A4/B4/F99A4/V99A4/B4/Y99A4 (C0706646-1)
ELECTRICAL, ECU, RELAY, COIL - D24P4E99A4/B4/F99A4/V99A4/B4/Y99A4 (C0707052-2)
ELECTRICAL, LIGHT, HEADLIGHT - D24P4E99A4/B4/F99A4/V99A4/B4/Y99A4 (C700505-3)
ELECTRICAL, LIGHT, TAILLIGHT, BOX HARNESS - D24P4E99A4/B4/F99A4/V99A4/B4/Y99A4 (C700502-4)
ELECTRICAL, WIRE HARNESSES - D24P4E99A4/B4/F99A4/V99A4/B4/Y99A4 (C2417010)
ENGINE, AIR FILTER INDICATOR - D24P4V99A4/B4/Y99A4 (C2884230)
ENGINE, AIR INTAKE MANIFOLD - D24P4E99A4/B4/F99A4/V99A4/B4/Y99A4 (C700595)
ENGINE, AIR INTAKE, FRONT - D24P4E99A4/B4/F99A4/V99A4/B4/Y99A4 (C700429-3)
ENGINE, AIR INTAKE, REAR - D24P4E99A4/B4/F99A4/V99A4/B4/Y99A4 (C0703693-1)
ENGINE, CAM CHAIN and TENSIONER - D24P4E99A4/B4/F99A4/V99A4/B4/Y99A4 (C700597)
ENGINE, COOLING SYSTEM - D24P4E99A4/B4/F99A4/V99A4/B4/Y99A4 (C0703955)
ENGINE, COOLING, WATERPUMP ASSEMBLY - D24P4E99A4/B4/F99A4/V99A4/B4/Y99A4 (C730082)
ENGINE, CRANKCASE AND CRANKSHAFT - D24P4E99A4/B4/F99A4/V99A4/B4/Y99A4 (C700599)
ENGINE, CYLINDER AND PISTON - D24P4E99A4/B4/F99A4/V99A4/B4/Y99A4 (C700349)
ENGINE, CYLINDER HEAD AND VALVES - D24P4E99A4/B4/F99A4/V99A4/B4/Y99A4 (C700600)
ENGINE, DIPSTICK AND OIL FILTER - D24P4E99A4/B4/F99A4/V99A4/B4/Y99A4 (C700226)
ENGINE, EXHAUST SYSTEM - D24P4E99A4/B4/F99A4/V99A4/B4/Y99A4 (C0704117-1)
ENGINE, MOUNTING & LONG BLOCK - D24P4E99A4/B4/F99A4/V99A4/B4/Y99A4 (C0703881-1)
ENGINE, OIL PUMP - D24P4E99A4/B4/F99A4/V99A4/B4/Y99A4 (C700046)
ENGINE, STARTER - D24P4E99A4/B4/F99A4/V99A4/B4/Y99A4 (C700044)
ENGINE, STATOR and FLYWHEEL - D24P4E99A4/B4/F99A4/V99A4/B4/Y99A4 (C700050)
ENGINE, THROTTLE BODY and VALVE COVER - D24P4E99A4/B4/F99A4/V99A4/B4/Y99A4 (C700605)
ENGINE, THROTTLE PEDAL - D24P4E99A4/B4/F99A4/V99A4/B4/Y99A4 (49RGRTHROTTLE14CREW)
ENGINE, WATERPUMP AND BYPASS - D24P4E99A4/B4/F99A4/V99A4/B4/Y99A4 (C0703903)
ENGINE, WATERPUMP ASSEMBLY - D24P4E99A4/B4/F99A4/V99A4/B4/Y99A4 (C730082)
FUEL SYSTEM, FUEL TANK - D24P4E99A4/F99A4/V99A4/Y99A4 (C0703796-2)
FUEL SYSTEM, FUEL TANK EVAP - D24P4E99B4/V99B4 (C0703797-3)
REFERENCES, OWNERS MANUALS AND TOOLS - D24P4E99A4/B4/F99A4/V99A4/B4/Y99A4 (C9929905-1)
STEERING, STEERING ASM. - D24P4E99A4/B4/F99A4/V99A4/B4/Y99A4 (C0706117)
SUSPENSION, FRONT - D24P4E99A4/B4/F99A4/V99A4/B4/Y99A4 (C700434-2)
SUSPENSION, FRONT CARRIER - D24P4E99A4/B4/F99A4/V99A4/B4/Y99A4 (C700434-3)
SUSPENSION, FRONT SHOCK - D24P4E99A4/B4/F99A4/V99A4/B4/Y99A4 (C700434-4)
SUSPENSION, REAR CARRIER - D24P4E99A4/B4/F99A4/V99A4/B4/Y99A4 (C700435-1)
SUSPENSION, REAR CONTROL ARMS - D24P4E99A4/B4/F99A4/V99A4/B4/Y99A4 (C700435-2)
SUSPENSION, REAR SHOCK - D24P4E99A4/B4/F99A4/V99A4/B4/Y99A4 (C701220)
SUSPENSION, REAR STABILIZER BAR - D24P4E99A4/B4/F99A4/V99A4/B4/Y99A4 (C700435-4)
WHEELS - D24P4E99A4/B4/F99A4/V99A4/B4/Y99A4 (C700437)
*SERVICE AND MAINTENANCE PARTS LIST*
BODY, BOX LIFT - D24P4V99A4/B4/Y99A4 (C0810934)
BODY, BOX MOUNTING - D24P4E99A4/B4/F99A4/V99A4/B4/Y99A4 (C700502-1)
BODY, BOX, TAILGATE - D24P4E99A4/B4/F99A4/V99A4/B4/Y99A4 (C700411-2)
BODY, CARGO BOX - D24P4E99A4/B4/F99A4/V99A4/B4/Y99A4 (C700502-2)
BODY, DASH - D24P4E99A4/B4/F99A4/V99A4/B4/Y99A4 (C0707048-1)
BODY, DECALS - D24P4E99A4/B4/F99A4/V99A4/B4/Y99A4 (900682-01)
BODY, DOOR, CLEAR POLY FRONT MOUNTING - (2884277-1)
BODY, DOOR, CLEAR POLY, LEFT - (2884277-2)
BODY, DOOR, CLEAR POLY, RIGHT - (2884277-3)
BODY, DOOR, FRONT POLY CRANK - D24P4V99A4/B4/Y99A4 (C2890362-1)
BODY, DOOR, FRONT, CLEAR POLY - D24P4V99A4/B4/Y99A4 (703153)
BODY, DOOR, FULL CRANK - (C0707613-2)
BODY, DOOR, FULL CRANK, REAR - (C0707614-2)
BODY, DOOR, MOUNTING, CREW - (C0707614-1)
BODY, DOOR, REAR, POLY CLEAR - D24P4V99A4/B4/Y99A4 (703152)
BODY, DOOR, REAR, POLY CLEAR MOUNTING - (2884278-1)
BODY, DOOR, REAR, POLY CLEAR, LEFT - (2884278-2)
BODY, DOOR, REAR, POLY CLEAR, RIGHT - (2884278-3)
BODY, DOOR, REAR, POLY CRANK - D24P4V99A4/B4/Y99A4 (703155)
BODY, FLOOR, FRONT - D24P4E99A4/B4/F99A4/V99A4/B4/Y99A4 (C0707038-1)
BODY, FLOOR, REAR - D24P4E99A4/B4/F99A4/V99A4/B4/Y99A4 (C0707034-2)
BODY, FRONT FACIA - D24P4E99A4/B4/F99A4/V99A4/B4/Y99A4 (C0704491-1)
BODY, HEATER - D24P4V99A4/B4 (C2884212)
BODY, HOOD - D24P4E99A4/B4/F99A4/V99A4/B4/Y99A4 (C0704491-3)
BODY, REAR VIEW MIRROR - D24P4V99A4/B4/Y99A4 (C2879969-1)
BODY, REAR WINDOW, GLASS, FIXED - D24P4V99A4/B4/Y99A4 (C2879013-1)
BODY, REAR WINDOW, GLASS, SLIDER - D24P4V99A4/B4/Y99A4 (C287915-1)
BODY, REAR WINDOW, POLY - D24P4V99A4/B4/Y99A4 (C2883773)
BODY, ROCKER PANELS - D24P4E99A4/B4/F99A4/V99A4/B4/Y99A4 (C0707034-3)
BODY, ROOF - D24P4V99A4/B4/Y99A4 (C2889223-1)
BODY, SEAT AND SEAT BELTS - D24P4E99A4/B4/F99A4/V99A4/B4/Y99A4 (C0707229)
BODY, STORAGE AND CLOSE OFF - D24P4E99A4/B4/F99A4/V99A4/B4/Y99A4 (C0702978-1)
BODY, WINDSHIELD, FIXED GLASS - D24P4V99A4/B4/Y99A4 (C2889021)
BODY, WINDSHIELD, POLY - D24P4V99A4/B4/Y99A4 (C2883278)
BODY, WINDSHIELD, TIPOUT GLASS - D24P4V99A4/B4/Y99A4 (C2889020)
BODY, WINDSHIELD, WIPER - D24P4V99A4/B4/Y99A4 (C2883974)
BRAKES, BRAKE LINES and MASTER CYLINDER - D24P4E99A4/B4/F99A4/V99A4/B4/Y99A4 (C0702948)
BRAKES, CALIPER, FRONT - D24P4E99A4/B4/F99A4/V99A4/B4/Y99A4 (C700421-2)
BRAKES, CALIPER, REAR - D24P4E99A4/B4/F99A4/V99A4/B4/Y99A4 (C700511)
BRAKES, PEDAL - D24P4E99A4/B4/F99A4/V99A4/B4/Y99A4 (C701139)
CHASSIS, CAB FRAME - D24P4E99A4/B4/F99A4/V99A4/B4/Y99A4 (C700509)
CHASSIS, FRONT BUMPER - D24P4E99A4/B4/F99A4/V99A4/B4/Y99A4 (C700502-3)
CHASSIS, MAIN FRAME - D24P4E99A4/B4/F99A4/V99A4/B4/Y99A4 (C0707046)
DRIVE TRAIN, CLUTCH COVER and DUCTING - D24P4E99A4/B4/F99A4/V99A4/B4/Y99A4 (C0705438-1)
DRIVE TRAIN, DRIVE SHAFT, FRONT - D24P4E99A4/B4/F99A4/V99A4/B4/Y99A4 (702660)
DRIVE TRAIN, DRIVE SHAFT, REAR - D24P4E99A4/B4/F99A4/V99A4/B4/Y99A4 (702661)
DRIVE TRAIN, FRONT GEARCASE INTERNALS - D24P4E99A4/B4/F99A4/V99A4/B4/Y99A4 (702587)
DRIVE TRAIN, FRONT GEARCASE MOUNTING - D24P4E99A4/B4/F99A4/V99A4/B4/Y99A4 (C700426-1)
DRIVE TRAIN, FRONT, MID, REAR PROP SHAFT - D24P4E99A4/B4/F99A4/V99A4/B4/Y99A4 (C0703864-2)
DRIVE TRAIN, MAIN GEARCASE INTERNALS - D24P4E99A4/B4/F99A4/V99A4/B4/Y99A4 (1334337)
DRIVE TRAIN, MAIN GEARCASE, ISOLATOR - D24P4E99A4/B4/F99A4/V99A4/B4/Y99A4 (C0703881-2)
DRIVE TRAIN, MAIN GEARCASE, MOUNTING - D24P4E99A4/B4/F99A4/V99A4/B4/Y99A4 (C0703864)
DRIVE TRAIN, PRIMARY CLUTCH - D24P4E99A4/B4/F99A4/V99A4/B4/Y99A4 (C0705438)
DRIVE TRAIN, SECONDARY CLUTCH - D24P4E99A4/B4/F99A4/V99A4/B4/Y99A4 (C0704298-3)
DRIVE TRAIN, SECONDARY CLUTCH - D24P4E99A4/B4/F99A4/V99A4/B4/Y99A4 (C700594)
DRIVE TRAIN, SHIFT LEVER AND CABLE - D24P4E99A4/B4/F99A4/V99A4/B4/Y99A4 (C0703795-1)
ELECTRICAL, BATTERY - D24P4E99A4/B4/F99A4/V99A4/B4/Y99A4 (C0707052-1)
ELECTRICAL, BEACON - D24P4V99A4/B4/Y99A4 (c2884224)
ELECTRICAL, DASH INSTRUMENTS and CONTROLS - D24P4E99A4/B4/F99A4/V99A4/B4/Y99A4 (C0706646-1)
ELECTRICAL, ECU, RELAY, COIL - D24P4E99A4/B4/F99A4/V99A4/B4/Y99A4 (C0707052-2)
ELECTRICAL, LIGHT, HEADLIGHT - D24P4E99A4/B4/F99A4/V99A4/B4/Y99A4 (C700505-3)
ELECTRICAL, LIGHT, TAILLIGHT, BOX HARNESS - D24P4E99A4/B4/F99A4/V99A4/B4/Y99A4 (C700502-4)
ELECTRICAL, WIRE HARNESSES - D24P4E99A4/B4/F99A4/V99A4/B4/Y99A4 (C2417010)
ENGINE, AIR FILTER INDICATOR - D24P4V99A4/B4/Y99A4 (C2884230)
ENGINE, AIR INTAKE MANIFOLD - D24P4E99A4/B4/F99A4/V99A4/B4/Y99A4 (C700595)
ENGINE, AIR INTAKE, FRONT - D24P4E99A4/B4/F99A4/V99A4/B4/Y99A4 (C700429-3)
ENGINE, AIR INTAKE, REAR - D24P4E99A4/B4/F99A4/V99A4/B4/Y99A4 (C0703693-1)
ENGINE, CAM CHAIN and TENSIONER - D24P4E99A4/B4/F99A4/V99A4/B4/Y99A4 (C700597)
ENGINE, COOLING SYSTEM - D24P4E99A4/B4/F99A4/V99A4/B4/Y99A4 (C0703955)
ENGINE, COOLING, WATERPUMP ASSEMBLY - D24P4E99A4/B4/F99A4/V99A4/B4/Y99A4 (C730082)
ENGINE, CRANKCASE AND CRANKSHAFT - D24P4E99A4/B4/F99A4/V99A4/B4/Y99A4 (C700599)
ENGINE, CYLINDER AND PISTON - D24P4E99A4/B4/F99A4/V99A4/B4/Y99A4 (C700349)
ENGINE, CYLINDER HEAD AND VALVES - D24P4E99A4/B4/F99A4/V99A4/B4/Y99A4 (C700600)
ENGINE, DIPSTICK AND OIL FILTER - D24P4E99A4/B4/F99A4/V99A4/B4/Y99A4 (C700226)
ENGINE, EXHAUST SYSTEM - D24P4E99A4/B4/F99A4/V99A4/B4/Y99A4 (C0704117-1)
ENGINE, MOUNTING & LONG BLOCK - D24P4E99A4/B4/F99A4/V99A4/B4/Y99A4 (C0703881-1)
ENGINE, OIL PUMP - D24P4E99A4/B4/F99A4/V99A4/B4/Y99A4 (C700046)
ENGINE, STARTER - D24P4E99A4/B4/F99A4/V99A4/B4/Y99A4 (C700044)
ENGINE, STATOR and FLYWHEEL - D24P4E99A4/B4/F99A4/V99A4/B4/Y99A4 (C700050)
ENGINE, THROTTLE BODY and VALVE COVER - D24P4E99A4/B4/F99A4/V99A4/B4/Y99A4 (C700605)
ENGINE, THROTTLE PEDAL - D24P4E99A4/B4/F99A4/V99A4/B4/Y99A4 (49RGRTHROTTLE14CREW)
ENGINE, WATERPUMP AND BYPASS - D24P4E99A4/B4/F99A4/V99A4/B4/Y99A4 (C0703903)
ENGINE, WATERPUMP ASSEMBLY - D24P4E99A4/B4/F99A4/V99A4/B4/Y99A4 (C730082)
FUEL SYSTEM, FUEL TANK - D24P4E99A4/F99A4/V99A4/Y99A4 (C0703796-2)
FUEL SYSTEM, FUEL TANK EVAP - D24P4E99B4/V99B4 (C0703797-3)
REFERENCES, OWNERS MANUALS AND TOOLS - D24P4E99A4/B4/F99A4/V99A4/B4/Y99A4 (C9929905-1)
STEERING, STEERING ASM. - D24P4E99A4/B4/F99A4/V99A4/B4/Y99A4 (C0706117)
SUSPENSION, FRONT - D24P4E99A4/B4/F99A4/V99A4/B4/Y99A4 (C700434-2)
SUSPENSION, FRONT CARRIER - D24P4E99A4/B4/F99A4/V99A4/B4/Y99A4 (C700434-3)
SUSPENSION, FRONT SHOCK - D24P4E99A4/B4/F99A4/V99A4/B4/Y99A4 (C700434-4)
SUSPENSION, REAR CARRIER - D24P4E99A4/B4/F99A4/V99A4/B4/Y99A4 (C700435-1)
SUSPENSION, REAR CONTROL ARMS - D24P4E99A4/B4/F99A4/V99A4/B4/Y99A4 (C700435-2)
SUSPENSION, REAR SHOCK - D24P4E99A4/B4/F99A4/V99A4/B4/Y99A4 (C701220)
SUSPENSION, REAR STABILIZER BAR - D24P4E99A4/B4/F99A4/V99A4/B4/Y99A4 (C700435-4)
WHEELS - D24P4E99A4/B4/F99A4/V99A4/B4/Y99A4 (C700437)
VIEW WISH LIST