Greenville, TX
|
Give Us a Call
(903) 454-4440
Toggle navigation
Home
Brands
Manufacturer Models
OEM Promotions
Polaris
Can-Am
E-Z-Go
Honda
Kawasaki
Suzuki
Inventory
All Inventory In Stock
New Inventory In Stock
Used Inventory
Value Your Trade-In
Request a Model
Schedule a Test Ride
Secure Financing
Parts
Parts Department
Parts Finder
Service
Service Department
Request Polaris Service
Warranty & Recall Look-Up
Specials
Financing
About
Our Dealership
Our Team
Reviews
Customer Survey
Employment
Events Calendar
Locations
Location & Hours
Contact
Parts Finder
Home
›
Parts
›
Parts Finder
Search by :
Part / Desc
VIN
Please Select
Arctic Cat
Honda
Kawasaki
Polaris
Suzuki
*Please enter at least 3 characters
SEARCH
Manufacturer
Polaris
Commercial Vehicles
2023
PRO XD FULL-SIZE DIESEL (D23P2AD4B4/ED4B4/FD4B4/GD4B4/UD4B4/VD4B4/WD4B4/YD4B4)
VIEW WISH LIST
Select a Section
Show/Hide
*SERVICE AND MAINTENANCE PARTS LIST*
BODY, BOX LIFT - D23P2UD4B4/VD4B4/WD4B4/YD4B4 (C0810934)
BODY, BOX MOUNTING - D23P2AD4B4/ED4B4/FD4B4/GD4B4/UD4B4/VD4B4/WD4B4/YD4B4 (C700502-1)
BODY, BOX, TAILGATE - D23P2AD4B4/ED4B4/FD4B4/GD4B4/UD4B4/VD4B4/WD4B4/YD4B4 (C700411-2)
BODY, CARGO BOX - D23P2AD4B4/ED4B4/FD4B4/GD4B4/UD4B4/VD4B4/WD4B4/YD4B4 (C700502-2)
BODY, DASH - D23P2AD4B4/ED4B4/FD4B4/GD4B4/UD4B4/VD4B4/WD4B4/YD4B4 (C700418-9)
BODY, DECALS - D23P2AD4B4/ED4B4/FD4B4/GD4B4/UD4B4/VD4B4/WD4B4/YD4B4 (900395)
BODY, DOOR, CLEAR POLY FRONT MOUNTING - (2884277-1)
BODY, DOOR, CLEAR POLY, LEFT - (2884277-2)
BODY, DOOR, CLEAR POLY, RIGHT - (2884277-3)
BODY, DOOR, FRONT - D23P2UD4B4/VD4B4/WD4B4/YD4B4 (C2890362.jpg)
BODY, DOOR, FRONT, CLEAR POLY - D23P2UD4B4/VD4B4/WD4B4/YD4B4 (C2884277)
BODY, DOOR, FULL CRANK - (C0707613-2)
BODY, DOOR, FULL CRANK MOUNTING - (C0707613-1)
BODY, FLOOR - D23P2AD4B4/ED4B4/FD4B4/GD4B4/UD4B4/VD4B4/WD4B4/YD4B4 (C700418-2)
BODY, FRONT FACIA - D23P2AD4B4/ED4B4/FD4B4/GD4B4/UD4B4/VD4B4/WD4B4/YD4B4 (C700418-7)
BODY, HEATER ASSEMBLY - D23P2FD4B4/GD4B4/YD4B4/WD4B4 (C7045490)
BODY, HEATER DUCTING - D23P2FD4B4/GD4B4/YD4B4/WD4B4 (C700582)
BODY, HEATER UPFIT - D23P2UD4B4/VD4B4 (C2884212)
BODY, HOOD - D23P2AD4B4/ED4B4/FD4B4/GD4B4/UD4B4/VD4B4/WD4B4/YD4B4 (C700418-8)
BODY, REAR VIEW MIRROR - D23P2UD4B4/VD4B4/WD4B4/YD4B4 (C2879969)
BODY, REAR WINDOW, GLASS, FIXED - D23P2UD4B4/VD4B4/WD4B4/YD4B4 (C2879013)
BODY, REAR WINDOW, GLASS, SLIDER - D23P2UD4B4/VD4B4/WD4B4/YD4B4 (C2879015)
BODY, REAR WINDOW, POLY - D23P2UD4B4/VD4B4/WD4B4/YD4B4 (C2883773)
BODY, ROCKER PANELS - D23P2AD4B4/ED4B4/FD4B4/GD4B4/UD4B4/VD4B4/WD4B4/YD4B4 (C700418-5)
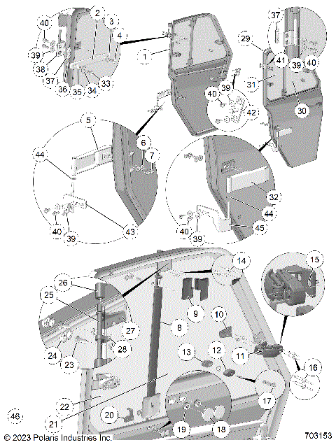
BODY, ROOF - D23P2UD4B4/VD4B4/WD4B4/YD4B4 (C2882911)
BODY, SEAT AND SEAT BELTS - D23P2AD4B4/ED4B4/FD4B4/GD4B4/UD4B4/VD4B4/WD4B4/YD4B4 (C700503)
BODY, SEAT MOUNTING - D23P2AD4B4/ED4B4/FD4B4/GD4B4/UD4B4/VD4B4/WD4B4/YD4B4 (C700420-2)
BODY, STORAGE AND CLOSE OFF - D23P2AD4B4/ED4B4/FD4B4/GD4B4/UD4B4/VD4B4/WD4B4/YD4B4 (C0702975)
BODY, WINDSHIELD, FIXED GLASS - D23P2UD4B4/VD4B4/WD4B4/YD4B4 (C2889021)
BODY, WINDSHIELD, TIPOUT GLASS - D23P2UD4B4/VD4B4/WD4B4/YD4B4 (C2889020)
BODY, WINDSHIELD, WIPER - D23P2UD4B4/VD4B4/WD4B4/YD4B4 (C2883974)
BRAKES, BRAKE LINES and MASTER CYLINDER - D23P2AD4B4/ED4B4/FD4B4/GD4B4/UD4B4/VD4B4/WD4B4/YD4B4 (C0702948)
BRAKES, CALIPER, FRONT - D23P2AD4B4/ED4B4/FD4B4/GD4B4/UD4B4/VD4B4/WD4B4/YD4B4 (C700421-2)
BRAKES, CALIPER, REAR - D23P2AD4B4/ED4B4/FD4B4/GD4B4/UD4B4/VD4B4/WD4B4/YD4B4 (C702853)
BRAKES, PARKING BRAKE - D23P2AD4B4/ED4B4/FD4B4/GD4B4/UD4B4/VD4B4/WD4B4/YD4B4 (C0704669)
BRAKES, PEDAL - D23P2AD4B4/ED4B4/FD4B4/GD4B4/UD4B4/VD4B4/WD4B4/YD4B4 (C700422-1)
CHASSIS, CAB FRAME - D23P2AD4B4/ED4B4/FD4B4/GD4B4/UD4B4/VD4B4/WD4B4/YD4B4 (C700423)
CHASSIS, FRONT BUMPER - D23P2AD4B4/ED4B4/FD4B4/GD4B4/UD4B4/VD4B4/WD4B4/YD4B4 (C700502-3)
CHASSIS, MAIN FRAME - D23P2AD4B4/ED4B4/FD4B4/GD4B4/UD4B4/VD4B4/WD4B4/YD4B4 (C700424)
DRIVE TRAIN, CLUTCH COVER - D23P2AD4B4/ED4B4/FD4B4/GD4B4/UD4B4/VD4B4/WD4B4/YD4B4 (C700425-1)
DRIVE TRAIN, CLUTCH, DRIVE - D23P2AD4B4/ED4B4/FD4B4/GD4B4/UD4B4/VD4B4/WD4B4/YD4B4 (C0705436-1)
DRIVE TRAIN, CLUTCH, DRIVE, SPEED LIMITER 15 MPH - D23P2UD4B4/VD4B4/WD4B4/YD4B4 (C0810930}
DRIVE TRAIN, CLUTCH, DRIVEN - D23P2AD4B4/ED4B4/FD4B4/GD4B4/UD4B4/VD4B4/WD4B4/YD4B4 (C0705436-2)
DRIVE TRAIN, CLUTCH, DRIVEN - D23P2AD4B4/ED4B4/FD4B4/GD4B4/UD4B4/VD4B4/WD4B4/YD4B4 (C700425-3)
DRIVE TRAIN, DRIVE SHAFT, FRONT - D23P2AD4B4/ED4B4/FD4B4/GD4B4/UD4B4/VD4B4/WD4B4/YD4B4 (702660)
DRIVE TRAIN, DRIVE SHAFT, REAR - D23P2AD4B4/ED4B4/FD4B4/GD4B4/UD4B4/VD4B4/WD4B4/YD4B4 (702661)
DRIVE TRAIN, FRONT GEARCASE INTERNALS - D23P2AD4B4/ED4B4/FD4B4/GD4B4/UD4B4/VD4B4/WD4B4/YD4B4 (702587)
DRIVE TRAIN, FRONT GEARCASE MOUNTING - D23P2AD4B4/ED4B4/FD4B4/GD4B4/UD4B4/VD4B4/WD4B4/YD4B4 (C700426-1)
DRIVE TRAIN, FRONT PROP SHAFT - D23P2AD4B4/ED4B4/FD4B4/GD4B4/UD4B4/VD4B4/WD4B4/YD4B4 (C700426-2)
DRIVE TRAIN, MAIN GEARCASE INTERNALS - D23P2AD4B4/ED4B4/FD4B4/GD4B4/UD4B4/VD4B4/WD4B4/YD4B4 (1334334)
DRIVE TRAIN, MAIN GEARCASE, MOUNTING - D23P2AD4B4/ED4B4/FD4B4/GD4B4/UD4B4/VD4B4/WD4B4/YD4B4 (C700426-4)
DRIVE TRAIN, MUD GUARDS - D23P2AD4B4/ED4B4/FD4B4/GD4B4/UD4B4/VD4B4/WD4B4/YD4B4 (C1028093)
DRIVE TRAIN, SHIFT LEVER AND CABLE - D23P2AD4B4/ED4B4/FD4B4/GD4B4/UD4B4/VD4B4/WD4B4/YD4B4 (C700422-2)
ELECTRICAL, BATTERY - D23P2AD4B4/ED4B4/FD4B4/GD4B4/UD4B4/VD4B4/WD4B4/YD4B4 (C700427-1)
ELECTRICAL, BEACON - D23P2UD4B4/VD4B4/WD4B4/YD4B4 (c2884224)
ELECTRICAL, DASH INSTRUMENTS and CONTROLS - D23P2AD4B4/ED4B4/FD4B4/GD4B4/UD4B4/VD4B4/WD4B4/YD4B4 (C0706646-1)
ELECTRICAL, ECU, RELAY, COIL - D23P2AD4B4/ED4B4/FD4B4/GD4B4/UD4B4/VD4B4/WD4B4/YD4B4 (C0705173-1)
ELECTRICAL, LIGHT, HEADLIGHT - D23P2AD4B4/ED4B4/FD4B4/GD4B4/UD4B4/VD4B4/WD4B4/YD4B4 (C700505-3)
ELECTRICAL, LIGHT, TAILLIGHT, BOX HARNESS - D23P2AD4B4/ED4B4/FD4B4/GD4B4/UD4B4/VD4B4/WD4B4/YD4B4 (C700502-4)
ELECTRICAL, WIRE HARNESSES - D23P2AD4B4/ED4B4/FD4B4/GD4B4/UD4B4/VD4B4/WD4B4/YD4B4 (C0705173-2)
ENGINE, AIR FILTER INDICATOR - D23P2UD4B4/VD4B4/WD4B4/YD4B4 (C2884230)
ENGINE, AIR INTAKE, FRONT - D23P2AD4B4/ED4B4/FD4B4/GD4B4/UD4B4/VD4B4/WD4B4/YD4B4 (C700429-1)
ENGINE, AIR INTAKE, REAR - D23P2AD4B4/ED4B4/FD4B4/GD4B4/UD4B4/VD4B4/WD4B4/YD4B4 (C700429-2)
ENGINE, ALTERNATOR - D23P2AD4B4/ED4B4/FD4B4/GD4B4/UD4B4/VD4B4/WD4B4/YD4B4 (C700430-1)
ENGINE, BELL HOUSING - D23P2AD4B4/ED4B4/FD4B4/GD4B4/UD4B4/VD4B4/WD4B4/YD4B4 (C700430-2)
ENGINE, CABLE BRACKET - D23P2AD4B4/ED4B4/FD4B4/GD4B4/UD4B4/VD4B4/WD4B4/YD4B4 (702598)
ENGINE, CAMSHAFT AND IDLE GEAR SHAFT - D23P2AD4B4/ED4B4/FD4B4/GD4B4/UD4B4/VD4B4/WD4B4/YD4B4 (702601)
ENGINE, COOLING, HEATER HOSES - D23P2FD4B4/GD4B4/YD4B4/WD4B4 (C0703954-1)
ENGINE, COOLING, HOSES - D23P2AD4B4/ED4B4/FD4B4/GD4B4/UD4B4/VD4B4/WD4B4/YD4B4 (C700431-1)
ENGINE, COOLING, RADIATOR - D23P2AD4B4/ED4B4/FD4B4/GD4B4/UD4B4/VD4B4/WD4B4/YD4B4 (C0702969)
ENGINE, CRANKCASE - D23P2AD4B4/ED4B4/FD4B4/GD4B4/UD4B4/VD4B4/WD4B4/YD4B4 (702591)
ENGINE, CYLINDER HEAD - D23P2AD4B4/ED4B4/FD4B4/GD4B4/UD4B4/VD4B4/WD4B4/YD4B4 (705294)
ENGINE, DIPSTICK - D23P2AD4B4/ED4B4/FD4B4/GD4B4/UD4B4/VD4B4/WD4B4/YD4B4 (702598)
ENGINE, EXHAUST - D23P2AD4B4/ED4B4/FD4B4/GD4B4/UD4B4/VD4B4/WD4B4/YD4B4 (0000845148)
ENGINE, EXHAUST MANIFOLD - D23P2AD4B4/ED4B4/FD4B4/GD4B4/UD4B4/VD4B4/WD4B4/YD4B4 (702614)
ENGINE, FLYWHEEL - D23P2AD4B4/ED4B4/FD4B4/GD4B4/UD4B4/VD4B4/WD4B4/YD4B4 (702603)
ENGINE, FORK LEVER (GOVERNOR) - D23P2AD4B4/ED4B4/FD4B4/GD4B4/UD4B4/VD4B4/WD4B4/YD4B4 (702611)
ENGINE, FUEL CAMSHAFT AND GOVERNOR SHAFT - D23P2AD4B4/ED4B4/FD4B4/GD4B4/UD4B4/VD4B4/WD4B4/YD4B4 (702604)
ENGINE, FUEL PUMP (MECHANICAL) - D23P2AD4B4/ED4B4/FD4B4/GD4B4/UD4B4/VD4B4/WD4B4/YD4B4 (702612)
ENGINE, GEAR CASE - D23P2AD4B4/ED4B4/FD4B4/GD4B4/UD4B4/VD4B4/WD4B4/YD4B4 (702595)
ENGINE, HEAD COVER - D23P2AD4B4/ED4B4/FD4B4/GD4B4/UD4B4/VD4B4/WD4B4/YD4B4 (702596)
ENGINE, IDLE APPARATUS - D23P2AD4B4/ED4B4/FD4B4/GD4B4/UD4B4/VD4B4/WD4B4/YD4B4 (702605)
ENGINE, INJECTION PUMP - D23P2AD4B4/ED4B4/FD4B4/GD4B4/UD4B4/VD4B4/WD4B4/YD4B4 (702607)
ENGINE, INLET MANIFOLD - D23P2AD4B4/ED4B4/FD4B4/GD4B4/UD4B4/VD4B4/WD4B4/YD4B4 (702616)
ENGINE, MAIN BEARING CASE - D23P2AD4B4/ED4B4/FD4B4/GD4B4/UD4B4/VD4B4/WD4B4/YD4B4 (702600)
ENGINE, MOUNTING & LONG BLOCK - D23P2AD4B4/ED4B4/FD4B4/GD4B4/UD4B4/VD4B4/WD4B4/YD4B4 (C0702964)
ENGINE, NOZZLE HOLDER (COMPONENT PARTS) - D23P2AD4B4/ED4B4/FD4B4/GD4B4/UD4B4/VD4B4/WD4B4/YD4B4 (702610)
ENGINE, NOZZLE HOLDER AND GLOW PLUG - D23P2AD4B4/ED4B4/FD4B4/GD4B4/UD4B4/VD4B4/WD4B4/YD4B4 (702609)
ENGINE, OIL FILTER - D23P2AD4B4/ED4B4/FD4B4/GD4B4/UD4B4/VD4B4/WD4B4/YD4B4 (702597)
ENGINE, OIL PUMP - D23P2AD4B4/ED4B4/FD4B4/GD4B4/UD4B4/VD4B4/WD4B4/YD4B4 (702599)
ENGINE, OIL SWITCH - D23P2AD4B4/ED4B4/FD4B4/GD4B4/UD4B4/VD4B4/WD4B4/YD4B4 (702619)
ENGINE, PAN, OIL - D23P2AD4B4/ED4B4/FD4B4/GD4B4/UD4B4/VD4B4/WD4B4/YD4B4 (702592)
ENGINE, PISTON AND CRANKSHAFT - D23P2AD4B4/ED4B4/FD4B4/GD4B4/UD4B4/VD4B4/WD4B4/YD4B4 (702602)
ENGINE, REAR GEARCASE COVER - D23P2AD4B4/ED4B4/FD4B4/GD4B4/UD4B4/VD4B4/WD4B4/YD4B4 (702612)
ENGINE, SPEED CONTROL PLATE - D23P2AD4B4/ED4B4/FD4B4/GD4B4/UD4B4/VD4B4/WD4B4/YD4B4 (702608)
ENGINE, STARTER - D23P2AD4B4/ED4B4/FD4B4/GD4B4/UD4B4/VD4B4/WD4B4/YD4B4 (C700513)
ENGINE, STOP SOLENOID - D23P2AD4B4/ED4B4/FD4B4/GD4B4/UD4B4/VD4B4/WD4B4/YD4B4 (702606)
ENGINE, THROTTLE PEDAL AND CABLE - D23P2AD4B4/ED4B4/FD4B4/GD4B4/UD4B4/VD4B4/WD4B4/YD4B4 (C702962)
ENGINE, UPPER GASKET KIT [OPTION] - D23P2AD4B4/ED4B4/FD4B4/GD4B4/UD4B4/VD4B4/WD4B4/YD4B4 (702622)
ENGINE, VALVE AND ROCKER ARM - D23P2AD4B4/ED4B4/FD4B4/GD4B4/UD4B4/VD4B4/WD4B4/YD4B4 (702623)
ENGINE, WATER FLANGE AND THERMOSTAT - D23P2AD4B4/ED4B4/FD4B4/GD4B4/UD4B4/VD4B4/WD4B4/YD4B4 (702624)
ENGINE, WATER PIPE - D23P2AD4B4/ED4B4/FD4B4/GD4B4/UD4B4/VD4B4/WD4B4/YD4B4 (702625)
ENGINE, WATER PUMP - D23P2AD4B4/ED4B4/FD4B4/GD4B4/UD4B4/VD4B4/WD4B4/YD4B4 (702626)
ENGINE, WATER PUMP PULLEY - D23P2AD4B4/ED4B4/FD4B4/GD4B4/UD4B4/VD4B4/WD4B4/YD4B4 (702615)
FUEL TANK - D23P2AD4B4/ED4B4/FD4B4/GD4B4/UD4B4/VD4B4/WD4B4/YD4B4 (C702989)
REFERENCES, OWNERS MANUALS AND TOOLS - D23P2AD4B4/ED4B4/FD4B4/GD4B4/UD4B4/VD4B4/WD4B4/YD4B4 (C9929905-1)
STEERING, EPS UPFIT - D23P2UD4B4/WD4B4 (C2884610)
STEERING, STEERING ASM. - D23P2AD4B4/ED4B4/FD4B4/GD4B4/UD4B4/VD4B4/WD4B4/YD4B4 (C0702960-2)
SUSPENSION, FRONT - D23P2AD4B4/ED4B4/FD4B4/GD4B4/UD4B4/VD4B4/WD4B4/YD4B4 (C700434-2)
SUSPENSION, FRONT CARRIER - D23P2AD4B4/ED4B4/FD4B4/GD4B4/UD4B4/VD4B4/WD4B4/YD4B4 (C0702959-3)
SUSPENSION, FRONT SHOCK - D23P2AD4B4/ED4B4/FD4B4/GD4B4/UD4B4/VD4B4/WD4B4/YD4B4 (C700434-4)
SUSPENSION, REAR CARRIER - D23P2AD4B4/ED4B4/FD4B4/GD4B4/UD4B4/VD4B4/WD4B4/YD4B4 (C700435-1)
SUSPENSION, REAR CONTROL ARMS - D23P2AD4B4/ED4B4/FD4B4/GD4B4/UD4B4/VD4B4/WD4B4/YD4B4 (C700435-2)
SUSPENSION, REAR SHOCK - D23P2AD4B4/ED4B4/FD4B4/GD4B4/UD4B4/VD4B4/WD4B4/YD4B4 (C701220)
SUSPENSION, REAR STABILIZER BAR - D23P2AD4B4/ED4B4/FD4B4/GD4B4/UD4B4/VD4B4/WD4B4/YD4B4 (C700435-4)
WHEELS - D23P2AD4B4/ED4B4/FD4B4/GD4B4/UD4B4/VD4B4/WD4B4/YD4B4 (C700437)
*SERVICE AND MAINTENANCE PARTS LIST*
BODY, BOX LIFT - D23P2UD4B4/VD4B4/WD4B4/YD4B4 (C0810934)
BODY, BOX MOUNTING - D23P2AD4B4/ED4B4/FD4B4/GD4B4/UD4B4/VD4B4/WD4B4/YD4B4 (C700502-1)
BODY, BOX, TAILGATE - D23P2AD4B4/ED4B4/FD4B4/GD4B4/UD4B4/VD4B4/WD4B4/YD4B4 (C700411-2)
BODY, CARGO BOX - D23P2AD4B4/ED4B4/FD4B4/GD4B4/UD4B4/VD4B4/WD4B4/YD4B4 (C700502-2)
BODY, DASH - D23P2AD4B4/ED4B4/FD4B4/GD4B4/UD4B4/VD4B4/WD4B4/YD4B4 (C700418-9)
BODY, DECALS - D23P2AD4B4/ED4B4/FD4B4/GD4B4/UD4B4/VD4B4/WD4B4/YD4B4 (900395)
BODY, DOOR, CLEAR POLY FRONT MOUNTING - (2884277-1)
BODY, DOOR, CLEAR POLY, LEFT - (2884277-2)
BODY, DOOR, CLEAR POLY, RIGHT - (2884277-3)
BODY, DOOR, FRONT - D23P2UD4B4/VD4B4/WD4B4/YD4B4 (C2890362.jpg)
BODY, DOOR, FRONT, CLEAR POLY - D23P2UD4B4/VD4B4/WD4B4/YD4B4 (C2884277)
BODY, DOOR, FULL CRANK - (C0707613-2)
BODY, DOOR, FULL CRANK MOUNTING - (C0707613-1)
BODY, FLOOR - D23P2AD4B4/ED4B4/FD4B4/GD4B4/UD4B4/VD4B4/WD4B4/YD4B4 (C700418-2)
BODY, FRONT FACIA - D23P2AD4B4/ED4B4/FD4B4/GD4B4/UD4B4/VD4B4/WD4B4/YD4B4 (C700418-7)
BODY, HEATER ASSEMBLY - D23P2FD4B4/GD4B4/YD4B4/WD4B4 (C7045490)
BODY, HEATER DUCTING - D23P2FD4B4/GD4B4/YD4B4/WD4B4 (C700582)
BODY, HEATER UPFIT - D23P2UD4B4/VD4B4 (C2884212)
BODY, HOOD - D23P2AD4B4/ED4B4/FD4B4/GD4B4/UD4B4/VD4B4/WD4B4/YD4B4 (C700418-8)
BODY, REAR VIEW MIRROR - D23P2UD4B4/VD4B4/WD4B4/YD4B4 (C2879969)
BODY, REAR WINDOW, GLASS, FIXED - D23P2UD4B4/VD4B4/WD4B4/YD4B4 (C2879013)
BODY, REAR WINDOW, GLASS, SLIDER - D23P2UD4B4/VD4B4/WD4B4/YD4B4 (C2879015)
BODY, REAR WINDOW, POLY - D23P2UD4B4/VD4B4/WD4B4/YD4B4 (C2883773)
BODY, ROCKER PANELS - D23P2AD4B4/ED4B4/FD4B4/GD4B4/UD4B4/VD4B4/WD4B4/YD4B4 (C700418-5)
BODY, ROOF - D23P2UD4B4/VD4B4/WD4B4/YD4B4 (C2882911)
BODY, SEAT AND SEAT BELTS - D23P2AD4B4/ED4B4/FD4B4/GD4B4/UD4B4/VD4B4/WD4B4/YD4B4 (C700503)
BODY, SEAT MOUNTING - D23P2AD4B4/ED4B4/FD4B4/GD4B4/UD4B4/VD4B4/WD4B4/YD4B4 (C700420-2)
BODY, STORAGE AND CLOSE OFF - D23P2AD4B4/ED4B4/FD4B4/GD4B4/UD4B4/VD4B4/WD4B4/YD4B4 (C0702975)
BODY, WINDSHIELD, FIXED GLASS - D23P2UD4B4/VD4B4/WD4B4/YD4B4 (C2889021)
BODY, WINDSHIELD, TIPOUT GLASS - D23P2UD4B4/VD4B4/WD4B4/YD4B4 (C2889020)
BODY, WINDSHIELD, WIPER - D23P2UD4B4/VD4B4/WD4B4/YD4B4 (C2883974)
BRAKES, BRAKE LINES and MASTER CYLINDER - D23P2AD4B4/ED4B4/FD4B4/GD4B4/UD4B4/VD4B4/WD4B4/YD4B4 (C0702948)
BRAKES, CALIPER, FRONT - D23P2AD4B4/ED4B4/FD4B4/GD4B4/UD4B4/VD4B4/WD4B4/YD4B4 (C700421-2)
BRAKES, CALIPER, REAR - D23P2AD4B4/ED4B4/FD4B4/GD4B4/UD4B4/VD4B4/WD4B4/YD4B4 (C702853)
BRAKES, PARKING BRAKE - D23P2AD4B4/ED4B4/FD4B4/GD4B4/UD4B4/VD4B4/WD4B4/YD4B4 (C0704669)
BRAKES, PEDAL - D23P2AD4B4/ED4B4/FD4B4/GD4B4/UD4B4/VD4B4/WD4B4/YD4B4 (C700422-1)
CHASSIS, CAB FRAME - D23P2AD4B4/ED4B4/FD4B4/GD4B4/UD4B4/VD4B4/WD4B4/YD4B4 (C700423)
CHASSIS, FRONT BUMPER - D23P2AD4B4/ED4B4/FD4B4/GD4B4/UD4B4/VD4B4/WD4B4/YD4B4 (C700502-3)
CHASSIS, MAIN FRAME - D23P2AD4B4/ED4B4/FD4B4/GD4B4/UD4B4/VD4B4/WD4B4/YD4B4 (C700424)
DRIVE TRAIN, CLUTCH COVER - D23P2AD4B4/ED4B4/FD4B4/GD4B4/UD4B4/VD4B4/WD4B4/YD4B4 (C700425-1)
DRIVE TRAIN, CLUTCH, DRIVE - D23P2AD4B4/ED4B4/FD4B4/GD4B4/UD4B4/VD4B4/WD4B4/YD4B4 (C0705436-1)
DRIVE TRAIN, CLUTCH, DRIVE, SPEED LIMITER 15 MPH - D23P2UD4B4/VD4B4/WD4B4/YD4B4 (C0810930}
DRIVE TRAIN, CLUTCH, DRIVEN - D23P2AD4B4/ED4B4/FD4B4/GD4B4/UD4B4/VD4B4/WD4B4/YD4B4 (C0705436-2)
DRIVE TRAIN, CLUTCH, DRIVEN - D23P2AD4B4/ED4B4/FD4B4/GD4B4/UD4B4/VD4B4/WD4B4/YD4B4 (C700425-3)
DRIVE TRAIN, DRIVE SHAFT, FRONT - D23P2AD4B4/ED4B4/FD4B4/GD4B4/UD4B4/VD4B4/WD4B4/YD4B4 (702660)
DRIVE TRAIN, DRIVE SHAFT, REAR - D23P2AD4B4/ED4B4/FD4B4/GD4B4/UD4B4/VD4B4/WD4B4/YD4B4 (702661)
DRIVE TRAIN, FRONT GEARCASE INTERNALS - D23P2AD4B4/ED4B4/FD4B4/GD4B4/UD4B4/VD4B4/WD4B4/YD4B4 (702587)
DRIVE TRAIN, FRONT GEARCASE MOUNTING - D23P2AD4B4/ED4B4/FD4B4/GD4B4/UD4B4/VD4B4/WD4B4/YD4B4 (C700426-1)
DRIVE TRAIN, FRONT PROP SHAFT - D23P2AD4B4/ED4B4/FD4B4/GD4B4/UD4B4/VD4B4/WD4B4/YD4B4 (C700426-2)
DRIVE TRAIN, MAIN GEARCASE INTERNALS - D23P2AD4B4/ED4B4/FD4B4/GD4B4/UD4B4/VD4B4/WD4B4/YD4B4 (1334334)
DRIVE TRAIN, MAIN GEARCASE, MOUNTING - D23P2AD4B4/ED4B4/FD4B4/GD4B4/UD4B4/VD4B4/WD4B4/YD4B4 (C700426-4)
DRIVE TRAIN, MUD GUARDS - D23P2AD4B4/ED4B4/FD4B4/GD4B4/UD4B4/VD4B4/WD4B4/YD4B4 (C1028093)
DRIVE TRAIN, SHIFT LEVER AND CABLE - D23P2AD4B4/ED4B4/FD4B4/GD4B4/UD4B4/VD4B4/WD4B4/YD4B4 (C700422-2)
ELECTRICAL, BATTERY - D23P2AD4B4/ED4B4/FD4B4/GD4B4/UD4B4/VD4B4/WD4B4/YD4B4 (C700427-1)
ELECTRICAL, BEACON - D23P2UD4B4/VD4B4/WD4B4/YD4B4 (c2884224)
ELECTRICAL, DASH INSTRUMENTS and CONTROLS - D23P2AD4B4/ED4B4/FD4B4/GD4B4/UD4B4/VD4B4/WD4B4/YD4B4 (C0706646-1)
ELECTRICAL, ECU, RELAY, COIL - D23P2AD4B4/ED4B4/FD4B4/GD4B4/UD4B4/VD4B4/WD4B4/YD4B4 (C0705173-1)
ELECTRICAL, LIGHT, HEADLIGHT - D23P2AD4B4/ED4B4/FD4B4/GD4B4/UD4B4/VD4B4/WD4B4/YD4B4 (C700505-3)
ELECTRICAL, LIGHT, TAILLIGHT, BOX HARNESS - D23P2AD4B4/ED4B4/FD4B4/GD4B4/UD4B4/VD4B4/WD4B4/YD4B4 (C700502-4)
ELECTRICAL, WIRE HARNESSES - D23P2AD4B4/ED4B4/FD4B4/GD4B4/UD4B4/VD4B4/WD4B4/YD4B4 (C0705173-2)
ENGINE, AIR FILTER INDICATOR - D23P2UD4B4/VD4B4/WD4B4/YD4B4 (C2884230)
ENGINE, AIR INTAKE, FRONT - D23P2AD4B4/ED4B4/FD4B4/GD4B4/UD4B4/VD4B4/WD4B4/YD4B4 (C700429-1)
ENGINE, AIR INTAKE, REAR - D23P2AD4B4/ED4B4/FD4B4/GD4B4/UD4B4/VD4B4/WD4B4/YD4B4 (C700429-2)
ENGINE, ALTERNATOR - D23P2AD4B4/ED4B4/FD4B4/GD4B4/UD4B4/VD4B4/WD4B4/YD4B4 (C700430-1)
ENGINE, BELL HOUSING - D23P2AD4B4/ED4B4/FD4B4/GD4B4/UD4B4/VD4B4/WD4B4/YD4B4 (C700430-2)
ENGINE, CABLE BRACKET - D23P2AD4B4/ED4B4/FD4B4/GD4B4/UD4B4/VD4B4/WD4B4/YD4B4 (702598)
ENGINE, CAMSHAFT AND IDLE GEAR SHAFT - D23P2AD4B4/ED4B4/FD4B4/GD4B4/UD4B4/VD4B4/WD4B4/YD4B4 (702601)
ENGINE, COOLING, HEATER HOSES - D23P2FD4B4/GD4B4/YD4B4/WD4B4 (C0703954-1)
ENGINE, COOLING, HOSES - D23P2AD4B4/ED4B4/FD4B4/GD4B4/UD4B4/VD4B4/WD4B4/YD4B4 (C700431-1)
ENGINE, COOLING, RADIATOR - D23P2AD4B4/ED4B4/FD4B4/GD4B4/UD4B4/VD4B4/WD4B4/YD4B4 (C0702969)
ENGINE, CRANKCASE - D23P2AD4B4/ED4B4/FD4B4/GD4B4/UD4B4/VD4B4/WD4B4/YD4B4 (702591)
ENGINE, CYLINDER HEAD - D23P2AD4B4/ED4B4/FD4B4/GD4B4/UD4B4/VD4B4/WD4B4/YD4B4 (705294)
ENGINE, DIPSTICK - D23P2AD4B4/ED4B4/FD4B4/GD4B4/UD4B4/VD4B4/WD4B4/YD4B4 (702598)
ENGINE, EXHAUST - D23P2AD4B4/ED4B4/FD4B4/GD4B4/UD4B4/VD4B4/WD4B4/YD4B4 (0000845148)
ENGINE, EXHAUST MANIFOLD - D23P2AD4B4/ED4B4/FD4B4/GD4B4/UD4B4/VD4B4/WD4B4/YD4B4 (702614)
ENGINE, FLYWHEEL - D23P2AD4B4/ED4B4/FD4B4/GD4B4/UD4B4/VD4B4/WD4B4/YD4B4 (702603)
ENGINE, FORK LEVER (GOVERNOR) - D23P2AD4B4/ED4B4/FD4B4/GD4B4/UD4B4/VD4B4/WD4B4/YD4B4 (702611)
ENGINE, FUEL CAMSHAFT AND GOVERNOR SHAFT - D23P2AD4B4/ED4B4/FD4B4/GD4B4/UD4B4/VD4B4/WD4B4/YD4B4 (702604)
ENGINE, FUEL PUMP (MECHANICAL) - D23P2AD4B4/ED4B4/FD4B4/GD4B4/UD4B4/VD4B4/WD4B4/YD4B4 (702612)
ENGINE, GEAR CASE - D23P2AD4B4/ED4B4/FD4B4/GD4B4/UD4B4/VD4B4/WD4B4/YD4B4 (702595)
ENGINE, HEAD COVER - D23P2AD4B4/ED4B4/FD4B4/GD4B4/UD4B4/VD4B4/WD4B4/YD4B4 (702596)
ENGINE, IDLE APPARATUS - D23P2AD4B4/ED4B4/FD4B4/GD4B4/UD4B4/VD4B4/WD4B4/YD4B4 (702605)
ENGINE, INJECTION PUMP - D23P2AD4B4/ED4B4/FD4B4/GD4B4/UD4B4/VD4B4/WD4B4/YD4B4 (702607)
ENGINE, INLET MANIFOLD - D23P2AD4B4/ED4B4/FD4B4/GD4B4/UD4B4/VD4B4/WD4B4/YD4B4 (702616)
ENGINE, MAIN BEARING CASE - D23P2AD4B4/ED4B4/FD4B4/GD4B4/UD4B4/VD4B4/WD4B4/YD4B4 (702600)
ENGINE, MOUNTING & LONG BLOCK - D23P2AD4B4/ED4B4/FD4B4/GD4B4/UD4B4/VD4B4/WD4B4/YD4B4 (C0702964)
ENGINE, NOZZLE HOLDER (COMPONENT PARTS) - D23P2AD4B4/ED4B4/FD4B4/GD4B4/UD4B4/VD4B4/WD4B4/YD4B4 (702610)
ENGINE, NOZZLE HOLDER AND GLOW PLUG - D23P2AD4B4/ED4B4/FD4B4/GD4B4/UD4B4/VD4B4/WD4B4/YD4B4 (702609)
ENGINE, OIL FILTER - D23P2AD4B4/ED4B4/FD4B4/GD4B4/UD4B4/VD4B4/WD4B4/YD4B4 (702597)
ENGINE, OIL PUMP - D23P2AD4B4/ED4B4/FD4B4/GD4B4/UD4B4/VD4B4/WD4B4/YD4B4 (702599)
ENGINE, OIL SWITCH - D23P2AD4B4/ED4B4/FD4B4/GD4B4/UD4B4/VD4B4/WD4B4/YD4B4 (702619)
ENGINE, PAN, OIL - D23P2AD4B4/ED4B4/FD4B4/GD4B4/UD4B4/VD4B4/WD4B4/YD4B4 (702592)
ENGINE, PISTON AND CRANKSHAFT - D23P2AD4B4/ED4B4/FD4B4/GD4B4/UD4B4/VD4B4/WD4B4/YD4B4 (702602)
ENGINE, REAR GEARCASE COVER - D23P2AD4B4/ED4B4/FD4B4/GD4B4/UD4B4/VD4B4/WD4B4/YD4B4 (702612)
ENGINE, SPEED CONTROL PLATE - D23P2AD4B4/ED4B4/FD4B4/GD4B4/UD4B4/VD4B4/WD4B4/YD4B4 (702608)
ENGINE, STARTER - D23P2AD4B4/ED4B4/FD4B4/GD4B4/UD4B4/VD4B4/WD4B4/YD4B4 (C700513)
ENGINE, STOP SOLENOID - D23P2AD4B4/ED4B4/FD4B4/GD4B4/UD4B4/VD4B4/WD4B4/YD4B4 (702606)
ENGINE, THROTTLE PEDAL AND CABLE - D23P2AD4B4/ED4B4/FD4B4/GD4B4/UD4B4/VD4B4/WD4B4/YD4B4 (C702962)
ENGINE, UPPER GASKET KIT [OPTION] - D23P2AD4B4/ED4B4/FD4B4/GD4B4/UD4B4/VD4B4/WD4B4/YD4B4 (702622)
ENGINE, VALVE AND ROCKER ARM - D23P2AD4B4/ED4B4/FD4B4/GD4B4/UD4B4/VD4B4/WD4B4/YD4B4 (702623)
ENGINE, WATER FLANGE AND THERMOSTAT - D23P2AD4B4/ED4B4/FD4B4/GD4B4/UD4B4/VD4B4/WD4B4/YD4B4 (702624)
ENGINE, WATER PIPE - D23P2AD4B4/ED4B4/FD4B4/GD4B4/UD4B4/VD4B4/WD4B4/YD4B4 (702625)
ENGINE, WATER PUMP - D23P2AD4B4/ED4B4/FD4B4/GD4B4/UD4B4/VD4B4/WD4B4/YD4B4 (702626)
ENGINE, WATER PUMP PULLEY - D23P2AD4B4/ED4B4/FD4B4/GD4B4/UD4B4/VD4B4/WD4B4/YD4B4 (702615)
FUEL TANK - D23P2AD4B4/ED4B4/FD4B4/GD4B4/UD4B4/VD4B4/WD4B4/YD4B4 (C702989)
REFERENCES, OWNERS MANUALS AND TOOLS - D23P2AD4B4/ED4B4/FD4B4/GD4B4/UD4B4/VD4B4/WD4B4/YD4B4 (C9929905-1)
STEERING, EPS UPFIT - D23P2UD4B4/WD4B4 (C2884610)
STEERING, STEERING ASM. - D23P2AD4B4/ED4B4/FD4B4/GD4B4/UD4B4/VD4B4/WD4B4/YD4B4 (C0702960-2)
SUSPENSION, FRONT - D23P2AD4B4/ED4B4/FD4B4/GD4B4/UD4B4/VD4B4/WD4B4/YD4B4 (C700434-2)
SUSPENSION, FRONT CARRIER - D23P2AD4B4/ED4B4/FD4B4/GD4B4/UD4B4/VD4B4/WD4B4/YD4B4 (C0702959-3)
SUSPENSION, FRONT SHOCK - D23P2AD4B4/ED4B4/FD4B4/GD4B4/UD4B4/VD4B4/WD4B4/YD4B4 (C700434-4)
SUSPENSION, REAR CARRIER - D23P2AD4B4/ED4B4/FD4B4/GD4B4/UD4B4/VD4B4/WD4B4/YD4B4 (C700435-1)
SUSPENSION, REAR CONTROL ARMS - D23P2AD4B4/ED4B4/FD4B4/GD4B4/UD4B4/VD4B4/WD4B4/YD4B4 (C700435-2)
SUSPENSION, REAR SHOCK - D23P2AD4B4/ED4B4/FD4B4/GD4B4/UD4B4/VD4B4/WD4B4/YD4B4 (C701220)
SUSPENSION, REAR STABILIZER BAR - D23P2AD4B4/ED4B4/FD4B4/GD4B4/UD4B4/VD4B4/WD4B4/YD4B4 (C700435-4)
WHEELS - D23P2AD4B4/ED4B4/FD4B4/GD4B4/UD4B4/VD4B4/WD4B4/YD4B4 (C700437)
VIEW WISH LIST