Greenville, TX
|
Give Us a Call
(903) 454-4440
Toggle navigation
Home
Brands
Manufacturer Models
OEM Promotions
Polaris
Can-Am
E-Z-Go
Honda
Kawasaki
Suzuki
Inventory
All Inventory In Stock
New Inventory In Stock
Used Inventory
Value Your Trade-In
Request a Model
Schedule a Test Ride
Secure Financing
Parts
Parts Department
Parts Finder
Service
Service Department
Request Polaris Service
Warranty & Recall Look-Up
Specials
Financing
About
Our Dealership
Our Team
Reviews
Customer Survey
Employment
Events Calendar
Locations
Location & Hours
Contact
Parts Finder
Home
›
Parts
›
Parts Finder
Search by :
Part / Desc
VIN
Please Select
Arctic Cat
Honda
Kawasaki
Polaris
Suzuki
*Please enter at least 3 characters
SEARCH
Manufacturer
Polaris
Commercial Vehicles
2013
BRUTUS/HD/HD PTO (D131D9JDJ/1L9JDJ/2M9JDJ)
VIEW WISH LIST
Select a Section
Show/Hide
ACCESSORY, FRONT ATTACHMENT
BODY, BOX MOUNTING AND LATCH
BODY, BOX, TAILGATE
BODY, BUMPER
BODY, CARGO BOX
BODY, CENTER CONSOLE
BODY, CLOSEOFF, REAR
BODY, DASH
BODY, DECALS
BODY, DOOR MOUNTING
BODY, DOORS
BODY, FLOOR
BODY, FRONT FLOOR AND FENDER
BODY, FUEL TANK
BODY, HOOD
BODY, HVAC
BODY, HVAC, INTERNALS
BODY, ROOF
BODY, SEALS
BODY, SEAT
BODY, STORAGE
BODY, WINDOW, REAR
BODY, WINDSHIELD
BODY, WINDSHIELD WIPER
BRAKES, BRAKE LINES AND MASTER CYLINDER
BRAKES, FRONT CALIPER
BRAKES, PEDAL AND MASTER CYLINDER
BRAKES, REAR CALIPER
CHASSIS, BUMPER, FRONT
CHASSIS, CAB FRAME
CHASSIS, MAIN FRAME
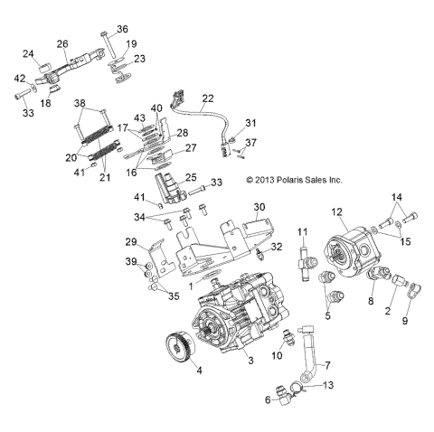
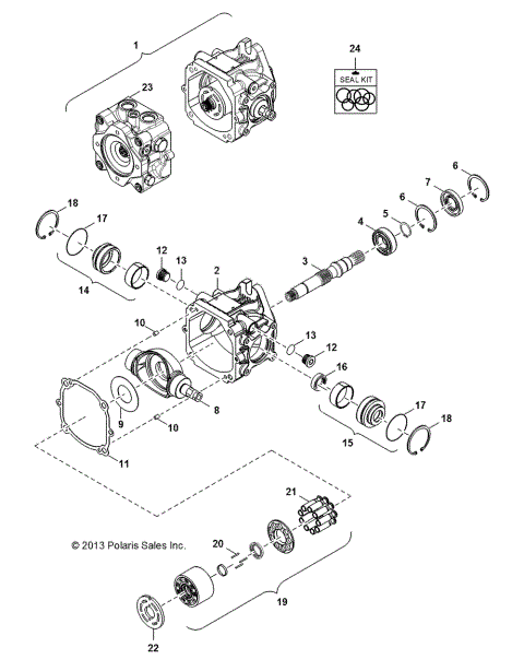
DRIVE TRAIN, DRIVE PUMP
DRIVE TRAIN, DRIVEN MOTOR
DRIVE TRAIN, FRONT GEARCASE INTERNALS
DRIVE TRAIN, FRONT GEARCASE MOUNTING
DRIVE TRAIN, FRONT HALF SHAFT
DRIVE TRAIN, FRONT PROP SHAFT
DRIVE TRAIN, HYDROSTAT MOUNTING AND LINES
DRIVE TRAIN, MAIN GEARCASE INTERNALS 1
DRIVE TRAIN, MAIN GEARCASE INTERNALS 2
DRIVE TRAIN, MAIN GEARCASE MOUNTING
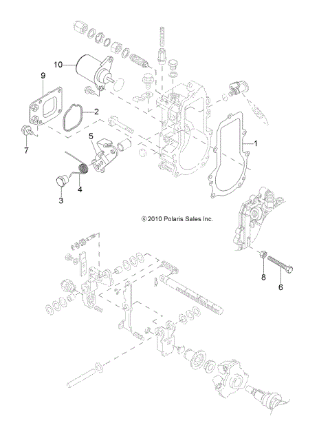
DRIVE TRAIN, PTO
DRIVE TRAIN, PTO GEARBOX
DRIVE TRAIN, REAR DRIVE SHAFT
DRIVE TRAIN, SHIFT LEVER AND CABLE
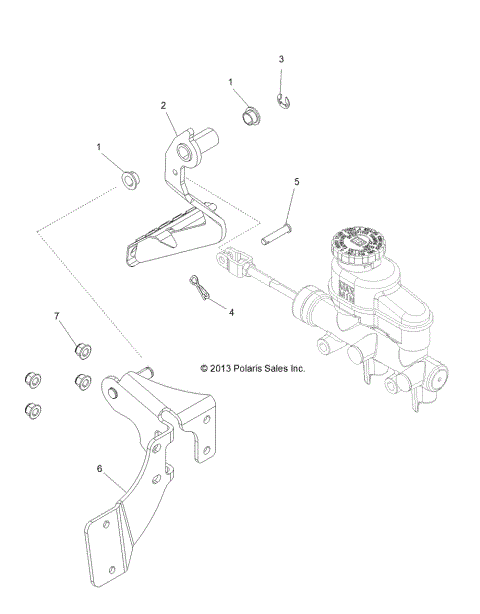
DRIVE TRAIN, THROTTLE PEDAL
ELECTRICAL, BATTERY
ELECTRICAL, DASH CONTROLS
ELECTRICAL, HARNESS
ELECTRICAL, HEADLIGHT AND TAILLIGHT
ENGINE, AIR INTAKE SYSTEM
ENGINE, CAMSHAFT AND DRIVING GEAR
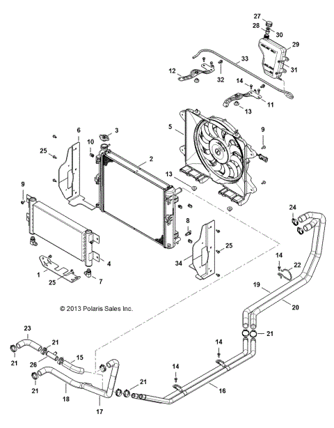
ENGINE, COOLING SYSTEM
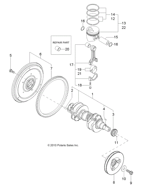
ENGINE, CRANKSHAFT and PISTON
ENGINE, CYLINDER BLOCK
ENGINE, CYLINDER HEAD AND BONNET
ENGINE, EXHAUST
ENGINE, EXHAUST MANIFOLD
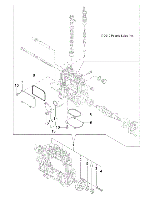
ENGINE, FUEL INJECTION PUMP
ENGINE, FUEL INJECTION VALVE
ENGINE, FUEL LINE
ENGINE, GASKET SET
ENGINE, GEAR HOUSING
ENGINE, GOVERNOR
ENGINE, HAND THROTTLE
ENGINE, MOUNTING
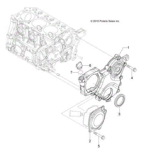
ENGINE, MOUNTING FLANGE AND OIL SUMP
ENGINE, OIL SYSTEM AND DIPSTICK
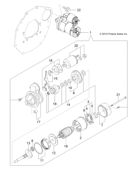
ENGINE, STARTING MOTOR
ENGINE, WATER COOLING SYSTEM
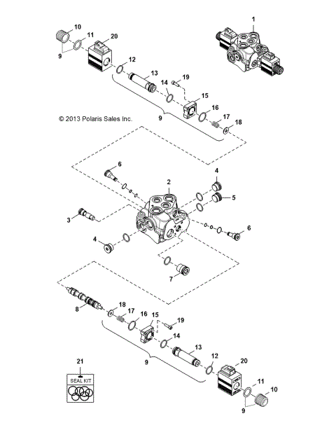
HYDRAULICS, AUXILIARY VALVE
HYDRAULICS, CONTROL VALVE
HYDRAULICS, GEAR PUMP
HYDRAULICS, LIFT CYLINDER
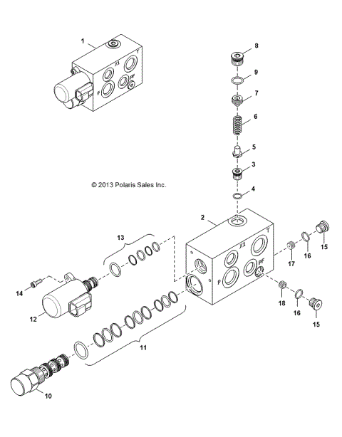
HYDRAULICS, MANIFOLD VALVE
HYDRAULICS, MOTOR
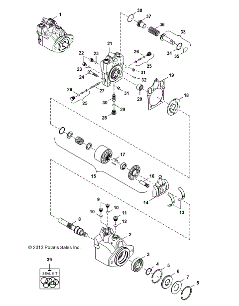
HYDRAULICS, PUMP, MAIN HOUSING
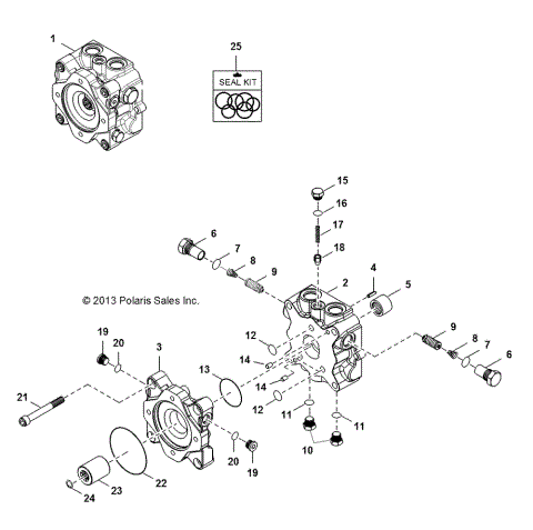
HYDRAULICS, PUMP, VALVE HOUSING
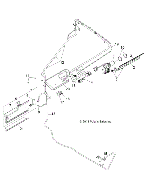
HYDRAULICS, ROUTING
HYDRAULICS, TILT CYLINDER
REFERENCES, TOOL KIT & OWNERS MANUALS
STEERING
STEERING, HYDRAULICS
SUSPENSION, FRONT
SUSPENSION, FRONT SHOCK
SUSPENSION, REAR
SUSPENSION, REAR SHOCK
WHEELS, FRONT
WHEELS, REAR
ACCESSORY, FRONT ATTACHMENT
BODY, BOX MOUNTING AND LATCH
BODY, BOX, TAILGATE
BODY, BUMPER
BODY, CARGO BOX
BODY, CENTER CONSOLE
BODY, CLOSEOFF, REAR
BODY, DASH
BODY, DECALS
BODY, DOOR MOUNTING
BODY, DOORS
BODY, FLOOR
BODY, FRONT FLOOR AND FENDER
BODY, FUEL TANK
BODY, HOOD
BODY, HVAC
BODY, HVAC, INTERNALS
BODY, ROOF
BODY, SEALS
BODY, SEAT
BODY, STORAGE
BODY, WINDOW, REAR
BODY, WINDSHIELD
BODY, WINDSHIELD WIPER
BRAKES, BRAKE LINES AND MASTER CYLINDER
BRAKES, FRONT CALIPER
BRAKES, PEDAL AND MASTER CYLINDER
BRAKES, REAR CALIPER
CHASSIS, BUMPER, FRONT
CHASSIS, CAB FRAME
CHASSIS, MAIN FRAME
DRIVE TRAIN, DRIVE PUMP
DRIVE TRAIN, DRIVEN MOTOR
DRIVE TRAIN, FRONT GEARCASE INTERNALS
DRIVE TRAIN, FRONT GEARCASE MOUNTING
DRIVE TRAIN, FRONT HALF SHAFT
DRIVE TRAIN, FRONT PROP SHAFT
DRIVE TRAIN, HYDROSTAT MOUNTING AND LINES
DRIVE TRAIN, MAIN GEARCASE INTERNALS 1
DRIVE TRAIN, MAIN GEARCASE INTERNALS 2
DRIVE TRAIN, MAIN GEARCASE MOUNTING
DRIVE TRAIN, PTO
DRIVE TRAIN, PTO GEARBOX
DRIVE TRAIN, REAR DRIVE SHAFT
DRIVE TRAIN, SHIFT LEVER AND CABLE
DRIVE TRAIN, THROTTLE PEDAL
ELECTRICAL, BATTERY
ELECTRICAL, DASH CONTROLS
ELECTRICAL, HARNESS
ELECTRICAL, HEADLIGHT AND TAILLIGHT
ENGINE, AIR INTAKE SYSTEM
ENGINE, CAMSHAFT AND DRIVING GEAR
ENGINE, COOLING SYSTEM
ENGINE, CRANKSHAFT and PISTON
ENGINE, CYLINDER BLOCK
ENGINE, CYLINDER HEAD AND BONNET
ENGINE, EXHAUST
ENGINE, EXHAUST MANIFOLD
ENGINE, FUEL INJECTION PUMP
ENGINE, FUEL INJECTION VALVE
ENGINE, FUEL LINE
ENGINE, GASKET SET
ENGINE, GEAR HOUSING
ENGINE, GOVERNOR
ENGINE, HAND THROTTLE
ENGINE, MOUNTING
ENGINE, MOUNTING FLANGE AND OIL SUMP
ENGINE, OIL SYSTEM AND DIPSTICK
ENGINE, STARTING MOTOR
ENGINE, WATER COOLING SYSTEM
HYDRAULICS, AUXILIARY VALVE
HYDRAULICS, CONTROL VALVE
HYDRAULICS, GEAR PUMP
HYDRAULICS, LIFT CYLINDER
HYDRAULICS, MANIFOLD VALVE
HYDRAULICS, MOTOR
HYDRAULICS, PUMP, MAIN HOUSING
HYDRAULICS, PUMP, VALVE HOUSING
HYDRAULICS, ROUTING
HYDRAULICS, TILT CYLINDER
REFERENCES, TOOL KIT & OWNERS MANUALS
STEERING
STEERING, HYDRAULICS
SUSPENSION, FRONT
SUSPENSION, FRONT SHOCK
SUSPENSION, REAR
SUSPENSION, REAR SHOCK
WHEELS, FRONT
WHEELS, REAR
VIEW WISH LIST