Greenville, TX
|
Give Us a Call
(903) 454-4440
Toggle navigation
Home
Brands
Manufacturer Models
OEM Promotions
Polaris
Can-Am
E-Z-Go
Honda
Kawasaki
Suzuki
Inventory
All Inventory In Stock
New Inventory In Stock
Used Inventory
Value Your Trade-In
Request a Model
Schedule a Test Ride
Secure Financing
Parts
Parts Department
Parts Finder
Service
Service Department
Request Polaris Service
Warranty & Recall Look-Up
Specials
Financing
About
Our Dealership
Our Team
Reviews
Customer Survey
Employment
Events Calendar
Locations
Location & Hours
Contact
Parts Finder
Home
›
Parts
›
Parts Finder
Search by :
Part / Desc
VIN
Please Select
Arctic Cat
Honda
Kawasaki
Polaris
Suzuki
*Please enter at least 3 characters
SEARCH
Manufacturer
Polaris
ATVs
2010
SPORTSMAN 90 (A10FA09AA/AB)
VIEW WISH LIST
Select a Section
Show/Hide
BODY, CAB and SEAT - A10FA09AA/AB (49ATVCAB07SPRT90)
BODY, DECALS - A10FA09AA/AB (49ATVDECAL09SP90)
BODY, FUEL TANK and HOSES - A10FA09AA/AB (49ATVFUEL09SP90)
BRAKES, FRONT - A10FA09AA/AB (4999202399920239B11)
BRAKES, REAR - A10FA09AA/AB (49ATVBRAKERR08OUT90)
CHASSIS, A-ARM and FOOTREST - A10FA09AA/AB (49ATVSUSPFRT07OTLW90)
CHASSIS, BUMPER - A10FA09AA/AB (49ATVBUMPER09SP90)
CHASSIS, FRAME - A10FA09AA/AB (49ATVFRAME07SPRT90)
DRIVE TRAIN, DRIVE CHAIN and GUARD - A10FA09AA/AB (49ATVCHAIN08OUT90)
DRIVE TRAIN, PRIMARY CLUTCH - A10FA09AA/AB (49ATVPRIMARY07OTLW90)
DRIVE TRAIN, SECONDARY CLUTCH - A10FA09AA/AB (49ATVSECONDARY07OTLW90)
DRIVE TRAIN, TRANSMISSION - A10FA09AA/AB (49ATVTRANSMISSION07OTLW90)
DRIVE TRAIN, TRANSMISSION SHIFT LEVER - A10FA09AA/AB (49ATVSHIFT07OTLW90)
ELECTRICAL, SWITCHES, HARNESS and INDICATORS - A10FA09AA/AB (49ATVELECT10OTLW90)
ELECTRICAL, TAILLIGHT - A10FA09AA/AB (49ATVHEADLIGHT07SPRT90)
ENGINE, AIR INTAKE SYSTEM - A10FA09AA/AB (49ATVAIRBOX09OUT90)
ENGINE, CAM CHAIN - A10FA09AA/AB (49ATVCAMCHAIN07OTLW90)
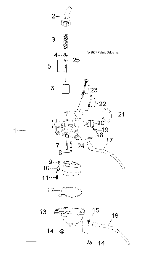
ENGINE, CARBURETOR - A10FA09AA/AB (49ATVCARB09OUT90)
ENGINE, CLUTCH COVER and KICK START - A10FA09AA/AB (49ATVCRANKCASECVRLH09SP90)
ENGINE, CRANKCASE - A10FA09AA/AB (49ATVCRANKCASE07OTLW90)
ENGINE, CRANKCASE COVER, RH - A10FA09AA/AB (49ATVCRANKCASECVRRH07OTLW90)
ENGINE, CRANKSHAFT and PISTON - A10FA09AA/AB (49ATVCRANKSHAFT08OUT90)
ENGINE, CYLINDER - A10FA09AA/AB (49ATVCYLINDER07OTLW90)
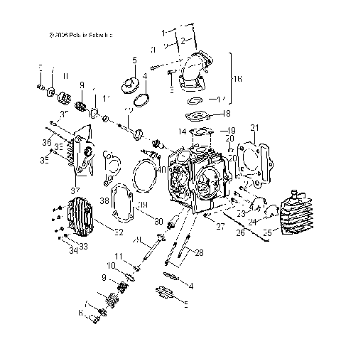
ENGINE, CYLINDER HEAD - A10FA09AA/AB (49ATVCYLINDERHD09SP90)
ENGINE, EXHAUST - A10FA09AA/AB (49ATVEXHAUST07SPRT90)
ENGINE, GENERATOR and STARTING MOTOR - A10FA09AA/AB (49ATVGENERATOR07OTLW90)
ENGINE, OIL PUMP - A10FA09AA/AB (49ATVOILPUMP07OTLW90)
ENGINE, STARTER - A10FA09AA/AB (49ATVSTARTER207OTLW90)
REFERENCES, MANUAL and SETUP INFORMATION - A10FA09AA/AB (49ATVTOOL09SP90)
STEERING, HANDLEBAR - A10FA09AA/AB (49ATVHANDLEBAR08SP90)
STEERING, STEERING POST and TIE ROD ASM. - A10FA09AA/AB (49ATVSTEERING10OTLW90)
SUSPENSION, SHOCKS - A10FA09AA/AB (49ATVSUSP08OUT90)
WHEELS, FRONT - A10FA09AA/AB (49ATVWHEELFRT07SPRT90)
WHEELS, REAR - A10FA09AA/AB (49ATVWHEELREAR07SPRT90)
WHEELS, REAR AXLE - A10FA09AA/AB (4999202399920239B14)
BODY, CAB and SEAT - A10FA09AA/AB (49ATVCAB07SPRT90)
BODY, DECALS - A10FA09AA/AB (49ATVDECAL09SP90)
BODY, FUEL TANK and HOSES - A10FA09AA/AB (49ATVFUEL09SP90)
BRAKES, FRONT - A10FA09AA/AB (4999202399920239B11)
BRAKES, REAR - A10FA09AA/AB (49ATVBRAKERR08OUT90)
CHASSIS, A-ARM and FOOTREST - A10FA09AA/AB (49ATVSUSPFRT07OTLW90)
CHASSIS, BUMPER - A10FA09AA/AB (49ATVBUMPER09SP90)
CHASSIS, FRAME - A10FA09AA/AB (49ATVFRAME07SPRT90)
DRIVE TRAIN, DRIVE CHAIN and GUARD - A10FA09AA/AB (49ATVCHAIN08OUT90)
DRIVE TRAIN, PRIMARY CLUTCH - A10FA09AA/AB (49ATVPRIMARY07OTLW90)
DRIVE TRAIN, SECONDARY CLUTCH - A10FA09AA/AB (49ATVSECONDARY07OTLW90)
DRIVE TRAIN, TRANSMISSION - A10FA09AA/AB (49ATVTRANSMISSION07OTLW90)
DRIVE TRAIN, TRANSMISSION SHIFT LEVER - A10FA09AA/AB (49ATVSHIFT07OTLW90)
ELECTRICAL, SWITCHES, HARNESS and INDICATORS - A10FA09AA/AB (49ATVELECT10OTLW90)
ELECTRICAL, TAILLIGHT - A10FA09AA/AB (49ATVHEADLIGHT07SPRT90)
ENGINE, AIR INTAKE SYSTEM - A10FA09AA/AB (49ATVAIRBOX09OUT90)
ENGINE, CAM CHAIN - A10FA09AA/AB (49ATVCAMCHAIN07OTLW90)
ENGINE, CARBURETOR - A10FA09AA/AB (49ATVCARB09OUT90)
ENGINE, CLUTCH COVER and KICK START - A10FA09AA/AB (49ATVCRANKCASECVRLH09SP90)
ENGINE, CRANKCASE - A10FA09AA/AB (49ATVCRANKCASE07OTLW90)
ENGINE, CRANKCASE COVER, RH - A10FA09AA/AB (49ATVCRANKCASECVRRH07OTLW90)
ENGINE, CRANKSHAFT and PISTON - A10FA09AA/AB (49ATVCRANKSHAFT08OUT90)
ENGINE, CYLINDER - A10FA09AA/AB (49ATVCYLINDER07OTLW90)
ENGINE, CYLINDER HEAD - A10FA09AA/AB (49ATVCYLINDERHD09SP90)
ENGINE, EXHAUST - A10FA09AA/AB (49ATVEXHAUST07SPRT90)
ENGINE, GENERATOR and STARTING MOTOR - A10FA09AA/AB (49ATVGENERATOR07OTLW90)
ENGINE, OIL PUMP - A10FA09AA/AB (49ATVOILPUMP07OTLW90)
ENGINE, STARTER - A10FA09AA/AB (49ATVSTARTER207OTLW90)
REFERENCES, MANUAL and SETUP INFORMATION - A10FA09AA/AB (49ATVTOOL09SP90)
STEERING, HANDLEBAR - A10FA09AA/AB (49ATVHANDLEBAR08SP90)
STEERING, STEERING POST and TIE ROD ASM. - A10FA09AA/AB (49ATVSTEERING10OTLW90)
SUSPENSION, SHOCKS - A10FA09AA/AB (49ATVSUSP08OUT90)
WHEELS, FRONT - A10FA09AA/AB (49ATVWHEELFRT07SPRT90)
WHEELS, REAR - A10FA09AA/AB (49ATVWHEELREAR07SPRT90)
WHEELS, REAR AXLE - A10FA09AA/AB (4999202399920239B14)
VIEW WISH LIST