Greenville, TX
|
Give Us a Call
(903) 454-4440
Toggle navigation
Home
Brands
Manufacturer Models
OEM Promotions
Polaris
Can-Am
E-Z-Go
Honda
Kawasaki
Suzuki
Inventory
All Inventory In Stock
New Inventory In Stock
Used Inventory
Value Your Trade-In
Request a Model
Schedule a Test Ride
Secure Financing
Parts
Parts Department
Parts Finder
Service
Service Department
Request Polaris Service
Warranty & Recall Look-Up
Specials
Financing
About
Our Dealership
Our Team
Reviews
Customer Survey
Employment
Events Calendar
Locations
Location & Hours
Contact
Parts Finder
Home
›
Parts
›
Parts Finder
Search by :
Part / Desc
VIN
Please Select
Arctic Cat
Honda
Kawasaki
Polaris
Suzuki
*Please enter at least 3 characters
SEARCH
Manufacturer
Polaris
ATVs
2008
SPORTSMAN 90 (A08FA09AA/AB/AC)
VIEW WISH LIST
Select a Section
Show/Hide
BODY, CAB and SEAT - A08FA09AA/AB/AC (49ATVCAB07SPRT90)
BODY, DECALS - A08FA09AA/AB (49ATVDECAL07SPRT90)
BODY, DECALS - A08FA09AC (49ATVDECAL08SP90AC)
BODY, FUEL TANK and HOSES - A08FA09AA/AB/AC (49ATVFUEL07SPRT90)
BRAKES, FRONT - A08FA09AA/AB/AC (4999202399920239B11)
BRAKES, REAR - A08FA09AA/AB/AC (49ATVBRAKERR08OUT90)
CHASSIS, A-ARM and FOOTREST - A08FA09AA/AB/AC (49ATVSUSPFRT07OTLW90)
CHASSIS, BUMPER - A08FA09AA/AB/AC (49ATVBUMPER08SP90)
CHASSIS, FRAME - A08FA09AA/AB/AC (49ATVFRAME07SPRT90)
DRIVE TRAIN, CHAIN - A08FA09AA/AB/AC (49ATVCHAIN08OUT90)
DRIVE TRAIN, PRIMARY CLUTCH - A08FA09AA/AB/AC (49ATVPRIMARY07OTLW90)
DRIVE TRAIN, SECONDARY CLUTCH - A08FA09AA/AB/AC (49ATVSECONDARY07OTLW90)
DRIVE TRAIN, TRANSMISSION - A08FA09AA/AB/AC (49ATVTRANSMISSION07OTLW90)
DRIVE TRAIN, TRANSMISSION SHIFT LEVER - A08FA09AA/AB/AC (49ATVSHIFT07OTLW90)
ELECTRICAL PARTS - A08FA09AA/AB/AC (49ATVELECT07OTLW90)
ELECTRICAL, TAILLIGHT - A08FA09AA/AB/AC (49ATVHEADLIGHT07SPRT90)
ENGINE, AIR INTAKE SYSTEM - A08FA09AA/AB/AC (49ATVAIRBOX08OUT90)
ENGINE, CAM CHAIN - A08FA09AA/AB/AC (49ATVCAMCHAIN07OTLW90)
ENGINE, CARBURETOR - A08FA09AA/AB/AC (49ATVCARB09OUT90)
ENGINE, CRANKCASE - A08FA09AA/AB/AC (49ATVCRANKCASE07OTLW90)
ENGINE, CRANKCASE COVER, LH - A08FA09AA/AB/AC (49ATVCRANKCASECVRLH07OTLW90)
ENGINE, CRANKCASE COVER, RH - A08FA09AA/AB/AC (49ATVCRANKCASECVRRH07OTLW90)
ENGINE, CRANKSHAFT and PISTON - A08FA09AA/AB/AC (49ATVCRANKSHAFT08OUT90)
ENGINE, CYLINDER - A08FA09AA/AB/AC (49ATVCYLINDER07OTLW90)
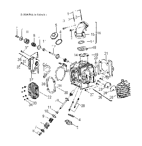
ENGINE, CYLINDER HEAD - A08FA09AA/AB/AC (49ATVCYLINDERHD07OTLW90)
ENGINE, EXHAUST - A08FA09AA/AB/AC (49ATVEXHAUST07SPRT90)
ENGINE, GENERATOR and STARTING MOTOR - A08FA09AA/AB/AC (49ATVGENERATOR07OTLW90)
ENGINE, KICK START - A08FA09AA/AB/AC (49ATVSTARTER07OTLW90)
ENGINE, KICK START 2 - A08FA09AA/AB/AC (49ATVSTARTER207OTLW90)
ENGINE, OIL PUMP - A08FA09AA/AB/AC (49ATVOILPUMP07OTLW90)
REFERENCES, MANUAL and INFORMATION - A08FA09AA/AB/AC (49ATVOM07OTLW90)
STEERING, HANDLEBAR - A08FA09AA/AB/AC (49ATVHANDLEBAR08SP90)
STEERING, STEERING POST and TIE ROD ASM. - A08FA09AA/AB/AC (49ATVSTEERING07OTLW90)
SUSPENSION, SHOCKS - A08FA09AA/AB/AC (49ATVSUSP08OUT90)
WHEELS, FRONT - A08FA09AA/AB/AC (49ATVWHEELFRT07SPRT90)
WHEELS, REAR - A08FA09AA/AB/AC (49ATVWHEELREAR07SPRT90)
WHEELS, REAR AXLE - A08FA09AA/AB/AC (4999202399920239B14)
BODY, CAB and SEAT - A08FA09AA/AB/AC (49ATVCAB07SPRT90)
BODY, DECALS - A08FA09AA/AB (49ATVDECAL07SPRT90)
BODY, DECALS - A08FA09AC (49ATVDECAL08SP90AC)
BODY, FUEL TANK and HOSES - A08FA09AA/AB/AC (49ATVFUEL07SPRT90)
BRAKES, FRONT - A08FA09AA/AB/AC (4999202399920239B11)
BRAKES, REAR - A08FA09AA/AB/AC (49ATVBRAKERR08OUT90)
CHASSIS, A-ARM and FOOTREST - A08FA09AA/AB/AC (49ATVSUSPFRT07OTLW90)
CHASSIS, BUMPER - A08FA09AA/AB/AC (49ATVBUMPER08SP90)
CHASSIS, FRAME - A08FA09AA/AB/AC (49ATVFRAME07SPRT90)
DRIVE TRAIN, CHAIN - A08FA09AA/AB/AC (49ATVCHAIN08OUT90)
DRIVE TRAIN, PRIMARY CLUTCH - A08FA09AA/AB/AC (49ATVPRIMARY07OTLW90)
DRIVE TRAIN, SECONDARY CLUTCH - A08FA09AA/AB/AC (49ATVSECONDARY07OTLW90)
DRIVE TRAIN, TRANSMISSION - A08FA09AA/AB/AC (49ATVTRANSMISSION07OTLW90)
DRIVE TRAIN, TRANSMISSION SHIFT LEVER - A08FA09AA/AB/AC (49ATVSHIFT07OTLW90)
ELECTRICAL PARTS - A08FA09AA/AB/AC (49ATVELECT07OTLW90)
ELECTRICAL, TAILLIGHT - A08FA09AA/AB/AC (49ATVHEADLIGHT07SPRT90)
ENGINE, AIR INTAKE SYSTEM - A08FA09AA/AB/AC (49ATVAIRBOX08OUT90)
ENGINE, CAM CHAIN - A08FA09AA/AB/AC (49ATVCAMCHAIN07OTLW90)
ENGINE, CARBURETOR - A08FA09AA/AB/AC (49ATVCARB09OUT90)
ENGINE, CRANKCASE - A08FA09AA/AB/AC (49ATVCRANKCASE07OTLW90)
ENGINE, CRANKCASE COVER, LH - A08FA09AA/AB/AC (49ATVCRANKCASECVRLH07OTLW90)
ENGINE, CRANKCASE COVER, RH - A08FA09AA/AB/AC (49ATVCRANKCASECVRRH07OTLW90)
ENGINE, CRANKSHAFT and PISTON - A08FA09AA/AB/AC (49ATVCRANKSHAFT08OUT90)
ENGINE, CYLINDER - A08FA09AA/AB/AC (49ATVCYLINDER07OTLW90)
ENGINE, CYLINDER HEAD - A08FA09AA/AB/AC (49ATVCYLINDERHD07OTLW90)
ENGINE, EXHAUST - A08FA09AA/AB/AC (49ATVEXHAUST07SPRT90)
ENGINE, GENERATOR and STARTING MOTOR - A08FA09AA/AB/AC (49ATVGENERATOR07OTLW90)
ENGINE, KICK START - A08FA09AA/AB/AC (49ATVSTARTER07OTLW90)
ENGINE, KICK START 2 - A08FA09AA/AB/AC (49ATVSTARTER207OTLW90)
ENGINE, OIL PUMP - A08FA09AA/AB/AC (49ATVOILPUMP07OTLW90)
REFERENCES, MANUAL and INFORMATION - A08FA09AA/AB/AC (49ATVOM07OTLW90)
STEERING, HANDLEBAR - A08FA09AA/AB/AC (49ATVHANDLEBAR08SP90)
STEERING, STEERING POST and TIE ROD ASM. - A08FA09AA/AB/AC (49ATVSTEERING07OTLW90)
SUSPENSION, SHOCKS - A08FA09AA/AB/AC (49ATVSUSP08OUT90)
WHEELS, FRONT - A08FA09AA/AB/AC (49ATVWHEELFRT07SPRT90)
WHEELS, REAR - A08FA09AA/AB/AC (49ATVWHEELREAR07SPRT90)
WHEELS, REAR AXLE - A08FA09AA/AB/AC (4999202399920239B14)
VIEW WISH LIST