Greenville, TX
|
Give Us a Call
(903) 454-4440
Toggle navigation
Home
Brands
Manufacturer Models
OEM Promotions
Polaris
Can-Am
E-Z-Go
Honda
Kawasaki
Suzuki
Inventory
All Inventory In Stock
New Inventory In Stock
Used Inventory
Value Your Trade-In
Request a Model
Schedule a Test Ride
Secure Financing
Parts
Parts Department
Parts Finder
Service
Service Department
Request Polaris Service
Warranty & Recall Look-Up
Specials
Financing
About
Our Dealership
Our Team
Reviews
Customer Survey
Employment
Events Calendar
Locations
Location & Hours
Contact
Parts Finder
Home
›
Parts
›
Parts Finder
Search by :
Part / Desc
VIN
Please Select
Arctic Cat
Honda
Kawasaki
Polaris
Suzuki
*Please enter at least 3 characters
SEARCH
Manufacturer
Polaris
ATVs
2007
SPORTSMAN 90 (A07FA09AA/AB)
VIEW WISH LIST
Select a Section
Show/Hide
AIR CLEANER - A07FA09AA/AB (49ATVAIRBOX07OTLW90)
AXLE, REAR WHEEL - A07FA09AA/AB (4999202399920239B14)
BRAKE, FRONT - A07FA09AA/AB (4999202399920239B11)
BRAKE, REAR - A07FA09AA/AB (49ATVBRAKERR07OTLW90)
BUMPER - A07FA09AA/AB (49ATVBUMPER07SPRT90)
CAB/SEAT - A07FA09AA/AB (49ATVCAB07SPRT90)
CAM CHAIN - A07FA09AA/AB (49ATVCAMCHAIN07OTLW90)
CHAIN - A07FA09AA/AB (49ATVCHAIN07OTLW90)
DECALS - A07FA09AA/AB (49ATVDECAL07SPRT90)
DRIVE PULLEY, PRIMARY - A07FA09AA/AB (49ATVPRIMARY07OTLW90)
DRIVE PULLEY, SECONDARY - A07FA09AA/AB (49ATVSECONDARY07OTLW90)
ELECTRICAL PARTS - A07FA09AA/AB (49ATVELECT07OTLW90)
ENGINE, CARBURETOR - A07FA09AA/AB (49ATVCARB07OTLW90)
ENGINE, CRANKCASE - A07FA09AA/AB (49ATVCRANKCASE07OTLW90)
ENGINE, CRANKCASE COVER, LH - A07FA09AA/AB (49ATVCRANKCASECVRLH07OTLW90)
ENGINE, CRANKCASE COVER, RH - A07FA09AA/AB (49ATVCRANKCASECVRRH07OTLW90)
ENGINE, CRANKSHAFT and PISTON - A07FA09AA/AB (49ATVCRANKSHAFT07OTLW90)
ENGINE, CYLINDER - A07FA09AA/AB (49ATVCYLINDER07OTLW90)
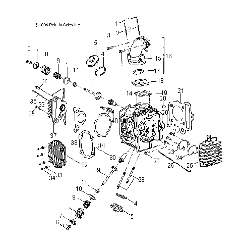
ENGINE, CYLINDER HEAD - A07FA09AA/AB (49ATVCYLINDERHD07OTLW90)
ENGINE, KICK START - A07FA09AA/AB (49ATVSTARTER07OTLW90)
ENGINE, KICK START 2 - A07FA09AA/AB (49ATVSTARTER207OTLW90)
ENGINE, OIL PUMP - A07FA09AA/AB (49ATVOILPUMP07OTLW90)
EXHAUST PIPE - A07FA09AA/AB (49ATVEXHAUST07SPRT90)
FRAME BODY - A07FA09AA/AB (49ATVFRAME07SPRT90)
FUEL TANK - A07FA09AA/AB (49ATVFUEL07SPRT90)
GENERATOR/STARTING MOTOR - A07FA09AA/AB (49ATVGENERATOR07OTLW90)
HANDLEBAR - A07FA09AA/AB (49ATVHANDLEBAR07SPRT90)
OWNERS MANUAL - A07FA09AA/AB (49ATVOM07OTLW90)
STEERING - A07FA09AA/AB (49ATVSTEERING07OTLW90)
SUSPENSION, SHOCKS - A07FA09AA/AB (49ATVSUSP08OUT90)
SWING ARM/FOOTREST - A07FA09AA/AB (49ATVSUSPFRT07SPRT90)
TAILLIGHT - A07FA09AA/AB (49ATVHEADLIGHT07SPRT90)
TRANSMISSION - A07FA09AA/AB (49ATVTRANSMISSION07OTLW90)
TRANSMISSION, SHIFT LEVER - A07FA09AA/AB (49ATVSHIFT07OTLW90)
WHEEL, FRONT - A07FA09AA/AB (49ATVWHEELFRT07SPRT90)
WHEEL, REAR - A07FA09AA/AB (49ATVWHEELREAR07SPRT90)
AIR CLEANER - A07FA09AA/AB (49ATVAIRBOX07OTLW90)
AXLE, REAR WHEEL - A07FA09AA/AB (4999202399920239B14)
BRAKE, FRONT - A07FA09AA/AB (4999202399920239B11)
BRAKE, REAR - A07FA09AA/AB (49ATVBRAKERR07OTLW90)
BUMPER - A07FA09AA/AB (49ATVBUMPER07SPRT90)
CAB/SEAT - A07FA09AA/AB (49ATVCAB07SPRT90)
CAM CHAIN - A07FA09AA/AB (49ATVCAMCHAIN07OTLW90)
CHAIN - A07FA09AA/AB (49ATVCHAIN07OTLW90)
DECALS - A07FA09AA/AB (49ATVDECAL07SPRT90)
DRIVE PULLEY, PRIMARY - A07FA09AA/AB (49ATVPRIMARY07OTLW90)
DRIVE PULLEY, SECONDARY - A07FA09AA/AB (49ATVSECONDARY07OTLW90)
ELECTRICAL PARTS - A07FA09AA/AB (49ATVELECT07OTLW90)
ENGINE, CARBURETOR - A07FA09AA/AB (49ATVCARB07OTLW90)
ENGINE, CRANKCASE - A07FA09AA/AB (49ATVCRANKCASE07OTLW90)
ENGINE, CRANKCASE COVER, LH - A07FA09AA/AB (49ATVCRANKCASECVRLH07OTLW90)
ENGINE, CRANKCASE COVER, RH - A07FA09AA/AB (49ATVCRANKCASECVRRH07OTLW90)
ENGINE, CRANKSHAFT and PISTON - A07FA09AA/AB (49ATVCRANKSHAFT07OTLW90)
ENGINE, CYLINDER - A07FA09AA/AB (49ATVCYLINDER07OTLW90)
ENGINE, CYLINDER HEAD - A07FA09AA/AB (49ATVCYLINDERHD07OTLW90)
ENGINE, KICK START - A07FA09AA/AB (49ATVSTARTER07OTLW90)
ENGINE, KICK START 2 - A07FA09AA/AB (49ATVSTARTER207OTLW90)
ENGINE, OIL PUMP - A07FA09AA/AB (49ATVOILPUMP07OTLW90)
EXHAUST PIPE - A07FA09AA/AB (49ATVEXHAUST07SPRT90)
FRAME BODY - A07FA09AA/AB (49ATVFRAME07SPRT90)
FUEL TANK - A07FA09AA/AB (49ATVFUEL07SPRT90)
GENERATOR/STARTING MOTOR - A07FA09AA/AB (49ATVGENERATOR07OTLW90)
HANDLEBAR - A07FA09AA/AB (49ATVHANDLEBAR07SPRT90)
OWNERS MANUAL - A07FA09AA/AB (49ATVOM07OTLW90)
STEERING - A07FA09AA/AB (49ATVSTEERING07OTLW90)
SUSPENSION, SHOCKS - A07FA09AA/AB (49ATVSUSP08OUT90)
SWING ARM/FOOTREST - A07FA09AA/AB (49ATVSUSPFRT07SPRT90)
TAILLIGHT - A07FA09AA/AB (49ATVHEADLIGHT07SPRT90)
TRANSMISSION - A07FA09AA/AB (49ATVTRANSMISSION07OTLW90)
TRANSMISSION, SHIFT LEVER - A07FA09AA/AB (49ATVSHIFT07OTLW90)
WHEEL, FRONT - A07FA09AA/AB (49ATVWHEELFRT07SPRT90)
WHEEL, REAR - A07FA09AA/AB (49ATVWHEELREAR07SPRT90)
VIEW WISH LIST