Greenville, TX
|
Give Us a Call
(903) 454-4440
Toggle navigation
Home
Brands
Manufacturer Models
OEM Promotions
Polaris
Can-Am
E-Z-Go
Honda
Kawasaki
Suzuki
Inventory
All Inventory In Stock
New Inventory In Stock
Used Inventory
Value Your Trade-In
Request a Model
Schedule a Test Ride
Secure Financing
Parts
Parts Department
Parts Finder
Service
Service Department
Request Polaris Service
Warranty & Recall Look-Up
Specials
Financing
About
Our Dealership
Our Team
Reviews
Customer Survey
Employment
Events Calendar
Locations
Location & Hours
Contact
Parts Finder
Home
›
Parts
›
Parts Finder
Search by :
Part / Desc
VIN
Please Select
Arctic Cat
Honda
Kawasaki
Polaris
Suzuki
*Please enter at least 3 characters
SEARCH
Manufacturer
Arctic Cat
Utility Vehicles
2024
WILDCAT XX LTD EPS 50 BLACK [U2024WBX1PCAO]
VIEW WISH LIST
Select a Section
Show/Hide
AIR INTAKE ASSEMBLY [302832]
ALTERNATOR ASSEMBLY [303828]
BELT COOLING AND CLUTCH COVER ASSEMBLY [305523]
CAMSHAFT, CHAIN, AND VALVE ASSEMBLY [302854]
CARGO BOX AND REAR BODY ASSEMBLY [304076]
CARGO BOX SHIELD [305663]
CLUTCH ASSEMBLIES [305791]
CONSOLE AND FLOOR PANEL ASSEMBLY [304075]
COOLING ASSEMBLY [304504]
CRANKCASE ASSEMBLY [302855]
CYLINDER HEAD ASSEMBLY [302853]
DASH ASSEMBLY [304074]
DECALS [305793]
DOOR ASSEMBLY [304301]
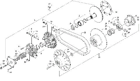
DRIVE TRAIN ASSEMBLY [305518]
ENGINE AND RELATED PARTS [305662]
FRAME AND RELATED PARTS [305789]
FRONT AND REAR BUMPER ASSEMBLIES [305622]
FRONT AND SIDE PANEL ASSEMBLIES [304298]
FRONT DRIVE GEARCASE ASSEMBLY [305615]
FRONT SUSPENSION ASSEMBLY [305620]
GAS TANK ASSEMBLY/FUEL VAPOR RECOVERY [303395]
HYDRAULIC BRAKE ASSEMBLY [304503]
INTAKE MANIFOLD ASSEMBLY [303394]
MAGNETO AND COVER ASSEMBLY [302859]
OIL PAN ASSEMBLY [302860]
OIL PUMP ASSEMBLY [106468]
OIL SYSTEM ASSEMBLY [304506]
PISTON AND CRANKSHAFT ASSEMBLY [302856]
REAR SUSPENSION ASSEMBLY [305660]
ROPS ASSEMBLY [304300]
SEAT AND SEAT BELT ASSEMBLY [304312]
SHIFTER ASSEMBLY [305609]
STARTER MOTOR ASSEMBLY [302857]
STEERING ASSEMBLY [305790]
TRANSAXLE ASSEMBLY [305612]
TRANSAXLE CASE/COVER [305611]
WATER PUMP AND THERMOSTAT ASSEMBLY [303261]
WHEEL AND TIRE ASSEMBLY [304081]
WIRE HARNESS AND RELATED [304505]
AIR INTAKE ASSEMBLY [302832]
ALTERNATOR ASSEMBLY [303828]
BELT COOLING AND CLUTCH COVER ASSEMBLY [305523]
CAMSHAFT, CHAIN, AND VALVE ASSEMBLY [302854]
CARGO BOX AND REAR BODY ASSEMBLY [304076]
CARGO BOX SHIELD [305663]
CLUTCH ASSEMBLIES [305791]
CONSOLE AND FLOOR PANEL ASSEMBLY [304075]
COOLING ASSEMBLY [304504]
CRANKCASE ASSEMBLY [302855]
CYLINDER HEAD ASSEMBLY [302853]
DASH ASSEMBLY [304074]
DECALS [305793]
DOOR ASSEMBLY [304301]
DRIVE TRAIN ASSEMBLY [305518]
ENGINE AND RELATED PARTS [305662]
FRAME AND RELATED PARTS [305789]
FRONT AND REAR BUMPER ASSEMBLIES [305622]
FRONT AND SIDE PANEL ASSEMBLIES [304298]
FRONT DRIVE GEARCASE ASSEMBLY [305615]
FRONT SUSPENSION ASSEMBLY [305620]
GAS TANK ASSEMBLY/FUEL VAPOR RECOVERY [303395]
HYDRAULIC BRAKE ASSEMBLY [304503]
INTAKE MANIFOLD ASSEMBLY [303394]
MAGNETO AND COVER ASSEMBLY [302859]
OIL PAN ASSEMBLY [302860]
OIL PUMP ASSEMBLY [106468]
OIL SYSTEM ASSEMBLY [304506]
PISTON AND CRANKSHAFT ASSEMBLY [302856]
REAR SUSPENSION ASSEMBLY [305660]
ROPS ASSEMBLY [304300]
SEAT AND SEAT BELT ASSEMBLY [304312]
SHIFTER ASSEMBLY [305609]
STARTER MOTOR ASSEMBLY [302857]
STEERING ASSEMBLY [305790]
TRANSAXLE ASSEMBLY [305612]
TRANSAXLE CASE/COVER [305611]
WATER PUMP AND THERMOSTAT ASSEMBLY [303261]
WHEEL AND TIRE ASSEMBLY [304081]
WIRE HARNESS AND RELATED [304505]
VIEW WISH LIST