Greenville, TX
|
Give Us a Call
(903) 454-4440
Toggle navigation
Home
Brands
Manufacturer Models
OEM Promotions
Polaris
Can-Am
E-Z-Go
Honda
Kawasaki
Suzuki
Inventory
All Inventory In Stock
New Inventory In Stock
Used Inventory
Value Your Trade-In
Request a Model
Schedule a Test Ride
Secure Financing
Parts
Parts Department
Parts Finder
Service
Service Department
Request Polaris Service
Warranty & Recall Look-Up
Specials
Financing
About
Our Dealership
Our Team
Reviews
Customer Survey
Employment
Events Calendar
Locations
Location & Hours
Contact
Parts Finder
Home
›
Parts
›
Parts Finder
Search by :
Part / Desc
VIN
Please Select
Arctic Cat
Honda
Kawasaki
Polaris
Suzuki
*Please enter at least 3 characters
SEARCH
Manufacturer
Arctic Cat
Utility Vehicles
2021
WILDCAT XX EPS CA WHITE/GREEN [U2021RGX1PCAW]
VIEW WISH LIST
Select a Section
Show/Hide
AIR INTAKE ASSEMBLY [302832]
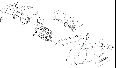
ALTERNATOR ASSEMBLY [303828]
BELT COOLING AND CLUTCH COVER ASSEMBLY [302841]
CAMSHAFT, CHAIN, AND VALVE ASSEMBLY [302854]
CARGO BOX AND REAR BODY ASSEMBLY [303653]
CARGO BOX SHIELD [302843]
CLUTCH ASSEMBLIES [303657]
CONSOLE AND FLOOR PANEL ASSEMBLY [303449]
COOLING ASSEMBLY [302834]
CRANKCASE ASSEMBLY [302855]
CYLINDER HEAD ASSEMBLY [302853]
DASH ASSEMBLY (SER # 300100 AND BELOW) [303822]
DASH ASSEMBLY (SER # 300101 AND ABOVE) [303946]
DASH ASSEMBLY [303822]
DECALS [303829]
DOOR ASSEMBLY [303389]
DRIVE TRAIN ASSEMBLY [302835]
ENGINE AND RELATED PARTS [303656]
FRAME AND RELATED PARTS [302823]
FRONT AND SIDE PANEL ASSEMBLIES [303650]
FRONT DRIVE GEARCASE ASSEMBLY [302836]
FRONT SUSPENSION ASSEMBLY [303390]
GAS TANK ASSEMBLY [303395]
GAS TANK ASSEMBLY/FUEL VAPOR RECOVERY [303395]
HYDRAULIC BRAKE ASSEMBLY [303256]
INTAKE MANIFOLD ASSEMBLY [303394]
MAGNETO AND COVER ASSEMBLY [302859]
OIL PAN ASSEMBLY [302860]
OIL PUMP ASSEMBLY [106468]
OIL SYSTEM ASSEMBLY [302840]
PISTON AND CRANKSHAFT ASSEMBLY [302856]
REAR SUSPENSION ASSEMBLY [303655]
ROPS ASSEMBLY [303251]
SEAT AND SEAT BELT ASSEMBLY [303583]
SHIFTER ASSEMBLY [303257]
STARTER MOTOR ASSEMBLY [302857]
STEERING ASSEMBLY (SER # 300497 AND BELOW) [304168]
STEERING ASSEMBLY (SER # 300498 AND ABOVE) [304169]
STEERING ASSEMBLY [303823]
TRANSAXLE ASSEMBLY [303825]
TRANSAXLE CASE/COVER [303824]
WATER PUMP AND THERMOSTAT ASSEMBLY [303261]
WHEEL AND TIRE ASSEMBLY [302829]
WIRE HARNESS AND RELATED (SER # 300100 AND BELOW) [303826]
WIRE HARNESS AND RELATED (SER # 300101 AND ABOVE) [303947]
WIRE HARNESS AND RELATED [303826]
AIR INTAKE ASSEMBLY [302832]
ALTERNATOR ASSEMBLY [303828]
BELT COOLING AND CLUTCH COVER ASSEMBLY [302841]
CAMSHAFT, CHAIN, AND VALVE ASSEMBLY [302854]
CARGO BOX AND REAR BODY ASSEMBLY [303653]
CARGO BOX SHIELD [302843]
CLUTCH ASSEMBLIES [303657]
CONSOLE AND FLOOR PANEL ASSEMBLY [303449]
COOLING ASSEMBLY [302834]
CRANKCASE ASSEMBLY [302855]
CYLINDER HEAD ASSEMBLY [302853]
DASH ASSEMBLY (SER # 300100 AND BELOW) [303822]
DASH ASSEMBLY (SER # 300101 AND ABOVE) [303946]
DASH ASSEMBLY [303822]
DECALS [303829]
DOOR ASSEMBLY [303389]
DRIVE TRAIN ASSEMBLY [302835]
ENGINE AND RELATED PARTS [303656]
FRAME AND RELATED PARTS [302823]
FRONT AND SIDE PANEL ASSEMBLIES [303650]
FRONT DRIVE GEARCASE ASSEMBLY [302836]
FRONT SUSPENSION ASSEMBLY [303390]
GAS TANK ASSEMBLY [303395]
GAS TANK ASSEMBLY/FUEL VAPOR RECOVERY [303395]
HYDRAULIC BRAKE ASSEMBLY [303256]
INTAKE MANIFOLD ASSEMBLY [303394]
MAGNETO AND COVER ASSEMBLY [302859]
OIL PAN ASSEMBLY [302860]
OIL PUMP ASSEMBLY [106468]
OIL SYSTEM ASSEMBLY [302840]
PISTON AND CRANKSHAFT ASSEMBLY [302856]
REAR SUSPENSION ASSEMBLY [303655]
ROPS ASSEMBLY [303251]
SEAT AND SEAT BELT ASSEMBLY [303583]
SHIFTER ASSEMBLY [303257]
STARTER MOTOR ASSEMBLY [302857]
STEERING ASSEMBLY (SER # 300497 AND BELOW) [304168]
STEERING ASSEMBLY (SER # 300498 AND ABOVE) [304169]
STEERING ASSEMBLY [303823]
TRANSAXLE ASSEMBLY [303825]
TRANSAXLE CASE/COVER [303824]
WATER PUMP AND THERMOSTAT ASSEMBLY [303261]
WHEEL AND TIRE ASSEMBLY [302829]
WIRE HARNESS AND RELATED (SER # 300100 AND BELOW) [303826]
WIRE HARNESS AND RELATED (SER # 300101 AND ABOVE) [303947]
WIRE HARNESS AND RELATED [303826]
VIEW WISH LIST