Greenville, TX
|
Give Us a Call
(903) 454-4440
Toggle navigation
Home
Brands
Manufacturer Models
OEM Promotions
Polaris
Can-Am
E-Z-Go
Honda
Kawasaki
Suzuki
Inventory
All Inventory In Stock
New Inventory In Stock
Used Inventory
Value Your Trade-In
Request a Model
Schedule a Test Ride
Secure Financing
Parts
Parts Department
Parts Finder
Service
Service Department
Request Polaris Service
Warranty & Recall Look-Up
Specials
Financing
About
Our Dealership
Our Team
Reviews
Customer Survey
Employment
Events Calendar
Locations
Location & Hours
Contact
Parts Finder
Home
›
Parts
›
Parts Finder
Search by :
Part / Desc
VIN
Please Select
Arctic Cat
Honda
Kawasaki
Polaris
Suzuki
*Please enter at least 3 characters
SEARCH
Manufacturer
Arctic Cat
Utility Vehicles
2020
PROWLER PRO EPS RED [U2020MDV2PUSM]
VIEW WISH LIST
Select a Section
Show/Hide
AIR INTAKE ASSEMBLY [302878]
BELT COOLING AND CLUTCH COVER ASSEMBLY [303666]
BLOCK ASSEMBLY [302911]
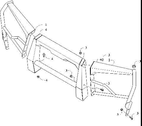
BRUSH GUARD AND GRILLE GUARD [303729]
CARGO BOX ASSEMBLY [303723]
CLUTCH ASSEMBLY [302912]
COOLING ASSEMBLY [302909]
CRANKSHAFT PULLEY AND FLYWHEEL [302891]
DASH ASSEMBLY [303683]
DECALS [303728]
DOOR ASSEMBLY [302876]
DRIVE TRAIN ASSEMBLY [302879]
ENGINE AND EXHAUST ASSEMBLY [302890]
EXHAUST MANIFOLD ASSEMBLY [302894]
FLOOR AND SIDE PANEL ASSEMBLY [302877]
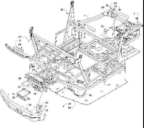
FRAME AND RELATED PARTS [303727]
FRONT BODY ASSEMBLY [303724]
FRONT DRIVE GEARCASE ASSEMBLY [302908]
FRONT SUSPENSION [302886]
FUEL RAIL, COILS, AND SENSORS [302901]
GAS TANK ASSEMBLY [302904]
HEAD ASSEMBLY [302895]
HYDRAULIC BRAKE ASSEMBLY [302910]
INTAKE MANIFOLD ASSEMBLY [302896]
OIL PAN, FILTER, AND DIPSTICK ASSEMBLY [302893]
REAR SUSPENSION [302887]
ROPS AND SEAT BELT ASSEMBLY [303688]
SEAT ASSEMBLY [302884]
STARTER AND ALTERNATOR ASSEMBLY [302892]
STEERING AND SHIFT ASSEMBLY [303684]
TILT FRAME [303722]
TIMING BELT AND COVER ASSEMBLY [302897]
TRANSAXLE ASSEMBLY [302906]
TRANSAXLE CASE/COVER [302905]
VALVE COVER ASSEMBLY [302898]
VALVE TRAIN ASSEMBLY [302899]
WATER PUMP AND THERMOSTAT ASSEMBLIES [302900]
WHEEL AND TIRE ASSEMBLY [303726]
WINCH ASSEMBLY [303690]
WIRE HARNESS ASSEMBLY [303725]
AIR INTAKE ASSEMBLY [302878]
BELT COOLING AND CLUTCH COVER ASSEMBLY [303666]
BLOCK ASSEMBLY [302911]
BRUSH GUARD AND GRILLE GUARD [303729]
CARGO BOX ASSEMBLY [303723]
CLUTCH ASSEMBLY [302912]
COOLING ASSEMBLY [302909]
CRANKSHAFT PULLEY AND FLYWHEEL [302891]
DASH ASSEMBLY [303683]
DECALS [303728]
DOOR ASSEMBLY [302876]
DRIVE TRAIN ASSEMBLY [302879]
ENGINE AND EXHAUST ASSEMBLY [302890]
EXHAUST MANIFOLD ASSEMBLY [302894]
FLOOR AND SIDE PANEL ASSEMBLY [302877]
FRAME AND RELATED PARTS [303727]
FRONT BODY ASSEMBLY [303724]
FRONT DRIVE GEARCASE ASSEMBLY [302908]
FRONT SUSPENSION [302886]
FUEL RAIL, COILS, AND SENSORS [302901]
GAS TANK ASSEMBLY [302904]
HEAD ASSEMBLY [302895]
HYDRAULIC BRAKE ASSEMBLY [302910]
INTAKE MANIFOLD ASSEMBLY [302896]
OIL PAN, FILTER, AND DIPSTICK ASSEMBLY [302893]
REAR SUSPENSION [302887]
ROPS AND SEAT BELT ASSEMBLY [303688]
SEAT ASSEMBLY [302884]
STARTER AND ALTERNATOR ASSEMBLY [302892]
STEERING AND SHIFT ASSEMBLY [303684]
TILT FRAME [303722]
TIMING BELT AND COVER ASSEMBLY [302897]
TRANSAXLE ASSEMBLY [302906]
TRANSAXLE CASE/COVER [302905]
VALVE COVER ASSEMBLY [302898]
VALVE TRAIN ASSEMBLY [302899]
WATER PUMP AND THERMOSTAT ASSEMBLIES [302900]
WHEEL AND TIRE ASSEMBLY [303726]
WINCH ASSEMBLY [303690]
WIRE HARNESS ASSEMBLY [303725]
VIEW WISH LIST