Greenville, TX
|
Give Us a Call
(903) 454-4440
Toggle navigation
Home
Brands
Manufacturer Models
OEM Promotions
Polaris
Can-Am
E-Z-Go
Honda
Kawasaki
Suzuki
Inventory
All Inventory In Stock
New Inventory In Stock
Used Inventory
Value Your Trade-In
Request a Model
Schedule a Test Ride
Secure Financing
Parts
Parts Department
Parts Finder
Service
Service Department
Request Polaris Service
Warranty & Recall Look-Up
Specials
Financing
About
Our Dealership
Our Team
Reviews
Customer Survey
Employment
Events Calendar
Locations
Location & Hours
Contact
Parts Finder
Home
›
Parts
›
Parts Finder
Search by :
Part / Desc
VIN
Please Select
Arctic Cat
Honda
Kawasaki
Polaris
Suzuki
*Please enter at least 3 characters
SEARCH
Manufacturer
Arctic Cat
Utility Vehicles
2019
WILDCAT SPORT XT EPS BLUE INTERNATIONAL [U2019W7T2POSE]
VIEW WISH LIST
Select a Section
Show/Hide
ACCELERATOR ASSEMBLY [301618]
AIR INTAKE ASSEMBLY [302684]
BATTERY AND STARTER MOTOR ASSEMBLY [302951]
CARGO BOX AND TAILLIGHT ASSEMBLY [302943]
CASE/BELT COOLING AND CLUTCH COVER ASSEMBLY [300020]
CLUTCH ASSEMBLIES [302952]
CONSOLE AND FLOOR PANEL ASSEMBLY [302748]
COOLING ASSEMBLY [301621]
CRANKCASE ASSEMBLY [300033]
CRANKSHAFT AND PISTON ASSEMBLY [300034]
CYLINDER AND TIMING CHAIN ASSEMBLY [300031]
CYLINDER HEAD AND CAMSHAFT/VALVE ASSEMBLY [302928]
DASH ASSEMBLY [302942]
DECALS [302953]
DOOR ASSEMBLY [302945]
ENGINE AND EXHAUST [302931]
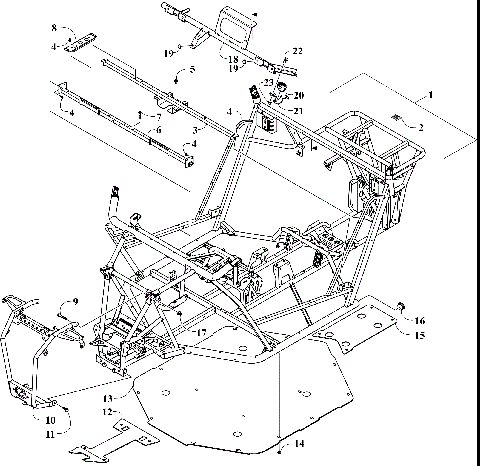
FRAME AND RELATED PARTS [302944]
FRONT AND SIDE PANEL ASSEMBLIES [302941]
FRONT DRIVE GEARCASE ASSEMBLY [302934]
FRONT DRIVE SYSTEM ASSEMBLY [302692]
FRONT SUSPENSION ASSEMBLY [302946]
GAS TANK ASSEMBLY [302935]
HEADLIGHTS [302936]
HYDRAULIC BRAKE ASSEMBLY [302949]
MAGNETO AND PTO COVERS [300039]
MAGNETO ASSEMBLY [300037]
OIL PAN AND STRAINER ASSEMBLY [300035]
OIL PUMP AND WATER PUMP ASSEMBLIES [300036]
REAR DRIVE SYSTEM ASSEMBLY [301058]
REAR SUSPENSION ASSEMBLY [302947]
ROPS ASSEMBLY [302695]
SEAT ASSEMBLY [302937]
SHIFTER ASSEMBLY [302938]
STEERING ASSEMBLY [302751]
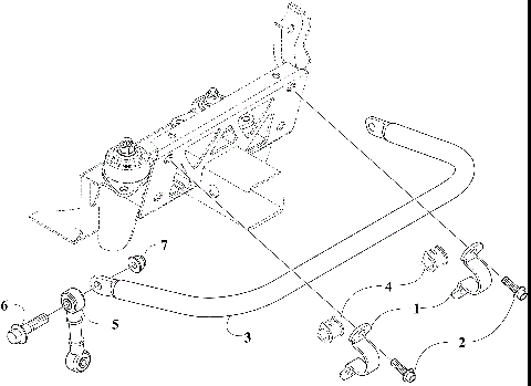
SWAY BAR ASSEMBLY [302754]
THROTTLE BODY ASSEMBLY [302698]
TRANSAXLE ASSEMBLY [301064]
TRANSAXLE CASE/COVER [301915]
WHEEL AND TIRE ASSEMBLY [302948]
WIRING HARNESS ASSEMBLY [302950]
ACCELERATOR ASSEMBLY [301618]
AIR INTAKE ASSEMBLY [302684]
BATTERY AND STARTER MOTOR ASSEMBLY [302951]
CARGO BOX AND TAILLIGHT ASSEMBLY [302943]
CASE/BELT COOLING AND CLUTCH COVER ASSEMBLY [300020]
CLUTCH ASSEMBLIES [302952]
CONSOLE AND FLOOR PANEL ASSEMBLY [302748]
COOLING ASSEMBLY [301621]
CRANKCASE ASSEMBLY [300033]
CRANKSHAFT AND PISTON ASSEMBLY [300034]
CYLINDER AND TIMING CHAIN ASSEMBLY [300031]
CYLINDER HEAD AND CAMSHAFT/VALVE ASSEMBLY [302928]
DASH ASSEMBLY [302942]
DECALS [302953]
DOOR ASSEMBLY [302945]
ENGINE AND EXHAUST [302931]
FRAME AND RELATED PARTS [302944]
FRONT AND SIDE PANEL ASSEMBLIES [302941]
FRONT DRIVE GEARCASE ASSEMBLY [302934]
FRONT DRIVE SYSTEM ASSEMBLY [302692]
FRONT SUSPENSION ASSEMBLY [302946]
GAS TANK ASSEMBLY [302935]
HEADLIGHTS [302936]
HYDRAULIC BRAKE ASSEMBLY [302949]
MAGNETO AND PTO COVERS [300039]
MAGNETO ASSEMBLY [300037]
OIL PAN AND STRAINER ASSEMBLY [300035]
OIL PUMP AND WATER PUMP ASSEMBLIES [300036]
REAR DRIVE SYSTEM ASSEMBLY [301058]
REAR SUSPENSION ASSEMBLY [302947]
ROPS ASSEMBLY [302695]
SEAT ASSEMBLY [302937]
SHIFTER ASSEMBLY [302938]
STEERING ASSEMBLY [302751]
SWAY BAR ASSEMBLY [302754]
THROTTLE BODY ASSEMBLY [302698]
TRANSAXLE ASSEMBLY [301064]
TRANSAXLE CASE/COVER [301915]
WHEEL AND TIRE ASSEMBLY [302948]
WIRING HARNESS ASSEMBLY [302950]
VIEW WISH LIST