Greenville, TX
|
Give Us a Call
(903) 454-4440
Toggle navigation
Home
Brands
Manufacturer Models
OEM Promotions
Polaris
Can-Am
E-Z-Go
Honda
Kawasaki
Suzuki
Inventory
All Inventory In Stock
New Inventory In Stock
Used Inventory
Value Your Trade-In
Request a Model
Schedule a Test Ride
Secure Financing
Parts
Parts Department
Parts Finder
Service
Service Department
Request Polaris Service
Warranty & Recall Look-Up
Specials
Financing
About
Our Dealership
Our Team
Reviews
Customer Survey
Employment
Events Calendar
Locations
Location & Hours
Contact
Parts Finder
Home
›
Parts
›
Parts Finder
Search by :
Part / Desc
VIN
Please Select
Arctic Cat
Honda
Kawasaki
Polaris
Suzuki
*Please enter at least 3 characters
SEARCH
Manufacturer
Arctic Cat
Utility Vehicles
2019
HAVOC X
VIEW WISH LIST
Select a Section
Show/Hide
9 GALLON FUEL TANK ASSEMBLY
AIR FILTER
BATTERY
BED CAPACITY LABEL
BED FRAME
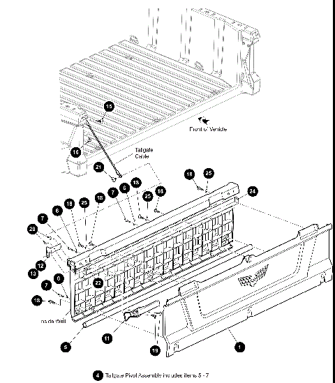
BED LATCH
BRAKES
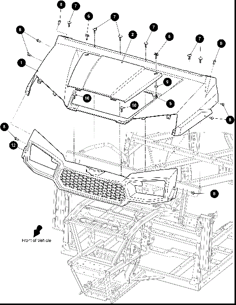
BRUSHGUARD
CANOPY
CARBON CANISTER
CLUTCH COVER LABEL
CLUTCHES CLUTCH COVER
COOLANT HOSE
CTV INLET HOSE
DOOR
DOOR LATCH
ENGINE - COMPLETE
ENGINE CONTROL UNIT
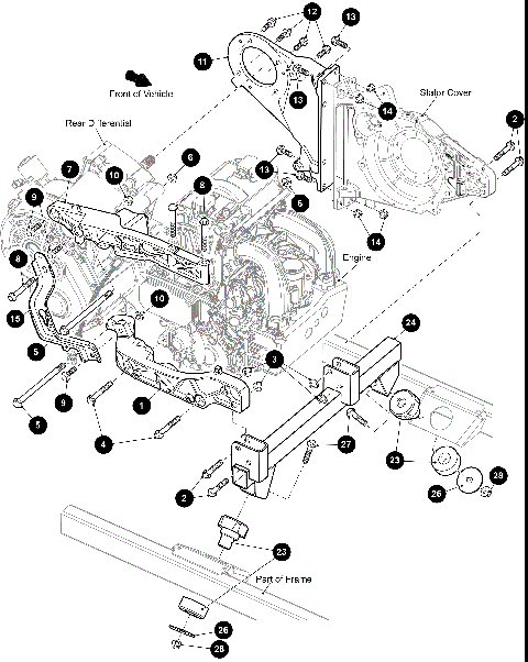
ENGINE MOUNTING
EXHAUST - SEAT HEAT SHIELD
EXHAUST HEAT SHIELDS
FLOORBOARD
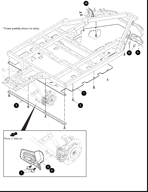
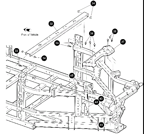
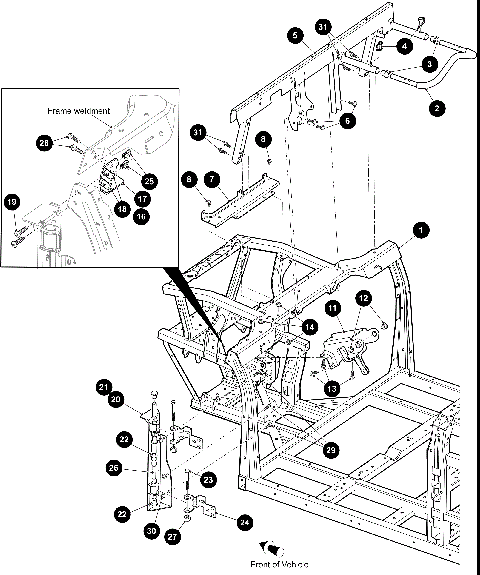
FRAME - FRONT
FRAME - REAR
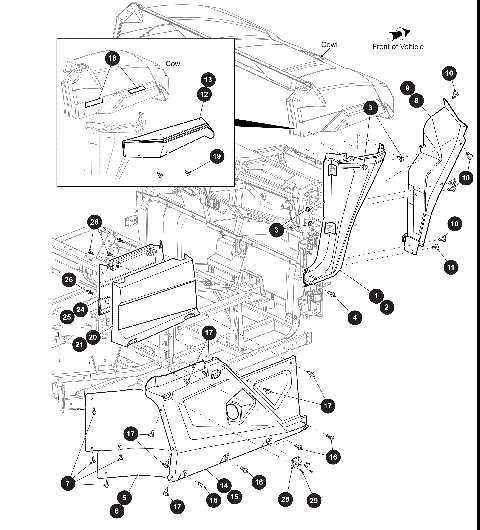
FRAME SHIELD
FRONT CONTROL ARM ASSEMBLY
FRONT DRIVE GEAR CASE AXLES
FRONT FENDER
FRONT SPINDLE ASSEMBLY
FUEL TANK ASSEMBLY
GEAR SHIFTING ASSEMBLY
HEADLIGHT MOUNTING
HEADLIGHTS
HOOD DECALS
HOOD DOOR DECALS
HOOD RACK
HOODGRILLE
INSTRUMENT PANEL
MAIN HARNESS FRONT
MAIN HARNESS REAR
MAINTENANCE LABEL
MUFFLER
PEDALS
POWER STEERING
PROPELLER SHAFT
RADIATOR
RADIATOR HEAT SHIELDS
REAR CONTROL ARM ASSEMBLY
REAR DRIVE GEARCASEAXLES
REAR SEAT ASSEMBLY
REAR SPINDLE ASSEMBLY
REAR STABILIZER BAR
ROPS
SAFETY LABELS
SEAT FOAM
SEAT FRAME
SKID GUARD
STEERING RACK ASSEMBLY
STORAGE
TAIL GATE
TRUCK BED ASSEMBLY
WHEELS AND TIRES
WINCH
9 GALLON FUEL TANK ASSEMBLY
AIR FILTER
BATTERY
BED CAPACITY LABEL
BED FRAME
BED LATCH
BRAKES
BRUSHGUARD
CANOPY
CARBON CANISTER
CLUTCH COVER LABEL
CLUTCHES CLUTCH COVER
COOLANT HOSE
CTV INLET HOSE
DOOR
DOOR LATCH
ENGINE - COMPLETE
ENGINE CONTROL UNIT
ENGINE MOUNTING
EXHAUST - SEAT HEAT SHIELD
EXHAUST HEAT SHIELDS
FLOORBOARD
FRAME - FRONT
FRAME - REAR
FRAME SHIELD
FRONT CONTROL ARM ASSEMBLY
FRONT DRIVE GEAR CASE AXLES
FRONT FENDER
FRONT SPINDLE ASSEMBLY
FUEL TANK ASSEMBLY
GEAR SHIFTING ASSEMBLY
HEADLIGHT MOUNTING
HEADLIGHTS
HOOD DECALS
HOOD DOOR DECALS
HOOD RACK
HOODGRILLE
INSTRUMENT PANEL
MAIN HARNESS FRONT
MAIN HARNESS REAR
MAINTENANCE LABEL
MUFFLER
PEDALS
POWER STEERING
PROPELLER SHAFT
RADIATOR
RADIATOR HEAT SHIELDS
REAR CONTROL ARM ASSEMBLY
REAR DRIVE GEARCASEAXLES
REAR SEAT ASSEMBLY
REAR SPINDLE ASSEMBLY
REAR STABILIZER BAR
ROPS
SAFETY LABELS
SEAT FOAM
SEAT FRAME
SKID GUARD
STEERING RACK ASSEMBLY
STORAGE
TAIL GATE
TRUCK BED ASSEMBLY
WHEELS AND TIRES
WINCH
VIEW WISH LIST