Greenville, TX
|
Give Us a Call
(903) 454-4440
Toggle navigation
Home
Brands
Manufacturer Models
OEM Promotions
Polaris
Can-Am
E-Z-Go
Honda
Kawasaki
Suzuki
Inventory
All Inventory In Stock
New Inventory In Stock
Used Inventory
Value Your Trade-In
Request a Model
Schedule a Test Ride
Secure Financing
Parts
Parts Department
Parts Finder
Service
Service Department
Request Polaris Service
Warranty & Recall Look-Up
Specials
Financing
About
Our Dealership
Our Team
Reviews
Customer Survey
Employment
Events Calendar
Locations
Location & Hours
Contact
Parts Finder
Home
›
Parts
›
Parts Finder
Search by :
Part / Desc
VIN
Please Select
Arctic Cat
Honda
Kawasaki
Polaris
Suzuki
*Please enter at least 3 characters
SEARCH
Manufacturer
Arctic Cat
Utility Vehicles
2019
CUSHMAN HAULER 4X4 EPS (DIESEL) GRAY [U2019C2X3PUSL]
VIEW WISH LIST
Select a Section
Show/Hide
ACCELERATOR ASSEMBLY [303055]
AIR INLET MANIFOLD / AIR FILTER / ACCESSORIES [303088]
AIR INTAKE ASSEMBLY [303062]
BELT COOLING AND CLUTCH COVER ASSEMBLY [303059]
BELT GUARD [303094]
BREATHER SYSTEM [303082]
CAMSHAFT [303078]
CARGO BOX ASSEMBLY [303171]
CLUTCH ASSEMBLY [303182]
CONTROLS [303086]
COOLING ASSEMBLY [303114]
CRANKCASE/OIL FILTER/OIL DIPSTICK [303089]
CRANKSHAFT [303083]
CYLINDER HEAD [303093]
CYLINDER HEAD/FUEL FEED PUMP [303093]
DASH ASSEMBLY [303179]
DECALS [303178]
DOOR ASSEMBLY [302876]
DRIVE TRAIN ASSEMBLY [302879]
ENGINE AND EXHAUST ASSEMBLY [303081]
ENGINE BELL / BACKPLATE [303092]
EXHAUST GAS MANIFOLD / ACCESSORIES [303110]
FLOOR AND SIDE PANEL ASSEMBLY [302877]
FLY WHEEL/FLYWHEEL SIDE SUPPORT [303087]
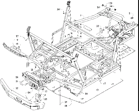
FRAME AND RELATED PARTS [302882]
FRONT BODY ASSEMBLY [303173]
FRONT DRIVE GEARCASE ASSEMBLY [302908]
FRONT SUSPENSION [302886]
FUEL FILTER/ELECTROVALVE AND FUEL PIPING [303085]
FUEL TANK ASSEMBLY [303098]
GLOW PLUGS ASSEMBLY [303096]
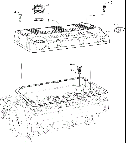
HEAD COVER/OIL PRESSURE SWITCH [303095]
HYDRAULIC BRAKE ASSEMBLY [303116]
HYDRAULIC PUMP ADAPTER ON 3RD PTO [303090]
INJECTION SYSTEM [303097]
OIL COOLER [303084]
OIL PAN [303103]
OIL PUMP [303101]
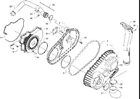
PULLEYS/BELT/SPEED GOVERNOR/TIMING GEAR ASSEMBLIES [303091]
REAR SUSPENSION [302887]
ROCKER ARMS/VALVES [303099]
ROPS AND SEAT BELT ASSEMBLY [303181]
SEAT ASSEMBLY [302884]
STARTER MOTOR [303076]
STEERING AND SHIFT ASSEMBLY [302885]
TILT FRAME [302915]
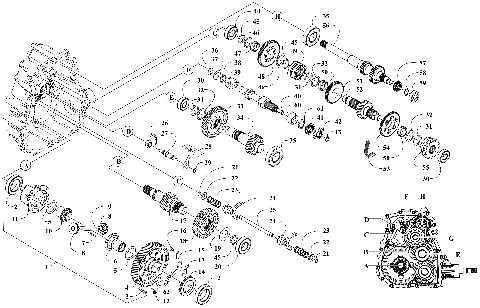
TRANSAXLE ASSEMBLY [302906]
TRANSAXLE CASE/COVER [302905]
VOLTAGE ALTERNATOR [303112]
WATER INLET FLANGE/THERMOSTAT/HOSES FOR WATER COOLER [303106]
WATER PUMP [303108]
WHEEL AND TIRE ASSEMBLY [303107]
WIRING HARNESS / CONTROL UNIT [303218]
ACCELERATOR ASSEMBLY [303055]
AIR INLET MANIFOLD / AIR FILTER / ACCESSORIES [303088]
AIR INTAKE ASSEMBLY [303062]
BELT COOLING AND CLUTCH COVER ASSEMBLY [303059]
BELT GUARD [303094]
BREATHER SYSTEM [303082]
CAMSHAFT [303078]
CARGO BOX ASSEMBLY [303171]
CLUTCH ASSEMBLY [303182]
CONTROLS [303086]
COOLING ASSEMBLY [303114]
CRANKCASE/OIL FILTER/OIL DIPSTICK [303089]
CRANKSHAFT [303083]
CYLINDER HEAD [303093]
CYLINDER HEAD/FUEL FEED PUMP [303093]
DASH ASSEMBLY [303179]
DECALS [303178]
DOOR ASSEMBLY [302876]
DRIVE TRAIN ASSEMBLY [302879]
ENGINE AND EXHAUST ASSEMBLY [303081]
ENGINE BELL / BACKPLATE [303092]
EXHAUST GAS MANIFOLD / ACCESSORIES [303110]
FLOOR AND SIDE PANEL ASSEMBLY [302877]
FLY WHEEL/FLYWHEEL SIDE SUPPORT [303087]
FRAME AND RELATED PARTS [302882]
FRONT BODY ASSEMBLY [303173]
FRONT DRIVE GEARCASE ASSEMBLY [302908]
FRONT SUSPENSION [302886]
FUEL FILTER/ELECTROVALVE AND FUEL PIPING [303085]
FUEL TANK ASSEMBLY [303098]
GLOW PLUGS ASSEMBLY [303096]
HEAD COVER/OIL PRESSURE SWITCH [303095]
HYDRAULIC BRAKE ASSEMBLY [303116]
HYDRAULIC PUMP ADAPTER ON 3RD PTO [303090]
INJECTION SYSTEM [303097]
OIL COOLER [303084]
OIL PAN [303103]
OIL PUMP [303101]
PULLEYS/BELT/SPEED GOVERNOR/TIMING GEAR ASSEMBLIES [303091]
REAR SUSPENSION [302887]
ROCKER ARMS/VALVES [303099]
ROPS AND SEAT BELT ASSEMBLY [303181]
SEAT ASSEMBLY [302884]
STARTER MOTOR [303076]
STEERING AND SHIFT ASSEMBLY [302885]
TILT FRAME [302915]
TRANSAXLE ASSEMBLY [302906]
TRANSAXLE CASE/COVER [302905]
VOLTAGE ALTERNATOR [303112]
WATER INLET FLANGE/THERMOSTAT/HOSES FOR WATER COOLER [303106]
WATER PUMP [303108]
WHEEL AND TIRE ASSEMBLY [303107]
WIRING HARNESS / CONTROL UNIT [303218]
VIEW WISH LIST