Greenville, TX
|
Give Us a Call
(903) 454-4440
Toggle navigation
Home
Brands
Manufacturer Models
OEM Promotions
Polaris
Can-Am
E-Z-Go
Honda
Kawasaki
Suzuki
Inventory
All Inventory In Stock
New Inventory In Stock
Used Inventory
Value Your Trade-In
Request a Model
Schedule a Test Ride
Secure Financing
Parts
Parts Department
Parts Finder
Service
Service Department
Request Polaris Service
Warranty & Recall Look-Up
Specials
Financing
About
Our Dealership
Our Team
Reviews
Customer Survey
Employment
Events Calendar
Locations
Location & Hours
Contact
Parts Finder
Home
›
Parts
›
Parts Finder
Search by :
Part / Desc
VIN
Please Select
Arctic Cat
Honda
Kawasaki
Polaris
Suzuki
*Please enter at least 3 characters
SEARCH
Manufacturer
Arctic Cat
Utility Vehicles
2018
STAMPEDE 4 BLACK / INFERNO RED / TT KANATI [U2018SUW1SUSP / U2018SUW1SUSN / U2018SUW1SUSH]
VIEW WISH LIST
Select a Section
Show/Hide
9 GALLON FUEL TANK ASSEMBLY [302418]
AIR FILTER [302382]
BATTERY [302408]
BED CAPACITY LABEL [302440]
BED FRAME [302433]
BED LATCH [302434]
BRAKES [302451]
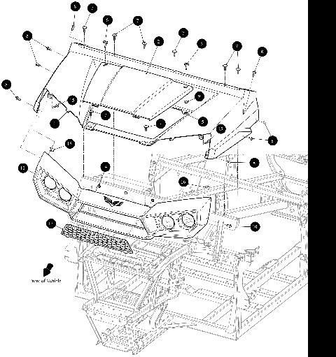
BRUSHGUARD [302385]
CARBON CANISTER [302420]
CLUTCH COVER LABEL [302481]
CLUTCHES / CLUTCH COVER [302401]
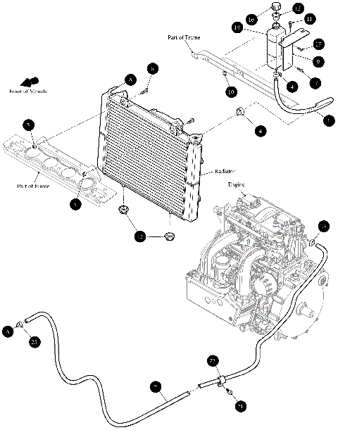
COOLANT HOSE [302456]
COOLANT LINE ASSEMBLY [302457]
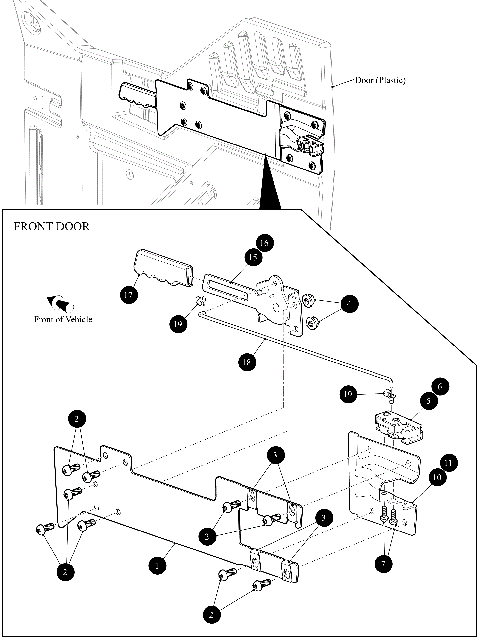
COVER PLATE, DOOR LATCH - FRONT DOOR [302447]
DOOR [302446]
DOOR LATCH - REAR DOOR [302448]
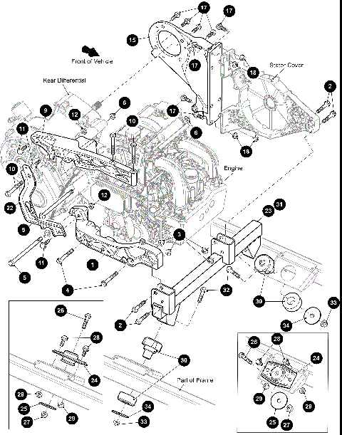
ENGINE - COMPLETE [302399]
ENGINE CONTROL UNIT [302460]
ENGINE MOUNTING [302454]
EXHAUST - SEAT HEAT SHIELD [302465]
EXHAUST HEAT SHIELDS [302464]
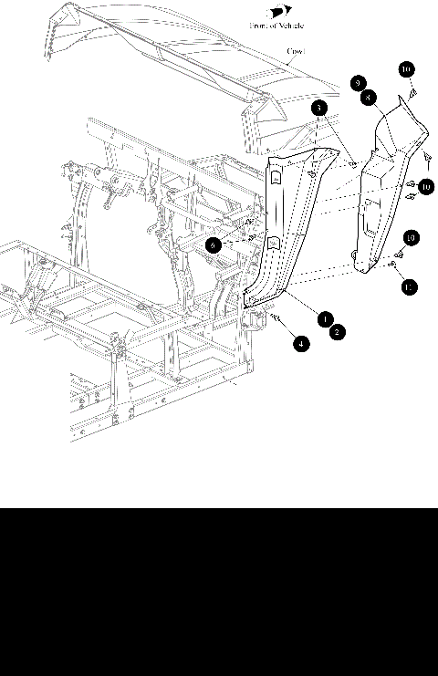
FRAME - FRONT [302416]
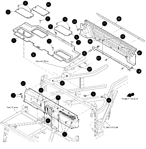
FRAME - REAR [302470]
FRAME - SEAT UPRIGHT [302469]
FRAME SHIELD [302386]
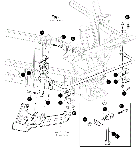
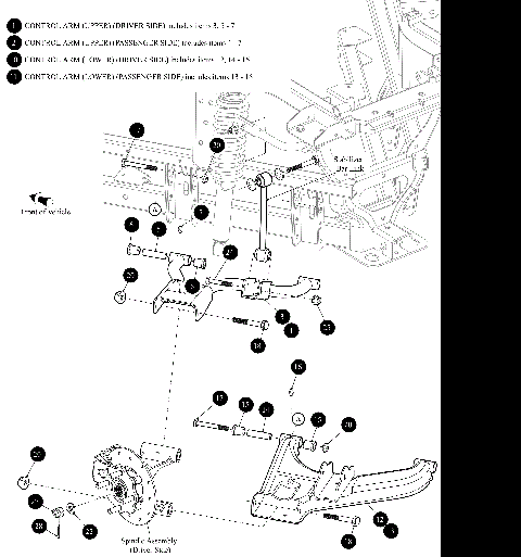
FRONT CONTROL ARM ASSEMBLY [302471]
FRONT DRIVE GEARCASEAXLES [302397]
FRONT FENDER [302444]
FRONT FLOORBOARD [302449]
FRONT SEAT ASSEMBLY [302474]
FRONT SEAT FRAME [302476]
FRONT SPINDLE ASSEMBLY [302424]
FUEL TANK ASSEMBLY [302419]
GEAR SHIFTING ASSEMBLY [302452]
HEADLIGHTS [302459]
HOODDOOR DECALS [302479]
HOODGRILLE [302442]
HOODSTEERING DECALS [302480]
INSTRUMENT PANEL [302392]
MAIN HARNESS FRONT [302461]
MAIN HARNESS REAR [302462]
MAINTENANCE LABEL [302441]
MUFFLER [302463]
PEDALS [302395]
POWER STEERING [302422]
PROPELLER SHAFT [302453]
RADIATOR [302404]
RADIATOR HEAT SHIELDS [302458]
REAR CONTROL ARM ASSEMBLY [302473]
REAR DRIVE GEARCASEAXLES [302455]
REAR FLOORBOARD [302450]
REAR SEAT ASSEMBLY [302475]
REAR SEAT FRAME [302477]
REAR SPINDLE ASSEMBLY [302426]
ROPS - EXTENDED CAB WELDMENT [302468]
ROPS - SIDE VERTICAL BAR [302467]
ROPS - SIDE WELDMENT [302466]
SAFETY LABELS [302436]
SEAT FOAM [302393]
SHOCK ABSORBERS [302472]
SIDE PANEL [302445]
SKID GUARD [302443]
STEERING RACK ASSEMBLY [302423]
STORAGE [302383]
TAILGATE [302432]
TRUCK BED ASSEMBLY [302478]
WHEELS AND TIRES [302435]
9 GALLON FUEL TANK ASSEMBLY [302418]
AIR FILTER [302382]
BATTERY [302408]
BED CAPACITY LABEL [302440]
BED FRAME [302433]
BED LATCH [302434]
BRAKES [302451]
BRUSHGUARD [302385]
CARBON CANISTER [302420]
CLUTCH COVER LABEL [302481]
CLUTCHES / CLUTCH COVER [302401]
COOLANT HOSE [302456]
COOLANT LINE ASSEMBLY [302457]
COVER PLATE, DOOR LATCH - FRONT DOOR [302447]
DOOR [302446]
DOOR LATCH - REAR DOOR [302448]
ENGINE - COMPLETE [302399]
ENGINE CONTROL UNIT [302460]
ENGINE MOUNTING [302454]
EXHAUST - SEAT HEAT SHIELD [302465]
EXHAUST HEAT SHIELDS [302464]
FRAME - FRONT [302416]
FRAME - REAR [302470]
FRAME - SEAT UPRIGHT [302469]
FRAME SHIELD [302386]
FRONT CONTROL ARM ASSEMBLY [302471]
FRONT DRIVE GEARCASEAXLES [302397]
FRONT FENDER [302444]
FRONT FLOORBOARD [302449]
FRONT SEAT ASSEMBLY [302474]
FRONT SEAT FRAME [302476]
FRONT SPINDLE ASSEMBLY [302424]
FUEL TANK ASSEMBLY [302419]
GEAR SHIFTING ASSEMBLY [302452]
HEADLIGHTS [302459]
HOODDOOR DECALS [302479]
HOODGRILLE [302442]
HOODSTEERING DECALS [302480]
INSTRUMENT PANEL [302392]
MAIN HARNESS FRONT [302461]
MAIN HARNESS REAR [302462]
MAINTENANCE LABEL [302441]
MUFFLER [302463]
PEDALS [302395]
POWER STEERING [302422]
PROPELLER SHAFT [302453]
RADIATOR [302404]
RADIATOR HEAT SHIELDS [302458]
REAR CONTROL ARM ASSEMBLY [302473]
REAR DRIVE GEARCASEAXLES [302455]
REAR FLOORBOARD [302450]
REAR SEAT ASSEMBLY [302475]
REAR SEAT FRAME [302477]
REAR SPINDLE ASSEMBLY [302426]
ROPS - EXTENDED CAB WELDMENT [302468]
ROPS - SIDE VERTICAL BAR [302467]
ROPS - SIDE WELDMENT [302466]
SAFETY LABELS [302436]
SEAT FOAM [302393]
SHOCK ABSORBERS [302472]
SIDE PANEL [302445]
SKID GUARD [302443]
STEERING RACK ASSEMBLY [302423]
STORAGE [302383]
TAILGATE [302432]
TRUCK BED ASSEMBLY [302478]
WHEELS AND TIRES [302435]
VIEW WISH LIST