Greenville, TX
|
Give Us a Call
(903) 454-4440
Toggle navigation
Home
Brands
Manufacturer Models
OEM Promotions
Polaris
Can-Am
E-Z-Go
Honda
Kawasaki
Suzuki
Inventory
All Inventory In Stock
New Inventory In Stock
Used Inventory
Value Your Trade-In
Request a Model
Schedule a Test Ride
Secure Financing
Parts
Parts Department
Parts Finder
Service
Service Department
Request Polaris Service
Warranty & Recall Look-Up
Specials
Financing
About
Our Dealership
Our Team
Reviews
Customer Survey
Employment
Events Calendar
Locations
Location & Hours
Contact
Parts Finder
Home
›
Parts
›
Parts Finder
Search by :
Part / Desc
VIN
Please Select
Arctic Cat
Honda
Kawasaki
Polaris
Suzuki
*Please enter at least 3 characters
SEARCH
Manufacturer
Arctic Cat
Utility Vehicles
2017
STAMPEDE XTR XT EPS FOREST GREEN [U2017S3W1SUST]
VIEW WISH LIST
Select a Section
Show/Hide
9 GALLON FUEL TANK ASSEMBLY [302418]
AIR FILTER [302484]
BATTERY [302408]
BED CAPACITY LABEL [302520]
BED FRAME [302542]
BED LATCH [302516]
BRAKES [302451]
BRUSHGUARD [302487]
CLUTCH COVER LABEL [302519]
CLUTCHES/CLUTCH COVER [302496]
COOLANT HOSE [302529]
COOLANT LINE ASSEMBLY [302530]
COVER PLATE, DOOR LATCH - FRONT DOOR [302447]
DOOR [302524]
DOOR LATCH - REAR DOOR [302525]
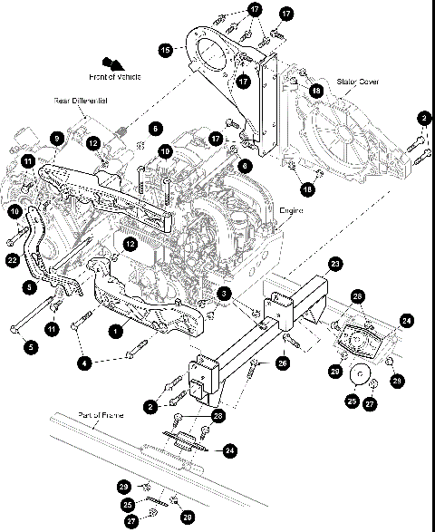
ENGINE - COMPLETE [302495]
ENGINE CONTROL UNIT [302501]
ENGINE MOUNTING [302454]
EXHAUST - SEAT HEAT SHIELD [302506]
EXHAUST HEAT SHIELDS [302505]
FLOORBOARD [302491]
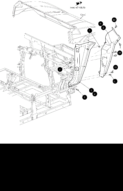
FRAME - FRONT [302508]
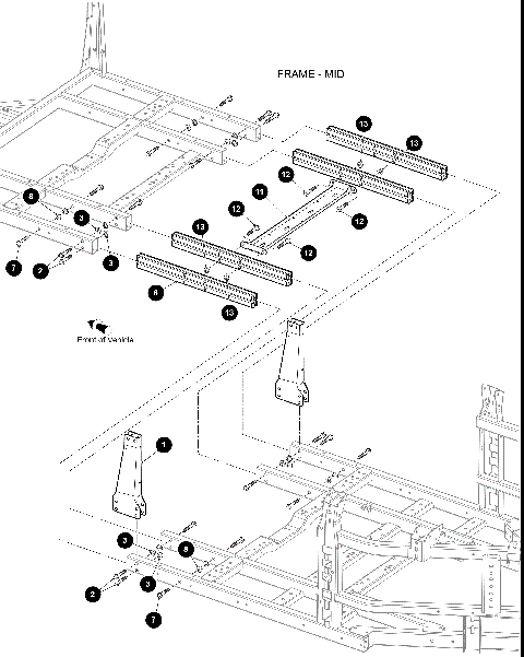
FRAME - REAR [302470]
FRAME - SEAT UPRIGHT [302469]
FRAME SHIELD [302386]
FRONT CONTROL ARM ASSEMBLY [302537]
FRONT DRIVE GEARCASE/AXLES [302397]
FRONT FENDER/SIDE PANEL [302522]
FRONT SEAT FRAME [302541]
FRONT SPINDLE ASSEMBLY [302424]
GEAR SHIFTING ASSEMBLY [302528]
HEADLIGHTS [302531]
HOOD/DOOR DECALS [302543]
HOOD/GRILLE [302486]
INSTRUMENT PANEL [302527]
MAIN HARNESS FRONT [302532]
MAIN HARNESS REAR [302533]
MUFFLER [302504]
PEDALS [302395]
POWER STEERING [302422]
PROPELLER SHAFT [302398]
RADIATOR [302497]
RADIATOR HEAT SHIELDS [302499]
REAR CONTROL ARM ASSEMBLY [302473]
REAR DRIVE GEARCASE/AXLES [302455]
REAR FLOORBOARD [302526]
REAR SEAT ASSEMBLY [302540]
REAR SEAT FRAME [302477]
REAR SPINDLE ASSEMBLY [302426]
ROPS - EXTENDED CAB WELDMENT [302536]
ROPS - SIDE VERTICAL BAR [302535]
ROPS [302534]
SAFETY LABELS [302436]
SEAT ASSEMBLY [302539]
SEAT FOAM [302393]
SHOCK ABSORBERS [302538]
SIDE PANEL [302523]
SKID GUARD [302521]
STEERING RACK ASSEMBLY [302423]
STORAGE [302485]
TAILGATE [302514]
TRUCK BED ASSEMBLY [302431]
WHEELS AND TIRES [302517]
9 GALLON FUEL TANK ASSEMBLY [302418]
AIR FILTER [302484]
BATTERY [302408]
BED CAPACITY LABEL [302520]
BED FRAME [302542]
BED LATCH [302516]
BRAKES [302451]
BRUSHGUARD [302487]
CLUTCH COVER LABEL [302519]
CLUTCHES/CLUTCH COVER [302496]
COOLANT HOSE [302529]
COOLANT LINE ASSEMBLY [302530]
COVER PLATE, DOOR LATCH - FRONT DOOR [302447]
DOOR [302524]
DOOR LATCH - REAR DOOR [302525]
ENGINE - COMPLETE [302495]
ENGINE CONTROL UNIT [302501]
ENGINE MOUNTING [302454]
EXHAUST - SEAT HEAT SHIELD [302506]
EXHAUST HEAT SHIELDS [302505]
FLOORBOARD [302491]
FRAME - FRONT [302508]
FRAME - REAR [302470]
FRAME - SEAT UPRIGHT [302469]
FRAME SHIELD [302386]
FRONT CONTROL ARM ASSEMBLY [302537]
FRONT DRIVE GEARCASE/AXLES [302397]
FRONT FENDER/SIDE PANEL [302522]
FRONT SEAT FRAME [302541]
FRONT SPINDLE ASSEMBLY [302424]
GEAR SHIFTING ASSEMBLY [302528]
HEADLIGHTS [302531]
HOOD/DOOR DECALS [302543]
HOOD/GRILLE [302486]
INSTRUMENT PANEL [302527]
MAIN HARNESS FRONT [302532]
MAIN HARNESS REAR [302533]
MUFFLER [302504]
PEDALS [302395]
POWER STEERING [302422]
PROPELLER SHAFT [302398]
RADIATOR [302497]
RADIATOR HEAT SHIELDS [302499]
REAR CONTROL ARM ASSEMBLY [302473]
REAR DRIVE GEARCASE/AXLES [302455]
REAR FLOORBOARD [302526]
REAR SEAT ASSEMBLY [302540]
REAR SEAT FRAME [302477]
REAR SPINDLE ASSEMBLY [302426]
ROPS - EXTENDED CAB WELDMENT [302536]
ROPS - SIDE VERTICAL BAR [302535]
ROPS [302534]
SAFETY LABELS [302436]
SEAT ASSEMBLY [302539]
SEAT FOAM [302393]
SHOCK ABSORBERS [302538]
SIDE PANEL [302523]
SKID GUARD [302521]
STEERING RACK ASSEMBLY [302423]
STORAGE [302485]
TAILGATE [302514]
TRUCK BED ASSEMBLY [302431]
WHEELS AND TIRES [302517]
VIEW WISH LIST