Greenville, TX
|
Give Us a Call
(903) 454-4440
Toggle navigation
Home
Brands
Manufacturer Models
OEM Promotions
Polaris
Can-Am
E-Z-Go
Honda
Kawasaki
Suzuki
Inventory
All Inventory In Stock
New Inventory In Stock
Used Inventory
Value Your Trade-In
Request a Model
Schedule a Test Ride
Secure Financing
Parts
Parts Department
Parts Finder
Service
Service Department
Request Polaris Service
Warranty & Recall Look-Up
Specials
Financing
About
Our Dealership
Our Team
Reviews
Customer Survey
Employment
Events Calendar
Locations
Location & Hours
Contact
Parts Finder
Home
›
Parts
›
Parts Finder
Search by :
Part / Desc
VIN
Please Select
Arctic Cat
Honda
Kawasaki
Polaris
Suzuki
*Please enter at least 3 characters
SEARCH
Manufacturer
Arctic Cat
Utility Vehicles
2017
STAMPEDE XT EPS INFERNO RED [U2017S1W1SUSN]
VIEW WISH LIST
Select a Section
Show/Hide
9 GALLON FUEL TANK ASSEMBLY [302418]
AIR FILTER [302484]
BATTERY [302408]
BED CAPACITY LABEL [302520]
BED FRAME [302515]
BED LATCH [302516]
BRAKES [302493]
BRUSHGUARD [302487]
CLUTCH COVER LABEL [302519]
CLUTCHES/CLUTCH COVER [302496]
COOLANT HOSE [302498]
DOOR [302490]
DOOR LATCH [302390]
ENGINE - COMPLETE [302495]
ENGINE CONTROL UNIT [302501]
ENGINE MOUNTING [302400]
EXHAUST - SEAT HEAT SHIELD [302506]
EXHAUST HEAT SHIELDS [302505]
FLOORBOARD [302491]
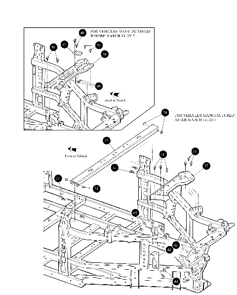
FRAME - FRONT [302508]
FRAME - REAR [302509]
FRAME SHIELD [302386]
FRONT CONTROL ARM ASSEMBLY [302510]
FRONT DRIVE GEARCASE/AXLES [302397]
FRONT FENDER/SIDE PANEL [302489]
FRONT SPINDLE ASSEMBLY [302424]
GEAR SHIFTING ASSEMBLY [302494]
HEADLIGHTS [302500]
HOOD/DOOR DECALS [302518]
HOOD/GRILLE [302486]
INSTRUMENT PANEL [302492]
MAIN HARNESS FRONT [302502]
MAIN HARNESS REAR [302503]
MUFFLER [302504]
PEDALS [302395]
POWER STEERING [302422]
PROPELLER SHAFT [302398]
RADIATOR [302497]
RADIATOR HEAT SHIELDS [302499]
REAR CONTROL ARM ASSEMBLY [302428]
REAR DRIVE GEARCASE/AXLES [302403]
REAR SPINDLE ASSEMBLY [302426]
ROPS [302507]
SAFETY LABELS [302436]
SEAT ASSEMBLY [302512]
SEAT FOAM [302393]
SEAT FRAME [302513]
SHOCK ABSORBERS [302511]
SKID GUARD [302488]
STEERING RACK [302421]
STEERING RACK ASSEMBLY [302423]
STORAGE [302485]
TAILGATE [302514]
TRUCK BED ASSEMBLY [302431]
WHEELS AND TIRES [302517]
9 GALLON FUEL TANK ASSEMBLY [302418]
AIR FILTER [302484]
BATTERY [302408]
BED CAPACITY LABEL [302520]
BED FRAME [302515]
BED LATCH [302516]
BRAKES [302493]
BRUSHGUARD [302487]
CLUTCH COVER LABEL [302519]
CLUTCHES/CLUTCH COVER [302496]
COOLANT HOSE [302498]
DOOR [302490]
DOOR LATCH [302390]
ENGINE - COMPLETE [302495]
ENGINE CONTROL UNIT [302501]
ENGINE MOUNTING [302400]
EXHAUST - SEAT HEAT SHIELD [302506]
EXHAUST HEAT SHIELDS [302505]
FLOORBOARD [302491]
FRAME - FRONT [302508]
FRAME - REAR [302509]
FRAME SHIELD [302386]
FRONT CONTROL ARM ASSEMBLY [302510]
FRONT DRIVE GEARCASE/AXLES [302397]
FRONT FENDER/SIDE PANEL [302489]
FRONT SPINDLE ASSEMBLY [302424]
GEAR SHIFTING ASSEMBLY [302494]
HEADLIGHTS [302500]
HOOD/DOOR DECALS [302518]
HOOD/GRILLE [302486]
INSTRUMENT PANEL [302492]
MAIN HARNESS FRONT [302502]
MAIN HARNESS REAR [302503]
MUFFLER [302504]
PEDALS [302395]
POWER STEERING [302422]
PROPELLER SHAFT [302398]
RADIATOR [302497]
RADIATOR HEAT SHIELDS [302499]
REAR CONTROL ARM ASSEMBLY [302428]
REAR DRIVE GEARCASE/AXLES [302403]
REAR SPINDLE ASSEMBLY [302426]
ROPS [302507]
SAFETY LABELS [302436]
SEAT ASSEMBLY [302512]
SEAT FOAM [302393]
SEAT FRAME [302513]
SHOCK ABSORBERS [302511]
SKID GUARD [302488]
STEERING RACK [302421]
STEERING RACK ASSEMBLY [302423]
STORAGE [302485]
TAILGATE [302514]
TRUCK BED ASSEMBLY [302431]
WHEELS AND TIRES [302517]
VIEW WISH LIST