Greenville, TX
|
Give Us a Call
(903) 454-4440
Toggle navigation
Home
Brands
Manufacturer Models
OEM Promotions
Polaris
Can-Am
E-Z-Go
Honda
Kawasaki
Suzuki
Inventory
All Inventory In Stock
New Inventory In Stock
Used Inventory
Value Your Trade-In
Request a Model
Schedule a Test Ride
Secure Financing
Parts
Parts Department
Parts Finder
Service
Service Department
Request Polaris Service
Warranty & Recall Look-Up
Specials
Financing
About
Our Dealership
Our Team
Reviews
Customer Survey
Employment
Events Calendar
Locations
Location & Hours
Contact
Parts Finder
Home
›
Parts
›
Parts Finder
Search by :
Part / Desc
VIN
Please Select
Arctic Cat
Honda
Kawasaki
Polaris
Suzuki
*Please enter at least 3 characters
SEARCH
Manufacturer
Arctic Cat
Utility Vehicles
2016
WILDCAT TRAIL SE EPS Orange/Camo (US), Orange/Camo Intl (OS)
VIEW WISH LIST
Select a Section
Show/Hide
ACCELERATOR ASSEMBLY
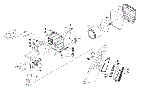
AIR INTAKE ASSEMBLY
BATTERY AND STARTER MOTOR ASSEMBLY
CARGO BOX AND TAILLIGHT ASSEMBLY
CASE/BELT COOLING AND CLUTCH COVER ASSEMBLIES
CLUTCH ASSEMBLIES
CONSOLE AND FLOOR PANEL ASSEMBLY
COOLING ASSEMBLY
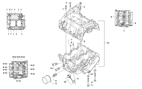
CRANKCASE ASSEMBLY
CRANKSHAFT AND PISTON ASSEMBLY
CYLINDER AND TIMING CHAIN ASSEMBLY
CYLINDER HEAD AND CAMSHAFT/VALVE ASSEMBLY
DASH ASSEMBLY
DOOR ASSEMBLY
ENGINE AND EXHAUST
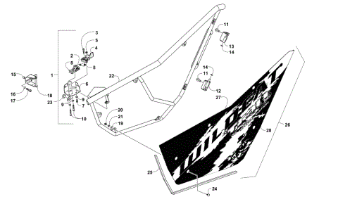
FRAME AND RELATED PARTS
FRONT AND SIDE PANEL ASSEMBLIES
FRONT DRIVE GEARCASE ASSEMBLY
FRONT DRIVE SYSTEM ASSEMBLY
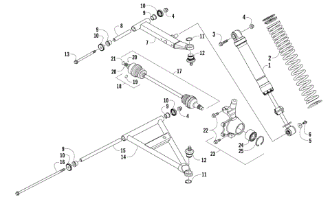
FRONT SUSPENSION ASSEMBLY
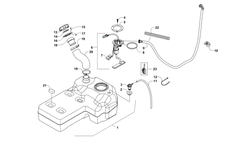
GAS TANK ASSEMBLY
HEADLIGHTS
HYDRAULIC BRAKE ASSEMBLY
MAGNETO AND PTO COVERS
MAGNETO ASSEMBLY
OIL PAN AND STRAINER ASSEMBLY
OIL PUMP AND WATER PUMP ASSEMBLIES
REAR DRIVE SYSTEM {301058]
REAR SUSPENSION ASSEMBLY
ROPS ASSEMBLY
SEAT ASSEMBLY
SHIFTER ASSEMBLY
STEERING ASSEMBLY
SWAY BAR ASSEMBLIES
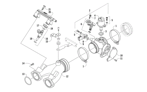
THROTTLE BODY ASSEMBLY
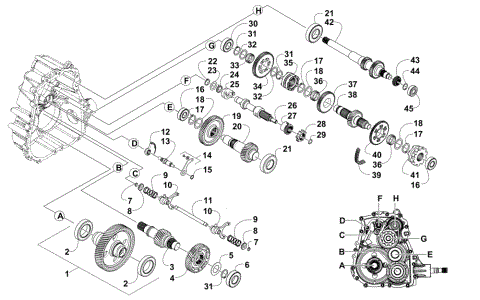
TRANSAXLE ASSEMBLY
TRANSAXLE CASE/COVER
WHEEL AND TIRE ASSEMBLY
WIRING HARNESS ASSEMBLY
ACCELERATOR ASSEMBLY
AIR INTAKE ASSEMBLY
BATTERY AND STARTER MOTOR ASSEMBLY
CARGO BOX AND TAILLIGHT ASSEMBLY
CASE/BELT COOLING AND CLUTCH COVER ASSEMBLIES
CLUTCH ASSEMBLIES
CONSOLE AND FLOOR PANEL ASSEMBLY
COOLING ASSEMBLY
CRANKCASE ASSEMBLY
CRANKSHAFT AND PISTON ASSEMBLY
CYLINDER AND TIMING CHAIN ASSEMBLY
CYLINDER HEAD AND CAMSHAFT/VALVE ASSEMBLY
DASH ASSEMBLY
DOOR ASSEMBLY
ENGINE AND EXHAUST
FRAME AND RELATED PARTS
FRONT AND SIDE PANEL ASSEMBLIES
FRONT DRIVE GEARCASE ASSEMBLY
FRONT DRIVE SYSTEM ASSEMBLY
FRONT SUSPENSION ASSEMBLY
GAS TANK ASSEMBLY
HEADLIGHTS
HYDRAULIC BRAKE ASSEMBLY
MAGNETO AND PTO COVERS
MAGNETO ASSEMBLY
OIL PAN AND STRAINER ASSEMBLY
OIL PUMP AND WATER PUMP ASSEMBLIES
REAR DRIVE SYSTEM {301058]
REAR SUSPENSION ASSEMBLY
ROPS ASSEMBLY
SEAT ASSEMBLY
SHIFTER ASSEMBLY
STEERING ASSEMBLY
SWAY BAR ASSEMBLIES
THROTTLE BODY ASSEMBLY
TRANSAXLE ASSEMBLY
TRANSAXLE CASE/COVER
WHEEL AND TIRE ASSEMBLY
WIRING HARNESS ASSEMBLY
VIEW WISH LIST