Greenville, TX
|
Give Us a Call
(903) 454-4440
Toggle navigation
Home
Brands
Manufacturer Models
OEM Promotions
Polaris
Can-Am
E-Z-Go
Honda
Kawasaki
Suzuki
Inventory
All Inventory In Stock
New Inventory In Stock
Used Inventory
Value Your Trade-In
Request a Model
Schedule a Test Ride
Secure Financing
Parts
Parts Department
Parts Finder
Service
Service Department
Request Polaris Service
Warranty & Recall Look-Up
Specials
Financing
About
Our Dealership
Our Team
Reviews
Customer Survey
Employment
Events Calendar
Locations
Location & Hours
Contact
Parts Finder
Home
›
Parts
›
Parts Finder
Search by :
Part / Desc
VIN
Please Select
Arctic Cat
Honda
Kawasaki
Polaris
Suzuki
*Please enter at least 3 characters
SEARCH
Manufacturer
Arctic Cat
Utility Vehicles
2013
WILDCAT 1000 LTD WHITE
VIEW WISH LIST
Select a Section
Show/Hide
ACCELERATOR ASSEMBLY
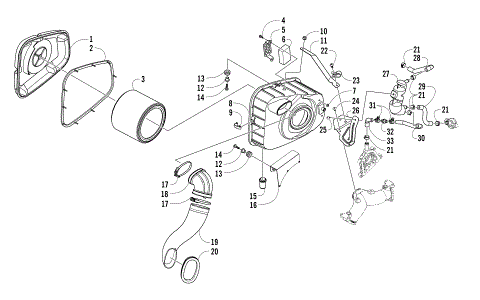
AIR INTAKE ASSEMBLY
BATTERY AND STARTER MOTOR ASSEMBLY
CAM CHAIN ASSEMBLY
CARGO BOX AND TAILLIGHT ASSEMBLY
CASE/BELT COOLING ASSEMBLY
CLUTCH SIDE ENGINE COVERS
CONSOLE AND FLOOR PANEL ASSEMBLY
COOLING ASSEMBLY
CRANKCASE ASSEMBLY
CRANKSHAFT AND PISTON ASSEMBLY
CYLINDER ASSEMBLY
CYLINDER HEAD AND CAMSHAFT/VALVE ASSEMBLY
DASH ASSEMBLY
DOOR ASSEMBLY
DRIVE TRAIN ASSEMBLY
ENGINE AND EXHAUST
FRAME, HEADLIGHTS, AND RELATED PARTS
FRONT AND SIDE PANEL ASSEMBLIES
FRONT DRIVE GEARCASE ASSEMBLY
FRONT SUSPENSION ASSEMBLY
GAS TANK ASSEMBLY
GEAR SHIFTING ASSEMBLY
HYDRAULIC BRAKE ASSEMBLY
MAGNETO ASSEMBLY
MAGNETO SIDE ENGINE COVERS
OIL COOLER ASSEMBLY
OIL PUMP ASSEMBLY
RACK AND PINION ASSEMBLY (SER. # 309156 AND BELOW)
RACK AND PINION ASSEMBLY (SER. # 309157 AND ABOVE)
REAR DRIVE GEARCASE ASSEMBLY
REAR SUSPENSION ASSEMBLY
REAR SUSPENSION SHOCK ASSEMBLY
ROPS ASSEMBLY
SEAT ASSEMBLY
SECONDARY DRIVE ASSEMBLY
SECONDARY TRANSMISSION ASSEMBLY
SHIFTER ASSEMBLY
STARTER CLUTCH ASSEMBLY
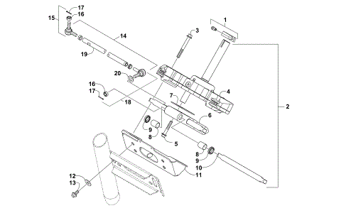
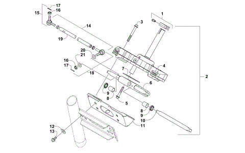
STEERING ASSEMBLY
THROTTLE BODY ASSEMBLY
TRANSMISSION ASSEMBLY
WATER PUMP ASSEMBLY
WHEEL AND TIRE ASSEMBLY
WIRING HARNESS ASSEMBLY
ACCELERATOR ASSEMBLY
AIR INTAKE ASSEMBLY
BATTERY AND STARTER MOTOR ASSEMBLY
CAM CHAIN ASSEMBLY
CARGO BOX AND TAILLIGHT ASSEMBLY
CASE/BELT COOLING ASSEMBLY
CLUTCH SIDE ENGINE COVERS
CONSOLE AND FLOOR PANEL ASSEMBLY
COOLING ASSEMBLY
CRANKCASE ASSEMBLY
CRANKSHAFT AND PISTON ASSEMBLY
CYLINDER ASSEMBLY
CYLINDER HEAD AND CAMSHAFT/VALVE ASSEMBLY
DASH ASSEMBLY
DOOR ASSEMBLY
DRIVE TRAIN ASSEMBLY
ENGINE AND EXHAUST
FRAME, HEADLIGHTS, AND RELATED PARTS
FRONT AND SIDE PANEL ASSEMBLIES
FRONT DRIVE GEARCASE ASSEMBLY
FRONT SUSPENSION ASSEMBLY
GAS TANK ASSEMBLY
GEAR SHIFTING ASSEMBLY
HYDRAULIC BRAKE ASSEMBLY
MAGNETO ASSEMBLY
MAGNETO SIDE ENGINE COVERS
OIL COOLER ASSEMBLY
OIL PUMP ASSEMBLY
RACK AND PINION ASSEMBLY (SER. # 309156 AND BELOW)
RACK AND PINION ASSEMBLY (SER. # 309157 AND ABOVE)
REAR DRIVE GEARCASE ASSEMBLY
REAR SUSPENSION ASSEMBLY
REAR SUSPENSION SHOCK ASSEMBLY
ROPS ASSEMBLY
SEAT ASSEMBLY
SECONDARY DRIVE ASSEMBLY
SECONDARY TRANSMISSION ASSEMBLY
SHIFTER ASSEMBLY
STARTER CLUTCH ASSEMBLY
STEERING ASSEMBLY
THROTTLE BODY ASSEMBLY
TRANSMISSION ASSEMBLY
WATER PUMP ASSEMBLY
WHEEL AND TIRE ASSEMBLY
WIRING HARNESS ASSEMBLY
VIEW WISH LIST