Greenville, TX
|
Give Us a Call
(903) 454-4440
Toggle navigation
Home
Brands
Manufacturer Models
OEM Promotions
Polaris
Can-Am
E-Z-Go
Honda
Kawasaki
Suzuki
Inventory
All Inventory In Stock
New Inventory In Stock
Used Inventory
Value Your Trade-In
Request a Model
Schedule a Test Ride
Secure Financing
Parts
Parts Department
Parts Finder
Service
Service Department
Request Polaris Service
Warranty & Recall Look-Up
Specials
Financing
About
Our Dealership
Our Team
Reviews
Customer Survey
Employment
Events Calendar
Locations
Location & Hours
Contact
Parts Finder
Home
›
Parts
›
Parts Finder
Search by :
Part / Desc
VIN
Please Select
Arctic Cat
Honda
Kawasaki
Polaris
Suzuki
*Please enter at least 3 characters
SEARCH
Manufacturer
Arctic Cat
Snowmobiles
2026
ZR 858 137 EXT EPS G8 PINNACLE [S2026COJEPUSF]
VIEW WISH LIST
Select a Section
Show/Hide
A-ARM AND SWAY BAR ASSEMBLY [111206]
BATTERY ASSEMBLY [110520]
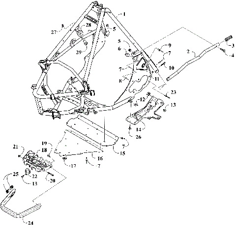
CHASSIS - FRONT FRAME [111270]
CHASSIS - TUNNEL [111271]
CONSOLE ASSEMBLY [111273]
COOLING ASSEMBLY [111052]
CRANKCASE ASSEMBLY [111046]
CYLINDER AND HEAD ASSEMBLY [111055]
DECALS [111276]
DRIVE CLUTCH [111217]
DRIVE TRAIN SHAFTS AND BRAKE ASSEMBLIES [111208]
DRIVEN CLUTCH [111218]
ELECTRICAL COMPONENTS [111274]
ELECTRICAL COMPONENTS, GARMIN AND ATAC [111278]
ENGINE AND RELATED PARTS [111185]
EXHAUST ASSEMBLY [110922]
FRONT SUSPENSION SHOCK ABSORBER ASSEMBLY [111265]
GAS TANK AND FUEL PUMP ASSEMBLY [110891]
HANDLEBAR AND CONTROLS [110563]
HOOD ASSEMBLY [111272]
HYDRAULIC BRAKE CONTROL ASSEMBLY [110882]
IDLER WHEEL ASSEMBLY [110969]
INTAKE ASSEMBLY [110888]
MAGNETO [110903]
OIL TANK ASSEMBLY [110884]
PISTON AND CRANKSHAFT [110899]
REAR BUMPER [111277]
REAR SUSPENSION ARM ASSEMBLIES [111268]
REAR SUSPENSION SHOCK ABSORBERS [111269]
RECOIL STARTER [111152]
REED VALVE ASSEMBLY [110900]
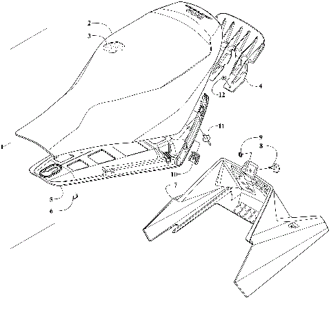
SEAT ASSEMBLY [111275]
SIDE PANEL ASSEMBLY [110518]
SKI AND SPINDLE ASSEMBLY [111264]
SKID PLATE AND FOOTWELL ASSEMBLIES [111062]
SLIDE RAIL AND TRACK ASSEMBLY [111267]
STARTER MOTOR ASSEMBLY [111224]
STEERING POST ASSEMBLY [111266]
THROTTLE BODY ASSEMBLY [110901]
VENT PANEL ASSEMBLIES [111061]
WATER PUMP ASSEMBLY [110902]
A-ARM AND SWAY BAR ASSEMBLY [111206]
BATTERY ASSEMBLY [110520]
CHASSIS - FRONT FRAME [111270]
CHASSIS - TUNNEL [111271]
CONSOLE ASSEMBLY [111273]
COOLING ASSEMBLY [111052]
CRANKCASE ASSEMBLY [111046]
CYLINDER AND HEAD ASSEMBLY [111055]
DECALS [111276]
DRIVE CLUTCH [111217]
DRIVE TRAIN SHAFTS AND BRAKE ASSEMBLIES [111208]
DRIVEN CLUTCH [111218]
ELECTRICAL COMPONENTS [111274]
ELECTRICAL COMPONENTS, GARMIN AND ATAC [111278]
ENGINE AND RELATED PARTS [111185]
EXHAUST ASSEMBLY [110922]
FRONT SUSPENSION SHOCK ABSORBER ASSEMBLY [111265]
GAS TANK AND FUEL PUMP ASSEMBLY [110891]
HANDLEBAR AND CONTROLS [110563]
HOOD ASSEMBLY [111272]
HYDRAULIC BRAKE CONTROL ASSEMBLY [110882]
IDLER WHEEL ASSEMBLY [110969]
INTAKE ASSEMBLY [110888]
MAGNETO [110903]
OIL TANK ASSEMBLY [110884]
PISTON AND CRANKSHAFT [110899]
REAR BUMPER [111277]
REAR SUSPENSION ARM ASSEMBLIES [111268]
REAR SUSPENSION SHOCK ABSORBERS [111269]
RECOIL STARTER [111152]
REED VALVE ASSEMBLY [110900]
SEAT ASSEMBLY [111275]
SIDE PANEL ASSEMBLY [110518]
SKI AND SPINDLE ASSEMBLY [111264]
SKID PLATE AND FOOTWELL ASSEMBLIES [111062]
SLIDE RAIL AND TRACK ASSEMBLY [111267]
STARTER MOTOR ASSEMBLY [111224]
STEERING POST ASSEMBLY [111266]
THROTTLE BODY ASSEMBLY [110901]
VENT PANEL ASSEMBLIES [111061]
WATER PUMP ASSEMBLY [110902]
VIEW WISH LIST