Greenville, TX
|
Give Us a Call
(903) 454-4440
Toggle navigation
Home
Brands
Manufacturer Models
OEM Promotions
Polaris
Can-Am
E-Z-Go
Honda
Kawasaki
Suzuki
Inventory
All Inventory In Stock
New Inventory In Stock
Used Inventory
Value Your Trade-In
Request a Model
Schedule a Test Ride
Secure Financing
Parts
Parts Department
Parts Finder
Service
Service Department
Request Polaris Service
Warranty & Recall Look-Up
Specials
Financing
About
Our Dealership
Our Team
Reviews
Customer Survey
Employment
Events Calendar
Locations
Location & Hours
Contact
Parts Finder
Home
›
Parts
›
Parts Finder
Search by :
Part / Desc
VIN
Please Select
Arctic Cat
Honda
Kawasaki
Polaris
Suzuki
*Please enter at least 3 characters
SEARCH
Manufacturer
Arctic Cat
Snowmobiles
2024
ZR 9000 THUNDERCAT 137 ATAC EPS GREEN [S2024ZXXTQUSG]
VIEW WISH LIST
Select a Section
Show/Hide
A-ARM AND SWAY BAR ASSEMBLY [107665]
AIR INTAKE ASSEMBLY [109047]
BATTERY AND TRAY ASSEMBLY [104786]
BELT GUARD ASSEMBLY [104541]
BUMPERS AND STORAGE [110318]
CAMSHAFT, CHAIN, AND VALVE ASSEMBLY [104549]
CHAIN CASE ASSEMBLY [109636]
CONSOLE ASSEMBLY [106807]
CONSOLE ASSEMBLY [110315]
COOLING ASSEMBLY [110369]
CRANKCASE ASSEMBLY [104546]
CYLINDER HEAD ASSEMBLY [107711]
DECALS [110317]
DRIVE CLUTCH [109604]
DRIVE TRAIN SHAFTS AND BRAKE ASSEMBLIES [110311]
DRIVEN CLUTCH [109605]
ENGINE AND RELATED PARTS [110233]
EXHAUST ASSEMBLY [106716]
FRONT FRAME ASSEMBLY [109203]
FRONT SUSPENSION SHOCK ABSORBER ASSEMBLY [107764]
FUEL PUMP ASSEMBLY [107708]
GAS TANK ASSEMBLY [108810]
HANDLEBAR AND CONTROLS [110391]
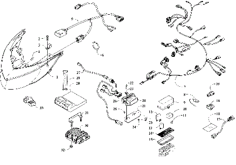
HEADLIGHT AND WIRING ASSEMBLIES [110392]
HOOD ASSEMBLY [110313]
HYDRAULIC BRAKE CONTROL ASSEMBLY [110164]
IDLER WHEEL ASSEMBLY [106456]
MAGNETO AND COVER ASSEMBLY [104555]
OIL PAN ASSEMBLY [104550]
OIL PUMP ASSEMBLY [106598]
OIL TANK ASSEMBLY [108498]
PISTON AND CRANKSHAFT ASSEMBLY [104548]
REAR SUSPENSION FRONT ARM ASSEMBLY [107770]
REAR SUSPENSION FRONT ARM SHOCK ABSORBER [107672]
REAR SUSPENSION REAR ARM ASSEMBLY [107771]
REAR SUSPENSION REAR ARM SHOCK ABSORBER [107651]
SEAT ASSEMBLY [110316]
SIDE PANEL ASSEMBLY [110319]
SKI AND SPINDLE ASSEMBLY [109634]
SKID PLATE ASSEMBLY [106857]
SLIDE RAIL AND TRACK ASSEMBLY [110312]
STARTER MOTOR ASSEMBLY [104556]
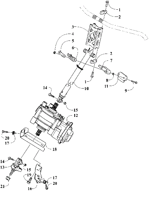
STEERING POST ASSEMBLY [109635]
STEERING SUPPORT ASSEMBLY [109043]
THROTTLE BODY ASSEMBLY [104554]
TIE ROD ASSEMBLY [98682]
TUNNEL AND SNOWFLAP ASSEMBLY [109640]
TURBOCHARGER ASSEMBLY [107712]
WATER PUMP ASSEMBLY [110368]
WINDSHIELD AND INSTRUMENTS ASSEMBLIES [110314]
A-ARM AND SWAY BAR ASSEMBLY [107665]
AIR INTAKE ASSEMBLY [109047]
BATTERY AND TRAY ASSEMBLY [104786]
BELT GUARD ASSEMBLY [104541]
BUMPERS AND STORAGE [110318]
CAMSHAFT, CHAIN, AND VALVE ASSEMBLY [104549]
CHAIN CASE ASSEMBLY [109636]
CONSOLE ASSEMBLY [106807]
CONSOLE ASSEMBLY [110315]
COOLING ASSEMBLY [110369]
CRANKCASE ASSEMBLY [104546]
CYLINDER HEAD ASSEMBLY [107711]
DECALS [110317]
DRIVE CLUTCH [109604]
DRIVE TRAIN SHAFTS AND BRAKE ASSEMBLIES [110311]
DRIVEN CLUTCH [109605]
ENGINE AND RELATED PARTS [110233]
EXHAUST ASSEMBLY [106716]
FRONT FRAME ASSEMBLY [109203]
FRONT SUSPENSION SHOCK ABSORBER ASSEMBLY [107764]
FUEL PUMP ASSEMBLY [107708]
GAS TANK ASSEMBLY [108810]
HANDLEBAR AND CONTROLS [110391]
HEADLIGHT AND WIRING ASSEMBLIES [110392]
HOOD ASSEMBLY [110313]
HYDRAULIC BRAKE CONTROL ASSEMBLY [110164]
IDLER WHEEL ASSEMBLY [106456]
MAGNETO AND COVER ASSEMBLY [104555]
OIL PAN ASSEMBLY [104550]
OIL PUMP ASSEMBLY [106598]
OIL TANK ASSEMBLY [108498]
PISTON AND CRANKSHAFT ASSEMBLY [104548]
REAR SUSPENSION FRONT ARM ASSEMBLY [107770]
REAR SUSPENSION FRONT ARM SHOCK ABSORBER [107672]
REAR SUSPENSION REAR ARM ASSEMBLY [107771]
REAR SUSPENSION REAR ARM SHOCK ABSORBER [107651]
SEAT ASSEMBLY [110316]
SIDE PANEL ASSEMBLY [110319]
SKI AND SPINDLE ASSEMBLY [109634]
SKID PLATE ASSEMBLY [106857]
SLIDE RAIL AND TRACK ASSEMBLY [110312]
STARTER MOTOR ASSEMBLY [104556]
STEERING POST ASSEMBLY [109635]
STEERING SUPPORT ASSEMBLY [109043]
THROTTLE BODY ASSEMBLY [104554]
TIE ROD ASSEMBLY [98682]
TUNNEL AND SNOWFLAP ASSEMBLY [109640]
TURBOCHARGER ASSEMBLY [107712]
WATER PUMP ASSEMBLY [110368]
WINDSHIELD AND INSTRUMENTS ASSEMBLIES [110314]
VIEW WISH LIST