Greenville, TX
|
Give Us a Call
(903) 454-4440
Toggle navigation
Home
Brands
Manufacturer Models
OEM Promotions
Polaris
Can-Am
E-Z-Go
Honda
Kawasaki
Suzuki
Inventory
All Inventory In Stock
New Inventory In Stock
Used Inventory
Value Your Trade-In
Request a Model
Schedule a Test Ride
Secure Financing
Parts
Parts Department
Parts Finder
Service
Service Department
Request Polaris Service
Warranty & Recall Look-Up
Specials
Financing
About
Our Dealership
Our Team
Reviews
Customer Survey
Employment
Events Calendar
Locations
Location & Hours
Contact
Parts Finder
Home
›
Parts
›
Parts Finder
Search by :
Part / Desc
VIN
Please Select
Arctic Cat
Honda
Kawasaki
Polaris
Suzuki
*Please enter at least 3 characters
SEARCH
Manufacturer
Arctic Cat
Snowmobiles
2024
ZR 600 ES 137 IFP (1.25) BLUE [S2024CODIFUSL]
VIEW WISH LIST
Select a Section
Show/Hide
A-ARM AND SWAY BAR ASSEMBLY [110613]
BATTERY ASSEMBLY [110520]
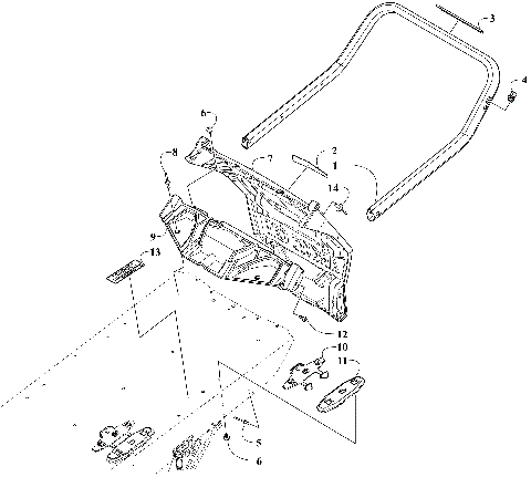
CHASSIS ASSEMBLY [110645]
CONSOLE ASSEMBLY [110630]
COOLING ASSEMBLY [110646]
CRANKCASE ASSEMBLY [110635]
CYLINDER AND HEAD ASSEMBLY [110634]
DECALS [110648]
DRIVE CLUTCH [110576]
DRIVE TRAIN SHAFTS AND BRAKE ASSEMBLIES [110618]
DRIVEN CLUTCH [110577]
ELECTRICAL COMPONENTS [110631]
ENGINE AND RELATED PARTS [110505]
EXHAUST ASSEMBLY [110506]
FRONT SUSPENSION SHOCK ABSORBER ASSEMBLY [110615]
GAS TANK AND FUEL PUMP ASSEMBLY [110502]
GAS TANK AND FUEL PUMP ASSEMBLY [111145]
HANDLEBAR AND CONTROLS [110563]
HOOD ASSEMBLY [110629]
HYDRAULIC BRAKE CONTROL ASSEMBLY [110522]
IDLER WHEEL ASSEMBLY [110675]
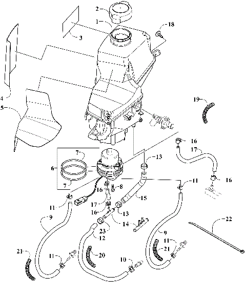
INTAKE ASSEMBLY [110497]
MAGNETO [110516]
OIL TANK ASSEMBLY [110619]
PISTON AND CRANKSHAFT [110511]
REAR BUMPER [110650]
REAR SUSPENSION ARM ASSEMBLIES [110643]
REAR SUSPENSION SHOCK ABSORBERS [110626]
RECOIL STARTER [110515]
REED VALVE ASSEMBLY [110512]
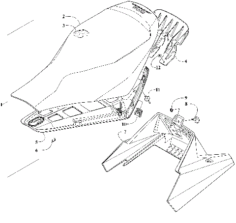
SEAT ASSEMBLY [110632]
SIDE PANEL ASSEMBLY [110518]
SKI AND SPINDLE ASSEMBLY [110612]
SKID PLATE AND FOOTWELL ASSEMBLIES [110573]
SLIDE RAIL AND TRACK ASSEMBLY [110642]
STARTER MOTOR ASSEMBLY [110521]
STEERING POST ASSEMBLY [110617]
THROTTLE BODY ASSEMBLY [110636]
VENT PANEL ASSEMBLIES [110571]
WATER PUMP ASSEMBLY [110514]
A-ARM AND SWAY BAR ASSEMBLY [110613]
BATTERY ASSEMBLY [110520]
CHASSIS ASSEMBLY [110645]
CONSOLE ASSEMBLY [110630]
COOLING ASSEMBLY [110646]
CRANKCASE ASSEMBLY [110635]
CYLINDER AND HEAD ASSEMBLY [110634]
DECALS [110648]
DRIVE CLUTCH [110576]
DRIVE TRAIN SHAFTS AND BRAKE ASSEMBLIES [110618]
DRIVEN CLUTCH [110577]
ELECTRICAL COMPONENTS [110631]
ENGINE AND RELATED PARTS [110505]
EXHAUST ASSEMBLY [110506]
FRONT SUSPENSION SHOCK ABSORBER ASSEMBLY [110615]
GAS TANK AND FUEL PUMP ASSEMBLY [110502]
GAS TANK AND FUEL PUMP ASSEMBLY [111145]
HANDLEBAR AND CONTROLS [110563]
HOOD ASSEMBLY [110629]
HYDRAULIC BRAKE CONTROL ASSEMBLY [110522]
IDLER WHEEL ASSEMBLY [110675]
INTAKE ASSEMBLY [110497]
MAGNETO [110516]
OIL TANK ASSEMBLY [110619]
PISTON AND CRANKSHAFT [110511]
REAR BUMPER [110650]
REAR SUSPENSION ARM ASSEMBLIES [110643]
REAR SUSPENSION SHOCK ABSORBERS [110626]
RECOIL STARTER [110515]
REED VALVE ASSEMBLY [110512]
SEAT ASSEMBLY [110632]
SIDE PANEL ASSEMBLY [110518]
SKI AND SPINDLE ASSEMBLY [110612]
SKID PLATE AND FOOTWELL ASSEMBLIES [110573]
SLIDE RAIL AND TRACK ASSEMBLY [110642]
STARTER MOTOR ASSEMBLY [110521]
STEERING POST ASSEMBLY [110617]
THROTTLE BODY ASSEMBLY [110636]
VENT PANEL ASSEMBLIES [110571]
WATER PUMP ASSEMBLY [110514]
VIEW WISH LIST