Greenville, TX
|
Give Us a Call
(903) 454-4440
Toggle navigation
Home
Brands
Manufacturer Models
OEM Promotions
Polaris
Can-Am
E-Z-Go
Honda
Kawasaki
Suzuki
Inventory
All Inventory In Stock
New Inventory In Stock
Used Inventory
Value Your Trade-In
Request a Model
Schedule a Test Ride
Secure Financing
Parts
Parts Department
Parts Finder
Service
Service Department
Request Polaris Service
Warranty & Recall Look-Up
Specials
Financing
About
Our Dealership
Our Team
Reviews
Customer Survey
Employment
Events Calendar
Locations
Location & Hours
Contact
Parts Finder
Home
›
Parts
›
Parts Finder
Search by :
Part / Desc
VIN
Please Select
Arctic Cat
Honda
Kawasaki
Polaris
Suzuki
*Please enter at least 3 characters
SEARCH
Manufacturer
Arctic Cat
Snowmobiles
2020
LYNX LT BLACK [S2020LXDLTUSB]
VIEW WISH LIST
Select a Section
Show/Hide
A-ARM AND SWAY BAR ASSEMBLY [90549]
AIR SILENCER ASSEMBLY [105470]
BATTERY AND TRAY ASSEMBLY [102989]
BELT GUARD ASSEMBLY [101580]
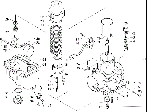
CARBURETOR [106562]
CARBURETOR AND FUEL PUMP ASSEMBLY [104590]
CHASSIS ASSEMBLY [104331]
CONSOLE ASSEMBLY [105583]
CRANKCASE AND CYLINDER [91205]
CYLINDER COWLING ASSEMBLY [89142]
DECALS [105586]
DRIVE CLUTCH [105472]
DRIVE TRAIN SHAFT AND BRAKE ASSEMBLIES [106560]
DRIVEN CLUTCH [104332]
ELECTRIC START - STARTER MOTOR ASSEMBLY [104068]
ELECTRICAL [91209]
ENGINE AND RELATED PARTS [105469]
EXHAUST ASSEMBLY [94600]
FRONT SEAT ASSEMBLY [103082]
FRONT SHOCK ABSORBER ASSEMBLY [102980]
FUEL LEVEL SENSOR ASSEMBLY [97043]
GAS TANK ASSEMBLY [91339]
GEARCASE ASSEMBLY [94608]
HANDLEBAR AND CONTROLS [106559]
HEADLIGHT AND WIRING ASSEMBLIES [94625]
HOOD, WINDSHIELD, AND FRONT BUMPER ASSEMBLY [105582]
HYDRAULIC BRAKE CONTROL ASSEMBLY [97037]
IDLER WHEEL ASSEMBLY [106670]
INTAKE ASSEMBLY [89139]
MAGNETO [91208]
OIL PUMP [91207]
OIL TANK ASSEMBLY [97047]
PASSENGER SEAT AND BACKREST ASSEMBLY [93054]
PISTON AND CRANKSHAFT [106563]
REAR BUMPER, RACK RAIL, SNOWFLAP, AND TAILLIGHT ASSEMBLY [105585]
REAR SUSPENSION FRONT ARM ASSEMBLY [105581]
REAR SUSPENSION REAR ARM ASSEMBLY [105464]
RECOIL STARTER [89143]
REED VALVE ASSEMBLY [89140]
SEAT SUPPORT ASSEMBLY [103081]
SIDE PANEL ASSEMBLY [106671]
SKI AND SPINDLE ASSEMBLY [103077]
SKID PLATE ASSEMBLY [106561]
SLIDE RAIL AND TRACK ASSEMBLY [105580]
STEERING POST ASSEMBLY [93023]
STEERING SUPPORT ASSEMBLY [99245]
TIE ROD ASSEMBLY [91119]
A-ARM AND SWAY BAR ASSEMBLY [90549]
AIR SILENCER ASSEMBLY [105470]
BATTERY AND TRAY ASSEMBLY [102989]
BELT GUARD ASSEMBLY [101580]
CARBURETOR [106562]
CARBURETOR AND FUEL PUMP ASSEMBLY [104590]
CHASSIS ASSEMBLY [104331]
CONSOLE ASSEMBLY [105583]
CRANKCASE AND CYLINDER [91205]
CYLINDER COWLING ASSEMBLY [89142]
DECALS [105586]
DRIVE CLUTCH [105472]
DRIVE TRAIN SHAFT AND BRAKE ASSEMBLIES [106560]
DRIVEN CLUTCH [104332]
ELECTRIC START - STARTER MOTOR ASSEMBLY [104068]
ELECTRICAL [91209]
ENGINE AND RELATED PARTS [105469]
EXHAUST ASSEMBLY [94600]
FRONT SEAT ASSEMBLY [103082]
FRONT SHOCK ABSORBER ASSEMBLY [102980]
FUEL LEVEL SENSOR ASSEMBLY [97043]
GAS TANK ASSEMBLY [91339]
GEARCASE ASSEMBLY [94608]
HANDLEBAR AND CONTROLS [106559]
HEADLIGHT AND WIRING ASSEMBLIES [94625]
HOOD, WINDSHIELD, AND FRONT BUMPER ASSEMBLY [105582]
HYDRAULIC BRAKE CONTROL ASSEMBLY [97037]
IDLER WHEEL ASSEMBLY [106670]
INTAKE ASSEMBLY [89139]
MAGNETO [91208]
OIL PUMP [91207]
OIL TANK ASSEMBLY [97047]
PASSENGER SEAT AND BACKREST ASSEMBLY [93054]
PISTON AND CRANKSHAFT [106563]
REAR BUMPER, RACK RAIL, SNOWFLAP, AND TAILLIGHT ASSEMBLY [105585]
REAR SUSPENSION FRONT ARM ASSEMBLY [105581]
REAR SUSPENSION REAR ARM ASSEMBLY [105464]
RECOIL STARTER [89143]
REED VALVE ASSEMBLY [89140]
SEAT SUPPORT ASSEMBLY [103081]
SIDE PANEL ASSEMBLY [106671]
SKI AND SPINDLE ASSEMBLY [103077]
SKID PLATE ASSEMBLY [106561]
SLIDE RAIL AND TRACK ASSEMBLY [105580]
STEERING POST ASSEMBLY [93023]
STEERING SUPPORT ASSEMBLY [99245]
TIE ROD ASSEMBLY [91119]
VIEW WISH LIST