Greenville, TX
|
Give Us a Call
(903) 454-4440
Toggle navigation
Home
Brands
Manufacturer Models
OEM Promotions
Polaris
Can-Am
E-Z-Go
Honda
Kawasaki
Suzuki
Inventory
All Inventory In Stock
New Inventory In Stock
Used Inventory
Value Your Trade-In
Request a Model
Schedule a Test Ride
Secure Financing
Parts
Parts Department
Parts Finder
Service
Service Department
Request Polaris Service
Warranty & Recall Look-Up
Specials
Financing
About
Our Dealership
Our Team
Reviews
Customer Survey
Employment
Events Calendar
Locations
Location & Hours
Contact
Parts Finder
Home
›
Parts
›
Parts Finder
Search by :
Part / Desc
VIN
Please Select
Arctic Cat
Honda
Kawasaki
Polaris
Suzuki
*Please enter at least 3 characters
SEARCH
Manufacturer
Arctic Cat
Snowmobiles
2019
ZR 200 GREEN [S2019ZRAABUSG]
VIEW WISH LIST
Select a Section
Show/Hide
A-ARM ASSEMBLY [105900]
AIR INTAKE ASSEMBLY [107328]
BATTERY AND TRAY ASSEMBLY [107343]
BELLY PAN ASSEMBLY [107439]
CAMSHAFT AND VALVE ASSEMBLY [106089]
CARBURETOR ASSEMBLY [107329]
CHASSIS AND BUMPER ASSEMBLIES [107436]
CLUTCH ASSEMBLIES [107441]
CONTROL ASSEMBLIES [107334]
CRANKCASE/COVER ASSEMBLY [107331]
CYLINDER HEAD AND AIR BREATHER ASSEMBLY [107330]
DECALS [107442]
DRIVE TRAIN SHAFT AND BRAKE ASSEMBLIES [106072]
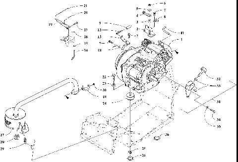
ENGINE, EXHAUST, AND RELATED PARTS [107327]
FRONT SUSPENSION SHOCK ABSORBER ASSEMBLY [106069]
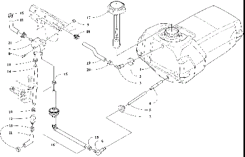
GAS TANK AND FUEL PUMP ASSEMBLIES [107516]
HOOD, HEADLIGHT, AND WINDSHIELD ASSEMBLY [107437]
MAGNETO [107333]
PISTON AND CRANKSHAFT ASSEMBLY [106088]
REAR SUSPENSION ARM ASSEMBLIES [107435]
RECOIL STARTER AND AIR SHROUD ASSEMBLY [107332]
SEAT AND TAILLIGHT ASSEMBLY [107440]
SKI AND SPINDLE ASSEMBLY [107424]
SLIDE RAIL, IDLER WHEELS, AND TRACK ASSEMBLY [107434]
STARTER MOTOR [107344]
STEERING POST AND TIE ROD ASSEMBLY [106071]
A-ARM ASSEMBLY [105900]
AIR INTAKE ASSEMBLY [107328]
BATTERY AND TRAY ASSEMBLY [107343]
BELLY PAN ASSEMBLY [107439]
CAMSHAFT AND VALVE ASSEMBLY [106089]
CARBURETOR ASSEMBLY [107329]
CHASSIS AND BUMPER ASSEMBLIES [107436]
CLUTCH ASSEMBLIES [107441]
CONTROL ASSEMBLIES [107334]
CRANKCASE/COVER ASSEMBLY [107331]
CYLINDER HEAD AND AIR BREATHER ASSEMBLY [107330]
DECALS [107442]
DRIVE TRAIN SHAFT AND BRAKE ASSEMBLIES [106072]
ENGINE, EXHAUST, AND RELATED PARTS [107327]
FRONT SUSPENSION SHOCK ABSORBER ASSEMBLY [106069]
GAS TANK AND FUEL PUMP ASSEMBLIES [107516]
HOOD, HEADLIGHT, AND WINDSHIELD ASSEMBLY [107437]
MAGNETO [107333]
PISTON AND CRANKSHAFT ASSEMBLY [106088]
REAR SUSPENSION ARM ASSEMBLIES [107435]
RECOIL STARTER AND AIR SHROUD ASSEMBLY [107332]
SEAT AND TAILLIGHT ASSEMBLY [107440]
SKI AND SPINDLE ASSEMBLY [107424]
SLIDE RAIL, IDLER WHEELS, AND TRACK ASSEMBLY [107434]
STARTER MOTOR [107344]
STEERING POST AND TIE ROD ASSEMBLY [106071]
VIEW WISH LIST