Greenville, TX
|
Give Us a Call
(903) 454-4440
Toggle navigation
Home
Brands
Manufacturer Models
OEM Promotions
Polaris
Can-Am
E-Z-Go
Honda
Kawasaki
Suzuki
Inventory
All Inventory In Stock
New Inventory In Stock
Used Inventory
Value Your Trade-In
Request a Model
Schedule a Test Ride
Secure Financing
Parts
Parts Department
Parts Finder
Service
Service Department
Request Polaris Service
Warranty & Recall Look-Up
Specials
Financing
About
Our Dealership
Our Team
Reviews
Customer Survey
Employment
Events Calendar
Locations
Location & Hours
Contact
Parts Finder
Home
›
Parts
›
Parts Finder
Search by :
Part / Desc
VIN
Please Select
Arctic Cat
Honda
Kawasaki
Polaris
Suzuki
*Please enter at least 3 characters
SEARCH
Manufacturer
Arctic Cat
Snowmobiles
2018
ZR 6000 R SX GREEN [S2018ACDPRUSG]
VIEW WISH LIST
Select a Section
Show/Hide
A-ARM ASSEMBLY [106227]
AIR SILENCER ASSEMBLY [106252]
BELT GUARD ASSEMBLY [104895]
CHAIN CASE ASSEMBLY [106233]
CONSOLE ASSEMBLY [106244]
COOLING ASSEMBLY [106249]
CRANKCASE ASSEMBLY [106256]
CYLINDER AND HEAD ASSEMBLY [106255]
DECALS [106259]
DRIVE CLUTCH [106253]
DRIVE TRAIN SHAFTS AND BRAKE ASSEMBLIES [106232]
DRIVEN CLUTCH [106254]
ELECTRICAL ASSEMBLY [106245]
ENGINE AND RELATED PARTS [106250]
EXHAUST ASSEMBLY [106251]
FRONT FRAME ASSEMBLY [106241]
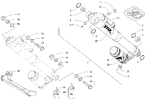
FRONT SUSPENSION SHOCK ABSORBER ASSEMBLY [106228]
GAS TANK AND FUEL PUMP ASSEMBLY [106247]
HANDLEBAR ASSEMBLY [104872]
HOOD, WINDSHIELD, AND INSTRUMENTS ASSEMBLIES [106243]
HYDRAULIC BRAKE CONTROL ASSEMBLY [106231]
IDLER WHEEL ASSEMBLY [106235]
MAGNETO [104888]
PISTON AND CRANKSHAFT [106257]
REAR SUSPENSION FRONT ARM ASSEMBLY [106236]
REAR SUSPENSION FRONT ARM SHOCK ABSORBER [106237]
REAR SUSPENSION REAR ARM ASSEMBLY [106238]
REAR SUSPENSION REAR ARM SHOCK ABSORBER [106239]
RECOIL STARTER [104899]
REED VALVE ASSEMBLY [106258]
SEAT ASSEMBLY [106248]
SKI AND SPINDLE ASSEMBLY [106226]
SKID PLATE AND SIDE PANEL ASSEMBLY [106246]
SLIDE RAIL AND TRACK ASSEMBLY [106234]
STEERING POST ASSEMBLY [106230]
STEERING SUPPORT ASSEMBLY [106240]
THROTTLE BODY ASSEMBLY [104900]
THROTTLE CONTROL ASSEMBLY [104873]
TIE ROD ASSEMBLY [106229]
TUNNEL, REAR BUMPER, AND SNOWFLAP ASSEMBLY [106242]
WATER PUMP AND THERMOSTAT [104902]
A-ARM ASSEMBLY [106227]
AIR SILENCER ASSEMBLY [106252]
BELT GUARD ASSEMBLY [104895]
CHAIN CASE ASSEMBLY [106233]
CONSOLE ASSEMBLY [106244]
COOLING ASSEMBLY [106249]
CRANKCASE ASSEMBLY [106256]
CYLINDER AND HEAD ASSEMBLY [106255]
DECALS [106259]
DRIVE CLUTCH [106253]
DRIVE TRAIN SHAFTS AND BRAKE ASSEMBLIES [106232]
DRIVEN CLUTCH [106254]
ELECTRICAL ASSEMBLY [106245]
ENGINE AND RELATED PARTS [106250]
EXHAUST ASSEMBLY [106251]
FRONT FRAME ASSEMBLY [106241]
FRONT SUSPENSION SHOCK ABSORBER ASSEMBLY [106228]
GAS TANK AND FUEL PUMP ASSEMBLY [106247]
HANDLEBAR ASSEMBLY [104872]
HOOD, WINDSHIELD, AND INSTRUMENTS ASSEMBLIES [106243]
HYDRAULIC BRAKE CONTROL ASSEMBLY [106231]
IDLER WHEEL ASSEMBLY [106235]
MAGNETO [104888]
PISTON AND CRANKSHAFT [106257]
REAR SUSPENSION FRONT ARM ASSEMBLY [106236]
REAR SUSPENSION FRONT ARM SHOCK ABSORBER [106237]
REAR SUSPENSION REAR ARM ASSEMBLY [106238]
REAR SUSPENSION REAR ARM SHOCK ABSORBER [106239]
RECOIL STARTER [104899]
REED VALVE ASSEMBLY [106258]
SEAT ASSEMBLY [106248]
SKI AND SPINDLE ASSEMBLY [106226]
SKID PLATE AND SIDE PANEL ASSEMBLY [106246]
SLIDE RAIL AND TRACK ASSEMBLY [106234]
STEERING POST ASSEMBLY [106230]
STEERING SUPPORT ASSEMBLY [106240]
THROTTLE BODY ASSEMBLY [104900]
THROTTLE CONTROL ASSEMBLY [104873]
TIE ROD ASSEMBLY [106229]
TUNNEL, REAR BUMPER, AND SNOWFLAP ASSEMBLY [106242]
WATER PUMP AND THERMOSTAT [104902]
VIEW WISH LIST