Greenville, TX
|
Give Us a Call
(903) 454-4440
Toggle navigation
Home
Brands
Manufacturer Models
OEM Promotions
Polaris
Can-Am
E-Z-Go
Honda
Kawasaki
Suzuki
Inventory
All Inventory In Stock
New Inventory In Stock
Used Inventory
Value Your Trade-In
Request a Model
Schedule a Test Ride
Secure Financing
Parts
Parts Department
Parts Finder
Service
Service Department
Request Polaris Service
Warranty & Recall Look-Up
Specials
Financing
About
Our Dealership
Our Team
Reviews
Customer Survey
Employment
Events Calendar
Locations
Location & Hours
Contact
Parts Finder
Home
›
Parts
›
Parts Finder
Search by :
Part / Desc
VIN
Please Select
Arctic Cat
Honda
Kawasaki
Polaris
Suzuki
*Please enter at least 3 characters
SEARCH
Manufacturer
Arctic Cat
Snowmobiles
2018
ZR 200 WHITE [S2018ZRAABUSW]
VIEW WISH LIST
Select a Section
Show/Hide
A-ARM ASSEMBLY [105900]
AIR INTAKE ASSEMBLY [106084]
BELLY PAN ASSEMBLY [106080]
CAMSHAFT AND VALVE ASSEMBLY [106089]
CARBURETOR ASSEMBLY [106086]
CHASSIS AND BUMPER ASSEMBLIES [106111]
CLUTCH ASSEMBLIES [106093]
CONTROL ASSEMBLIES [106094]
CRANKCASE/COVER ASSEMBLY [106090]
CYLINDER HEAD AND AIR BREATHER ASSEMBLY [106087]
DECALS [106114]
DRIVE TRAIN SHAFT AND BRAKE ASSEMBLIES [106072]
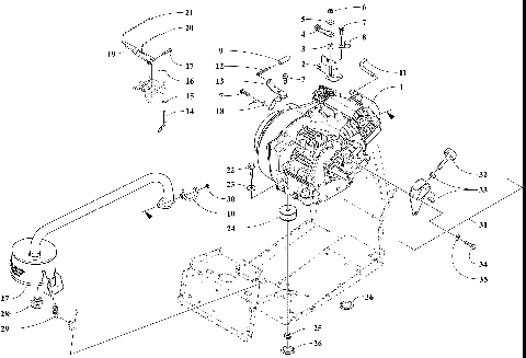
ENGINE, EXHAUST, AND RELATED PARTS [106083]
FRONT SUSPENSION SHOCK ABSORBER ASSEMBLY [106069]
GAS TANK AND FUEL PUMP ASSEMBLIES [106085]
HOOD, HEADLIGHT, AND WINDSHIELD ASSEMBLY [106112]
MAGNETO [106092]
MAGNETO [107333]
PISTON AND CRANKSHAFT ASSEMBLY [106088]
REAR SUSPENSION ARM ASSEMBLIES [106075]
RECOIL STARTER AND AIR SHROUD ASSEMBLY [106091]
SEAT AND TAILLIGHT ASSEMBLY [106113]
SKI AND SPINDLE ASSEMBLY [106105]
SLIDE RAIL, IDLER WHEELS, AND TRACK ASSEMBLY [106074]
STEERING POST AND TIE ROD ASSEMBLY [106071]
A-ARM ASSEMBLY [105900]
AIR INTAKE ASSEMBLY [106084]
BELLY PAN ASSEMBLY [106080]
CAMSHAFT AND VALVE ASSEMBLY [106089]
CARBURETOR ASSEMBLY [106086]
CHASSIS AND BUMPER ASSEMBLIES [106111]
CLUTCH ASSEMBLIES [106093]
CONTROL ASSEMBLIES [106094]
CRANKCASE/COVER ASSEMBLY [106090]
CYLINDER HEAD AND AIR BREATHER ASSEMBLY [106087]
DECALS [106114]
DRIVE TRAIN SHAFT AND BRAKE ASSEMBLIES [106072]
ENGINE, EXHAUST, AND RELATED PARTS [106083]
FRONT SUSPENSION SHOCK ABSORBER ASSEMBLY [106069]
GAS TANK AND FUEL PUMP ASSEMBLIES [106085]
HOOD, HEADLIGHT, AND WINDSHIELD ASSEMBLY [106112]
MAGNETO [106092]
MAGNETO [107333]
PISTON AND CRANKSHAFT ASSEMBLY [106088]
REAR SUSPENSION ARM ASSEMBLIES [106075]
RECOIL STARTER AND AIR SHROUD ASSEMBLY [106091]
SEAT AND TAILLIGHT ASSEMBLY [106113]
SKI AND SPINDLE ASSEMBLY [106105]
SLIDE RAIL, IDLER WHEELS, AND TRACK ASSEMBLY [106074]
STEERING POST AND TIE ROD ASSEMBLY [106071]
VIEW WISH LIST