Greenville, TX
|
Give Us a Call
(903) 454-4440
Toggle navigation
Home
Brands
Manufacturer Models
OEM Promotions
Polaris
Can-Am
E-Z-Go
Honda
Kawasaki
Suzuki
Inventory
All Inventory In Stock
New Inventory In Stock
Used Inventory
Value Your Trade-In
Request a Model
Schedule a Test Ride
Secure Financing
Parts
Parts Department
Parts Finder
Service
Service Department
Request Polaris Service
Warranty & Recall Look-Up
Specials
Financing
About
Our Dealership
Our Team
Reviews
Customer Survey
Employment
Events Calendar
Locations
Location & Hours
Contact
Parts Finder
Home
›
Parts
›
Parts Finder
Search by :
Part / Desc
VIN
Please Select
Arctic Cat
Honda
Kawasaki
Polaris
Suzuki
*Please enter at least 3 characters
SEARCH
Manufacturer
Arctic Cat
Snowmobiles
2018
M 8000 MOUNTAIN CAT ES 162 BLACK [S2018M8HEDUSB]
VIEW WISH LIST
Select a Section
Show/Hide
A-ARM ASSEMBLY [105225]
BATTERY ASSEMBLY [105994]
BELT GUARD ASSEMBLY [105204]
BUMPERS AND STORAGE [105393]
CHAIN CASE ASSEMBLY [105232]
CONSOLE ASSEMBLY [105249]
COOLING ASSEMBLY [105254]
CRANKCASE ASSEMBLY [105198]
CYLINDER AND HEAD ASSEMBLY [105258]
DECALS [105392]
DRIVE CLUTCH [105650]
DRIVE TRAIN SHAFTS AND BRAKE ASSEMBLIES [105273]
DRIVEN CLUTCH [105257]
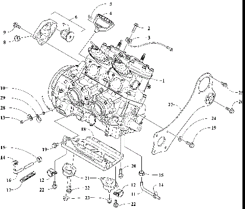
ENGINE AND RELATED PARTS [105193]
EXHAUST ASSEMBLY [105194]
FRONT FRAME ASSEMBLY [105368]
FRONT SUSPENSION SHOCK ABSORBER ASSEMBLY [105362]
FUEL PUMP ASSEMBLY [105377]
GAS TANK ASSEMBLY [103056]
HANDLEBAR AND CONTROLS [105230]
HEADLIGHT AND WIRING ASSEMBLIES [105802]
HOOD AND AIR INTAKE ASSEMBLY [105371]
HYDRAULIC BRAKE CONTROL ASSEMBLY [104773]
IDLER WHEEL ASSEMBLY [105236]
MAGNETO [105203]
OIL TANK ASSEMBLY [105233]
PISTON AND CRANKSHAFT [105199]
REAR SUSPENSION FRONT ARM ASSEMBLY [105237]
REAR SUSPENSION FRONT ARM SHOCK ABSORBER [105366]
REAR SUSPENSION REAR ARM ASSEMBLY [105239]
REAR SUSPENSION REAR ARM SHOCK ABSORBER [105145]
RECOIL STARTER [104899]
REED VALVE ASSEMBLY [105200]
SEAT ASSEMBLY [105803]
SKI AND SPINDLE ASSEMBLY [105222]
SKID PLATE AND SIDE PANEL ASSEMBLY [105489]
SLIDE RAIL AND TRACK ASSEMBLY [105387]
STARTER MOTOR ASSEMBLY [103776]
STEERING POST ASSEMBLY [105229]
STEERING SUPPORT ASSEMBLY [105241]
THROTTLE BODY ASSEMBLY [105201]
TIE ROD ASSEMBLY [102614]
TUNNEL AND SNOWFLAP ASSEMBLY [105389]
WATER PUMP AND THERMOSTAT [105202]
WINDSHIELD AND INSTRUMENTS ASSEMBLIES [105246]
A-ARM ASSEMBLY [105225]
BATTERY ASSEMBLY [105994]
BELT GUARD ASSEMBLY [105204]
BUMPERS AND STORAGE [105393]
CHAIN CASE ASSEMBLY [105232]
CONSOLE ASSEMBLY [105249]
COOLING ASSEMBLY [105254]
CRANKCASE ASSEMBLY [105198]
CYLINDER AND HEAD ASSEMBLY [105258]
DECALS [105392]
DRIVE CLUTCH [105650]
DRIVE TRAIN SHAFTS AND BRAKE ASSEMBLIES [105273]
DRIVEN CLUTCH [105257]
ENGINE AND RELATED PARTS [105193]
EXHAUST ASSEMBLY [105194]
FRONT FRAME ASSEMBLY [105368]
FRONT SUSPENSION SHOCK ABSORBER ASSEMBLY [105362]
FUEL PUMP ASSEMBLY [105377]
GAS TANK ASSEMBLY [103056]
HANDLEBAR AND CONTROLS [105230]
HEADLIGHT AND WIRING ASSEMBLIES [105802]
HOOD AND AIR INTAKE ASSEMBLY [105371]
HYDRAULIC BRAKE CONTROL ASSEMBLY [104773]
IDLER WHEEL ASSEMBLY [105236]
MAGNETO [105203]
OIL TANK ASSEMBLY [105233]
PISTON AND CRANKSHAFT [105199]
REAR SUSPENSION FRONT ARM ASSEMBLY [105237]
REAR SUSPENSION FRONT ARM SHOCK ABSORBER [105366]
REAR SUSPENSION REAR ARM ASSEMBLY [105239]
REAR SUSPENSION REAR ARM SHOCK ABSORBER [105145]
RECOIL STARTER [104899]
REED VALVE ASSEMBLY [105200]
SEAT ASSEMBLY [105803]
SKI AND SPINDLE ASSEMBLY [105222]
SKID PLATE AND SIDE PANEL ASSEMBLY [105489]
SLIDE RAIL AND TRACK ASSEMBLY [105387]
STARTER MOTOR ASSEMBLY [103776]
STEERING POST ASSEMBLY [105229]
STEERING SUPPORT ASSEMBLY [105241]
THROTTLE BODY ASSEMBLY [105201]
TIE ROD ASSEMBLY [102614]
TUNNEL AND SNOWFLAP ASSEMBLY [105389]
WATER PUMP AND THERMOSTAT [105202]
WINDSHIELD AND INSTRUMENTS ASSEMBLIES [105246]
VIEW WISH LIST