Greenville, TX
|
Give Us a Call
(903) 454-4440
Toggle navigation
Home
Brands
Manufacturer Models
OEM Promotions
Polaris
Can-Am
E-Z-Go
Honda
Kawasaki
Suzuki
Inventory
All Inventory In Stock
New Inventory In Stock
Used Inventory
Value Your Trade-In
Request a Model
Schedule a Test Ride
Secure Financing
Parts
Parts Department
Parts Finder
Service
Service Department
Request Polaris Service
Warranty & Recall Look-Up
Specials
Financing
About
Our Dealership
Our Team
Reviews
Customer Survey
Employment
Events Calendar
Locations
Location & Hours
Contact
Parts Finder
Home
›
Parts
›
Parts Finder
Search by :
Part / Desc
VIN
Please Select
Arctic Cat
Honda
Kawasaki
Polaris
Suzuki
*Please enter at least 3 characters
SEARCH
Manufacturer
Arctic Cat
Snowmobiles
2017
ZR 6000 RR ES 129 GREEN [S2017ZRDRRUSG]
VIEW WISH LIST
Select a Section
Show/Hide
A-ARM AND SWAY BAR ASSEMBLY [99578]
BATTERY ASSEMBLY [101704]
BELT GUARD ASSEMBLY [104056]
CHAIN CASE ASSEMBLY [103755]
CONSOLE ASSEMBLY [101765]
COOLING ASSEMBLY [103867]
CRANKCASE ASSEMBLY [102853]
CYLINDER AND HEAD ASSEMBLY [102223]
DRIVE CLUTCH [103757]
DRIVE TRAIN SHAFTS AND BRAKE ASSEMBLIES [103955]
DRIVEN CLUTCH [103759]
ENGINE AND RELATED PARTS [104121]
EXHAUST ASSEMBLY [102220]
FRONT BUMPER AND FRAME ASSEMBLY [102213]
FRONT SHOCK ABSORBER ASSEMBLY [104094]
FRONT SUSPENSION SHOCK ABSORBER [103941]
FUEL PUMP ASSEMBLY [102814]
GAS TANK ASSEMBLY [103056]
HANDLEBAR AND CONTROLS [103954]
HEADLIGHT AND WIRING ASSEMBLIES [103920]
HOOD AND AIR INTAKE ASSEMBLY [104108]
HYDRAULIC BRAKE CONTROL ASSEMBLY [97987]
IDLER WHEEL ASSEMBLY [103768]
MAGNETO [99677]
OIL TANK ASSEMBLY [104104]
PISTON AND CRANKSHAFT [103769]
REAR SUSPENSION FRONT ARM ASSEMBLY [104506]
REAR SUSPENSION FRONT ARM SHOCK ABSORBER [103945]
REAR SUSPENSION REAR ARM ASSEMBLY [103827]
REAR SUSPENSION REAR ARM SHOCK ABSORBER [104950]
RECOIL STARTER [99676]
REED VALVE ASSEMBLY [99673]
SEAT ASSEMBLY [102846]
SKI AND SPINDLE ASSEMBLY [102891]
SKID PLATE AND SIDE PANEL ASSEMBLY [104109]
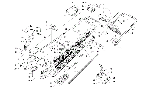
SLIDE RAIL AND TRACK ASSEMBLY [104105]
STARTER MOTOR ASSEMBLY [103776]
STEERING POST ASSEMBLY [104133]
STEERING SUPPORT ASSEMBLY [104814]
THROTTLE BODY ASSEMBLY [101769]
TIE ROD ASSEMBLY [103778]
TUNNEL, REAR BUMPER, AND SNOWFLAP ASSEMBLY [104107]
WATER PUMP AND THERMOSTAT [102225]
WINDSHIELD AND INSTRUMENTS ASSEMBLIES [103960]
A-ARM AND SWAY BAR ASSEMBLY [99578]
BATTERY ASSEMBLY [101704]
BELT GUARD ASSEMBLY [104056]
CHAIN CASE ASSEMBLY [103755]
CONSOLE ASSEMBLY [101765]
COOLING ASSEMBLY [103867]
CRANKCASE ASSEMBLY [102853]
CYLINDER AND HEAD ASSEMBLY [102223]
DRIVE CLUTCH [103757]
DRIVE TRAIN SHAFTS AND BRAKE ASSEMBLIES [103955]
DRIVEN CLUTCH [103759]
ENGINE AND RELATED PARTS [104121]
EXHAUST ASSEMBLY [102220]
FRONT BUMPER AND FRAME ASSEMBLY [102213]
FRONT SHOCK ABSORBER ASSEMBLY [104094]
FRONT SUSPENSION SHOCK ABSORBER [103941]
FUEL PUMP ASSEMBLY [102814]
GAS TANK ASSEMBLY [103056]
HANDLEBAR AND CONTROLS [103954]
HEADLIGHT AND WIRING ASSEMBLIES [103920]
HOOD AND AIR INTAKE ASSEMBLY [104108]
HYDRAULIC BRAKE CONTROL ASSEMBLY [97987]
IDLER WHEEL ASSEMBLY [103768]
MAGNETO [99677]
OIL TANK ASSEMBLY [104104]
PISTON AND CRANKSHAFT [103769]
REAR SUSPENSION FRONT ARM ASSEMBLY [104506]
REAR SUSPENSION FRONT ARM SHOCK ABSORBER [103945]
REAR SUSPENSION REAR ARM ASSEMBLY [103827]
REAR SUSPENSION REAR ARM SHOCK ABSORBER [104950]
RECOIL STARTER [99676]
REED VALVE ASSEMBLY [99673]
SEAT ASSEMBLY [102846]
SKI AND SPINDLE ASSEMBLY [102891]
SKID PLATE AND SIDE PANEL ASSEMBLY [104109]
SLIDE RAIL AND TRACK ASSEMBLY [104105]
STARTER MOTOR ASSEMBLY [103776]
STEERING POST ASSEMBLY [104133]
STEERING SUPPORT ASSEMBLY [104814]
THROTTLE BODY ASSEMBLY [101769]
TIE ROD ASSEMBLY [103778]
TUNNEL, REAR BUMPER, AND SNOWFLAP ASSEMBLY [104107]
WATER PUMP AND THERMOSTAT [102225]
WINDSHIELD AND INSTRUMENTS ASSEMBLIES [103960]
VIEW WISH LIST