Greenville, TX
|
Give Us a Call
(903) 454-4440
Toggle navigation
Home
Brands
Manufacturer Models
OEM Promotions
Polaris
Can-Am
E-Z-Go
Honda
Kawasaki
Suzuki
Inventory
All Inventory In Stock
New Inventory In Stock
Used Inventory
Value Your Trade-In
Request a Model
Schedule a Test Ride
Secure Financing
Parts
Parts Department
Parts Finder
Service
Service Department
Request Polaris Service
Warranty & Recall Look-Up
Specials
Financing
About
Our Dealership
Our Team
Reviews
Customer Survey
Employment
Events Calendar
Locations
Location & Hours
Contact
Parts Finder
Home
›
Parts
›
Parts Finder
Search by :
Part / Desc
VIN
Please Select
Arctic Cat
Honda
Kawasaki
Polaris
Suzuki
*Please enter at least 3 characters
SEARCH
Manufacturer
Arctic Cat
Snowmobiles
2017
ZR 5000 LXR 137 BLACK [S2017ZXNLXUSB]
VIEW WISH LIST
Select a Section
Show/Hide
A-ARM AND SWAY BAR ASSEMBLY [104345]
BATTERY AND TRAY ASSEMBLY [103104]
BELT GUARD ASSEMBLY [103100]
BELT GUARD ASSEMBLY [104056]
CAM CHAIN ASSEMBLY [101065]
CAMSHAFT/VALVE ASSEMBLY [91414]
CHAIN CASE ASSEMBLY [103091]
CONSOLE ASSEMBLY [101077]
COOLING ASSEMBLY [104442]
CRANK BALANCER ASSEMBLY [89768]
CRANKCASE ASSEMBLY [95410]
CYLINDER HEAD AND INTAKE FLANGE ASSEMBLY [96426]
DRIVE CLUTCH [104444]
DRIVE TRAIN SHAFTS AND BRAKE ASSEMBLIES [104433]
DRIVEN CLUTCH [103106]
ENGINE AND RELATED PARTS [104443]
EXHAUST ASSEMBLY [96610]
FRONT BUMPER AND FRAME ASSEMBLY [104435]
FRONT SHOCK ABSORBER ASSEMBLY [103809]
FRONT SUSPENSION SHOCK ABSORBER [103891]
FUEL PUMP ASSEMBLY [103146]
GAS TANK ASSEMBLY [96606]
HANDLEBAR AND CONTROLS [104346]
HEADLIGHT AND WIRING ASSEMBLIES [104439]
HOOD AND AIR INTAKE ASSEMBLY [104437]
HYDRAULIC BRAKE CONTROL ASSEMBLY [97987]
IDLER WHEEL ASSEMBLY [104224]
MAGNETO ASSEMBLY [91421]
MAGNETO COVER [91412]
OIL COOLER ASSEMBLY [89694]
OIL PAN ASSEMBLY [96613]
OIL PUMP ASSEMBLY [90508]
OIL TANK ASSEMBLY [101232]
PISTON AND CRANKSHAFT ASSEMBLY [91413]
REAR SUSPENSION FRONT ARM ASSEMBLY [104090]
REAR SUSPENSION FRONT ARM SHOCK ABSORBER [102232]
REAR SUSPENSION REAR ARM ASSEMBLY [104594]
REAR SUSPENSION REAR ARM SHOCK ABSORBER [102393]
SEAT ASSEMBLY [104441]
SKI AND SPINDLE ASSEMBLY [104221]
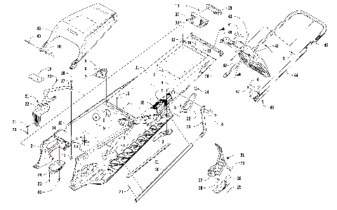
SKID PLATE AND SIDE PANEL ASSEMBLY [104440]
SLIDE RAIL AND TRACK ASSEMBLY [104223]
STARTER CLUTCH ASSEMBLY [89767]
STARTER MOTOR ASSEMBLY [91420]
STEERING POST ASSEMBLY [104133]
STEERING SUPPORT ASSEMBLY [104434]
THROTTLE BODY ASSEMBLY [95412]
TIE ROD ASSEMBLY [100591]
TUNNEL, REAR BUMPER, AND SNOWFLAP ASSEMBLY [104436]
WATER HOSE ASSEMBLY [101244]
WATER PUMP ASSEMBLY [89695]
WINDSHIELD AND INSTRUMENTS ASSEMBLIES [104438]
A-ARM AND SWAY BAR ASSEMBLY [104345]
BATTERY AND TRAY ASSEMBLY [103104]
BELT GUARD ASSEMBLY [103100]
BELT GUARD ASSEMBLY [104056]
CAM CHAIN ASSEMBLY [101065]
CAMSHAFT/VALVE ASSEMBLY [91414]
CHAIN CASE ASSEMBLY [103091]
CONSOLE ASSEMBLY [101077]
COOLING ASSEMBLY [104442]
CRANK BALANCER ASSEMBLY [89768]
CRANKCASE ASSEMBLY [95410]
CYLINDER HEAD AND INTAKE FLANGE ASSEMBLY [96426]
DRIVE CLUTCH [104444]
DRIVE TRAIN SHAFTS AND BRAKE ASSEMBLIES [104433]
DRIVEN CLUTCH [103106]
ENGINE AND RELATED PARTS [104443]
EXHAUST ASSEMBLY [96610]
FRONT BUMPER AND FRAME ASSEMBLY [104435]
FRONT SHOCK ABSORBER ASSEMBLY [103809]
FRONT SUSPENSION SHOCK ABSORBER [103891]
FUEL PUMP ASSEMBLY [103146]
GAS TANK ASSEMBLY [96606]
HANDLEBAR AND CONTROLS [104346]
HEADLIGHT AND WIRING ASSEMBLIES [104439]
HOOD AND AIR INTAKE ASSEMBLY [104437]
HYDRAULIC BRAKE CONTROL ASSEMBLY [97987]
IDLER WHEEL ASSEMBLY [104224]
MAGNETO ASSEMBLY [91421]
MAGNETO COVER [91412]
OIL COOLER ASSEMBLY [89694]
OIL PAN ASSEMBLY [96613]
OIL PUMP ASSEMBLY [90508]
OIL TANK ASSEMBLY [101232]
PISTON AND CRANKSHAFT ASSEMBLY [91413]
REAR SUSPENSION FRONT ARM ASSEMBLY [104090]
REAR SUSPENSION FRONT ARM SHOCK ABSORBER [102232]
REAR SUSPENSION REAR ARM ASSEMBLY [104594]
REAR SUSPENSION REAR ARM SHOCK ABSORBER [102393]
SEAT ASSEMBLY [104441]
SKI AND SPINDLE ASSEMBLY [104221]
SKID PLATE AND SIDE PANEL ASSEMBLY [104440]
SLIDE RAIL AND TRACK ASSEMBLY [104223]
STARTER CLUTCH ASSEMBLY [89767]
STARTER MOTOR ASSEMBLY [91420]
STEERING POST ASSEMBLY [104133]
STEERING SUPPORT ASSEMBLY [104434]
THROTTLE BODY ASSEMBLY [95412]
TIE ROD ASSEMBLY [100591]
TUNNEL, REAR BUMPER, AND SNOWFLAP ASSEMBLY [104436]
WATER HOSE ASSEMBLY [101244]
WATER PUMP ASSEMBLY [89695]
WINDSHIELD AND INSTRUMENTS ASSEMBLIES [104438]
VIEW WISH LIST