Greenville, TX
|
Give Us a Call
(903) 454-4440
Toggle navigation
Home
Brands
Manufacturer Models
OEM Promotions
Polaris
Can-Am
E-Z-Go
Honda
Kawasaki
Suzuki
Inventory
All Inventory In Stock
New Inventory In Stock
Used Inventory
Value Your Trade-In
Request a Model
Schedule a Test Ride
Secure Financing
Parts
Parts Department
Parts Finder
Service
Service Department
Request Polaris Service
Warranty & Recall Look-Up
Specials
Financing
About
Our Dealership
Our Team
Reviews
Customer Survey
Employment
Events Calendar
Locations
Location & Hours
Contact
Parts Finder
Home
›
Parts
›
Parts Finder
Search by :
Part / Desc
VIN
Please Select
Arctic Cat
Honda
Kawasaki
Polaris
Suzuki
*Please enter at least 3 characters
SEARCH
Manufacturer
Arctic Cat
Snowmobiles
2017
XF 6000 HIGH COUNTRY LTD ES 141 BLACK [S2017X6DHCUSB]
VIEW WISH LIST
Select a Section
Show/Hide
A-ARM AND SWAYBAR ASSEMBLY [104514]
BATTERY ASSEMBLY [101704]
BELT GUARD ASSEMBLY [104056]
CHAIN CASE ASSEMBLY [104147]
CONSOLE ASSEMBLY [104397]
COOLING ASSEMBLY [103401]
CRANKCASE ASSEMBLY [103067]
CYLINDER AND HEAD ASSEMBLY [103066]
DRIVE CLUTCH [104158]
DRIVE TRAIN SHAFTS AND BRAKE ASSEMBLIES [104146]
DRIVEN CLUTCH [103759]
ENGINE AND RELATED PARTS [104121]
EXHAUST ASSEMBLY [102220]
FRONT BUMPER AND FRAME ASSEMBLY [104152]
FRONT SHOCK ABSORBER ASSEMBLY [104062]
FRONT SUSPENSION SHOCK ABSORBER [103494]
FUEL PUMP ASSEMBLY [99663]
GAS TANK ASSEMBLY [103056]
HANDLEBAR AND CONTROLS [104046]
HEADLIGHT AND WIRING ASSEMBLIES [104179]
HOOD AND AIR INTAKE ASSEMBLY [104154]
HYDRAULIC BRAKE CONTROL ASSEMBLY [97987]
IDLER WHEEL ASSEMBLY [104149]
MAGNETO [99677]
OIL TANK ASSEMBLY [101003]
PISTON AND CRANKSHAFT [103769]
REAR SUSPENSION FRONT ARM ASSEMBLY [104150]
REAR SUSPENSION FRONT ARM SHOCK ABSORBER [103902]
REAR SUSPENSION REAR ARM ASSEMBLY [104180]
REAR SUSPENSION REAR ARM SHOCK ABSORBER [103904]
RECOIL STARTER [99676]
REED VALVE ASSEMBLY [99673]
SEAT ASSEMBLY [104157]
SKI AND SPINDLE ASSEMBLY [103491]
SKID PLATE AND SIDE PANEL ASSEMBLY [104156]
SLIDE RAIL AND TRACK ASSEMBLY [104148]
STARTER MOTOR ASSEMBLY [103776]
STEERING POST ASSEMBLY [104144]
STEERING SUPPORT ASSEMBLY [104151]
THROTTLE BODY ASSEMBLY [101769]
TIE ROD ASSEMBLY [100496]
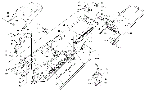
TUNNEL, REAR BUMPER, AND SNOWFLAP ASSEMBLY [104153]
WATER PUMP AND THERMOSTAT [102890]
WINDSHIELD AND INSTRUMENTS ASSEMBLIES [104155]
A-ARM AND SWAYBAR ASSEMBLY [104514]
BATTERY ASSEMBLY [101704]
BELT GUARD ASSEMBLY [104056]
CHAIN CASE ASSEMBLY [104147]
CONSOLE ASSEMBLY [104397]
COOLING ASSEMBLY [103401]
CRANKCASE ASSEMBLY [103067]
CYLINDER AND HEAD ASSEMBLY [103066]
DRIVE CLUTCH [104158]
DRIVE TRAIN SHAFTS AND BRAKE ASSEMBLIES [104146]
DRIVEN CLUTCH [103759]
ENGINE AND RELATED PARTS [104121]
EXHAUST ASSEMBLY [102220]
FRONT BUMPER AND FRAME ASSEMBLY [104152]
FRONT SHOCK ABSORBER ASSEMBLY [104062]
FRONT SUSPENSION SHOCK ABSORBER [103494]
FUEL PUMP ASSEMBLY [99663]
GAS TANK ASSEMBLY [103056]
HANDLEBAR AND CONTROLS [104046]
HEADLIGHT AND WIRING ASSEMBLIES [104179]
HOOD AND AIR INTAKE ASSEMBLY [104154]
HYDRAULIC BRAKE CONTROL ASSEMBLY [97987]
IDLER WHEEL ASSEMBLY [104149]
MAGNETO [99677]
OIL TANK ASSEMBLY [101003]
PISTON AND CRANKSHAFT [103769]
REAR SUSPENSION FRONT ARM ASSEMBLY [104150]
REAR SUSPENSION FRONT ARM SHOCK ABSORBER [103902]
REAR SUSPENSION REAR ARM ASSEMBLY [104180]
REAR SUSPENSION REAR ARM SHOCK ABSORBER [103904]
RECOIL STARTER [99676]
REED VALVE ASSEMBLY [99673]
SEAT ASSEMBLY [104157]
SKI AND SPINDLE ASSEMBLY [103491]
SKID PLATE AND SIDE PANEL ASSEMBLY [104156]
SLIDE RAIL AND TRACK ASSEMBLY [104148]
STARTER MOTOR ASSEMBLY [103776]
STEERING POST ASSEMBLY [104144]
STEERING SUPPORT ASSEMBLY [104151]
THROTTLE BODY ASSEMBLY [101769]
TIE ROD ASSEMBLY [100496]
TUNNEL, REAR BUMPER, AND SNOWFLAP ASSEMBLY [104153]
WATER PUMP AND THERMOSTAT [102890]
WINDSHIELD AND INSTRUMENTS ASSEMBLIES [104155]
VIEW WISH LIST