Greenville, TX
|
Give Us a Call
(903) 454-4440
Toggle navigation
Home
Brands
Manufacturer Models
OEM Promotions
Polaris
Can-Am
E-Z-Go
Honda
Kawasaki
Suzuki
Inventory
All Inventory In Stock
New Inventory In Stock
Used Inventory
Value Your Trade-In
Request a Model
Schedule a Test Ride
Secure Financing
Parts
Parts Department
Parts Finder
Service
Service Department
Request Polaris Service
Warranty & Recall Look-Up
Specials
Financing
About
Our Dealership
Our Team
Reviews
Customer Survey
Employment
Events Calendar
Locations
Location & Hours
Contact
Parts Finder
Home
›
Parts
›
Parts Finder
Search by :
Part / Desc
VIN
Please Select
Arctic Cat
Honda
Kawasaki
Polaris
Suzuki
*Please enter at least 3 characters
SEARCH
Manufacturer
Arctic Cat
Snowmobiles
2017
M 8000 LTD 162 BLACK [S2017M8HPEUSB]
VIEW WISH LIST
Select a Section
Show/Hide
A-ARM ASSEMBLY [104615]
BELT GUARD ASSEMBLY [103938]
CHAIN CASE ASSEMBLY [104692]
CONSOLE ASSEMBLY [104397]
COOLING ASSEMBLY [102941]
CRANKCASE ASSEMBLY [91585]
CYLINDER AND HEAD ASSEMBLY [95146]
DRIVE CLUTCH [103917]
DRIVE TRAIN SHAFTS AND BRAKE ASSEMBLIES [103897]
DRIVEN CLUTCH [103918]
ELECTRICAL [101350]
ENGINE AND RELATED PARTS [103915]
EXHAUST ASSEMBLY [103916]
FRONT BUMPER AND FRAME ASSEMBLY [104618]
FRONT SHOCK ABSORBER ASSEMBLY [104062]
FRONT SUSPENSION SHOCK ABSORBER [102298]
FUEL PUMP ASSEMBLY [102910]
GAS TANK ASSEMBLY [102909]
HANDLEBAR AND CONTROLS [103896]
HEADLIGHT AND WIRING ASSEMBLIES [103911]
HOOD AND AIR INTAKE ASSEMBLY [104621]
HYDRAULIC BRAKE CONTROL ASSEMBLY [97987]
IDLER WHEEL ASSEMBLY [103900]
MAGNETO [89829]
OIL PUMP [93329]
OIL TANK ASSEMBLY [100501]
PISTON AND CRANKSHAFT [91586]
REAR SUSPENSION FRONT ARM ASSEMBLY [104150]
REAR SUSPENSION FRONT ARM SHOCK ABSORBER [103902]
REAR SUSPENSION REAR ARM ASSEMBLY [104180]
REAR SUSPENSION REAR ARM SHOCK ABSORBER [103904]
RECOIL STARTER [89828]
REED VALVE ASSEMBLY [96875]
SEAT ASSEMBLY [104625]
SERVOMOTOR ASSEMBLY [91541]
SKI AND SPINDLE ASSEMBLY [103491]
SKID PLATE AND SIDE PANEL ASSEMBLY [104624]
SLIDE RAIL AND TRACK ASSEMBLY [104713]
STEERING POST ASSEMBLY [103895]
STEERING SUPPORT ASSEMBLY [103905]
THROTTLE BODY ASSEMBLY [91588]
TIE ROD ASSEMBLY [102614]
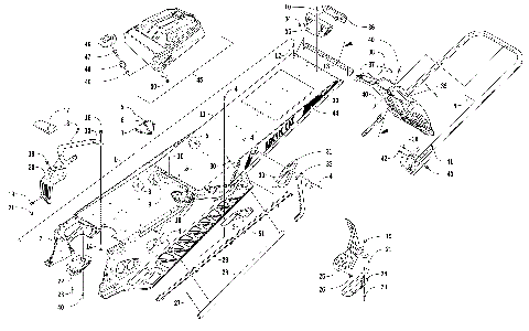
TUNNEL, REAR BUMPER, AND SNOWFLAP ASSEMBLY [104714]
WATER PUMP AND THERMOSTAT [93330]
WINDSHIELD AND INSTRUMENTS ASSEMBLIES [104622]
A-ARM ASSEMBLY [104615]
BELT GUARD ASSEMBLY [103938]
CHAIN CASE ASSEMBLY [104692]
CONSOLE ASSEMBLY [104397]
COOLING ASSEMBLY [102941]
CRANKCASE ASSEMBLY [91585]
CYLINDER AND HEAD ASSEMBLY [95146]
DRIVE CLUTCH [103917]
DRIVE TRAIN SHAFTS AND BRAKE ASSEMBLIES [103897]
DRIVEN CLUTCH [103918]
ELECTRICAL [101350]
ENGINE AND RELATED PARTS [103915]
EXHAUST ASSEMBLY [103916]
FRONT BUMPER AND FRAME ASSEMBLY [104618]
FRONT SHOCK ABSORBER ASSEMBLY [104062]
FRONT SUSPENSION SHOCK ABSORBER [102298]
FUEL PUMP ASSEMBLY [102910]
GAS TANK ASSEMBLY [102909]
HANDLEBAR AND CONTROLS [103896]
HEADLIGHT AND WIRING ASSEMBLIES [103911]
HOOD AND AIR INTAKE ASSEMBLY [104621]
HYDRAULIC BRAKE CONTROL ASSEMBLY [97987]
IDLER WHEEL ASSEMBLY [103900]
MAGNETO [89829]
OIL PUMP [93329]
OIL TANK ASSEMBLY [100501]
PISTON AND CRANKSHAFT [91586]
REAR SUSPENSION FRONT ARM ASSEMBLY [104150]
REAR SUSPENSION FRONT ARM SHOCK ABSORBER [103902]
REAR SUSPENSION REAR ARM ASSEMBLY [104180]
REAR SUSPENSION REAR ARM SHOCK ABSORBER [103904]
RECOIL STARTER [89828]
REED VALVE ASSEMBLY [96875]
SEAT ASSEMBLY [104625]
SERVOMOTOR ASSEMBLY [91541]
SKI AND SPINDLE ASSEMBLY [103491]
SKID PLATE AND SIDE PANEL ASSEMBLY [104624]
SLIDE RAIL AND TRACK ASSEMBLY [104713]
STEERING POST ASSEMBLY [103895]
STEERING SUPPORT ASSEMBLY [103905]
THROTTLE BODY ASSEMBLY [91588]
TIE ROD ASSEMBLY [102614]
TUNNEL, REAR BUMPER, AND SNOWFLAP ASSEMBLY [104714]
WATER PUMP AND THERMOSTAT [93330]
WINDSHIELD AND INSTRUMENTS ASSEMBLIES [104622]
VIEW WISH LIST