Greenville, TX
|
Give Us a Call
(903) 454-4440
Toggle navigation
Home
Brands
Manufacturer Models
OEM Promotions
Polaris
Can-Am
E-Z-Go
Honda
Kawasaki
Suzuki
Inventory
All Inventory In Stock
New Inventory In Stock
Used Inventory
Value Your Trade-In
Request a Model
Schedule a Test Ride
Secure Financing
Parts
Parts Department
Parts Finder
Service
Service Department
Request Polaris Service
Warranty & Recall Look-Up
Specials
Financing
About
Our Dealership
Our Team
Reviews
Customer Survey
Employment
Events Calendar
Locations
Location & Hours
Contact
Parts Finder
Home
›
Parts
›
Parts Finder
Search by :
Part / Desc
VIN
Please Select
Arctic Cat
Honda
Kawasaki
Polaris
Suzuki
*Please enter at least 3 characters
SEARCH
Manufacturer
Arctic Cat
Snowmobiles
2016
ZR 6000 R XC GREEN INTERNATIONAL [S2016ACDCCOSG]
VIEW WISH LIST
Select a Section
Show/Hide
A-ARM AND SWAY BAR ASSEMBLY [101902]
BELT GUARD ASSEMBLY [101923]
CHAIN CASE ASSEMBLY [102828]
CONSOLE ASSEMBLY [102842]
COOLING ASSEMBLY [102847]
CRANKCASE ASSEMBLY [102853]
CYLINDER AND HEAD ASSEMBLY [102852]
DRIVE CLUTCH [102850]
DRIVE TRAIN SHAFTS AND BRAKE ASSEMBLIES [102827]
DRIVEN CLUTCH [102851]
ENGINE AND RELATED PARTS [102848]
EXHAUST ASSEMBLY [102849]
FRONT BUMPER AND FRAME ASSEMBLY [102838]
FRONT SHOCK ABSORBER ASSEMBLY [101903]
FRONT SUSPENSION SHOCK ABSORBER [102824]
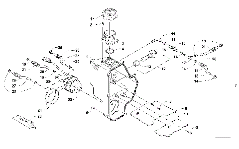
FUEL PUMP ASSEMBLY [102845]
GAS TANK ASSEMBLY [101924]
HANDLEBAR AND CONTROLS [102826]
HEADLIGHT AND WIRING ASSEMBLIES [102843]
HOOD AND AIR INTAKE ASSEMBLY [102840]
HYDRAULIC BRAKE CONTROL ASSEMBLY [97987]
IDLER WHEEL ASSEMBLY [102832]
MAGNETO [99677]
OIL TANK ASSEMBLY [102830]
PISTON AND CRANKSHAFT [102854]
REAR SUSPENSION FRONT ARM ASSEMBLY [102833]
REAR SUSPENSION FRONT ARM SHOCK ABSORBER [102834]
REAR SUSPENSION REAR ARM ASSEMBLY [102835]
REAR SUSPENSION REAR ARM SHOCK ABSORBER [102836]
RECOIL STARTER [99676]
REED VALVE ASSEMBLY [99673]
SEAT ASSEMBLY [102846]
SKI AND SPINDLE ASSEMBLY [101901]
SKID PLATE AND SIDE PANEL ASSEMBLY [102844]
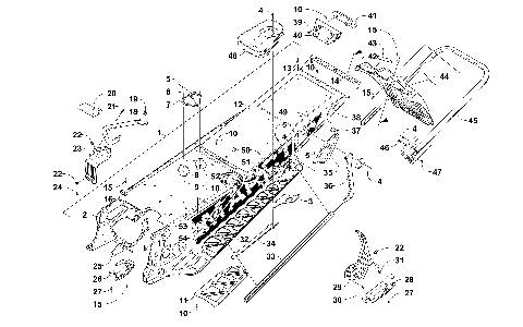
SLIDE RAIL AND TRACK ASSEMBLY [102831]
STEERING POST ASSEMBLY [102070]
STEERING SUPPORT ASSEMBLY [102837]
THROTTLE BODY ASSEMBLY [101769]
TIE ROD ASSEMBLY [102825]
TUNNEL, REAR BUMPER, AND SNOWFLAP ASSEMBLY [102839]
WATER PUMP AND THERMOSTAT [102855]
WINDSHIELD AND INSTRUMENTS ASSEMBLIES [104607]
A-ARM AND SWAY BAR ASSEMBLY [101902]
BELT GUARD ASSEMBLY [101923]
CHAIN CASE ASSEMBLY [102828]
CONSOLE ASSEMBLY [102842]
COOLING ASSEMBLY [102847]
CRANKCASE ASSEMBLY [102853]
CYLINDER AND HEAD ASSEMBLY [102852]
DRIVE CLUTCH [102850]
DRIVE TRAIN SHAFTS AND BRAKE ASSEMBLIES [102827]
DRIVEN CLUTCH [102851]
ENGINE AND RELATED PARTS [102848]
EXHAUST ASSEMBLY [102849]
FRONT BUMPER AND FRAME ASSEMBLY [102838]
FRONT SHOCK ABSORBER ASSEMBLY [101903]
FRONT SUSPENSION SHOCK ABSORBER [102824]
FUEL PUMP ASSEMBLY [102845]
GAS TANK ASSEMBLY [101924]
HANDLEBAR AND CONTROLS [102826]
HEADLIGHT AND WIRING ASSEMBLIES [102843]
HOOD AND AIR INTAKE ASSEMBLY [102840]
HYDRAULIC BRAKE CONTROL ASSEMBLY [97987]
IDLER WHEEL ASSEMBLY [102832]
MAGNETO [99677]
OIL TANK ASSEMBLY [102830]
PISTON AND CRANKSHAFT [102854]
REAR SUSPENSION FRONT ARM ASSEMBLY [102833]
REAR SUSPENSION FRONT ARM SHOCK ABSORBER [102834]
REAR SUSPENSION REAR ARM ASSEMBLY [102835]
REAR SUSPENSION REAR ARM SHOCK ABSORBER [102836]
RECOIL STARTER [99676]
REED VALVE ASSEMBLY [99673]
SEAT ASSEMBLY [102846]
SKI AND SPINDLE ASSEMBLY [101901]
SKID PLATE AND SIDE PANEL ASSEMBLY [102844]
SLIDE RAIL AND TRACK ASSEMBLY [102831]
STEERING POST ASSEMBLY [102070]
STEERING SUPPORT ASSEMBLY [102837]
THROTTLE BODY ASSEMBLY [101769]
TIE ROD ASSEMBLY [102825]
TUNNEL, REAR BUMPER, AND SNOWFLAP ASSEMBLY [102839]
WATER PUMP AND THERMOSTAT [102855]
WINDSHIELD AND INSTRUMENTS ASSEMBLIES [104607]
VIEW WISH LIST