Greenville, TX
|
Give Us a Call
(903) 454-4440
Toggle navigation
Home
Brands
Manufacturer Models
OEM Promotions
Polaris
Can-Am
E-Z-Go
Honda
Kawasaki
Suzuki
Inventory
All Inventory In Stock
New Inventory In Stock
Used Inventory
Value Your Trade-In
Request a Model
Schedule a Test Ride
Secure Financing
Parts
Parts Department
Parts Finder
Service
Service Department
Request Polaris Service
Warranty & Recall Look-Up
Specials
Financing
About
Our Dealership
Our Team
Reviews
Customer Survey
Employment
Events Calendar
Locations
Location & Hours
Contact
Parts Finder
Home
›
Parts
›
Parts Finder
Search by :
Part / Desc
VIN
Please Select
Arctic Cat
Honda
Kawasaki
Polaris
Suzuki
*Please enter at least 3 characters
SEARCH
Manufacturer
Arctic Cat
Snowmobiles
2015
XF 9000 SNO PRO 137 GREEN [S2015XFNSPUSG]
VIEW WISH LIST
Select a Section
Show/Hide
A-ARM AND SWAY BAR ASSEMBLY [99578]
BATTERY AND TRAY ASSEMBLY [101062]
BELT GUARD ASSEMBLY [101059]
CAM CHAIN ASSEMBLY [101065]
CAMSHAFT/VALVE ASSEMBLY [91414]
CHAIN CASE ASSEMBLY [102145]
CONSOLE ASSEMBLY [102123]
COOLING ASSEMBLY [102156]
CRANK BALANCER ASSEMBLY [89768]
CRANKCASE ASSEMBLY [95603]
CYLINDER HEAD ASSEMBLY [91791]
DRIVE CLUTCH [102050]
DRIVE TRAIN SHAFTS AND BRAKE ASSEMBLIES [101069]
DRIVEN CLUTCH [102051]
ELECTRICAL ASSEMBLY [95606]
ENGINE AND RELATED PARTS [101081]
EXHAUST ASSEMBLY [96732]
EXHAUST MANIFOLD ASSEMBLY [89773]
FRONT BUMPER AND FRAME ASSEMBLY [102126]
FRONT SHOCK ABSORBER ASSEMBLY [101849]
FRONT SUSPENSION SHOCK ABSORBER [101850]
FUEL PUMP ASSEMBLY [102048]
GAS TANK ASSEMBLY [101060]
HANDLEBAR AND CONTROLS [98684]
HEADLIGHT AND WIRING ASSEMBLIES [96765]
HOOD AND AIR INTAKE ASSEMBLY [102128]
HYDRAULIC BRAKE CONTROL ASSEMBLY [97987]
IDLER WHEEL ASSEMBLY [101005]
INTAKE MANIFOLD/FLANGE ASSEMBLY [89771]
INTERCOOLER ASSEMBLY [95597]
MAGNETO ASSEMBLY [91421]
MAGNETO COVER [91412]
OIL COOLER ASSEMBLY [89777]
OIL PAN ASSEMBLY [96613]
OIL PUMP ASSEMBLY [90508]
OIL TANK ASSEMBLY [101048]
PISTON AND CRANKSHAFT ASSEMBLY [91793]
REAR SUSPENSION FRONT ARM ASSEMBLY [98712]
REAR SUSPENSION FRONT ARM SHOCK ABSORBER [101006]
REAR SUSPENSION REAR ARM ASSEMBLY [101007]
REAR SUSPENSION REAR ARM SHOCK ABSORBER [104337]
SEAT ASSEMBLY [101389]
SKI AND SPINDLE ASSEMBLY [101848]
SKID PLATE AND SIDE PANEL ASSEMBLY [102149]
SLIDE RAIL AND TRACK ASSEMBLY [101303]
STARTER CLUTCH ASSEMBLY [89767]
STARTER MOTOR ASSEMBLY [91420]
STEERING POST ASSEMBLY [102070]
STEERING SUPPORT ASSEMBLY [101073]
THROTTLE BODY ASSEMBLY [89780]
TIE ROD ASSEMBLY [100591]
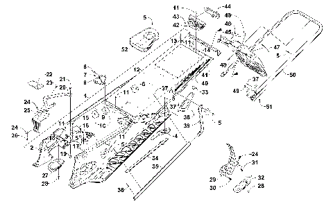
TUNNEL, REAR BUMPER, AND SNOWFLAP ASSEMBLY [102148]
TURBOCHARGER ASSEMBLY [95604]
WATER HOSE ASSEMBLY [91795]
WATER PUMP ASSEMBLY [89695]
WINDSHIELD AND INSTRUMENTS ASSEMBLIES [102129]
A-ARM AND SWAY BAR ASSEMBLY [99578]
BATTERY AND TRAY ASSEMBLY [101062]
BELT GUARD ASSEMBLY [101059]
CAM CHAIN ASSEMBLY [101065]
CAMSHAFT/VALVE ASSEMBLY [91414]
CHAIN CASE ASSEMBLY [102145]
CONSOLE ASSEMBLY [102123]
COOLING ASSEMBLY [102156]
CRANK BALANCER ASSEMBLY [89768]
CRANKCASE ASSEMBLY [95603]
CYLINDER HEAD ASSEMBLY [91791]
DRIVE CLUTCH [102050]
DRIVE TRAIN SHAFTS AND BRAKE ASSEMBLIES [101069]
DRIVEN CLUTCH [102051]
ELECTRICAL ASSEMBLY [95606]
ENGINE AND RELATED PARTS [101081]
EXHAUST ASSEMBLY [96732]
EXHAUST MANIFOLD ASSEMBLY [89773]
FRONT BUMPER AND FRAME ASSEMBLY [102126]
FRONT SHOCK ABSORBER ASSEMBLY [101849]
FRONT SUSPENSION SHOCK ABSORBER [101850]
FUEL PUMP ASSEMBLY [102048]
GAS TANK ASSEMBLY [101060]
HANDLEBAR AND CONTROLS [98684]
HEADLIGHT AND WIRING ASSEMBLIES [96765]
HOOD AND AIR INTAKE ASSEMBLY [102128]
HYDRAULIC BRAKE CONTROL ASSEMBLY [97987]
IDLER WHEEL ASSEMBLY [101005]
INTAKE MANIFOLD/FLANGE ASSEMBLY [89771]
INTERCOOLER ASSEMBLY [95597]
MAGNETO ASSEMBLY [91421]
MAGNETO COVER [91412]
OIL COOLER ASSEMBLY [89777]
OIL PAN ASSEMBLY [96613]
OIL PUMP ASSEMBLY [90508]
OIL TANK ASSEMBLY [101048]
PISTON AND CRANKSHAFT ASSEMBLY [91793]
REAR SUSPENSION FRONT ARM ASSEMBLY [98712]
REAR SUSPENSION FRONT ARM SHOCK ABSORBER [101006]
REAR SUSPENSION REAR ARM ASSEMBLY [101007]
REAR SUSPENSION REAR ARM SHOCK ABSORBER [104337]
SEAT ASSEMBLY [101389]
SKI AND SPINDLE ASSEMBLY [101848]
SKID PLATE AND SIDE PANEL ASSEMBLY [102149]
SLIDE RAIL AND TRACK ASSEMBLY [101303]
STARTER CLUTCH ASSEMBLY [89767]
STARTER MOTOR ASSEMBLY [91420]
STEERING POST ASSEMBLY [102070]
STEERING SUPPORT ASSEMBLY [101073]
THROTTLE BODY ASSEMBLY [89780]
TIE ROD ASSEMBLY [100591]
TUNNEL, REAR BUMPER, AND SNOWFLAP ASSEMBLY [102148]
TURBOCHARGER ASSEMBLY [95604]
WATER HOSE ASSEMBLY [91795]
WATER PUMP ASSEMBLY [89695]
WINDSHIELD AND INSTRUMENTS ASSEMBLIES [102129]
VIEW WISH LIST