Greenville, TX
|
Give Us a Call
(903) 454-4440
Toggle navigation
Home
Brands
Manufacturer Models
OEM Promotions
Polaris
Can-Am
E-Z-Go
Honda
Kawasaki
Suzuki
Inventory
All Inventory In Stock
New Inventory In Stock
Used Inventory
Value Your Trade-In
Request a Model
Schedule a Test Ride
Secure Financing
Parts
Parts Department
Parts Finder
Service
Service Department
Request Polaris Service
Warranty & Recall Look-Up
Specials
Financing
About
Our Dealership
Our Team
Reviews
Customer Survey
Employment
Events Calendar
Locations
Location & Hours
Contact
Parts Finder
Home
›
Parts
›
Parts Finder
Search by :
Part / Desc
VIN
Please Select
Arctic Cat
Honda
Kawasaki
Polaris
Suzuki
*Please enter at least 3 characters
SEARCH
Manufacturer
Arctic Cat
Snowmobiles
2015
BEARCAT 2000 XT ORANGE
VIEW WISH LIST
Select a Section
Show/Hide
A-ARM ASSEMBLY
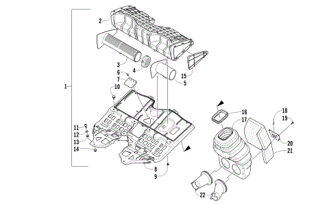
AIR SILENCER ASSEMBLY
ARTICULATING SKID FRAME ASSEMBLY
BATTERY AND TRAY ASSEMBLY
BELT GUARD ASSEMBLY
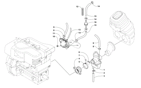
CARBURETOR
CARBURETOR AND FUEL PUMP ASSEMBLY
CHASSIS ASSEMBLY
CONSOLE ASSEMBLY
CRANKCASE AND CYLINDER
CYLINDER COWLING ASSEMBLY
DRIVE CLUTCH
DRIVE TRAIN SHAFT AND BRAKE ASSEMBLIES
DRIVEN CLUTCH
ELECTRIC START - STARTER MOTOR ASSEMBLY
ELECTRICAL
ENGINE AND RELATED PARTS
EXHAUST ASSEMBLY
FRONT SEAT ASSEMBLY
FRONT SHOCK ABSORBER ASSEMBLY
GAS TANK ASSEMBLY
GEARCASE ASSEMBLY
HANDLEBAR AND CONTROLS
HEADLIGHT AND WIRING ASSEMBLIES
HOOD, WINDSHIELD, AND FRONT BUMPER ASSEMBLY
HYDRAULIC BRAKE CONTROL ASSEMBLY
IDLER WHEEL ASSEMBLY
INTAKE ASSEMBLY
MAGNETO
OIL PUMP
OIL TANK ASSEMBLY
PISTON AND CRANKSHAFT
REAR BUMPER, RACK RAIL, SNOWFLAP, AND TAILLIGHT ASSEMBLY
REAR PASSENGER SEAT AND BACKREST ASSEMBLY
REAR SUSPENSION FRONT ARM ASSEMBLY
REAR SUSPENSION REAR ARM ASSEMBLY
RECOIL STARTER
REED VALVE ASSEMBLY
SEAT SUPPORT ASSEMBLY
SKI AND SPINDLE ASSEMBLY
SKID PLATE AND SIDE PANEL ASSEMBLY
SLIDE RAIL AND TRACK ASSEMBLY
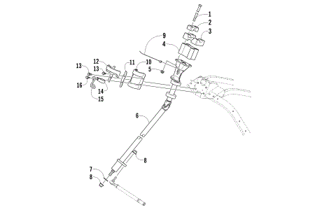
STEERING POST ASSEMBLY
STEERING SUPPORT ASSEMBLY
TIE ROD ASSEMBLY
A-ARM ASSEMBLY
AIR SILENCER ASSEMBLY
ARTICULATING SKID FRAME ASSEMBLY
BATTERY AND TRAY ASSEMBLY
BELT GUARD ASSEMBLY
CARBURETOR
CARBURETOR AND FUEL PUMP ASSEMBLY
CHASSIS ASSEMBLY
CONSOLE ASSEMBLY
CRANKCASE AND CYLINDER
CYLINDER COWLING ASSEMBLY
DRIVE CLUTCH
DRIVE TRAIN SHAFT AND BRAKE ASSEMBLIES
DRIVEN CLUTCH
ELECTRIC START - STARTER MOTOR ASSEMBLY
ELECTRICAL
ENGINE AND RELATED PARTS
EXHAUST ASSEMBLY
FRONT SEAT ASSEMBLY
FRONT SHOCK ABSORBER ASSEMBLY
GAS TANK ASSEMBLY
GEARCASE ASSEMBLY
HANDLEBAR AND CONTROLS
HEADLIGHT AND WIRING ASSEMBLIES
HOOD, WINDSHIELD, AND FRONT BUMPER ASSEMBLY
HYDRAULIC BRAKE CONTROL ASSEMBLY
IDLER WHEEL ASSEMBLY
INTAKE ASSEMBLY
MAGNETO
OIL PUMP
OIL TANK ASSEMBLY
PISTON AND CRANKSHAFT
REAR BUMPER, RACK RAIL, SNOWFLAP, AND TAILLIGHT ASSEMBLY
REAR PASSENGER SEAT AND BACKREST ASSEMBLY
REAR SUSPENSION FRONT ARM ASSEMBLY
REAR SUSPENSION REAR ARM ASSEMBLY
RECOIL STARTER
REED VALVE ASSEMBLY
SEAT SUPPORT ASSEMBLY
SKI AND SPINDLE ASSEMBLY
SKID PLATE AND SIDE PANEL ASSEMBLY
SLIDE RAIL AND TRACK ASSEMBLY
STEERING POST ASSEMBLY
STEERING SUPPORT ASSEMBLY
TIE ROD ASSEMBLY
VIEW WISH LIST