Greenville, TX
|
Give Us a Call
(903) 454-4440
Toggle navigation
Home
Brands
Manufacturer Models
OEM Promotions
Polaris
Can-Am
E-Z-Go
Honda
Kawasaki
Suzuki
Inventory
All Inventory In Stock
New Inventory In Stock
Used Inventory
Value Your Trade-In
Request a Model
Schedule a Test Ride
Secure Financing
Parts
Parts Department
Parts Finder
Service
Service Department
Request Polaris Service
Warranty & Recall Look-Up
Specials
Financing
About
Our Dealership
Our Team
Reviews
Customer Survey
Employment
Events Calendar
Locations
Location & Hours
Contact
Parts Finder
Home
›
Parts
›
Parts Finder
Search by :
Part / Desc
VIN
Please Select
Arctic Cat
Honda
Kawasaki
Polaris
Suzuki
*Please enter at least 3 characters
SEARCH
Manufacturer
Arctic Cat
Snowmobiles
2010
Z1 1100 EFI LXR GREEN
VIEW WISH LIST
Select a Section
Show/Hide
A-ARM AND SWAY BAR ASSEMBLY
AIR SILENCER ASSEMBLY
BATTERY AND TRAY ASSEMBLY
BELT GUARD ASSEMBLY
CAM CHAIN ASSEMBLY
CAMSHAFT/VALVE ASSEMBLY
CHASSIS, REAR BUMPER, AND SNOWFLAP ASSEMBLY
CONSOLE ASSEMBLY
COOLING ASSEMBLY
CRANK BALANCER ASSEMBLY
CRANKCASE ASSEMBLY
CYLINDER HEAD ASSEMBLY
DRIVE CLUTCH
DRIVE TRAIN SHAFT AND BRAKE ASSEMBLIES
DRIVEN CLUTCH
ENGINE AND RELATED PARTS
EXHAUST ASSEMBLY
EXHAUST MANIFOLD GASKET/INTAKE FLANGE ASSEMBLY
FRONT SUSPENSION SHOCK ABSORBER
FUEL PUMP ASSEMBLY
GAS TANK ASSEMBLY
GEARCASE ASSEMBLY
HANDLEBAR AND CONTROLS
HEADLIGHT AND WIRING ASSEMBLIES
HOOD, WINDSHIELD, AND FRONT BUMPER ASSEMBLY
HYDRAULIC BRAKE CONTROL ASSEMBLY
IDLER WHEEL ASSEMBLY
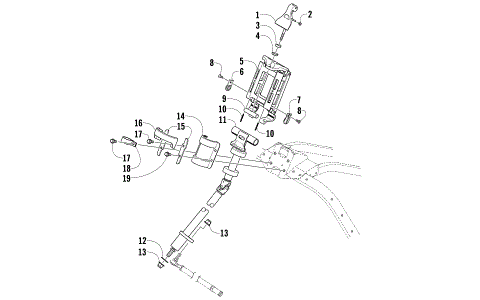
MAGNETO ASSEMBLY
MAGNETO COVER
OIL COOLER ASSEMBLY
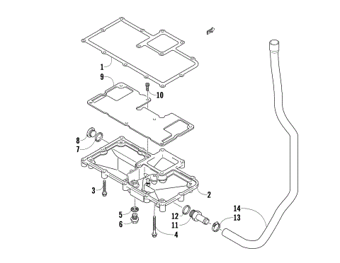
OIL PAN ASSEMBLY
OIL PUMP ASSEMBLY
OIL SEPARATOR ASSEMBLY
OIL TANK ASSEMBLY
PISTON AND CRANKSHAFT ASSEMBLY
REAR SUSPENSION FRONT ARM ASSEMBLY
REAR SUSPENSION FRONT ARM SHOCK ABSORBER
REAR SUSPENSION REAR ARM ASSEMBLY
REAR SUSPENSION REAR ARM SHOCK ABSORBER
SEAT ASSEMBLY
SEAT SUPPORT ASSEMBLY
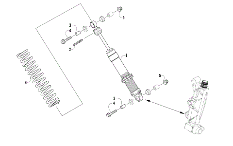
SHOCK ABSORBER ASSEMBLY
SKI AND SPINDLE ASSEMBLY
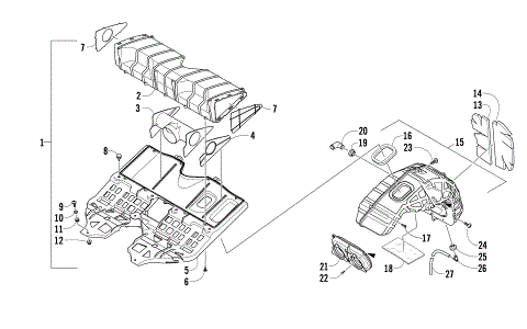
SKID PLATE AND SIDE PANEL ASSEMBLY
SLIDE RAIL AND TRACK ASSEMBLY
STARTER CLUTCH ASSEMBLY
STARTER MOTOR ASSEMBLY
STEERING POST ASSEMBLY
STEERING SUPPORT ASSEMBLY
THROTTLE BODY ASSEMBLY
TIE ROD ASSEMBLY
WATER HOSE ASSEMBLY
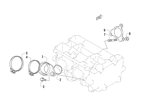
WATER PUMP ASSEMBLY
A-ARM AND SWAY BAR ASSEMBLY
AIR SILENCER ASSEMBLY
BATTERY AND TRAY ASSEMBLY
BELT GUARD ASSEMBLY
CAM CHAIN ASSEMBLY
CAMSHAFT/VALVE ASSEMBLY
CHASSIS, REAR BUMPER, AND SNOWFLAP ASSEMBLY
CONSOLE ASSEMBLY
COOLING ASSEMBLY
CRANK BALANCER ASSEMBLY
CRANKCASE ASSEMBLY
CYLINDER HEAD ASSEMBLY
DRIVE CLUTCH
DRIVE TRAIN SHAFT AND BRAKE ASSEMBLIES
DRIVEN CLUTCH
ENGINE AND RELATED PARTS
EXHAUST ASSEMBLY
EXHAUST MANIFOLD GASKET/INTAKE FLANGE ASSEMBLY
FRONT SUSPENSION SHOCK ABSORBER
FUEL PUMP ASSEMBLY
GAS TANK ASSEMBLY
GEARCASE ASSEMBLY
HANDLEBAR AND CONTROLS
HEADLIGHT AND WIRING ASSEMBLIES
HOOD, WINDSHIELD, AND FRONT BUMPER ASSEMBLY
HYDRAULIC BRAKE CONTROL ASSEMBLY
IDLER WHEEL ASSEMBLY
MAGNETO ASSEMBLY
MAGNETO COVER
OIL COOLER ASSEMBLY
OIL PAN ASSEMBLY
OIL PUMP ASSEMBLY
OIL SEPARATOR ASSEMBLY
OIL TANK ASSEMBLY
PISTON AND CRANKSHAFT ASSEMBLY
REAR SUSPENSION FRONT ARM ASSEMBLY
REAR SUSPENSION FRONT ARM SHOCK ABSORBER
REAR SUSPENSION REAR ARM ASSEMBLY
REAR SUSPENSION REAR ARM SHOCK ABSORBER
SEAT ASSEMBLY
SEAT SUPPORT ASSEMBLY
SHOCK ABSORBER ASSEMBLY
SKI AND SPINDLE ASSEMBLY
SKID PLATE AND SIDE PANEL ASSEMBLY
SLIDE RAIL AND TRACK ASSEMBLY
STARTER CLUTCH ASSEMBLY
STARTER MOTOR ASSEMBLY
STEERING POST ASSEMBLY
STEERING SUPPORT ASSEMBLY
THROTTLE BODY ASSEMBLY
TIE ROD ASSEMBLY
WATER HOSE ASSEMBLY
WATER PUMP ASSEMBLY
VIEW WISH LIST