Greenville, TX
|
Give Us a Call
(903) 454-4440
Toggle navigation
Home
Brands
Manufacturer Models
OEM Promotions
Polaris
Can-Am
E-Z-Go
Honda
Kawasaki
Suzuki
Inventory
All Inventory In Stock
New Inventory In Stock
Used Inventory
Value Your Trade-In
Request a Model
Schedule a Test Ride
Secure Financing
Parts
Parts Department
Parts Finder
Service
Service Department
Request Polaris Service
Warranty & Recall Look-Up
Specials
Financing
About
Our Dealership
Our Team
Reviews
Customer Survey
Employment
Events Calendar
Locations
Location & Hours
Contact
Parts Finder
Home
›
Parts
›
Parts Finder
Search by :
Part / Desc
VIN
Please Select
Arctic Cat
Honda
Kawasaki
Polaris
Suzuki
*Please enter at least 3 characters
SEARCH
Manufacturer
Arctic Cat
Snowmobiles
2008
JAGUAR Z1 EFI SNO PRO NIGHTFIRE [S2008Z1NNFUSB]
VIEW WISH LIST
Select a Section
Show/Hide
A-ARM AND SWAY BAR ASSEMBLY [90549]
AIR SILENCER ASSEMBLY [89678]
BATTERY AND TRAY ASSEMBLY [88230]
BELT GUARD ASSEMBLY [88232]
CAM CHAIN ASSEMBLY [101065]
CAMSHAFT/VALVE ASSEMBLY [88261]
CHASSIS ASSEMBLY [88277]
CONSOLE ASSEMBLY [88270]
COOLING ASSEMBLY [88238]
CRANK BALANCER ASSEMBLY [89768]
CRANKCASE ASSEMBLY [86370]
CYLINDER HEAD ASSEMBLY [90059]
DRIVE CLUTCH [91458]
DRIVE TRAIN SHAFT AND BRAKE ASSEMBLIES [88223]
DRIVEN CLUTCH [94681]
ENGINE AND RELATED PARTS [88258]
EXHAUST ASSEMBLY [88239]
EXHAUST MANIFOLD GASKET/INTAKE FLANGE ASSEMBLY [91415]
FRONT SHOCK ABSORBER ASSEMBLY [86359]
FRONT SUSPENSION SHOCK ABSORBER [86360]
FUEL PUMP ASSEMBLY [88234]
GAS TANK ASSEMBLY [88248]
GEARCASE ASSEMBLY [88254]
HANDLEBAR AND CONTROLS [88221]
HEADLIGHT AND WIRING ASSEMBLIES [88228]
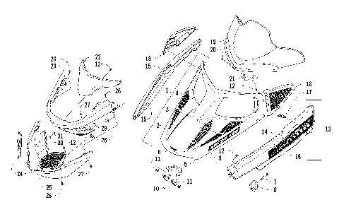
HOOD, WINDSHIELD, AND FRONT BUMPER ASSEMBLY [88246]
HYDRAULIC BRAKE CONTROL ASSEMBLY [97037]
IDLER WHEEL ASSEMBLY [88267]
MAGNETO ASSEMBLY [91421]
MAGNETO COVER [91412]
OIL COOLER ASSEMBLY [89694]
OIL PAN ASSEMBLY [86375]
OIL PUMP ASSEMBLY [90508]
OIL TANK ASSEMBLY [88241]
PISTON AND CRANKSHAFT ASSEMBLY [90060]
REAR BUMPER, STORAGE BOX, AND TAILLIGHT ASSEMBLY [88190]
REAR SUSPENSION FRONT ARM ASSEMBLY [88245]
REAR SUSPENSION FRONT ARM SHOCK ABSORBER [86636]
REAR SUSPENSION REAR ARM ASSEMBLY [89487]
REAR SUSPENSION REAR ARM SHOCK ABSORBER [89488]
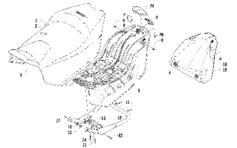
SEAT ASSEMBLY [88189]
SEAT SUPPORT ASSEMBLY [88235]
SKI AND SPINDLE ASSEMBLY [87942]
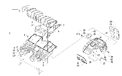
SKID PLATE AND SIDE PANEL ASSEMBLY [88247]
SLIDE RAILS AND TRACK ASSEMBLY [88264]
STARTER CLUTCH ASSEMBLY [89767]
STARTER MOTOR ASSEMBLY [91420]
STEERING POST ASSEMBLY [88244]
STEERING SUPPORT ASSEMBLY [88278]
THROTTLE BODY ASSEMBLY [86353]
TIE ROD ASSEMBLY [90236]
WATER HOSE ASSEMBLY [89696]
WATER PUMP ASSEMBLY [89695]
A-ARM AND SWAY BAR ASSEMBLY [90549]
AIR SILENCER ASSEMBLY [89678]
BATTERY AND TRAY ASSEMBLY [88230]
BELT GUARD ASSEMBLY [88232]
CAM CHAIN ASSEMBLY [101065]
CAMSHAFT/VALVE ASSEMBLY [88261]
CHASSIS ASSEMBLY [88277]
CONSOLE ASSEMBLY [88270]
COOLING ASSEMBLY [88238]
CRANK BALANCER ASSEMBLY [89768]
CRANKCASE ASSEMBLY [86370]
CYLINDER HEAD ASSEMBLY [90059]
DRIVE CLUTCH [91458]
DRIVE TRAIN SHAFT AND BRAKE ASSEMBLIES [88223]
DRIVEN CLUTCH [94681]
ENGINE AND RELATED PARTS [88258]
EXHAUST ASSEMBLY [88239]
EXHAUST MANIFOLD GASKET/INTAKE FLANGE ASSEMBLY [91415]
FRONT SHOCK ABSORBER ASSEMBLY [86359]
FRONT SUSPENSION SHOCK ABSORBER [86360]
FUEL PUMP ASSEMBLY [88234]
GAS TANK ASSEMBLY [88248]
GEARCASE ASSEMBLY [88254]
HANDLEBAR AND CONTROLS [88221]
HEADLIGHT AND WIRING ASSEMBLIES [88228]
HOOD, WINDSHIELD, AND FRONT BUMPER ASSEMBLY [88246]
HYDRAULIC BRAKE CONTROL ASSEMBLY [97037]
IDLER WHEEL ASSEMBLY [88267]
MAGNETO ASSEMBLY [91421]
MAGNETO COVER [91412]
OIL COOLER ASSEMBLY [89694]
OIL PAN ASSEMBLY [86375]
OIL PUMP ASSEMBLY [90508]
OIL TANK ASSEMBLY [88241]
PISTON AND CRANKSHAFT ASSEMBLY [90060]
REAR BUMPER, STORAGE BOX, AND TAILLIGHT ASSEMBLY [88190]
REAR SUSPENSION FRONT ARM ASSEMBLY [88245]
REAR SUSPENSION FRONT ARM SHOCK ABSORBER [86636]
REAR SUSPENSION REAR ARM ASSEMBLY [89487]
REAR SUSPENSION REAR ARM SHOCK ABSORBER [89488]
SEAT ASSEMBLY [88189]
SEAT SUPPORT ASSEMBLY [88235]
SKI AND SPINDLE ASSEMBLY [87942]
SKID PLATE AND SIDE PANEL ASSEMBLY [88247]
SLIDE RAILS AND TRACK ASSEMBLY [88264]
STARTER CLUTCH ASSEMBLY [89767]
STARTER MOTOR ASSEMBLY [91420]
STEERING POST ASSEMBLY [88244]
STEERING SUPPORT ASSEMBLY [88278]
THROTTLE BODY ASSEMBLY [86353]
TIE ROD ASSEMBLY [90236]
WATER HOSE ASSEMBLY [89696]
WATER PUMP ASSEMBLY [89695]
VIEW WISH LIST