Greenville, TX
|
Give Us a Call
(903) 454-4440
Toggle navigation
Home
Brands
Manufacturer Models
OEM Promotions
Polaris
Can-Am
E-Z-Go
Honda
Kawasaki
Suzuki
Inventory
All Inventory In Stock
New Inventory In Stock
Used Inventory
Value Your Trade-In
Request a Model
Schedule a Test Ride
Secure Financing
Parts
Parts Department
Parts Finder
Service
Service Department
Request Polaris Service
Warranty & Recall Look-Up
Specials
Financing
About
Our Dealership
Our Team
Reviews
Customer Survey
Employment
Events Calendar
Locations
Location & Hours
Contact
Parts Finder
Home
›
Parts
›
Parts Finder
Search by :
Part / Desc
VIN
Please Select
Arctic Cat
Honda
Kawasaki
Polaris
Suzuki
*Please enter at least 3 characters
SEARCH
Manufacturer
Arctic Cat
ATVs
2024
ALTERRA 600 TRV LTD EPS 49 FOSSIL [A2024ANQ2PUSK]
VIEW WISH LIST
Select a Section
Show/Hide
AIR INTAKE AND BELT COOLING ASSEMBLY [304048]
AIR INTAKE AND BELT COOLING ASSEMBLY [304423]
BATTERY AND STARTER ASSEMBLY [304469]
CARGO RACK ASSEMBLY [304220]
CLUTCH ASSEMBLIES [305822]
CLUTCH COVER ASSEMBLY [305653]
COOLING ASSEMBLY [304359]
CRANKCASE ASSEMBLY [304059]
CRANKSHAFT BALANCER ASSEMBLIES [304060]
CYLINDER HEAD ASSEMBLY [304056]
DECALS [305773]
DRIVE TRAIN ASSEMBLY [304360]
ELECTRICAL COMPONENTS [304465]
ENGINE AND RELATED [304049]
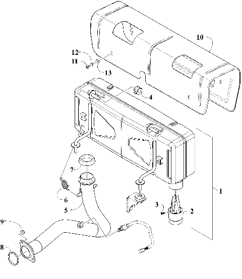
EXHAUST ASSEMBLY [304358]
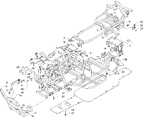
FRAME AND RELATED PARTS [305770]
FRONT BODY PANEL ASSEMBLY [304219]
FRONT DRIVE GEARCASE ASSEMBLY [304396]
FRONT SUSPENSION ASSEMBLY [305771]
GAS TANK ASSEMBLY [304356]
HANDLEBAR ASSEMBLY [304464]
HANDLEBAR ASSEMBLY [305893]
HYDRAULIC BRAKE ASSEMBLY [305603]
OIL PAN ASSEMBLY [304063]
PASSENGER SEAT AND BACKREST ASSEMBLY [305654]
REAR BODY PANEL ASSEMBLY [305769]
REAR SUSPENSION ASSEMBLY [305772]
SEAT ASSEMBLY [305652]
SHIFT LEVER ASSEMBLY [304357]
STATOR, FLYWHEEL AND STARTER GEAR ASSEMBLIES [304067]
STEERING ASSEMBLY [304349]
THROTTLE BODY ASSEMBLY [304363]
TRANSAXLE ASSEMBLY [305657]
TRANSAXLE CASE/COVER [305549]
VALVE TRAIN AND CAM ASSEMBLIES [304058]
WATER PUMP ASSEMBLY [304064]
WHEEL AND TIRE ASSEMBLY [304327]
WINCH [304069]
AIR INTAKE AND BELT COOLING ASSEMBLY [304048]
AIR INTAKE AND BELT COOLING ASSEMBLY [304423]
BATTERY AND STARTER ASSEMBLY [304469]
CARGO RACK ASSEMBLY [304220]
CLUTCH ASSEMBLIES [305822]
CLUTCH COVER ASSEMBLY [305653]
COOLING ASSEMBLY [304359]
CRANKCASE ASSEMBLY [304059]
CRANKSHAFT BALANCER ASSEMBLIES [304060]
CYLINDER HEAD ASSEMBLY [304056]
DECALS [305773]
DRIVE TRAIN ASSEMBLY [304360]
ELECTRICAL COMPONENTS [304465]
ENGINE AND RELATED [304049]
EXHAUST ASSEMBLY [304358]
FRAME AND RELATED PARTS [305770]
FRONT BODY PANEL ASSEMBLY [304219]
FRONT DRIVE GEARCASE ASSEMBLY [304396]
FRONT SUSPENSION ASSEMBLY [305771]
GAS TANK ASSEMBLY [304356]
HANDLEBAR ASSEMBLY [304464]
HANDLEBAR ASSEMBLY [305893]
HYDRAULIC BRAKE ASSEMBLY [305603]
OIL PAN ASSEMBLY [304063]
PASSENGER SEAT AND BACKREST ASSEMBLY [305654]
REAR BODY PANEL ASSEMBLY [305769]
REAR SUSPENSION ASSEMBLY [305772]
SEAT ASSEMBLY [305652]
SHIFT LEVER ASSEMBLY [304357]
STATOR, FLYWHEEL AND STARTER GEAR ASSEMBLIES [304067]
STEERING ASSEMBLY [304349]
THROTTLE BODY ASSEMBLY [304363]
TRANSAXLE ASSEMBLY [305657]
TRANSAXLE CASE/COVER [305549]
VALVE TRAIN AND CAM ASSEMBLIES [304058]
WATER PUMP ASSEMBLY [304064]
WHEEL AND TIRE ASSEMBLY [304327]
WINCH [304069]
VIEW WISH LIST