Greenville, TX
|
Give Us a Call
(903) 454-4440
Toggle navigation
Home
Brands
Manufacturer Models
OEM Promotions
Polaris
Can-Am
E-Z-Go
Honda
Kawasaki
Suzuki
Inventory
All Inventory In Stock
New Inventory In Stock
Used Inventory
Value Your Trade-In
Request a Model
Schedule a Test Ride
Secure Financing
Parts
Parts Department
Parts Finder
Service
Service Department
Request Polaris Service
Warranty & Recall Look-Up
Specials
Financing
About
Our Dealership
Our Team
Reviews
Customer Survey
Employment
Events Calendar
Locations
Location & Hours
Contact
Parts Finder
Home
›
Parts
›
Parts Finder
Search by :
Part / Desc
VIN
Please Select
Arctic Cat
Honda
Kawasaki
Polaris
Suzuki
*Please enter at least 3 characters
SEARCH
Manufacturer
Arctic Cat
ATVs
2024
ALTERRA 600 EPS 50 GREEN [A2024AEQ2PCAM]
VIEW WISH LIST
Select a Section
Show/Hide
AIR INTAKE AND BELT COOLING ASSEMBLY [304048]
BATTERY AND STARTER ASSEMBLY [304377]
CARGO RACK ASSEMBLY [304033]
CLUTCH ASSEMBLIES [305822]
CLUTCH COVER ASSEMBLY [305655]
COOLING ASSEMBLY [304051]
CRANKCASE ASSEMBLY [304059]
CRANKSHAFT BALANCER ASSEMBLIES [304060]
CYLINDER HEAD ASSEMBLY [304057]
DECALS [305757]
DRIVE TRAIN ASSEMBLY [304052]
ELECTRICAL COMPONENTS [304372]
ENGINE AND RELATED [304049]
EXHAUST ASSEMBLY [304376]
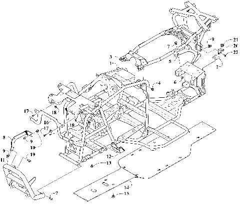
FRAME AND RELATED PARTS [304390]
FRONT BODY PANEL ASSEMBLY [304309]
FRONT DRIVE GEARCASE ASSEMBLY [304361]
FRONT SUSPENSION ASSEMBLY [305758]
GAS TANK ASSEMBLY/FUEL VAPOR RECOVERY [304071]
HANDLEBAR ASSEMBLY [304039]
HANDLEBAR ASSEMBLY [305870]
HYDRAULIC BRAKE ASSEMBLY [305559]
OIL PAN ASSEMBLY [304063]
REAR BODY PANEL ASSEMBLY [305755]
REAR SUSPENSION ASSEMBLY [305756]
SEAT ASSEMBLY [305656]
SHIFT LEVER ASSEMBLY [304047]
STATOR, FLYWHEEL AND STARTER GEAR ASSEMBLIES [304067]
STEERING ASSEMBLY [304349]
THROTTLE BODY ASSEMBLY [304388]
TRANSAXLE ASSEMBLY [304403]
TRANSAXLE CASE/COVER [304066]
VALVE TRAIN AND CAM ASSEMBLIES [304058]
WATER PUMP ASSEMBLY [304064]
WHEEL AND TIRE ASSEMBLY [304044]
AIR INTAKE AND BELT COOLING ASSEMBLY [304048]
BATTERY AND STARTER ASSEMBLY [304377]
CARGO RACK ASSEMBLY [304033]
CLUTCH ASSEMBLIES [305822]
CLUTCH COVER ASSEMBLY [305655]
COOLING ASSEMBLY [304051]
CRANKCASE ASSEMBLY [304059]
CRANKSHAFT BALANCER ASSEMBLIES [304060]
CYLINDER HEAD ASSEMBLY [304057]
DECALS [305757]
DRIVE TRAIN ASSEMBLY [304052]
ELECTRICAL COMPONENTS [304372]
ENGINE AND RELATED [304049]
EXHAUST ASSEMBLY [304376]
FRAME AND RELATED PARTS [304390]
FRONT BODY PANEL ASSEMBLY [304309]
FRONT DRIVE GEARCASE ASSEMBLY [304361]
FRONT SUSPENSION ASSEMBLY [305758]
GAS TANK ASSEMBLY/FUEL VAPOR RECOVERY [304071]
HANDLEBAR ASSEMBLY [304039]
HANDLEBAR ASSEMBLY [305870]
HYDRAULIC BRAKE ASSEMBLY [305559]
OIL PAN ASSEMBLY [304063]
REAR BODY PANEL ASSEMBLY [305755]
REAR SUSPENSION ASSEMBLY [305756]
SEAT ASSEMBLY [305656]
SHIFT LEVER ASSEMBLY [304047]
STATOR, FLYWHEEL AND STARTER GEAR ASSEMBLIES [304067]
STEERING ASSEMBLY [304349]
THROTTLE BODY ASSEMBLY [304388]
TRANSAXLE ASSEMBLY [304403]
TRANSAXLE CASE/COVER [304066]
VALVE TRAIN AND CAM ASSEMBLIES [304058]
WATER PUMP ASSEMBLY [304064]
WHEEL AND TIRE ASSEMBLY [304044]
VIEW WISH LIST