Greenville, TX
|
Give Us a Call
(903) 454-4440
Toggle navigation
Home
Brands
Manufacturer Models
OEM Promotions
Polaris
Can-Am
E-Z-Go
Honda
Kawasaki
Suzuki
Inventory
All Inventory In Stock
New Inventory In Stock
Used Inventory
Value Your Trade-In
Request a Model
Schedule a Test Ride
Secure Financing
Parts
Parts Department
Parts Finder
Service
Service Department
Request Polaris Service
Warranty & Recall Look-Up
Specials
Financing
About
Our Dealership
Our Team
Reviews
Customer Survey
Employment
Events Calendar
Locations
Location & Hours
Contact
Parts Finder
Home
›
Parts
›
Parts Finder
Search by :
Part / Desc
VIN
Please Select
Arctic Cat
Honda
Kawasaki
Polaris
Suzuki
*Please enter at least 3 characters
SEARCH
Manufacturer
Arctic Cat
ATVs
2020
ALTERRA TRV 500 RED [A2020THK4CUSM]
VIEW WISH LIST
Select a Section
Show/Hide
AIR INTAKE ASSEMBLY [301802]
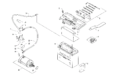
BATTERY AND STARTER ASSEMBLY [303625]
CAM CHAIN ASSEMBLY [92764]
CASE/BELT COOLING ASSEMBLY [301805]
CLUTCH AND DRIVE BELT ASSEMBLY [100382]
CLUTCH/DRIVE BELT/MAGNETO COVER ASSEMBLY [92767]
COOLING ASSEMBLY [301804]
CRANKCASE ASSEMBLY [99951]
CRANKSHAFT, BALANCER, STARTER GEAR, AND PISTON ASSEMBLIES [302158]
CYLINDER ASSEMBLY [92762]
CYLINDER HEAD AND CAMSHAFT/VALVE ASSEMBLY [99950]
DECALS [303626]
DRIVE TRAIN ASSEMBLY [301676]
ENGINE AND EXHAUST [303721]
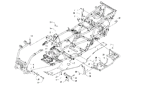
FRAME AND RELATED PARTS [301797]
FRONT BODY PANEL AND HEADLIGHT ASSEMBLIES [303618]
FRONT DRIVE GEARCASE ASSEMBLY [300996]
FRONT RACK AND SIDE PANEL ASSEMBLIES [303620]
FRONT SUSPENSION ASSEMBLY [301640]
GAS TANK ASSEMBLY [301801]
GEAR SHIFTING ASSEMBLY [300431]
HANDLEBAR ASSEMBLY [303624]
HYDRAULIC BRAKE ASSEMBLY [302270]
INSTRUMENT POD ASSEMBLY [303850]
MAGNETO ASSEMBLY [300997]
OIL PUMP AND STRAINER ASSEMBLY [92405]
PASSENGER SEAT AND BACKREST ASSEMBLY [301636]
REAR DRIVE GEARCASE ASSEMBLY [300080]
REAR RACK, BODY PANEL, FOOTWELL, AND TAILLIGHT ASSEMBLIES [303622]
REAR SUSPENSION ASSEMBLY [301800]
SEAT ASSEMBLY [301635]
SECONDARY DRIVE ASSEMBLY [99955]
SECONDARY TRANSMISSION ASSEMBLY [99953]
SHIFT LEVER ASSEMBLY [301645]
STEERING ASSEMBLY [301798]
THROTTLE BODY ASSEMBLY [307808]
WATER PUMP ASSEMBLY [92768]
WHEEL AND TIRE ASSEMBLY [301727]
WIRING HARNESS ASSEMBLY [301806]
AIR INTAKE ASSEMBLY [301802]
BATTERY AND STARTER ASSEMBLY [303625]
CAM CHAIN ASSEMBLY [92764]
CASE/BELT COOLING ASSEMBLY [301805]
CLUTCH AND DRIVE BELT ASSEMBLY [100382]
CLUTCH/DRIVE BELT/MAGNETO COVER ASSEMBLY [92767]
COOLING ASSEMBLY [301804]
CRANKCASE ASSEMBLY [99951]
CRANKSHAFT, BALANCER, STARTER GEAR, AND PISTON ASSEMBLIES [302158]
CYLINDER ASSEMBLY [92762]
CYLINDER HEAD AND CAMSHAFT/VALVE ASSEMBLY [99950]
DECALS [303626]
DRIVE TRAIN ASSEMBLY [301676]
ENGINE AND EXHAUST [303721]
FRAME AND RELATED PARTS [301797]
FRONT BODY PANEL AND HEADLIGHT ASSEMBLIES [303618]
FRONT DRIVE GEARCASE ASSEMBLY [300996]
FRONT RACK AND SIDE PANEL ASSEMBLIES [303620]
FRONT SUSPENSION ASSEMBLY [301640]
GAS TANK ASSEMBLY [301801]
GEAR SHIFTING ASSEMBLY [300431]
HANDLEBAR ASSEMBLY [303624]
HYDRAULIC BRAKE ASSEMBLY [302270]
INSTRUMENT POD ASSEMBLY [303850]
MAGNETO ASSEMBLY [300997]
OIL PUMP AND STRAINER ASSEMBLY [92405]
PASSENGER SEAT AND BACKREST ASSEMBLY [301636]
REAR DRIVE GEARCASE ASSEMBLY [300080]
REAR RACK, BODY PANEL, FOOTWELL, AND TAILLIGHT ASSEMBLIES [303622]
REAR SUSPENSION ASSEMBLY [301800]
SEAT ASSEMBLY [301635]
SECONDARY DRIVE ASSEMBLY [99955]
SECONDARY TRANSMISSION ASSEMBLY [99953]
SHIFT LEVER ASSEMBLY [301645]
STEERING ASSEMBLY [301798]
THROTTLE BODY ASSEMBLY [307808]
WATER PUMP ASSEMBLY [92768]
WHEEL AND TIRE ASSEMBLY [301727]
WIRING HARNESS ASSEMBLY [301806]
VIEW WISH LIST