Greenville, TX
|
Give Us a Call
(903) 454-4440
Toggle navigation
Home
Brands
Manufacturer Models
OEM Promotions
Polaris
Can-Am
E-Z-Go
Honda
Kawasaki
Suzuki
Inventory
All Inventory In Stock
New Inventory In Stock
Used Inventory
Value Your Trade-In
Request a Model
Schedule a Test Ride
Secure Financing
Parts
Parts Department
Parts Finder
Service
Service Department
Request Polaris Service
Warranty & Recall Look-Up
Specials
Financing
About
Our Dealership
Our Team
Reviews
Customer Survey
Employment
Events Calendar
Locations
Location & Hours
Contact
Parts Finder
Home
›
Parts
›
Parts Finder
Search by :
Part / Desc
VIN
Please Select
Arctic Cat
Honda
Kawasaki
Polaris
Suzuki
*Please enter at least 3 characters
SEARCH
Manufacturer
Arctic Cat
ATVs
2019
ATV ALTERRA 700 XT EPS T3 BLUE [A2019XCT1P3TE]
VIEW WISH LIST
Select a Section
Show/Hide
AIR INTAKE ASSEMBLY [302004]
BATTERY AND STARTER ASSEMBLY [302787]
CAM CHAIN ASSEMBLY [300283]
CASE/BELT COOLING ASSEMBLY [300277]
CLUTCH/V-BELT/MAGNETO COVER ASSEMBLY [301608]
CONSOLE AND INSTRUMENT ASSEMBLY [303286]
COOLING ASSEMBLY [300276]
CRANK BALANCER ASSEMBLY [301654]
CRANKCASE ASSEMBLY [302118]
CRANKSHAFT AND PISTON ASSEMBLY [301781]
CYLINDER ASSEMBLY [300291]
CYLINDER HEAD AND CAMSHAFT/VALVE ASSEMBLY [300292]
DECALS [303291]
DRIVE TRAIN ASSEMBLY [104827]
EMERGENCY BRAKE ASSEMBLY [300928]
ENGINE AND EXHAUST [302005]
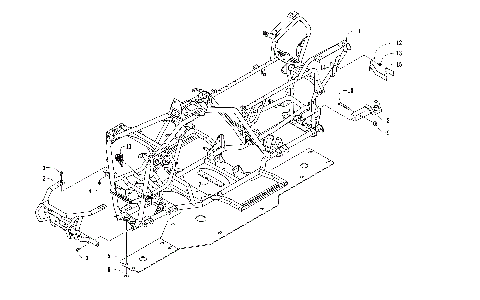
FRAME AND RELATED PARTS [302001]
FRONT BODY PANEL AND HEADLIGHT ASSEMBLIES [303279]
FRONT DRIVE GEARCASE ASSEMBLY [301128]
FRONT RACK AND SIDE PANEL ASSEMBLIES [303280]
FRONT SUSPENSION ASSEMBLY [303287]
GAS TANK ASSEMBLY [302166]
GEAR SHIFTING ASSEMBLY [302708]
HANDLEBAR ASSEMBLY [303285]
HYDRAULIC BRAKE ASSEMBLY [302003]
LICENSE PLATE HOLDER ASSEMBLY [303283]
MAGNETO ASSEMBLY [300128]
OIL FILTER/PUMP ASSEMBLY [301655]
REAR DRIVE GEARCASE ASSEMBLY [300080]
REAR RACK, BODY PANEL, FOOTWELL, AND TAILLIGHT ASSEMBLIES [303281]
REAR SUSPENSION ASSEMBLY [303288]
SEAT ASSEMBLY [303284]
SECONDARY DRIVE ASSEMBLY [302806]
SECONDARY TRANSMISSION ASSEMBLY [303216]
SHIFT LEVER ASSEMBLY [300273]
STARTER CLUTCH ASSEMBLY [300126]
STEERING ASSEMBLY [301597]
SWAY BAR ASSEMBLY [303289]
THROTTLE BODY ASSEMBLY [300280]
TRANSMISSION ASSEMBLY [302207]
WATER PUMP ASSEMBLY [301656]
WHEEL AND TIRE ASSEMBLY [302786]
WINCH ASSEMBLY [303282]
WIRING HARNESS ASSEMBLY [303290]
AIR INTAKE ASSEMBLY [302004]
BATTERY AND STARTER ASSEMBLY [302787]
CAM CHAIN ASSEMBLY [300283]
CASE/BELT COOLING ASSEMBLY [300277]
CLUTCH/V-BELT/MAGNETO COVER ASSEMBLY [301608]
CONSOLE AND INSTRUMENT ASSEMBLY [303286]
COOLING ASSEMBLY [300276]
CRANK BALANCER ASSEMBLY [301654]
CRANKCASE ASSEMBLY [302118]
CRANKSHAFT AND PISTON ASSEMBLY [301781]
CYLINDER ASSEMBLY [300291]
CYLINDER HEAD AND CAMSHAFT/VALVE ASSEMBLY [300292]
DECALS [303291]
DRIVE TRAIN ASSEMBLY [104827]
EMERGENCY BRAKE ASSEMBLY [300928]
ENGINE AND EXHAUST [302005]
FRAME AND RELATED PARTS [302001]
FRONT BODY PANEL AND HEADLIGHT ASSEMBLIES [303279]
FRONT DRIVE GEARCASE ASSEMBLY [301128]
FRONT RACK AND SIDE PANEL ASSEMBLIES [303280]
FRONT SUSPENSION ASSEMBLY [303287]
GAS TANK ASSEMBLY [302166]
GEAR SHIFTING ASSEMBLY [302708]
HANDLEBAR ASSEMBLY [303285]
HYDRAULIC BRAKE ASSEMBLY [302003]
LICENSE PLATE HOLDER ASSEMBLY [303283]
MAGNETO ASSEMBLY [300128]
OIL FILTER/PUMP ASSEMBLY [301655]
REAR DRIVE GEARCASE ASSEMBLY [300080]
REAR RACK, BODY PANEL, FOOTWELL, AND TAILLIGHT ASSEMBLIES [303281]
REAR SUSPENSION ASSEMBLY [303288]
SEAT ASSEMBLY [303284]
SECONDARY DRIVE ASSEMBLY [302806]
SECONDARY TRANSMISSION ASSEMBLY [303216]
SHIFT LEVER ASSEMBLY [300273]
STARTER CLUTCH ASSEMBLY [300126]
STEERING ASSEMBLY [301597]
SWAY BAR ASSEMBLY [303289]
THROTTLE BODY ASSEMBLY [300280]
TRANSMISSION ASSEMBLY [302207]
WATER PUMP ASSEMBLY [301656]
WHEEL AND TIRE ASSEMBLY [302786]
WINCH ASSEMBLY [303282]
WIRING HARNESS ASSEMBLY [303290]
VIEW WISH LIST