Greenville, TX
|
Give Us a Call
(903) 454-4440
Toggle navigation
Home
Brands
Manufacturer Models
OEM Promotions
Polaris
Can-Am
E-Z-Go
Honda
Kawasaki
Suzuki
Inventory
All Inventory In Stock
New Inventory In Stock
Used Inventory
Value Your Trade-In
Request a Model
Schedule a Test Ride
Secure Financing
Parts
Parts Department
Parts Finder
Service
Service Department
Request Polaris Service
Warranty & Recall Look-Up
Specials
Financing
About
Our Dealership
Our Team
Reviews
Customer Survey
Employment
Events Calendar
Locations
Location & Hours
Contact
Parts Finder
Home
›
Parts
›
Parts Finder
Search by :
Part / Desc
VIN
Please Select
Arctic Cat
Honda
Kawasaki
Polaris
Suzuki
*Please enter at least 3 characters
SEARCH
Manufacturer
Arctic Cat
ATVs
2019
ATV ALTERRA 450 T3 RED [A2019KAK4C3TR]
VIEW WISH LIST
Select a Section
Show/Hide
AIR INTAKE ASSEMBLY [96409]
BATTERY AND STARTER ASSEMBLY [302351]
CAM CHAIN ASSEMBLY [303428]
CASE/BELT COOLING ASSEMBLY [301927]
CLUTCH/V-BELT/MAGNETO COVER ASSEMBLY [303521]
COOLING ASSEMBLY [303534]
CRANK BALANCER ASSEMBLY [303522]
CRANKCASE ASSEMBLY [303519]
CRANKSHAFT AND PISTON ASSEMBLY [303520]
CYLINDER ASSEMBLY [92762]
CYLINDER HEAD AND CAMSHAFT/VALVE ASSEMBLY [303518]
DECALS [303537]
DRIVE TRAIN ASSEMBLY [303535]
ENGINE AND EXHAUST [303533]
FRAME AND RELATED PARTS [303301]
FRONT BODY, RACK, AND HEADLIGHT ASSEMBLY [303528]
FRONT DRIVE GEARCASE ASSEMBLY [303310]
FRONT SUSPENSION ASSEMBLY [301924]
GAS TANK ASSEMBLY [302347]
GEAR SHIFTING ASSEMBLY [303524]
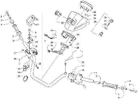
HANDLEBAR ASSEMBLY [303303]
HYDRAULIC BRAKE ASSEMBLY [303532]
LICENSE PLATE HOLDER ASSEMBLY [302353]
MAGNETO ASSEMBLY [303525]
OIL PUMP AND STRAINER ASSEMBLY [301455]
PARKING BRAKE ASSEMBLY [96050]
REAR BODY, RACK, AND TAILLIGHT ASSEMBLY [303530]
REAR DRIVE GEARCASE ASSEMBLY [97672]
REAR SUSPENSION ASSEMBLY [303304]
SEAT ASSEMBLY [301363]
SECONDARY DRIVE ASSEMBLY [303433]
SECONDARY TRANSMISSION ASSEMBLY [301457]
SHIFT LEVER ASSEMBLY [303307]
STARTER CLUTCH ASSEMBLY [303314]
STEERING ASSEMBLY [300613]
THROTTLE BODY ASSEMBLY [303536]
TRANSMISSION ASSEMBLY [303523]
WATER PUMP ASSEMBLY [301459]
WHEEL AND TIRE ASSEMBLY [303305]
WINCH ASSEMBLY [303315]
WIRING HARNESS ASSEMBLY [303311]
AIR INTAKE ASSEMBLY [96409]
BATTERY AND STARTER ASSEMBLY [302351]
CAM CHAIN ASSEMBLY [303428]
CASE/BELT COOLING ASSEMBLY [301927]
CLUTCH/V-BELT/MAGNETO COVER ASSEMBLY [303521]
COOLING ASSEMBLY [303534]
CRANK BALANCER ASSEMBLY [303522]
CRANKCASE ASSEMBLY [303519]
CRANKSHAFT AND PISTON ASSEMBLY [303520]
CYLINDER ASSEMBLY [92762]
CYLINDER HEAD AND CAMSHAFT/VALVE ASSEMBLY [303518]
DECALS [303537]
DRIVE TRAIN ASSEMBLY [303535]
ENGINE AND EXHAUST [303533]
FRAME AND RELATED PARTS [303301]
FRONT BODY, RACK, AND HEADLIGHT ASSEMBLY [303528]
FRONT DRIVE GEARCASE ASSEMBLY [303310]
FRONT SUSPENSION ASSEMBLY [301924]
GAS TANK ASSEMBLY [302347]
GEAR SHIFTING ASSEMBLY [303524]
HANDLEBAR ASSEMBLY [303303]
HYDRAULIC BRAKE ASSEMBLY [303532]
LICENSE PLATE HOLDER ASSEMBLY [302353]
MAGNETO ASSEMBLY [303525]
OIL PUMP AND STRAINER ASSEMBLY [301455]
PARKING BRAKE ASSEMBLY [96050]
REAR BODY, RACK, AND TAILLIGHT ASSEMBLY [303530]
REAR DRIVE GEARCASE ASSEMBLY [97672]
REAR SUSPENSION ASSEMBLY [303304]
SEAT ASSEMBLY [301363]
SECONDARY DRIVE ASSEMBLY [303433]
SECONDARY TRANSMISSION ASSEMBLY [301457]
SHIFT LEVER ASSEMBLY [303307]
STARTER CLUTCH ASSEMBLY [303314]
STEERING ASSEMBLY [300613]
THROTTLE BODY ASSEMBLY [303536]
TRANSMISSION ASSEMBLY [303523]
WATER PUMP ASSEMBLY [301459]
WHEEL AND TIRE ASSEMBLY [303305]
WINCH ASSEMBLY [303315]
WIRING HARNESS ASSEMBLY [303311]
VIEW WISH LIST