Greenville, TX
|
Give Us a Call
(903) 454-4440
Toggle navigation
Home
Brands
Manufacturer Models
OEM Promotions
Polaris
Can-Am
E-Z-Go
Honda
Kawasaki
Suzuki
Inventory
All Inventory In Stock
New Inventory In Stock
Used Inventory
Value Your Trade-In
Request a Model
Schedule a Test Ride
Secure Financing
Parts
Parts Department
Parts Finder
Service
Service Department
Request Polaris Service
Warranty & Recall Look-Up
Specials
Financing
About
Our Dealership
Our Team
Reviews
Customer Survey
Employment
Events Calendar
Locations
Location & Hours
Contact
Parts Finder
Home
›
Parts
›
Parts Finder
Search by :
Part / Desc
VIN
Please Select
Arctic Cat
Honda
Kawasaki
Polaris
Suzuki
*Please enter at least 3 characters
SEARCH
Manufacturer
Arctic Cat
ATVs
2019
ATV ALTERRA 400 LOF RED [A2019KAG4BLFR]
VIEW WISH LIST
Select a Section
Show/Hide
AIR INTAKE ASSEMBLY [94347]
BATTERY AND STARTER ASSEMBLY [301369]
CAM CHAIN ASSEMBLY [303357]
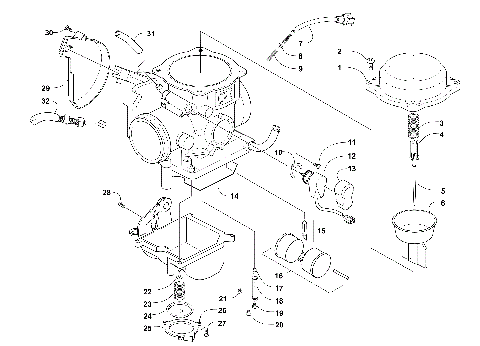
CARBURETOR [100407]
CASE/BELT COOLING ASSEMBLY [301927]
CLUTCH/V-BELT/MAGNETO COVER ASSEMBLY [303359]
CRANK BALANCER ASSEMBLY [90867]
CRANKCASE ASSEMBLY [303358]
CRANKSHAFT AND PISTON ASSEMBLY [302159]
CYLINDER ASSEMBLY [92885]
CYLINDER HEAD AND CAMSHAFT/VALVE ASSEMBLY [303356]
DECALS [303365]
DRIVE TRAIN ASSEMBLY [301928]
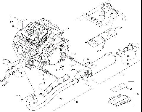
ENGINE AND EXHAUST [303352]
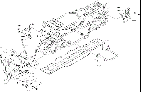
FRAME AND RELATED PARTS [303346]
FRONT BODY, RACK, AND HEADLIGHT ASSEMBLY [303342]
FRONT DRIVE GEARCASE ASSEMBLY [301367]
FRONT SUSPENSION ASSEMBLY [303557]
GAS TANK ASSEMBLY [303559]
GEAR SHIFTING ASSEMBLY [97660]
HANDLEBAR ASSEMBLY [303348]
HYDRAULIC BRAKE ASSEMBLY [303350]
LICENSE PLATE HOLDER ASSEMBLY [303364]
MAGNETO ASSEMBLY [301371]
OIL COOLER ASSEMBLY [300616]
OIL PUMP AND STRAINER ASSEMBLY [303361]
PARKING BRAKE ASSEMBLY [96050]
REAR BODY, RACK, AND TAILLIGHT ASSEMBLY [303344]
REAR DRIVE GEARCASE ASSEMBLY [303354]
REAR SUSPENSION ASSEMBLY [303558]
SEAT ASSEMBLY [301363]
SECONDARY DRIVE ASSEMBLY [94327]
SECONDARY TRANSMISSION ASSEMBLY [303362]
SHIFT LEVER ASSEMBLY [303351]
STARTER CLUTCH ASSEMBLY [303360]
STEERING ASSEMBLY [303347]
TRANSMISSION ASSEMBLY [303560]
WHEEL AND TIRE ASSEMBLY [303349]
WINCH ASSEMBLY [303363]
WIRING HARNESS ASSEMBLY [303355]
AIR INTAKE ASSEMBLY [94347]
BATTERY AND STARTER ASSEMBLY [301369]
CAM CHAIN ASSEMBLY [303357]
CARBURETOR [100407]
CASE/BELT COOLING ASSEMBLY [301927]
CLUTCH/V-BELT/MAGNETO COVER ASSEMBLY [303359]
CRANK BALANCER ASSEMBLY [90867]
CRANKCASE ASSEMBLY [303358]
CRANKSHAFT AND PISTON ASSEMBLY [302159]
CYLINDER ASSEMBLY [92885]
CYLINDER HEAD AND CAMSHAFT/VALVE ASSEMBLY [303356]
DECALS [303365]
DRIVE TRAIN ASSEMBLY [301928]
ENGINE AND EXHAUST [303352]
FRAME AND RELATED PARTS [303346]
FRONT BODY, RACK, AND HEADLIGHT ASSEMBLY [303342]
FRONT DRIVE GEARCASE ASSEMBLY [301367]
FRONT SUSPENSION ASSEMBLY [303557]
GAS TANK ASSEMBLY [303559]
GEAR SHIFTING ASSEMBLY [97660]
HANDLEBAR ASSEMBLY [303348]
HYDRAULIC BRAKE ASSEMBLY [303350]
LICENSE PLATE HOLDER ASSEMBLY [303364]
MAGNETO ASSEMBLY [301371]
OIL COOLER ASSEMBLY [300616]
OIL PUMP AND STRAINER ASSEMBLY [303361]
PARKING BRAKE ASSEMBLY [96050]
REAR BODY, RACK, AND TAILLIGHT ASSEMBLY [303344]
REAR DRIVE GEARCASE ASSEMBLY [303354]
REAR SUSPENSION ASSEMBLY [303558]
SEAT ASSEMBLY [301363]
SECONDARY DRIVE ASSEMBLY [94327]
SECONDARY TRANSMISSION ASSEMBLY [303362]
SHIFT LEVER ASSEMBLY [303351]
STARTER CLUTCH ASSEMBLY [303360]
STEERING ASSEMBLY [303347]
TRANSMISSION ASSEMBLY [303560]
WHEEL AND TIRE ASSEMBLY [303349]
WINCH ASSEMBLY [303363]
WIRING HARNESS ASSEMBLY [303355]
VIEW WISH LIST